
Fotografie i opis - Marcin Sławicz
Początki projektu
Idea skonstruowania własnego wzmacniacza lampowego nie dawała mi spokoju przez ostatnie 2 lata. Nie jestem maniakalnym audiofilem i korzystanie ze „zwykłego” sprzętu tranzystorowego w zupełności mi wystarczało (zawsze wolałem słuchać muzyki niż sprzętu). Teraz jednak mój wysłużony wzmacniacz zaczynają nękać dolegliwości starczego wieku, i choć mógłbym go zregenerować, nadarza się znakomita okazja, by zrealizować lampowe przedsięwzięcie.

Z początku myślałem o konstrukcji opartej wyłącznie na triodach, odrzucając jednak obarczone zbyt wieloma niedogodnościami układy SE. Bardzo ciekawy opis wzmacniacza push-pull z triodami bezpośrednio żarzonymi znalazłem na stronach Lynna Olsona. Warto tam zajrzeć ze względu na niezwykle ciekawe rozwiązania stosowane w jego projektach. Opisywane wzmacniacze mają jednak zasadniczą wadę – koszt (głównie ze względu na lampy 300B lub 2A3 i transformatory międzystopniowe). Musiałem więc szukać dalej.
Moją uwagę przyciągnęły pośrednio żarzone podwójne triody mocy 6AS7, stosowane niegdyś głównie w układach zasilania, ale również świetnie sprawujące się w roli lamp stopnia końcowego wzmacniaczy audio. Koszt lamp byłby znacznie mniejszy, jednak ze względu na niski współczynnik wzmocnienia napięciowego i w tym przypadku trzeba by zastosować kosztowne i trudno osiągalne transformatory międzystopniowe lub zastosować dwie lub więcej triod w połączeniu równoległym. Russ Sadd opisał na swoich stronach wzmacniacz push-pull z triodami 6AS7.
Projekt poleżał sobie kilka kolejnych miesięcy, w czasie których powoli przekonywałem się, że udany wzmacniacz mocy nie musi wcale posiadać triod w stopniu końcowym. Zacząłem rozważać wykorzystanie tetrod strumieniowych w układzie ultraliniowym. Układ taki łączy zalety brzmienia triod (niski poziom zniekształceń) z wysoką efektywnością i stabilnością tetrod i pentod. Do wyboru miałem lampy 6L6/5881, KT66, KT88/6550, powszechnie stosowane zarówno we wzmacniaczach gitarowych, jak i w konstrukcjach Hi-Fi.
Kolejny okres to przeszukiwanie sieci w celu wytypowania podstawowego układu wzmacniacza. Wzmacniacz nie powinien być skomplikowany, bowiem rozbudowany układ wcale nie gwarantuje wysokiej jakości dźwięku, a przy ograniczonych możliwościach pomiarowych może niepotrzebnie utrudnić uruchomienie. Konstrukcje seryjne muszą zapewnić powtarzalność produkcji i względną stałość parametrów w czasie późniejszej eksploatacji. Przy konstruowaniu wzmacniacza dla siebie można niejednokrotnie „pójść na skróty”, nie martwiąc się o późniejszy serwis.
Wybór padł na dobrze znany układ sprawdzony w tysiącach domach na całym świecie. Będzie to kolejna wersja wzmacniacza D.T. N. Williamsona. Prawie każda firma produkująca niegdyś wzmacniacze lampowe miała w swojej ofercie produkt w mniejszym lub większym stopniu bazujący na tym słynnym układzie. W Internecie można znaleźć setki artykułów opisujących różne odmiany wzmacniaczy Williamsona. Warto dziś skorzystać z tych bogatych doświadczeń.
Założenia konstrukcyjne
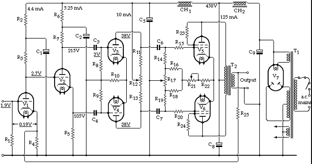
W 1947 roku D.T.N. Williamson zaprezentował układ wzmacniacza, który stanowił prawdziwy przełom w dążeniach do reprodukcji dźwięku wysokiej jakości. Najbardziej charakterystyczne elementy tego wzmacniacza, to rozdzielacz fazy z dzielonym obciążeniem (split load phase splitter) oraz zastosowanie transformatora przenoszącego sygnał w zakresie 2÷60,000Hz (warunek konieczny dla uzyskania stabilności wzmacniacza przy zamkniętej pętli sprzężenia zwrotnego).

Wszystkie stopnie wzmacniacza Williamsona są w istocie niezwykle proste, ale jednocześnie znakomicie ze sobą współdziałają, zapewniając stosunkowo niskie zniekształcenia sygnału. Niemniej jednak układ obarczony jest kilkoma wadami, które w kolejnych latach starano się poprawić. Na poniższym rysunku przedstawiona jest wersja wzmacniacza z 1949 roku z zaznaczonymi wartościami elementów.

RADIO dla Techników i Amatorów, Rok V, Kwiecień 1950r., Nr 4.

Radioamator i Krótkofalowiec polski, Rok 14, Maj 1964 rok, Numer 5.
mgr Zdzisław Krzystek.
Aparatura składa się z gramofonu "Ziphona", szerokopasmowego wzmacniacza o mocy 2x4W oraz dwóch zestawów głośnikowych w zamkniętych obudowach z otworem. Zapewnia ona wystarczającą głośność reprodukcji muzyki w pokoju mieszkalnym.
WZMACNIACZ
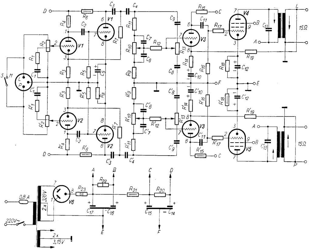
Schemat ideowy wzmacniacza przedstawiony jest na rysunku 1.

Rysunek 1. Schemat ideowy wzmacniacza.
Na wejściu znajduje się zwierak "Mono-Stereo", który należy zamknąć przy reprodukcji nagrań z płyt monofonicznych. Zmniejsza to nieco zakłócenia z gramofonu, gdyż przetwornik jest wtedy niewrażliwy na drgania wgłębne igły (na fotogramach tego wyłącznika nie ma).

Grzegorz Makarewicz ("gsmok"),
Na pierwszy rzut oka jeszcze jeden stereofoniczny wzmacniacz lampowy w układzie przeciwsobnym. Klasyczny wygląd z trzema puszkami zawierającymi transformator sieciowy i dwa transformatory głośnikowe oraz pięknie wyeksponowaną "baterią" lamp elektronowych. Producent zaprezentował nam również zestaw kondensatorów elektrolitycznych - to może nieco rzadziej spotykane, ale również niezbyt odkrywcze podejście projektowe. Podsumowując - wzmacniacz ładny, ale wieje nudą. Ostatni rzut oka na zastosowane lampy elektronowe i nagle niespodzianka - obsada lamp elektronowych trochę dziwna, że nie powiem zwariowana. I to tutaj właśnie kryje się tajemnica tej konstrukcji. Ale zacznijmy od początku.
Producent wzmacniacza, firma Audio Aero powstała w 1997 roku i jej formalne powiązanie bardziej dotyczyło przemysłu lotniczego niż urządzeń audio. No, ale stało się, i na rynku pojawił się ważny francuski gracz. Audio Aero nie specjalizuje się obecnie w produkcji wzmacniaczy lampowych. Prezentowane urządzenie zwane Audio Aero Capitole PA jest przykładem efemerydy zrodzonej w chwili przebłysku geniuszu twórczego jakiegoś konstruktora i zapomnianej w trakcie zmagań z konkurencją na trudnym audiofilskim rynku. Na zgliszczach po przegranej wojnie pozostała niewielka ilość tych wzmacniaczy, wśród nich egzemplarz, który trafił w moje ręce. Oto jego podstawowe parametry techniczne:
Można powiedzieć, iż miałem szczęście, że wzmacniacz trafił w moje ręce, gdyż nawet w Internecie jest bardzo mało konkretnych informacji o tym urządzeniu. Na poniższej fotografii przedstawiony jest wzmacniacz w całej okazałości. Nie jest to egzemplarz, który miałem okazję naprawiać - fotografia pochodzi z materiałów firmowych (niestety nie znam jej dokładnego źródła pochodzenia i nie mogę podać danych autora). Wykonane przeze mnie dwie fotografie prezentujące wygląd wzmacniacza przedstawiam w dalszej części opisu. Dlaczego? No cóż, dlatego, że nie wyszły zbyt dobrze i nie widać na nich wszystkich szczegółów.

Powróćmy do kwestii nietypowej konstrukcji układu elektronicznego wzmacniacza. Ta nietypowość polega na zastosowaniu w stopniu wyjściowym równoległego połączenia triod i pentod. W zasadzie pracują tutaj same pentody, z tym że w każdej z czterech zestawów lamp elektronowych - jedna z nich (w tym wypadku E34L/KT77) jest połączona w układ triodowy, druga zaś (KT88/6550) pracuje jako pentoda w trybie "ultralinearnym". Na poprzedniej fotografii i dwóch pokazanych poniżej widać pełen zestaw zastosowanych lamp elektronowych. Wykonane przeze mnie zdjęcia są nieco za ciemne i mało detaliczne. Niestety po raz kolejny, wiedziony ciekawością, po otrzymaniu wzmacniacza zabrałem się natychmiast do jego rozkręcania i dokumentowania wnętrza, a po naprawie zapomniałem zrobić zdjęcia i wykonałem je tuż przed oddaniem urządzenia. Nie mogę się nauczyć systematyczności i w wielu relacjach zamieszczonych w dziale Galeria mam problem z pokazaniem ładnych zdjęć. No, ale koniec z użalaniem się nad sobą. Wracając do rzeczy, na fotografii widać to niesłychanie ciekawe zestawienie końcowych lamp elektronowych w każdym kanale wzmacniacza.
Grzegorz "gsmok" Makarewicz



Grzegorz 'gsmok' Makarewicz
Wzmacniacz lampowy z tzw. średniej półki. Tradycyjne rozwiązanie układowe z nietradycyjną, rzadko stosowaną możliwością przełączania pomiędzy triodowym i pentodowym trybem pracy. Do zamieszczenia krótkiego opisu i nie tak krótkiego zestawu fotografii zachęciła mnie pojawiająca się w wielu miejscach informacja, że jest to wzmacniacz z polaryzacją automatyczną, który nie wymaga regulacji prądu spoczynkowego lamp końcowych. Otóż nie jest to prawdą i ostrzegam Użytkowników tego wzmacniacza przed niefrasobliwym podejściem do tego ważnego zagadnienia.
Zrywając z konwencją kolejności zamieszczania fotografii urządzeń w dziale Galeria serwisu WWW.TRIODA.COM, w ramach której pierwsze zdjęcie przedstawia widok ogólny wzmacniacza, a zdjęcia "rozbierane" pojawiają się później, tym razem jako pierwsze zdjęcie pokazuję fotografię, na której wzmacniacz wygrzewa się w trakcie procedury regulacji prądów spoczynkowych po wymianie lamp końcowych.

Szukając informacji na temat wzmacniacza XINDAK MT-3 ze zdumieniem stwierdziłem, że mimo sporej ilości ofert sprzedaży i pozytywnych opinii, nie ma praktycznie żadnych szczegółowych danych dotyczących jego BEZPIECZNEJ obsługi. Wymiana lamp we wzmacniaczu lampowym to nie to samo, co zmiana szczoteczki do zębów. Trzeba to tego podejść w sposób przemyślany i przede wszystkim bezpieczny. I tutaj wracam do wstępu. W jednym z czasopism audiofilskich (nie polskich na szczęście) znalazłem opinię wygłoszoną przez "znawcę" tematu, że z uwagi na automatyczną polaryzację lamp końcowych wzmacniacz, ten jest szczególnie dobrą propozycją dla tych, którzy lubią eksperymentować z lampami. Mogą je bowiem wymieniać do woli bez konieczności jakichkolwiek regulacji. Pozostało mi niewiele włosów na głowie, ale ta resztka stanęła na baczność, gdy o tym przeczytałem. Jako przykład niebezpieczeństw związanych z wymianą lamp niech posłuży fakt, że po wymianie lamp we wzmacniaczu, który tu prezentuję bez regulacji, zmierzone prądy przyjmowały wartości od 35mA do 80mA dla poszczególnych lamp.

RADIO dla Techników i Amatorów, Rok I, Kwiecień 1946r., Nr 2.
Regenerowanie lamp radiowych
RADIO Miesięcznik dla Techników i Amatorów, Rok I, Maj 1946r., Nr 3
(Serwis Trioda nie bierze odpowiedzialności za treść artykułu)
Trudności znalezienia na rynku lamp elektronowych starszych typów oraz ich wysoki koszt zmuszają do zastanowienia się nad zagadnieniem przywrócenia własności elektrycznych lampom elektronowym, które na skutek długotrwałej pracy lub krótkotrwałego przeciążenia straciły zdolności emisyjne i nie nadają się do pracy w odbiornikach radiowych.
Tematem artykułu będzie podanie doświadczonemu radioamatorowi opisu elektrycznych metod regenerowania lamp elektronowych. Oczywiście nie może być mowy o przywróceniu własności emisyjnych lampom elektronowym, posiadającym usterki natury mechanicznej jak np. przepalone włókno żarzenia katody (przepalona katoda), zwarcie między elektrodami lub zła próżnia. Mogą być brane pod uwagę jedynie lampy elektronowe o zbyt małym prądzie emisyjnym.
Proces regeneracji katod lamp elektronowych jest niczym innym jak tylko próbą powtórnego formowania katody, polegającą na przeprowadzeniu procesów termochemicznych na powierzchni katody. Na skutek obróbki termicznej powstaje tzw. warstwa czynna metalu (np. toru, wapnia, baru) emitująca elektrony przy stosunkowo niskiej temperaturze (około 1000ºK). Warstwa ta przez chwilowe przeciążenie lub na skutek długotrwałej pracy może ulec wyczerpaniu. W przypadku istnienia wewnątrz katody odpowiedniej rezerwy metalu użytego do emisji elektronów można lampę elektronową reaktywować. Analogicznie do procesu formowania, regeneracja następuje przez podgrzanie katody do temperatury znacznie przewyższającej nominalną temperaturę pracy, przy czym ogólnie należy rozróżnić dwa sposoby regeneracji:
Rezultat procesu regeneracji zależy od znajomości danych dotyczących metody formowania katody reaktywowanej lampy. Dane te dla rozmaitych typów lamp i katod są różne i przeważnie przez firmy produkujące lampy radiowe są chronione jako tajemnice fabryczne. Obok danych dotyczących formowania katody istotnym jest określenie stopnia zużycia katody. Stan zużycia można oznaczyć przeprowadzając badania mikrochemiczne, przy których nie do uniknięcia jest zniszczenie bańki lampy. Podanie więc ścisłych formuł regulujących procesy reaktywacji lamp radiowych jest niemożliwe. W każdym wypadku regeneracji mamy do czynienia z przypadkowością. Jeżeli lampa posiada we włóknie katody zapas metalu emitującego elektrony proces regeneracji może dać rezultat pozytywny. W przeciwnym wypadku należy traktować lampę jako bezużyteczną.
Po tych wstępnych uwagach omówimy właściwe metody regeneracji lamp radiowych odbiorczych. W zależności od rodzaju budowy katody stosowane są różne sposoby ich regeneracji.
1. Katody bezpośrednio żarzone.
A) Katody torowane.
Ten typ lamp można rozpoznać po jasno błyszczącym lustrze, pokrywającym część wnętrza bańki szklanej (np. firmy Telefunken typ RE 054, 064, 154 i inne).
Regeneracja:
Katodę podgrzewamy napięciem żarzenia stopniowo wzrastającym w czasie 10-ciu minut od wartości nominalnej do wartości dwukrotnej. Prądu emisyjnego nie pobieramy. Pomiar przyrostu prądu anodowego jest sprawdzianem udania się próby regeneracji. W wypadku rezultatu negatywnego stosujemy drugi sposób regeneracji. Lampy przy załączonych nominalnych wszystkich napięciach żarzymy napięciem żarzenia o wartości 1,2-krotnej napięcia nominalnego. Kontrolując prąd anodowy zwracamy uwagę, by moc wydzielona na anodzie nie przekroczyła mocy dopuszczalnej. Jeżeli prąd anodowy nie wzrasta obniżamy napięcie żarzenia do wartości nominalnej, wyłączamy przy tym napięcia innych elektrod i kilka minut żarzymy lampę w tych warunkach. Następnie załączamy napięcie anodowe i przy zwiększonym stopniowo o 20% napięciu żarzenia obserwujemy prąd anodowy. Tego rodzaju próby, jeżeli specjalnie zależy nam na danej lampie możemy powtórzyć kilkakrotnie aż do uzyskania oczekiwanego efektu.
Prosty pomiar ilości zwojów w transformatorze
RADIO Miesięcznik dla Techników i Amatorów, Rok IV, Styczeń-Luty 1949r., Nr 1/2
(Serwis Trioda nie bierze odpowiedzialności za treść artykułu)
Niejednokrotnie mamy trudności ze stwierdzeniem ilości zwojów w transformatorze. W wielu wypadkach odwijanie transformatora i przeliczanie w ten sposób zwojów jest niecelowe, szczególnie wówczas, gdy chcemy wykorzystać jedno z fabrycznych uzwojeń w nieuszkodzonym transformatorze, natomiast drugie, na podstawie obliczenia, dowinąć.

Rys. 1.
Na rys. 1. przedstawiony jest układ, przy pomocy którego możemy stwierdzić w prosty sposób ilość zwojów w jakimś uzwojeniu transformatora, bez potrzeby jego odwijania z wystarczającą dla praktyki dokładnością.
Na rdzeniu transformatora, którego jedno uzwojenie chcemy zbadać, nawijamy jeden zwój grubego (około 1mm) izolowanego drutu. Ten jeden zwój łączymy przez regulowany opornik Rr i przez amperomierz na prąd zmienny A, z uzwojeniem żarzenia jakiegoś innego transformatora Tr1 (np. o napięciu 4V), którego użyjemy jako źródła prądu w naszym pomiarze. Uzwojenie transformatora Tr2 na którym dokonujemy pomiaru, łączymy przez wyłącznik W z czułym miliamperomierzem na prąd zmienny mA. Najpierw obwód uzwojenia badanego pozostawiamy otwarty (wyłącznik W otwarty!).
Czytaj więcej: Prosty pomiar ilości zwojów w transformatorze

Radioamator, październik 1950r., rok I, numer 10
Schematy odbiorników typów: Nora W.16 Tosca i Nora GW. 16 Tosca (2 strona okładki)
Na zamieszczonych schematach przedstawione są połączenia w odbiornikach produkcji 'Nora" typów "Tosca" "W16" i "GW16". Oba odbiorniki są dwulampowe z trzecią prostowniczą, dwuzakresowe (fale średnie i długie) oraz należą do kategorii aparatów prostych. Obwody strojone i układ częstotliwości odbiorczej posiadają one identyczny, różnią się natomiast w sposobie zasilania prądem elektrycznym oraz typami lamp. Odbiornik "Tosca" "W16" zasilany jest prądem zmiennym z sieci oświetleniowej i posiada pierwszą lampę typu AF7, która spełnia rolę detektora. Druga - jest głośnikową typu AL4. Lampa prostownicza typu AZ1 pracuje w zasilaczu anodowym.

Odbiornik "Tosca" "GW16" może być zasilany prądem zmiennym lub stałym z sieci oświetleniowej. Posiada on lampy odbiorcze, które odpowiadają typom lamp w pierwszym aparacie, a więc: detektorowa - CF7 i głośnikowa - CL4. W zasilaczu pracuje lampa prostownicza typu CY1 oraz regulator prądu "Urdox" U920.

Oba aparaty posiadają regulację siły głosu i jednocześnie selektywności, którą uzyskuje się za pomocą zmiany pojemności kondensatora różnicowego znajdującego się w obwodzie antenowym. Posiadają one również wbudowane eliminatory, które pozwalają na uzyskanie czystego odbioru obcych stacji niezakłóconego audycją radiostacji lokalnej. Barwa dźwięku regulowana jest za pomocą włączania i wyłączania odpowiedniego kondensatora stałego znajdującego się w obwodzie anodowym lampy głośnikowej. Tak jeden jak i drugi aparat posiadają identyczne skrzynki.
Radziecka telewizja (1)
W roku 1922, kiedy radiowa stacja nadawcza w Nowym Yorku miała moc poniżej 1,5 kW, w Związku Radzieckim zbudowano i uruchomiono nadajnik o mocy 12 kW. W tym samym roku 1922 Związek Radziecki wysunął się na pierwsze miejsce w świecie pod względem mocy stacji nadawczych, wyprzedzając radiotechnikę innych krajów, która często korzystała z doświadczeń radzieckich inżynierów. Tak na przykład, według słów samych Amerykanów, radziecki system budowy super potężnych nadajników wykorzystano przy konstrukcji 500 kW stacji w pobliżu Cincinati. W nadajniku telewizyjnym w Nowym Yorku zastosowano również system modulacji opracowany w ZSRR.
Doskonałe wyniki osiągnięto w Związku Radzieckim i w dziedzinie telewizji.
Podstawy teoretyczne telewizji przygotował jeszcze w 1888 - 1890 roku wieli rosyjski uczony, fizyk A.G. Stoletow, który zbadał wpływ światła na przewodność elektryczną gazów i skonstruował pierwszy na świecie fotoelement.
...
Wzrost techniczno-ekonomicznej potęgi Związku Radzieckiego, osiągnięcia nauki radzieckiej stworzyły warunki dla skoku w rozwoju radzieckiej telewizji od standardu 343 linii do 625 linii, co stanowiło wyprzedzenie Europy (405) i Ameryki (525 linii).
Przejście moskiewskiej stacji telewizyjnej na nowy standard połączone było nie tylko z powiększeniem wyrazistości obrazu, lecz także z rozbudową i zwiększeniem mocy urządzeń.
Zadanie znacznego zwiększenia techniczno-eksploatacyjnych możliwości telewizji zostało wykonane z pełnym sukcesem.
Radzieccy czytelnicy zdziwili się przeczytawszy niedawno w czasopiśmie angielskiej placówki informacyjnej w ZSRR, że w Anglii stosuje się wciąż jeszcze w telewizji przedwojenny standard i że uważa się go za "całkowicie zadowalający".
...
Równocześnie z doskonaleniem nadawczej aparatury telewizyjnej specjaliści radzieccy opracowywali nowe odbiorniki. Na naszych zdjęciach widzimy widzimy najbardziej rozpowszechnione radzieckie telewizory. Obecnie inżynierowie radzieccy pracują nad stworzeniem nowych aparatów ze znacznie powiększonymi ekranami. Prócz tego udoskonala się soczewki dla powiększania obrazów. Dzięki swej niskiej cenie i wysokiej jakości zdobyły one w krótkim czasie uznanie najszerszej publiczności.
Najbliższym zadaniem, które stawiają przed sobą radzieckie instytuty naukowo - badawcze, jest telewizja kolorowa.

Uczmy się radiotechniki - Katoda (3)
Katoda lampy, aby mogła normalnie pracować, to znaczy emitować swobodne elektrony na zewnątrz, musi być podgrzewana do pewnej ściśle określonej temperatury. Katody lamp podgrzewa się prądem elektrycznym, stałym lub zmiennym, przy czym lampy o "żarzeniu bezpośrednim" przeznaczone są raczej do pracy na prądzie stałym, natomiast lampy o "żarzeniu pośrednim" mogą być żarzone dowolnie, prądem stałym lub zmiennym. Moc elektryczną prądu żarzenia traconą na ciepło w katodzie obliczamy mnożąc napięcie żarzenia w woltach przez prąd żarzenia w amperach. Np. jeżeli mamy lampę 4-woltową, której prąd żarzenia wynosi 1 Amper, wówczas moc żarzenia wynosi: 4 x 1 = 4 waty. Moz żarzenia jest potrzebna po to, aby utrzymać temperaturę katody na stałym poziomie. Ponieważ gorąca katoda promieniuje ciepło na zewnątrz, wskutek czego się oziębia, trzeba wciąż uzupełniać te braki, doprowadzając energię elektryczną ze źródła żarzenia.
Moc potrzebna do grzania katody w lampie zależy od powierzchni tej katody i od temperatury w jakiej ona pracuje. Najmniej mocy żarzenia wymagają lampy z katodą tlenkową, ponieważ, jak wiemy, temperatura pracy katod tlenkowych nie jest wysoka. Powierzchnia katody decyduje o wielkości emisji elektronowej. Lampy o dużej emisji wymagają katod o dużej powierzchni, co pociąga za sobą dużą moc żarzenia. Lampy o słabej emisji posiadają małą powierzchnię wskutek czego i potrzebna moc żarzenia jest mała. Znając moc żarzenia lampy katodowej możemy w przybliżeniu określić jej maksymalną emisję. Na jeden wat mocy traconej w katodzie, jak wiemy, w przypadku katody tlenkowej, możemy liczyć około 100 mA emisji, a więc w przypadku lampy o mocy żarzenia 4 W, maksymalny prąd emisyjny będzie rzędu 400 mA.
Ponieważ o temperaturze żarzenia katody decyduje ilość watów żarzenia a więc iloczyn napięcia przez prąd żarzenia, można przeto budować lampy o tej samej emisji, na różne napięcia względnie różna prądy żarzenia. Z biegiem wielu lat rozwoju techniki lampowej, ustaliły się pewne normy napięć żarzenia lamp katodowych, w zależności od rodzaju źródła zasilającego. Jako źródła zasilania spotykamy w praktyce najczęściej: ogniwa elektryczne, akumulatory i sieć elektryczną prądu stałego i zmiennego. Do tych więc źródeł wytwórnie lamp dopasowują żarzenie katod lampowych. Standardowe napięcia żarzenia lamp obecnie produkowanych podane są w poniższej tabeli.

Lampy o jednakowym napięciu żarzenia łączy się równolegle do źródła zasilającego, podobnie jak np. żarówki elektryczne do sieci oświetleniowej. Pobór prądu przez różne lampy może być różny, zależnie od ich mocy żarzenia. Lampy głośnikowe pobierają na ogół większy prąd żarzenia niż lampy przeznaczone do wzmacniania napięcia. Całkowity prąd czerpany ze źródła prądu jest równy sumie prądów płynących przez poszczególne lampy. Oczywiście, że źródło prądu musi wydołać temu prądowi wypadkowemu, przy utrzymaniu nominalnego napięcia na zaciskach wszystkich lamp.
Równoległe łączenie lamp stosuje się w aparatach bateryjnych i sieciowych na prąd zmienny - w ogóle przy niskowoltowych lampach.

Natomiast w aparatach na prąd stały względnie aparatach uniwersalnych, to znaczy na prąd stały i zmienny, łączy się wszystkie włókna żarzenia szeregowo. Ponieważ w tym przypadku przez wszystkie lampy płynie ten sam prąd, wobec tego wszystkie lampy zastosowane w takim układzie muszą być budowane na jeden i ten sam prąd żarzenia
...

Można jednak w poszczególnych przypadkach zamiast np. jednej lampy o prądzie żarzenia 100 mA włączyć w obwód zasilania dwie równolegle połączone lampy 50 miliamperowe. Zasilanie szeregowo ze sobą połączonych lamp musi się odbywać przy nominalnym prądzie. Jeżeli suma napięć wszystkich szeregowo połączonych lamp jest mniejsza od napięcia źródła zasilającego, wówczas musimy szeregowo z lampami załączyć opór którym wyregulujemy prąd do nominalnej wartości. Zamiast oporu stałego odpowiedniej wartości stosuje się przeważnie opór żelazo-wodorowy zwany "Urdoxem" działający automatycznie to znaczy nastawiający niezależnie od wielkości napięcia zasilającego prąd żarzenia na odpowiednią wartość nominalną.

...
Skoro poznaliśmy już właściwości katod, zapoznajmy się z cokołem lamp i zobaczmy do jakich zacisków cokołu dołączone są końcówki włókna żarzenia.
Strona 8 z 16