Czesław Klimczewski "Wzmacniacz małej częstotliwości typu ECL"
Radioamator 10/1952
Zgodnie z życzeniem naszych czytelników podany zostaje opis wykonania wzmacniacza małej częstotliwości zasilanego prądem zmiennym z sieci oświetleniowej.
Opisany wzmacniacz pomyślany jest do pracy z elektrycznym adapterem patefonowym, niemniej jednak może służyć również jako wzmacniacz do aparatu kryształkowego i mikrofonu. Posiada on tylko jedną „podwójną” lampę wzmacniającą typu „ECL11” lecz dzięki temu, że dwukrotnie spełnia ona zadanie pracując w dwu obwodach wzmacniających małą częstotliwość wzmocnienie i moc są wystarczające do uruchomienia nawet dużego głośnika dynamicznego.
Połączenia elektrod lampy ECL11 z nóżkami w jej cokole, widoczne od spodu cokołu, przedstawia rys.1.

Rys.1
Wzmacniacz ten posiada regulacje: „siły głosu” i „barwy tonu”. Ta ostatnia rozwiązana jest dość pomysłowo. Uzyskuje się ją przez zmianę pojemności kondensatora zmiennego C11 znajdującego się w obwodzie tzw. „sprzężenia zwrotnego” zastosowanego między częścią lampy „ECL11” zwaną „triodą” i częścią – zwaną „pentodą”. Dzięki specjalnie dobranym wartościom elektrycznym tego sprzężenia odtwarzane pasmo częstotliwości akustycznych jest bardzo równomierne w szerokich granicach, a występujące często tzw. „zniekształcenia nieliniowe” objawiające się w postaci chrypienia, są niezwykle małe.
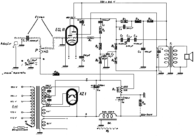
Przystępujemy obecnie do krótkiego opisu schematu wzmacniacza przedstawionego na rys.2.

Rys.2
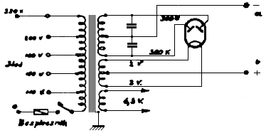
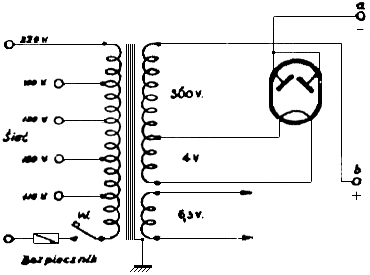
Wzmacniacz „ECL” jest zasilany prądem zmiennym z sieci oświetleniowej. Lampy więc żarzy się prądem zmiennym o zniżonym na transformatorze sieciowym do potrzebnej wysokości – napięciu. Zasilanie anod lampy wzmacniającej prądem „stałym” odbywa się za pomocą prostownika lampowego i filtru wygładzającego wyprostowane napięcie zmienne, które również otrzymuje się z odpowiedniego uzwojenia tego samego transformatora sieciowego. We wzmacniaczu modelowym użyto transformator sieciowy mający dwa uzwojenia tzw. „anodowe” dostarczające napięć dwa razy po 360 woltów i pozwalające na „dwupołówkowe” prostowanie prądu za pomocą lampy AZ1. Gdyby jednak nabycie takiego transformatora sieciowego sprawiło trudność, można zastosować transformator posiadający jedno tylko uzwojenie „anodowe”, które pozwoli na prostowanie „jednopołówkowe”. W tym przypadku schemat zasilacza z rys.3, między gniazdkami przyłączonymi z sieci i punktami „a” i „b” zmieni się tak, jak to pokazuje rys.4.

Rys.3

Rys.4
Stosując do wzmacniacza, zasilacz o prostowaniu „jednopołówkowym” użyć trzeba dla wygładzenia wyprostowanego napięcia anodowego kondensatorów elektrolitycznych C16 i C17 o możliwie dużej pojemności elektrycznej, gdyż w przeciwnym przypadku może być słyszalny lekki „przydźwięk” prądu zakłócający niemile audycję. Na schematach montażowych (rys.5 i 6) przyjęto, że kondensatory te są wykonane jako „metalowe” i zamocowane zostały na wierzchu podstawy (patrz rys.6).

Rys.5

Rys.6
Użyty w modelowym wzmacniaczu transformator sieciowy posiada więc dwa uzwojenia „anodowe” dające każde po 360 woltów, jedno uzwojenie zasilające prądem żarzenia o wysokości 4 woltów lampę prostowniczą AZ1, oraz drugie – dające napięcie 6,3 wolta dla żarzenia lampy ECL11. Są to uzwojenia tzw. „wtórne”. Uzwojenie pierwotne, które przyłącza się do sieci oświetleniowej, poprzez bezpiecznik 1amperowy i wyłącznik, posiada odgałęzienia pozwalające na „dopasowanie” transformatora do napięcia jakie ta sieć posiada.
Krańcowe końce uzwojenia „anodowego” przyłączone są w podstawce lampy AZ1 do sprężynek odpowiadających „anodom”, przy czym są one również połączone poprzez kondensatory stałe C14 i C15 o pojemności po 10000 pikofaradów każdy, ze środkiem tego samego uzwojenia, który jednocześnie stanowi biegun „minus” wyprostowanego napięcia. Kondensatory te chronią przez przedostawaniem się zakłóceń przemysłowych z sieci oświetleniowej do wnętrza wzmacniacza, a więc zwiększają czystość głosu odtwarzanych przez wzmacniacz audycji (patrz rys.2 i 3).
Biegun „plus” napięcia wyprostowanego otrzymuje się z jednego przewodu uzwojenia żarzenia lampy prostowniczej. W niektórych jednak transformatorach sieciowych uzwojenie żarzenia tej lampy posiada wyprowadzony na zewnątrz środek. Wtedy to krańcowe przewody tego uzwojenia łączy się w podstawce ze sprężynkami odpowiadającymi „katodzie” lampy prostowniczej, „środek” zaś jego stanowi „plus” napięcia wyprostowanego, tak, jak to pokazano na rys.3.
Po wyprostowaniu napięcia „zmiennego” czyli po zmianie jego na „stałe – pulsujące”, trzeba go następnie wygładzić tak, aby pulsacje zniknęły i napięcie to podobne było do napięcia otrzymywanego z baterii anodowej. Wygładzenie musi być możliwie jak najdokładniejsze, gdyż w przeciwnym przypadku ślady pulsacji spowodują słyszalny z głośnika mniej lub więcej silny „przydźwięk” prądu w postaci buczenia.
Filtr wygładzający wyprostowane napięcie składa się z dwóch kondensatorów elektrolitycznych C16 i C17 o możliwie dużej elektrycznej pojemności np. 32, 16 lub w ostateczności 8 mikrofaradów i napięciu pracy minimum 450 woltów każdy, oraz – dławika „Dł” małej częstotliwości o samoindukcji około 25 Henrów i oporze omowym około 1000 omów. Zamiast dławika m. cz. użyć można cewkę wzbudzenia głośnika dynamicznego, w przypadku, jeżeli nie posiada on magnesu stałego lecz elektromagnes. Wtedy obciąża się sztucznie prostownik oporem R12 = 200,000 omów (200 kiloomów) celem zwiększenia natężenia prądu płynącego przez uzwojenie cewki wzbudzenia głośnika. Większy (niż normalny pobór prądu przez lampę ECL11) przepływ jego przez cewkę wzbudzenia spowoduje zwiększenie strumienia magnetycznego w rdzeniu elektromagnesu głośnika, stwarzając silniejsze pole magnetyczne w jego szczelinie powietrznej, w której drga ceweczka, powodując tym samym zwiększenie wydajności akustycznej głośnika. Jeżeli głośnik dynamiczny posiada magnes „stały” a dławik m. cz. trudno jest nabyć, to można zamiast niego użyć opór drutowy Rf o oporności 1000 do 2000 omów przewidziany na obciążenie najmniej 5 watów.
Ujemne napięcie potrzebne dla normalnej pracy obu systemów („triody” i „pentody”) lampy ECL11 uzyskuje się na oporze drutowym R11=100 omów, przy czym trioda otrzymuje napięcie z odczepu na oporze równym 33 omy mierząc od strony uziemionego końca (przyłączonego do „masy” – podstawy wzmacniacza).
Część wzmacniająca posiada „wejście” wysokoomowe. Z gniazdek „wejściowych” wzmacniacza napięcia o częstotliwościach akustycznych otrzymane z adaptera, aparatu lub mikrofonu, doprowadzone zostają na siatkę sterującą triody lampy ECL11 poprzez kondensator C1=10.000 pikofaradów i potencjometr P=1M (Megoma), którym reguluje się „siłę głosu” wzmacnianej audycji. Po pierwszym wzmocnieniu w „triodzie” napięcia, powstające na oporze pracy Rs=200.000 omów, znajdującym się w jej obwodzie anodowym, zostają skierowane poprzez kondensator stały C5=10.000pF, opór R2=50.000 omów i opór R1=1.000 omów – do siatki sterującej pentody. Ponieważ lampa typu ECL11 często wpada w oscylacje objawiające się silnym gwizdem, buczeniem lub pukaniem, przeto celem uniknięcia ich powstawania łączy się siatkę sterującą pentody, z jej anodą kondensatorem stałym C4=200pF, oraz z „masą aparatu” kondensatorem stałym C3=100pF. Wymienione wyżej opory R1 i R2, włączone w obwód siatki sterującej stanowią również zawór dla napięć zakłócających. Opór upływowy R3=0,3M w obwodzie siatki sterującej pentody połączony jest poprzez opór R4=130K ze środkiem uzwojenia anodowego na transformatorze sieciowym.
Po powtórnym wzmocnieniu prądów małej częstotliwości w pentodzie zasila się nimi transformator „TR” głośnika dynamicznego.
Dla uzyskania równomiernego odtwarzania muzyki przez głośnik i zmniejszenia zniekształceń, zastosowano mostek tzw. „sprzężenia zwrotnego” łączący anody triody i pentody składający się: z oporów – R7=3M, R8=R8=500K, oraz kondensatorów – C12=100pF, C8=300pF, C9=C10=10.000pF i zmiennego C11 („mikowego”) o pojemności 500pF. Połączenie poszczególnych elementów mostka pokazane jest na schemacie umieszczonym na rys.2. Kondensator zmienny C11 służy do regulacji „barwy tonu”, gdyż zmieniając jego pojemność, zmienia się w pewnych granicach wzmocnienie poszczególnych częstotliwości, na skutek zmiany wartości elektrycznych mostka, tworzącego tzw. „sprzężenie zwrotne”.
Tyle w skrócie co do opisu schematu wzmacniacza. Obecnie omówimy sposób montażu.
Montaż
Montaż wzmacniacza najlepiej rozpocząć od zasilacza anodowego. Przede wszystkim rozplanowuje i przymocowuje się na podstawie wzmacniacza transformator sieciowy, transformator głośnikowy, (który powinien znajdować się możliwie daleko od transformatora sieciowego i być prostopadle ustawiony do niego), kondensatory elektrolityczne potencjometr, wyłącznik sieciowy, bezpiecznik oraz gniazdka wejściowe, wyjściowe i sieciowe a także podstawki lampowe i kondensator zmienny C11 („mikowy”) o pojemności elektr. 500pF. Ten kondensator zmienny 500pF służyć będzie do regulacji barwy tonu. Musi on być odizolowany od metalowej podstawy wzmacniacza za pomocą podkładek z preszpanu lub bakelitu. Wykonać to można np. wg rysunku nr 7.

Rys.7
Następnie łączy się odpowiednie końcówki pierwotnego uzwojenia sieciowego na transformatorze zasilającym, poprzez bezpieczniki i wyłącznik z gniazdkami sieciowymi wzmacniacza. Podobnie doprowadza się do odpowiednich sprężynek w podstawkach lampowych przewody napięcia żarzenia lampy AZ1. Przewody łączące uzwojenia żarzenia transformatora sieciowego (doprowadzone do lampy AZ1 i ECL11) powinny być dobrze izolowane i skręcone (splecione) parami, podobnie jak to uwidocznione jest na schemacie montażowym. Dzięki skręceniu przewodów żarzenia uniknie się oddziaływania na inne obwody wzmacniacza szkodliwego pola elektromagnetycznego powstającego na skutek przepływu przez nie prądu zmiennego o częstotliwości 50 okr/sek, a więc i zapobieganie ewentualnemu powstawaniu zakłóceń w odtwarzanych audycjach charakteryzujących się mniej lub więcej silnym „przydźwiękiem” (buczeniem) prądu słyszanym z głośnika.
Skrajne końcówki uzwojenia anodowego w transformatorze sieciowym łączy się ze sprężynkami anodowymi w podstawce lampy prostowniczej AZ1. Środkowa końcówka (doprowadzona do środka uzwojenia anodowego) jest „minusem” wyprostowanego napięcia i połączona zostaje z końcówką „minus” kondensatora elektrolitycznego C16 oraz poprzez opór R11=100 omów z „minusem” drugiego kondensatora elektrolitycznego C17. Odczep na oporze R11=100 omów przyłączony jest poprzez opór R10=30.000 omów do jednej ze skrajnych sprężynek potencjometru P=1M.
Celem zapobiegnięcia w przedostawaniu się do wzmacniacza zakłóceń powstających w sieci oświetleniowej, pomiędzy skrajne przewody napięcia anodowego i środek uzwojenia trzeba włączyć kondensatorki stałe C14 i C15 o pojemności po 10.000pF.
Kondensatory elektrolityczne powinny być tak zamontowane na podstawie wzmacniacza, aby ich biegun „minus” był od niej odizolowany. W przypadku więc użycia do montażu kondensatorów w obudowie metalowej, w których biegunem „minus” jest sama obudowa, trzeba zastosować podkładki bakelitowe lub preszpanowe, które pewnie oddzielą je od metalowej podstawy wzmacniacza.
Montaż zasilacza ukończony zostanie po połączeniu jednego z przewodów żarzenia lampy prostowniczej AZ1, będącego „plusem” wyprostowanego napięcia anodowego z „plusem” kondensatora elektrolitycznego C16 i poprzez dławik („Dł”) filtrujący wyprostowane napięcie (lub cewkę wzbudzenia głośnika dynamicznego albo opór Rf=1000 omów) z „plusem” drugiego kondensatora elektrolitycznego C17. Za tym ostatnim kondensatorem otrzymuje się między przewodem z niego wyprowadzonym, a środkiem uzwojenia anodowego na transformatorze sieciowym (lub odczepem na oporze R11) wyfiltrowane już czyli bez pulsacji, „stałe” napięcie anodowe nadające się do zasilania lampy ECL11.
Połączenia w części wzmacniającej rozpocząć najlepiej od gniazdek „wejściowych” pamiętając o przeprowadzaniu ich drutami możliwie najkrótszymi posiłkując się przy tym zamieszczonymi schematami ideowym i montażowym. Zwracamy specjalną uwagę na obwód „wejścia” wzmacniacza, który powinien być montowany przewodem dobrze izolowanym, umieszczonym w „ekranie” z uziemionej siatki. Poszczególnych połączeń nie będzie się podawać pozostawiając wykonanie ich sprytowi Czytelnika. Przypomina się, że lutowanie przewodów cyną powinno być wykonywane na kalafonię lub specjalną pastę. Używanie do tego celu tzw. „kwasu” jest niedopuszczalne, gdyż z czasem, w miejscach zlutowania, powstanie osad psujący kontakt elektryczny, co z kolei spowoduje trzaski lub przerwy we wzmacnianej audycji.
Po zmontowaniu wzmacniacza ponownie trzeba sprawdzić połączenie, wg schematów, a następnie włączyć go bez lamp do sieci oświetleniowej i zbadać woltomierzem na „prąd zmienny”, czy napięcia żarzenia na odpowiednich sprężynkach w podstawkach lampowych wynoszą dla lampy AZ1 około 4,5 wolta i dla lampy ECL11 około 7 woltów. W braku woltomierza można sprawdzić czy połączenia doprowadzające te napięcia wykonano prawidłowo za pomocą małej żaróweczki 6,3 – lub lepiej 8-woltowej. Żaróweczka ta po połączeniu przewodami ze sprężynkami żarzenia w podstawce lampy będzie się świeciła. Słabiej – w podstawce lampy AZ1, silniej – w podstawce lampy ECL11. W przypadku błędnych połączeń, żaróweczka nie zaświeci się wcale lub ulegnie przepaleniu. Jeżeli wszystko jest w porządku, wyłącza się wzmacniacz z sieci, wkłada lampę AZ1 do podstawki i włącza ponownie do sieci. Dalsze badanie prawidłowości połączeń polegać będzie na ponownym stwierdzeniu czy żarzenie lampy ECL11 nie uległo zmianie (woltomierzem lub żaróweczką), oraz na pomiarze napięć anodowych i „siatek osłonnych”.
Dokonać tego można łącząc „ujemny” biegun woltomierza na „prąd stały” o zakresie 300 lub więcej woltów, z metalową podstawą („masą”) wzmacniacza, zaś jego biegun „dodatni” – z odpowiednimi sprężynkami w podstawie lampy ECL11. Pomiary te wykonywać trzeba ze schematami w ręku aby uniknąć pomyłek przy przyłączaniu woltomierza. Jeżeli Czytelnik nie posiada odpowiedniego woltomierza to można te ostatnie pomiary pominąć, sprawdzając jednak dokładnie połączenia ze schematami. Po ponownym wyłączeniu wzmacniacza z sieci, włożeniu lampy ECL11 do podstawki i włączeniu go z powrotem do sieci, wzmacniacz powinien dawać słyszalny szum z głośnika który będzie tym silniejszy im większe będzie na nim wzmocnienie uzyskiwane przez pokręcenie potencjometru „P” w prawo.
Ostatnie sprawdzenie prawidłowości połączeń polegać będzie na przekonaniu się czy wzmacniacz posiada dobrze wykonane obwody wejściowe. W tym celu trzeba dotknąć palcem gniazdka „wejściowego” nie połączonego z podstawą wzmacniacza. Po dotknięciu jego palcem usłyszeć się powinno z głośnika przyłączonego do wzmacniacza silny warkot, który będzie wskazywał, że obwody wzmacniające wykonane są prawidłowo.
Po tym sprawdzeniu wzmacniacz można już przyłączyć do adaptera patefonowego, uważając jednak aby „ekran” znajdujący się na przewodach odprowadzonych, od niego (czasem również i przewód połączony z „ekranem” włożony był do tego gniazdka „wejściowego”, które łączy się z podstawą („masą”) wzmacniacza (patrz rys. 8).

Rys.8
Celem uzyskania zupełnie czystego odtwarzania audycji (bez szumu) podstawa wzmacniacza powinna być uziemiona. Do tego celu służy gniazdko uziemienia „Z” wmontowane w podstawę wzmacniacza.
Uzyskane na tym wzmacniaczu wzmocnienie pozwoli na uruchomienie dużego głośnika dynamicznego, a czystość głosu odtwarzanych dźwięków da pełne zadowolenie jego wykonawcy.
Jeżeli opisany wzmacniacz ma służyć do wzmocnienia audycji otrzymywanych z aparatu detektorowego lub mikrofonu, można zastosować między wzmacniaczem a aparatem lub mikrofonem – transformatorek, tzw. „międzylampowy”, który podwyższy otrzymywane z nich słabiutkie napięcia o częstotliwościach akustycznych i dopasuje pod względem elektrycznym ich obwody „wyjściowe” do obwodu „wejściowego” wzmacniacza.
Dla aparatu detektorowego transformatorek międzylampowy może mieć tzw. „przekładnię” 1:6 lub 1:4 (orzekładnia ta wyraża stosunek ilości zwojów uzwojenia „pierwotnego” – „P” do ilości zwojów na uzwojeniu „wtórnym” – „S”). Uzwojenie „pierwotne” „P” włącza się wtedy do gniazdek słuchawkowych aparatu detektorowego, „”wtórne” zaś do „wejścia” wzmacniacza wg schematu pokazowego na rys. 9.

Rys.9
Mikrofon przyłącza się do wzmacniacza również przez transformatorek. Jeżeli mikrofon jest typu „węglowego” (Np. w wkładki mikrofonowej telefonu) to transformatorek może być typu „głośnikowego” czyli taki sam lub podobny, jaki stosuje się do głośnika dynamicznego.
Uzwojenie niskoomowe, które przyłączane bywa zwykle do cewki drgającej głośnika, łączy się wtedy z biegunami mikrofonu, zaś wysokoomowe (włączone do „wejścia” wzmacniacza lub aparatu) – z „wejściem” wzmacniacza. Na zamieszczonym niżej schemacie (rys. 10) widzimy, że w obwodzie mikrofonu znajduje się bateryjka elektryczna. Potrzebna jest ona dla działania mikrofonu węglowego i miże być od latarki kieszonkowej o napięciu od 3 do 4,5 wolta.

Rys.10
Tak bateryjka jak i transformatorek powinny być umieszczone możliwie blisko mikrofonu. (To samo odnosi się i w stosunku do aparatu detektorowego i transformatorka). Poza tym przewody między aparatem detektorowym lub mikrofonem i transformatorkiem oraz między nim a wzmacniaczem powinny znajdować się w metalowej i uziemionej siatce – „ekranie”.
Dobre ekranowanie tych przewodów wpłynie korzystnie na czystość wzmacnianych audycji, otrzymywanych z aparatu detektorowego lub mikrofonu.
Spis części:
- Podstawa aparatu wykonana może być z blachy żelaznej lub aluminiowej. Wymiary jej wynosić mogą: długość – 25cm szerokość – 15 cm i wysokość – 5cm.
- Transformator sieciowy: Uzwojenie „sieciowe” dostosowane do napięcia 220 woltów sieci lub z odczepami. Uzwojenie wtórne: anodowe – dwa razy po 360 woltów przewidziane na około 60÷50 miliamperów obciążenia, żarzenia lampy prostowniczej – 4 wolty i 1 amper obciążenia, oraz żarzenia lampy wzmacniającej – 6,3 wolty i 1 amper lub nieco więcej.
- Dławik małej częstotliwości „Dł” dla filtracji wyprostowanego napięcia o indukcyjności około 25 Henrów i 1000 omów oporu dla prądu „stałego”, ewentualnie opór „Rf” 100 omów obciążenie 5 watów – „drutowy”.
- Głośnik dynamiczny „9 watowy” z transformatorem, który można zamontować na podstawie wzmacniacza.
- Głośnik ten powinien być przymocowany do ekranu z dykty o grubości najmniej 1 cm. Ekran powinien być kwadratowy z otworem w środku o średnicy membrany głośnika. Wymiary boków nie powinny być mniejsze niż 60 centymetrów.
- Kondensatory
C1 = 10.000pF/1500 woltów – „stały”.
C2 = 10µF/12-15 woltów – „elektrolityczny” – „katodowy”.
inż. Klimczewski Czesław