
Andrzej Depczyk, "Wzmacniacz 10W Hi-Fi"
Radioamator 1957/12
Ostatnimi czasy daje się zauważyć znaczny postęp techniki małej częstotliwości. Coraz ostrzejsze wymagania stawiane tej gałęzi techniki przez użytkowników doprowadziły do powstania wysokojakościowych nagrań płytowych (zakres częstotliwości 30÷16000Hz - przy zniekształceniach <2%) oraz do spopularyzowania odbioru radiowego UKF-FM. Dysponując dobrymi źródłami muzyki, koniecznym staje się stosowanie urządzeń wzmacniających, które nie pogarszałyby jakości produkcji odtwarzanych przez wysokiej jakości adapter czy odbiornik UKF-FM.
Wzmacniacz taki, określany jako Hi-Fi, powinien zapewnić:
- dostateczną głośność audycji w pomieszczeniu,
- liniową charakterystykę częstotliwości w granicach słyszalności,
- na tyle małe zniekształcenia nieliniowe, aby wyszkolone muzycznie ucho ludzkie nie mogło ich wykryć.
Pierwszy warunek może być spełniony, jeśli wzmacniacz mocy będzie w stanie dostarczyć do głośnika około 10W; nie oznacza to, że wzmacniacz ma pracować cały czas na pełnej mocy, tego bowiem nikt by nie wytrzymał, ale zdolność wzmacniacza do oddania mocy 10W przy szczytach audycji umożliwia uzyskanie dużej dynamiki i zabezpiecza przed przesterowaniem.
Drugi warunek spełni wzmacniacz, którego charakterystyka częstotliwości będzie liniowa w granicach 20÷30Hz do 15000÷20000Hz.
Trzeci warunek na ogół jest najtrudniejszy do spełnienia; zniekształcenia nieliniowe powinny być mniejsze od 2% i to nie tylko zniekształcenia harmoniczne, lecz kompleksowe (intermodulacyjne).
Istnieje szereg układów wzmacniaczy wysokiej jakości, jednak są to na ogół urządzenia bardzo kosztowne. J.M. Miller opracował prosty i stosunkowo niedrogi układ wzmacniacza m.cz., który po pewnym zmodyfikowaniu spełnia wszystkie podane wyżej wymagania.
W swoim pierwotnym wykonaniu wzmacniacz ten wyposażony był w transformator o przekroju rdzenia 3,6cm2, nawinięty zwyczajnie, bez dzielenia uzwojeń. Wzmacniacz ten miał charakterystykę częstotliwości 20÷50000Hz +/-4dB, zniekształcenia nieliniowe (harmoniczne) rzędu 0,35% przy 400Hz i 8W. Wzmacniacz opisany w niniejszym artykule różni się od swego prototypu zastosowaniem:
- transformatora z dzielonymi uzwojeniami,
- dodatkowej korekcji fazy w zakresie wielkich częstotliwości,
- korektora charakterystyki.
Opis układu
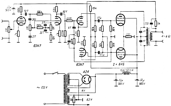
Wzmacniacz, którego schemat uwidoczniony jest na rys.1 składa się ze stopnia przedwzmacniacza z korektorem umożliwiającym zmianę charakterystyki częstotliwości na krańcach zakresu w granicach +/-15dB, następnie z dwóch stopnie wzmacniacza napięciowego, odwracacza fazy oraz stopnia końcowego w układzie przeciwsobnym.

Rys.1. Schemat wzmacniacza 10W "Hi-Fi"
Posiada dwa zasadnicze obwody sprzężenia zwrotnego. Pierwszy obwód stanowi sprzężenie zwrotne dodatnie i obejmuje jeden stopień przedwzmacniacza; napięcie tego sprzężenia, pobierane z siatki jednej z lamp końcowych i poprzez opornik 0,8M i kondensator 6pF, przyłożone jest na siatkę ostatniego stopnia przedwzmacniacza. Tworzy się dzielnik napięcia z oporników 0,8M i 0,1M (lampa poprzednia - trioda o bardzo małej oporności wewnętrznej), tak że współczynnik dodatniego sprzężenia zwrotnego wynosi:

Drugie sprzężenie zwrotne - ujemne - obejmuje transformator wyjściowy i poprzez opornik 5K przyłożone jest do katody ostatniego stopnia przedwzmacniacza. Kondensator 200pF równoległy do opornika 5K wprowadza korektę fazową dla wielkich częstotliwości. Współczynnik ujemnego sprzężenia zwrotnego wynosi:
Przy czynnych obu sprzężeniach zwrotnych wypadkowa zmiana wzmocnienia wynosi około -9dB, a więc, mimo że przyłożone jest znaczne ujemne sprzężenie zwrotne, spadek czułości wzmacniacza jest nieznaczny.
Współdziałanie obu sprzężeń, tzw. równoważone sprzężenie zwrotne, zmniejsza zniekształcenia nieliniowe i przyczynia się do zmniejszenia oporności wewnętrznej wzmacniacza praktycznie do zera, co znacznie poprawia warunki współpracy z głośnikiem, szczególnie przy odtwarzaniu przebiegów impulsowych.
Konstrukcja wzmacniacza
Wzmacniacz został zbudowany na chassis od odbiornika "AGA", zajmuje więc dość dużo miejsca i odległości między poszczególnymi elementami są znaczne. Takie rozwiązanie przy starannym montażu pozwala ograniczyć przydźwięk sieci, który wynosi -64dB oraz wyeliminować szkodliwe sprzężenia.
Oporniki i kondensatory użyte do budowy wzmacniacza powinny mieć tolerancję +/-10%.
Pierwsza lampa 6SN7 powinna być zaekranowana metalowym kubkiem (duża wrażliwość na oddziaływanie przydźwięku sieci).
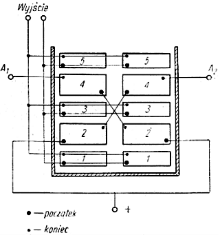
Elementem konstrukcyjnym wzmacniacza, nastręczającym największe trudności, jest transformator wyjściowy. We wzmacniaczu modelowym transformator nawinięto na rdzeniu o przekroju około 7cm2 i wymiarach podanych na rys.2.

Rys.2. Rdzeń użyty do wykonania transformatora wyjściowego
Wyjście dopasowane jest do głośnika lub zestawu głośnikowego o oporności 4÷6 omów. Ponieważ najkorzystniejsza oporność obciążenia lamp 6V6 w układzie przeciwsobnym w klasie AB1 wynosi 8000 omów, przekładnia transformatora powinna wynosić około 40.
Układ uzwojeń pokazany jest na rys.3. Strzałki oznaczają kierunek nawinięcia poszczególnych cewek.

Rys.3. Rozmieszczenie uzwojeń transformatora wyjściowego
Cewki oznaczone cyframi 2 i 4 należy nawinąć emaliowanym drutem Cu 0,12 po 950 zwojów, zachowując kierunki uzwojeń; natomiast cewki 1, 3, 5 - emaliowanym drutem Cu 0,3 po 95 zwojów, wkładając między poszczególne cewki przekładki z papieru woskowanego. Cewki trzeba połączyć w sposób uwidoczniony na rys.3. Rdzeń składa się bez szczeliny. Szczegóły konstrukcji mogą być rozwiązane dowolnie przy zachowaniu ogólnie obowiązujących zasad.
Wyniki
Wzmacniacz obciążono opornikiem 5 omów. Charakterystyka częstotliwości jest liniowa w granicach 20÷20000Hz, przy odchyleniach nie przekraczających - 0,3dB. Zniekształcenia nieliniowe (harmoniczne) przy mocy 10W i częstotliwości 1000Hz wynoszą 0,21%, przy mocy 13W - 0,82% i wreszcie przy 15W - 4%. Zniekształcenia mierzone przy częstotliwości 40Hz i mocy 10W wyniosły 0,6%.
Podskok napięcia po odłączeniu obciążenia przy częstotliwości 1000Hz wynosi 0,1dB, co wskazuje na bardzo małą oporność wewnętrzną wzmacniacza.
Charakterystykę współczynnika zawartości harmonicznych przedstawiono na rys.4, a charakterystykę częstotliwości, zależnie od ustawienia korektorów - na rys.5.

Rys.4. Charakterystyka współczynnika zawartości harmonicznych przy 1000Hz

Rys.5. Charakterystyka częstotliwości wzmacniacza zależnie od ustawienia korektorów