L. Kononowicz, kandydat nauk technicznych (tłumaczył A.),
Radioamator 1959/11
W ostatnich latach zarówno w Związku Radzieckim jak i zagranicą prowadzone są prace nad konstrukcją urządzeń (w tym i wzmacniaczy m. cz.) zapewniających wzmacnianie i odtwarzanie dźwięku przy znikomo małych zniekształceniach.
We wstępnych stopniach wzmacniaczy m. cz., w związku z występującymi tam niewielkimi napięciami sygnału - zniekształcenia nieliniowe są małe, a zniekształcenia częstotliwości mogą być obniżone drogą wyboru odpowiednich wartości elementów wzmacniacza. Największe zniekształcenia powstają w stopniu wyjściowym wzmacniacza, przy czym główną ich przyczyną jest zwykle transformator wyjściowy. Transformator wyjściowy ogranicza zakres odtwarzanych częstotliwości.
Dla rozszerzenia charakterystyki częstotliwościowej w stronę najmniejszej częstotliwości konieczne jest znaczne zwiększenie indukcyjności pierwotnego uzwojenia transformatora, co jednakże wywołuje zwiększenie indukcyjności rozproszenia ograniczającej charakterystykę częstotliwościową w części większych częstotliwości. Zależność przenikalności magnetycznej rdzenia transformatora od wartości prądu przepływającego przez uzwojenie wywołuje zniekształcenia nieliniowe.
Jednym z podstawowych sposobów zmniejszenia zarówno zniekształceń częstotliwościowych, jak i zniekształceń nieliniowych jest ujemne sprzężenie zwrotne. Nadmierne zwiększenie głębokości tego sprzężenia nie jest możliwe, ponieważ występujące na krańcach odtwarzanego pasma zniekształcenia fazowe zmniejszają stabilność pracy wzmacniacza i mogą spowodować nawet jego samowzbudzenie się. W celu polepszenia charakterystyki fazowej wzmacniacza dążymy do wyeliminowania z niego elementów powodujących przesunięcia fazowe. Jednym z takich elementów jest transformator wyjściowy.
Jeżeli uwzględnimy jeszcze, że transformator wyjściowy jest dość drogim podzespołem to będzie zupełnie zrozumiałe dążenie konstruktorów do opracowania układów stopni wyjściowych wzmacniaczy m. cz. bez transformatora wyjściowego. Przy zastosowaniu głośników o oporności cewki 5-10 W, zrealizowanie tego celu jest dość trudne, ponieważ dla uzyskania mocy rzędu 5-10 W lampy wyjściowe musiałyby zapewnić przepływanie przez obciążenie prądów o wartości 1-1,5 A. Opracowanie takich lamp to trudne zadanie i dlatego lepszym rozwiązaniem jest zwiększenie oporności cewki drgającej głośnika do 400-800 W. Przy takiej oporności konstrukcja wzmacniaczy bez transformatorów wyjściowych jest już całkiem realna. Najbardziej rozpowszechniły się rozwiązania oparte o tak zwany układ szeregowo-przeciwsobny. Opis tego układu stanowi właśnie temat niniejszego artykułu.
W zwykłych układach przeciwsobnych (rys.1a) obciążenie R składa się z dwóch połączonych szeregowo części. Jeżeli obciążeniem będzie cewka drgająca głośnika o wysokiej oporności to powinna mieć ona oporność Rob, wyprowadzenie od punktu środkowego, a ponadto być izolowana od masy wzmacniacza.
Części obciążenia o oporności Rob/2 mogą być także połączone równolegle (rys.1b); w tym przypadku oporność wypadkowa obciążenia równa będzie Rob/4. Wyprowadzenie środkowe jest niepotrzebne, natomiast konieczne są w takim układzie dwa źródła zasilania. Ponieważ składowe stałe prądów przepływających przez każdą z lamp są jednakowe, to oba źródła zasilania mogą być zastąpione jednym, jak to pokazano na rys.1c. Przez obciążenie płynie w tym przypadku tylko składowa zmienna prądów anodowych lamp, wobec czego może być zastosowany kondensator rozdzielający, a jeden z zacisków obciążenia może być uziemiony.

Rys.1. Różne układy przeciwsobne
Wzmacniacz zbudowany według układu z rys. 1 jest właśnie wzmacniaczem szeregowo - przeciwsobnym. Jego zaletami w porównaniu ze zwykłym układem przeciwsobnym są: czterokrotnie mniejsza oporność obciążenia, wyeliminowanie środkowego wyprowadzenia, możność uziemienia jednego z zacisków obciążenia. Te cechy układu ułatwiają zastosowanie głośników o wysokiej oporności w charakterze obciążenia lamp wzmacniacza.
Niedogodnością układu szeregowo-przeciwsobnego jest konieczność dwukrotnego zwiększenia napięcia anodowego (lampy są bowiem połączone szeregowo dla składowej stałej). Dla skonstruowania wzmacniacza bez transformatora wyjściowego przy najczęściej stosowanych napięciach anodowych (250-300 V) konieczne są zatem specjalne lampy, które przy niewielkim napięciu na anodzie (100-150 V) miałyby małą oporność wewnętrzną i były zdolne oddać dostateczną moc. Z produkowanych obecnie lamp mogą służyć do tego celu lampa 6P18P (w najbliższej przyszłości będzie produkowana specjalna lampa do tego rodzaju układów). Szeregowo-przeciwsobny stopień na dwóch takich lampach może oddać moc rzędu 6-9 W przy napięciu zasilacza 310V i oporności obciążenia około 800omów. Uzwajając cewkę głośnika drutem o średnicy 0,05 mm możliwe jest uzyskanie oporności rzędu 300-400omów. Ponieważ we współczesnych wzmacniaczach m. cz. z zasady stosuje się kilka głośników, to taka oporność cewki głośnika okaże się dla większości przypadków wystarczająca. W zamieszczonej tablicy uwidoczniono dane głośników o wysokiej oporności, przeznaczonych dla układów bez transformatora wyjściowego. Głośniki te różnią się od zwykłych głośników o małej oporności tylko innym uzwojeniem cewki głośnikowej, która w razie potrzeby może być wykonana również przez radioamatora we własnym zakresie.
Tablica
| Typ głośnika | Typ odpowiednika o małej oporności | Oporność rzeczywista cewki (omy) | Oporność pozorna cewki dla 1000Hz (omy) | Dane uzwojenia cewki | |||
| średnica drutu (mm) | szerokość uzwojenia (mm) | ilość zwojów | liczba warstw | ||||
| 4GD-5 | 4GD-1 | 420 | 440 | 0,05 | 6 | 576 | 6 |
| 5GD-16 | 5GD-14 | 420 | 440 | 0,05 | 6 | 575 | 6 |
| 3GD-11 | 3GD-7 | 420 | 440 | 0,05 | 6 | 575 | 6 |
| 2GD-6 | 2GD-3 | 400 | 420 | 0,05 | 6,5 | 635 | 6 |
| 1GD-17 | 1GD-9 | 200 | 220 | 0,05 | 4,5 | 441 | 6 |
| WGD-2 | WGD-1 | 250 | 260 | 0,04 | 3,5 | 421 | 6 |
Cechą szczególną układu szeregowo-przeciwsobnego jest to, że w początkowym punkcie pracy przy braku sygnału prądy lamp są sobie równe, a napięcia na anodach lamp mogą się nieco różnić. W zwykłym układzie przeciwsobnym jest przeciwnie.
Jeden z najprostszych schematów wzmacniacza bez transformatora wyjściowego podany jest na rys. 2. W stopniach wstępnych pracuje lampa 6H2P. Zastosowano ciągłą regulację charakterystyki częstotliwości (rys. 3).

Rys. 2. Schemat wzmacniacza bez transformatora wyjściowego o mocy 2 W

Rys. 3. Charakterystyka częstotliwościowa wzmacniacza z rys. 2
Wzmacniacz nie zawiera odrębnego stopnia odwracania fazy, a napięcie wzbudzające doprowadzane jest tylko do lampy V3. Napięcie wzbudzające lampę V2 powstaje na oporniku włączonym w obwód katodowy tej lampy. Oporność tego opornika powinna być taka, aby zapewnić symetryczną pracę obu lamp (w danym przypadku 180omów). Wzmacniacz posiada ujemne sprzężenie zwrotne o głębokości 10dB doprowadzane od obciążenia do katody przedostatniego stopnia wzmacniacza. Mała wartość oporności wewnętrznej wzmacniacza (90omów) w dostatecznym stopniu tłumi drgania własne głośników. Moc wyjściowa wzmacniacza wynosi 2W przy współczynniku zawartości harmonicznych 1,5%, co odpowiada wymaganiom stawianym odbiornikom radiofonicznym klasy I. Czułość wzmacniacza - 230 mV, a średnie ciśnienie akustyczne nie mniejsze niż 10µbar. Wadą wzmacniacza bez stopnia odwracającego fazę jest niesymetryczność napięcia wzbudzającego lampy końcowe. Siatka sterująca lampy V2 otrzymuje napięcie ze zniekształceniami nieliniowymi wnoszonymi przez lampę V3. Wskutek tego nie następuje charakterystyczna dla układów przeciwsobnych kompensacja harmonicznych parzystych. Poza tym wzmacniacz taki może pracować tylko w klasie A. We wzmacniaczu zastosowano dwa głośniki niskotonowe typu 2GD-6 oraz dwa wysokotonowe typu 1GD-17 o łącznej oporności całego zespołu 960omów przy częstotliwości 1000 Hz.
Pewną trudność w układach bez transformatora wyjściowego wywołuje zasilanie siatki ekranującej górnej lampy. Dla zapewnienia prawidłowej pracy tej lampy siatka ekranująca powinna być połączona z katodą (dla składowej zmiennej). Wówczas jednak opornik w obwodzie tej siatki jest również włączony równolegle do oporności obciążenia i wydziela się na nim bezużytecznie część mocy wyjściowej. Zwiększenie wartości tego opornika zmniejsza napięcie stałe na siatce ekranującej, wskutek czego maleje również moc oddawana przez lampę. Jako kompromis zastosowano oporność 6,8K. Zamiast tego opornika może być zastosowany dławik m. cz., który będzie miał dużą oporność dla składowej zmiennej, a małą oporność dla prądu stałego. Komplikuje to jednak konstrukcję wzmacniacza i nie we wszystkich przypadkach jest najlepszym rozwiązaniem.
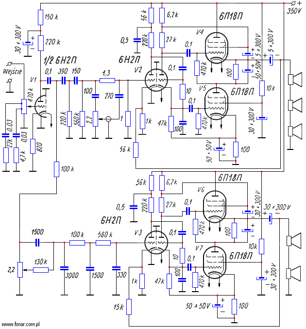
Na rys.4 przedstawiono schemat udoskonalonego wzmacniacza m. cz. przeznaczonego dla radioodbiorników i gramofonów elektrycznych wyższej klasy. Stopień wzmocnienia wstępnego z lampą V1 jest wspólny dla obu kanałów.

Rys. 4. Schemat wzmacniacza o mocy 6 W
Rozdział kanałów następuje za pomocą układu odpowiednich oporności i pojemności w kanale wysokotonowym i kanale niskotonowym. Zastosowanie odwracacza fazy pozwoliło na znaczne zwiększenie mocy wyjściowej przy małych zniekształceniach nieliniowych. Należy podkreślić, że napięcie wzbudzające dla lampy V4 i V6 nie może być pobierane z całej oporności anodowej odwracacza fazy, ponieważ wówczas byłoby ono przyłożone nie między siatkę sterującą i katodę, a pomiędzy siatkę sterującą i anodę lampy końcowej. W rozpatrywanym wzmacniaczu napięcie to otrzymuje się z oporników włączonych pomiędzy anodę lampy stopnia odwracającego fazę i siatkę ekranującą odpowiednich lamp końcowych.
Moc wyjściowa każdego ze wzmacniaczy wynosi 6W przy współczynniku zawartości harmonicznych nie większym niż 1% w kanale małej częstotliwości i - 2% w kanale wysokotonowym. Czułość wzmacniacza 0,2 V. Większe zniekształcenia w kanale wysokotonowym są spowodowane płytszym ujemnym sprzężeniem zwrotnym, którego głębokość wynosi 21dB, gdy wzmacniacz niskotonowy ma sprzężenie o głębokości 28dB. Oporność wewnętrzna wzmacniacza wysokotonowego równa jest 80omów, a niskotonowego - 20omów. Charakterystyka częstotliwościowa pokazana jest na rys. 5. Zespół niskotonowy stanowią dwa głośniki typu 5GD-16. Zespół wysokotonowy składa się z 3 głośników typu WGD-2.

Rys. 5. Charakterystyka częstotliwościowa wzmacniacza z rys. 4
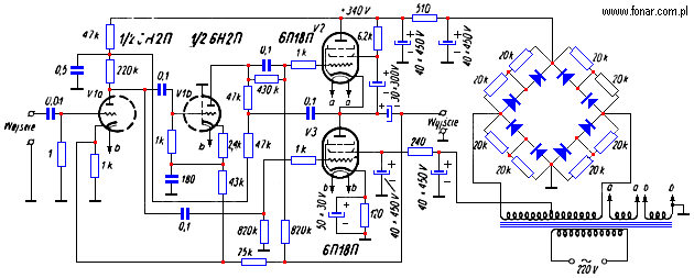
Najlepszym pod względem wskaźników jakościowych wzmacniacz pokazany jest na rys.6. Pominięto tu przedwzmacniacz, którym może być dowolny układ zapewniający dostatecznie małe zniekształcenia nieliniowe i częstotliwościowe.

Rys. 6. Schemat wzmacniacza o mocy 7 W
We wzmacniaczu zastosowano kombinowane sprzężenie zwrotne; składa się ono z obwodu dodatniego sprzężenia zwrotnego obejmującego przedostatni stopień wzmacniacza oraz obwodu ujemnego sprzężenia zwrotnego obejmującego dwa stopnie. Sprzężenie takie umożliwia silne stłumienie zniekształceń nieliniowych powstające we wzmacniaczu. Sprzężenie zwrotne dodatnie uzyskuje się przez doprowadzenie części napięcia z obwodu katodowego lampy V1b do obwodu katodowego lampy V1a. Ujemne sprzężenie zwrotne uzyskuje się przez doprowadzenie części napięcia wyjściowego do katody lampy V1a. Anoda lampy odwracacza fazy ma połączenie galwaniczne z siatką sterującą lampy V2. Ujemne napięcie na tej siatce zależne jest od różnicy napięć na katodzie lampy i dzielniku utworzonym z dwóch oporników. Z rys.7 widać, że charakterystyka częstotliwościowa wzmacniacza jest płaska od 20Hz do przeszło 100kHz, co jest cechą szczególną wzmacniaczy bez transformatora wyjściowego.

Rys.7. Charakterystyka częstotliwościowa wzmacniacza z rys.6

Rys.8. charakterystyka współczynnika zawartości harmonicznych wzmacniacza z rys.6
Współczynnik zawartości harmonicznych nie przekracza 0,5% przy mocy 7W (rys.8). Zapewnia to odtwarzanie całego pasma częstotliwości akustycznych praktycznie bez zniekształceń.
Na zakończenie warto nadmienić, że wzmacniacze szeregowo-przeciwsobne mogą pracować również w klasie AB i B. Np. do pracy zbliżonej do klasy B w układzie na rys.6 należy zamiast automatycznego ujemnego napięcia dla lampy V3 zastosować stałe źródło napięcia rzędu 15 V. Przy takiej zmianie układu moc wzrośnie o 10-20%.
Wydaje się, że wzmacniacze bez transformatorów wyjściowych mają dużą perspektywę stosowania w nowoczesnych odbiornikach radiofonicznych, a także w różnych wzmacniaczach zespołów elektroakustycznych przeznaczonych do wysokojakościowego odtwarzania muzyki. Układy bez transformatorów wyjściowych są szczególnie korzystne do stosowania w konstrukcjach radioamatorskich, ponieważ umożliwiają wyeliminowanie pracochłonnego i kosztownego transformatora wyjściowego.