Andrzej Depczyk "Uniwersalny wzmacniacz Hi-Fi o mocy 15VA"
Radioamator 1960/04
Opisany tu wzmacniacz nadaje się doskonale jako końcowy wzmacniacz mocy do odtwarzania muzyki z płyt lub taśm w mieszkaniu. Nadaje się on także do nadawania muzyki tanecznej w salach i świetlicach o średniej wielkości. Budowa jest łatwa; może go wykonać każdy radioamator mający podstawowe wiadomości teoretyczne i praktyczne.

Stopień końcowy
Ze względu na konieczność uzyskania mocy równej co najmniej 10VA przy bardzo małych zniekształceniach nieliniowych, zdecydowałem się na zastosowanie we wzmacniaczu stopnia końcowego w układzie przeciwsobnym z ujemnym sprzężeniem zwrotnym w siatce ekranującej. Jest to tzw. układ "ultralinear". Napięcie sprzężenia zwrotnego w tym układzie uzyskuje się z odczepów, ewent. z osobnych uzwojeń na transformatorze wyjściowym. Zmieniając stosunek zmiennego napięcia siatki ekranującej do napięcia zmiennego anodowego zmieniamy warunki pracy lamp końcowych. Przy stosunku tym równym jedności - lampy pracują jako triody, bowiem siatki ekranujące są połączone z anodami, natomiast przy stosunku równym zeru - jako pentody (rys.1).

Rys.1. Układ "ultralinear"
Dla stosunków o wartościach pośrednich układ posiada szereg zalet w porównaniu z układami przeciwsobnymi, zarówno z triodami jak i pentodami, a przede wszystkim mniejsze zniekształcenia nieliniowe, przy dużych i małych sygnałach - kosztem niewielkiej straty mocy. Ponadto takie sprzężenia zwrotne obniża znacznie oporność wewnętrzną układu.
Dla lamp EL84 najkorzystniejszy będzie odczep na 20% uzwojenia:

(oczywiście od strony zasilacza). Układ "ultralinear" z lampami EL84 daje w porównaniu ze zwykłym układem przeciwsobnym około dwukrotnie mniejsze zniekształcenia nieliniowe przy mocy mniejszej o 10%. Układ "ultralinear" wymaga specjalnego wykonania transformatora wyjściowego.
Transformator wyjściowy
Obie połówki uzwojeń anodowych transformatora powinny być umieszczone symetrycznie przez podział okna na dwie sekcje - każda dla jednej połówki uzwojenia anodowego. Niesymetria ma bardzo znaczny wpływ na przesunięcia fazowe i różnice amplitud między prądem anodowym i napięciem ekranu, przez co parzyste harmoniczne większych częstotliwości mogą nie znosić się.
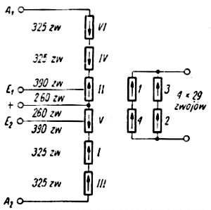
Na rys.2 pokazany jest schemat uzwojeń takiego transformatora, a na rys.3 - rozmieszczenie uzwojeń.

Rys.2. Schemat uzwojeń transformatora wyjściowego
(uzwojenie pierwotne: drut 0,18mm w emalii, uzwojenie wtórne: drut 0,75 w emalii)

Rys.3. Rozmieszczenie uzwojeń na korpusie transformatora wyjściowego
(strzałki oznaczają kierunki nawinięcia)
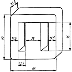
Zastosowałem do wykonania rdzeń o wymiarach pokazanych na rys.4. Oczywiście, może być także zastosowany inny rdzeń, jeśli jego przekrój będzie dostatecznie duży, a uzwojenia zmieszczą się w jego oknie.

Rys.4. Wymiary rdzenia transformatora wyjściowego
(przekrój żelaza - skuteczny - 7,9cm2; rdzeń złożony bez szczeliny)
Odwracacz fazy
W nowoczesnych wzmacniaczach z wyjściem przeciwsobnym odwracanie fazy odbywa się bez pomocy transformatora czy dławika, ponieważ stopień odwracacza fazy bywa objęty ujemnym sprzężeniem zwrotnym, a układy zawierające indukcyjności uniemożliwiają stosowanie dostatecznie silnego sprzężenia zwrotnego.
Istnieje szereg układów lampowych odwracających fazę, z których wybrałem układ przedstawiony na rys.5.

Rys.5. Schemat odwracacza fazy
Jakość układu odwracacza fazy można ocenić z jego symetrii, która może być wyrażona stosunkiem napięć E1/E2. Dla układu przedstawionego na rys.5 stosunek ten wyraża zależność:

gdzie: k2 - wzmocnienie lampy V2.
Jeżeli R3 = R4= R5 (jak zwykle stosuje się w praktyce), to:

Jak stąd wynika, symetria układu jest tym lepsza, im większe jest wzmocnienie lampy V2. Dla przykładu obliczmy układ dla lampy 6J5 (połówka lampy 6SN7). Oporność R2 = 0,1M, a oporności R3 = R4= R5 = 0,25; wtedy k2 = 14, a stosunek napięć E1/E2 będzie równy 1,21, co dla wzmacniacza Hi-Fi jest nieodpowiednie. W naszym przypadku rozporządzamy jedną połówką lampy ECC83. Współczynnik wzmocnienia tej lampy wynosi 100. Ponieważ R2 = 0,2M, a oporność wewnętrzna lampy wynosi 80K, to jej wzmocnienie napięciowe będzie:

Wobec tego symetria:

a więc zupełnie dobra.
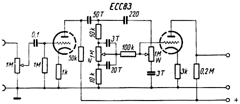
Układ wzmacniacza
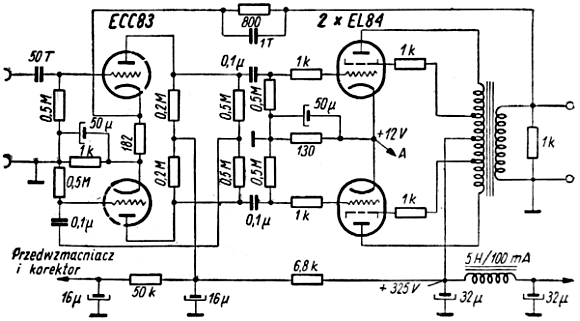
Układ wzmacniacza pokazany jest na rys.6.

Rys.6. Schemat wzmacniacza
Ilość elementów zastosowanych w układzie jest możliwie mała, aby jak najbardziej obniżyć koszt budowy wzmacniacza, bez obniżenia jednak jego jakości. Wzmacniacz przystosowany jest do pracy na obciążenie głośnikami o oporności 3,5÷4omy, co nie znaczy, że przy obciążeniu głośnikiem np. 7 omowym, będzie on źle pracował. Może on w tym przypadku nie dać pełnej mocy.
Jak widać z rys.6, oprócz sprzężenia zwrotnego w stopniu końcowym, zastosowano sprzężenie zwrotne obejmujące cały wzmacniacz. Dzielnik napięcia tworzą oporniki: 800 i 180 omów. Opornik 800 omów jest zablokowany kondensatorem o pojemności 1000pF w celu skorygowania występującego już przesunięcia fazowego na największych częstotliwościach pasma. Sprzężenie zwrotne ma ponad 20dB, przy czym czułość wzmacniacza dla 10VA na wyjściu wynosi około 1,2V (przy obciążeniu 5 omowym).
Ze względu na niewielką czułość potrzebny jest wzmacniacz wstępny, który pozwoliłby na wysterowanie wzmacniacza końcowego z adaptera lub magnetofonu.
Wzmacniacz wstępny
Schemat wzmacniacza wstępnego pokazany jest na rys.7. Wzmacniacz ten składa się z dwóch stopni wzmocnienia, pomiędzy którymi znajduje się oporowo - pojemnościowy korektor charakterystyki w znanym i szeroko stosowanym układzie.

Rys.7. Schemat wzmacniacza wstępnego i korektora charakterystyki częstotliwościowej
W położeniu górnym suwaka potencjometru "W" mamy podniesione tomy wysokie, bowiem oporności 50K i 100K jedynie dla wielkich częstotliwości są bocznikowane kondensatorem 200pF. W położeniu dolnym suwaka tego potencjometru tony wysokie są obcięte, powstaje dzielnik napięcia oporowo - pojemnościowy składający się z oporności 100K i kondensatora 3000pF, który obcina wielkie częstotliwości pasma.
Działanie regulatora tonów niskich jest podobne. W górnym położeniu suwaka potencjometru "N" oporność 50K, pojemność 20000pF w szereg z opornością 10K tworzą dzielnik, który przepuszcza tylko tony niskie, a silnie osłabia tony wysokie. W dolnym położeniu suwaka potencjometru "N" tworzy się dzielnik: 50K, 3000pF i 10K, na którym osłabione zostają częstotliwości małe, mamy więc obcinanie tonów niskich. Dla częstotliwości średnich około 1000Hz układ ma mniej więcej stałe tłumienie, niezależnie od położenia poszczególnych regulatorów. Wzmocnienie pierwszego stopnia wzmacniacza dla częstotliwości 1000Hz jest równe w przybliżeniu 2.
Wzmocnienie drugiego stopnia wzmacniacza wstępnego, wskutek prądowego ujemnego sprzężenia zwrotnego (opornik w katodzie nie zablokowanym kondensatorem) wynosi tylko około 30.
Czułość całego urządzenia (dla 10VA i 5 omów na wyjściu) wynosi około 20mV. Ponieważ wzmacniacz wstępny odznacza się dość dużą czułością, wszystkie elementy korektora muszą być starannie ekranowane.
Zasilacz
Schemat zasilacza pokazany jest na rys.8. Jak widać, jest to zasilacz zupełnie konwencjonalny. Filtr składa się (rys.6) z dławika 5÷10H i dwóch kondensatorów elektrolitycznych po 32µF.

Rys.8. Schemat zasilacza do wzmacniacza
Dla usunięcia przydźwięku sieci przedostającego się od strony katod, uzwojenie żarzenia lamp jest symetryzowane za pomocą potencjometru 50 omów, którego środek ma napięcie około +12V (katody lamp końcowych). Ma to na celu zmniejszenie emisji włókno - katoda.
Montaż wzmacniacza
Wszystkie powyżej opisane elementy wzmacniacza zostały zmontowane na wspólnym chassis o wymiarach 200x300x60mm. Rozmieszczenie elementów na chassis jest pokazane na rys.9.

Rys.9. Rozmieszczenie elementów na chassis
Montaż rozpoczynamy od mechanicznego umocowania elementów na chassis. Należy zwrócić uwagę, aby transformator sieciowy nie znajdował się zbyt blisko transformatora wyjściowego oraz aby potencjometry był umieszczone z dala od przewodów układu zasilania (szczególnie żarzenia). Następnie przystępujemy do wykonania tzw. szyny uziemiającej z grubego drutu miedzianego. Szkic przedstawiony na rys.10 pomoże nam zorientować się, jak należy wykonać szynę uziemiającą.

Rys.10. Sposób wykonania szyny uziemiającej
Rozpoczynamy tę pracę od gniazda wejściowego. Należy pamiętać, że od wykonania połączeń z szyną uziemiającą zależy poziom przydźwięku sieci we wzmacniaczu. Szyna może łączyć się z chassis tylko w jednym punkcie, najlepiej gdzieś w pobliżu zasilacza. Kondensatory elektrolityczne filtra jak i obwodów odsprzęgających powinny być umocowane na podkładkach izolujących obudowy (minusy) od chassis. Obudowy tych kondensatorów uziemia się, łącząc je z szyną.
Po wykonaniu tych prac łączymy obwody żarzenia lamp wzmacniających, lampy prostowniczej, a następnie zasilania obwodów anodowych. Teraz możemy już przystąpić do właściwego montażu elektrycznego. Zaczynamy od końca, to znaczy od wzmacniacza mocy. Łączymy możliwie krótkimi przewodami anody i ekrany lamp końcowych z odpowiednimi łączówkami na transformatorze wyjściowym. Następnie przechodzimy stopniowo do obwodów odwracacza fazy i wzmacniacza wstępnego, mocując oporniki i kondensatory za pomocą łączówek wszędzie, gdzie mogłyby wystąpić zwarcia wskutek przemieszczenia się elementów (np. przy przenoszeniu wzmacniacza).
Uziemienia poszczególnych oporników (katodowych, upływowych) wykonujemy lutując końcówki wprost do szyny uziemiającej, o ile to możliwe w jednym punkcie dla obwodów jednego stopnia.
Uziemienie ekranu przewodu łączącego wejściowe zaciski wzmacniacza z potencjometrem regulującym siłę dźwięku powinno być wykonane przy samym wejściu.
Po wykonaniu (starannym) montażu należy również starannie sprawdzić układ, a następnie włożyć w podstawkę lampę prostowniczą i po włączeniu wzmacniacza do sieci sprawdzić, czy na łączówkach żarzenia lamp wzmacniacza nie ma wysokiego napięcia. Należy tu przypomnieć, że lampy ECC83 mają żarzenie przyłączone do innych styków niż inne typy lamp serii "80".
Po tej wstępnej próbie należy rozładować kondensatory elektrolityczne, zwierając je przez opornik 100K do masy (nie śrubokrętem, gdyż popłynie duży prąd, który może uszkodzić wewnętrzne połączenia kondensatora elektrolitycznego), a następnie wstawić wszystkie lampy, włączyć głośnik i spróbować czy wzmacniacz się nie wzbudza wskutek niewłaściwego podłączenia sprzężenia zwrotnego. Należy przy tym uważać, aby nie uszkodzić głośnika, gdyż wzmacniacz wzbudzony wytwarza moc około 20W.
O ile wszystko jest w porządku, mierzymy napięcia anodowe i na katodach. Na katodach lamp końcowych powinno występować napięcie 11÷12V. Napięcie na plusie zasilacza (po filtrze, na drugim jego kondensatorze) powinno wynosić około 325V. Przy wysterowaniu wzmacniacza napięcie to nie powinno spadać o więcej niż o 5÷10V.
Na tym można by zakończyć próby statyczne wzmacniacza.
W przypadku wzbudzania się należy odłączyć sprzężenie zwrotne i sprawdzić czy wzbudzenie nie ustąpiło. Jeśli tak, to należy zmienić kierunek podłączenia sprzężenia zwrotnego przez zmianę końcówek wtórnego uzwojenia.
W warunkach domowych dalsze próby ograniczają się do sprawdzenia wzmacniacza na słuch. Sprawdzimy więc, czy wzmacniacz nie zniekształca, czy regulacja charakterystyki działa prawidłowo i czy wreszcie przydźwięk sieci nie jest zbyt duży.
Przy starannym wykonaniu według ogólnych zasad montażu oraz przy właściwych napięciach na elektrodach lamp, wzmacniacz powinien pracować od razu dobrze.
Wyniki
Opisany wzmacniacz został szczegółowo zbadany. Uzyskane rezultaty podaję niżej:
1. Badanie wzmacniacza mocy (bez wzmacniacza wstępnego)
Wzmacniacz obciążony opornością rzeczywistą 5omów. Charakterystyka częstotliwościowa (rys.11) jest liniowa od 20Hz do 20000Hz (-1dB) przy mocy wyjściowej 10VA dla 1000Hz.

Rys.11. Charakterystyka częstotliwości wzmacniacza
Współczynniki zawartości harmonicznych przy 1000Hz, zależnie od mocy wyjściowej: 1VA - 0,15%, 5VA - 0,15%, 10VA - 0,3%, 12VA - 0,4%, 14VA - 0,9%, 15VA - 2% (rys.12).

Rys.12. Charakterystyka zniekształceń nieliniowych wzmacniacza
Czułość wzmacniacza przy mocy wyjściowej 10VA - 1,2V.
Do badania wzmacniacza użyty był generator PPAE o średniej zawartości harmonicznych około 0,12%.
2. Badanie wzmacniacza wstępnego
Charakterystyka częstotliwościowa może być regulowana w następujących granicach: 30Hz +/-16dB; 20kHz +/-18dB. Zniekształcenia nieliniowe nie zwiększają w istotny sposób współczynnika zawartości harmonicznych wzmacniacza końcowego.
Uzupełnienie artykułu, które ukazało się w dziale Odpowiedzi redakcji w czasopiśmie Radioamator i Krótkofalowiec 3/1961.
Mgr inż. Adam Zeyland
Niezgodność między rys.2 i 3 zamieszczonymi w opisie wzmacniacza 15VA (Radioamator Nr 4/1960) rzeczywiście istnieje, przy czym niewłaściwy jest rys.3. Powinien on wyglądać tak, jak pokazano na rysunku poniżej. Kierunki uzwojeń oczywiście takie, jak na rys.2.

Rozkład uzwojeń na karkasie transformatora wyjściowego wzmacniacza Hi-Fi 15VA
Jeśli chodzi o sposób izolowania uzwojeń transformatora wyjściowego, to poszczególne warstwy uzwojenia powinny być przekładane możliwie cienkim papierem woskowanym (kondensatorowym), ale mogą być - przy zastosowaniu drutu w dobrej emalii - nawinięte masowo. Między uzwojeniami należy zastosować izolację z cienkiej ceratki.
W urządzeniu wykonanym przez autora opisu obudowa bass-reflex wyposażona jest w 8-watowy głośnik od odbiornika "Beethoven" oraz dwa głośniki wysokotonowe, również od "Beethovena". Głośniki wysokotonowe wbudowane są w deskę czołową obudowy, połączone równolegle i przez kondensator 4µF.
Charakterystyki częstotliwości całego zestawu nie były zdjęte przez autora. Charakterystyka samych głośników przebiega z odchyleniami +5dB od 70 do 17000Hz.
Lampa ECC42 nie figuruje w posiadanych przez nas katalogach, trudno więc stwierdzić, czy może ona zastąpić lampę ECC83. Stosowanie takiego wzmacniacza wyłącznie do zwykłego odbiornika superheterodynowego, jeżeli chodzi o pasmo częstotliwości, nie miałoby sensu. Normalny odbiornik takiego typu przenosi do 4,5÷5KHz. Ale istnieją przecież inne źródła sterowania dające znacznie szersze pasmo, np. płyty długogrające oraz odbiorniki FM (tam gdzie nadaje stacja UKF z modulacją częstotliwości). Poza tym zastosowanie do odbioru stacji lokalnej przystawki detektorowej pozwala na wykorzystanie pełnego pasma promieniowanego przez nadajnik. Z punktu widzenia zniekształceń nieliniowych stosowanie wzmacniacza Hi-Fi zawsze daje dobre rezultaty.
Ob. T. Pawluk
Najbardziej istotne wartości napięć zasilających są podane na schemacie (rys.6). Pozostałe napięcia nie był w ogóle mierzone, a ponieważ układ został zdemontowany przez autora, nie możemy ich Panu podać. W układzie opisywanego wzmacniacza mamy dwa obwody sprzężenia zwrotnego: jeden w siatkach ekranujących lamp końcowych, zmniejszający oporność wyjściową, a drugi z wtórnego uzwojenia transformatora wyjściowego na katodę odwracacza fazy, który obniża zniekształcenia nieliniowe i liniowe całego wzmacniacza, a także zmniejsza jego oporność wyjściową. Najkorzystniejsze dla pracy wzmacniacza sprzężenie zwrotne w siatkach ekranujących lamp końcowych, stanowiące kompromis między zmniejszeniem zniekształceń nieliniowych, spadkiem oporności wyjściowej a spadkiem mocy, podaje zazwyczaj fabryczny katalog lamp; wielkość ta zależy bowiem od konstrukcji lampy i waha się od 10 do 45%. Obliczenie sprzężenia zwrotnego obejmującego cały wzmacniacz (drugie sprzężenie zwrotne) jest skomplikowane i żmudne, wymaga bowiem określenia wzmocnienia i całkowitego przesunięcia fazy wzmacniacza od wejścia do wyjścia (transformator wyjściowy objęty jest również sprzężeniem zwrotnym). Zagadnienie to jest zbyt rozległe, aby można je wyjaśnić w ramach odpowiedzi. Wyczerpujące wyjaśnienie znajdzie Pan w książce Witorta i Trechcińskiego pt. "Zasady rozgłąszania przewodowego", PWT, 1959r., (rozdział o wzmacniaczach m.cz.).
"Stali czytelnicy"
Wszystkie oporniki w odwracaczu fazy mogą być o obciążalności 0,25W, podobnie oporniki upływowe i zabezpieczające przed drganiami pasożytniczymi w stopniu końcowym. Opornik katodowy 130omów powinien posiadać dopuszczalną obciążalność 3W, a oporniki filtru odsprzęgającego 1W.
Mgr Andrzej Depczyk