
A.W., "Lampowe wzmacniacze akustyczne"
Radioamator 1961/02
Prosty wzmacniacz 2-lampowy
Moc wyjściowa tego wzmacniacza wynosi 3W przy współczynniku zawartości harmonicznych 2,5%; czułość wzmacniacza jest równa 150mV. W celu zmniejszenia do minimum przydźwięku sieci katoda pierwszej lampy jest uziemiona (rys. 1), a ujemne napięcie uzyskuje się wskutek spadku napięcia spowodowanego przez prąd siatkowy w takim układzie jest bardzo mały, przeto oporność wejściowa lampy równa się w przybliżeniu połowie oporności upływowej.
Stopień wyjściowy ma układ konwencjonalny z ujemnym sprzężeniem zwrotnym wykorzystanym do regulacji charakterystyki częstotliwościowej. W położeniu lewym potencjometru w obwodzie ujemnego sprzężenia zwrotnego, charakterystyka częstotliwościowa jest podniesiona dla najmniejszych i największych częstotliwości pasma akustycznego. W prawym położeniu ślizgacza potencjometru następuje znaczne osłabienie wyższych częstotliwości od 1000Hz poczynając. Do zasilania wzmacniacza może być wykorzystany każdy prostownik o napięciu ok. 240V i prądzie do 40mA. Prostownik powinien mieć filtr wygładzający tętnienie. Transformator wyjściowy wzmacniacza może być wykonany na rdzeniu płaszczowym o przekroju 16x16mm, przy czym uzwojenie pierwotne powinno mieć 3500 zwojów drutu średnicy 0,15, a uzwojenie wtórne - 165 zwojów drutu średnicy 0,65 (dla głośnika o oporności 4omy).

Rys.1.
Wzmacniacz o mocy 3W
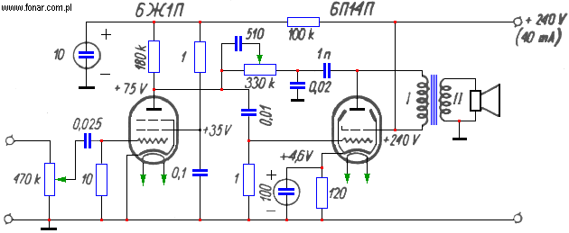
Wzmacniacz ten ma lepsze wskaźniki jakościowe od opisanego poprzednio, a poza tym oddzielną regulację charakterystyki częstotliwościowej w zakresie małych i wielkich częstotliwości pasma akustycznego. Moc wyjściowa wzmacniacza wynosi 3W przy współczynniku zawartości harmonicznych nie przekraczającym 1,5%. Charakterystyka częstotliwościowa jest regulowana w zakresie ±16dB przy częstotliwości 100Hz oraz w zakresie ±14dB przy częstotliwości 10kHz. Czułość wzmacniacza - 100mV.
Schemat ideowy wzmacniacza przedstawiono na rys. 2. Pętla ujemnego sprzężenia zwrotnego zawiera elementy RC dobrane w taki sposób, aby najsilniejsze ujemne sprzężenie zwrotne przypadało na środkową część pasma przepustowego wzmacniacza. Wskutek tego wzmocnienie w zakresie 400-2000Hz jest mniejsze o ok. 16dB niż dla małych i wielkich częstotliwości pasma akustycznego Do regulacji charakterystyki częstotliwościowej wzmacniacza służą dwa potencjometry na jego wejściu. Za pomocą potencjometru o oporności 1Moma można regulować charakterystykę w zakresie częstotliwości wielkich. Podobnie potencjometrem 4,7Momów reguluje się charakterystykę w zakresie częstotliwości małych.

Rys.2.
Zakres regulacji pokazany jest na rys. 3.

Rys.3.
Jak wynika ze schematu, pierwszy stopień wzmacniacza nie jest objęty pętlą ujemnego sprzężenia zwrotnego. Pracuje on jednak przy bardzo małych napięciach, wobec czego współczynnik zawartości harmonicznych nie przekracza 0,1%.
Do tego wzmacniacza może być użyty poprzednio opisany transformator wyjściowy lub inny zaprojektowany do lampy wyjściowej 6P14P (EL84).
Wzmacniacz przeciwsobny o mocy 10W
Wzmacniacz ten ma moc wyjściową 10W przy współczynniku zawartości harmonicznych równym 3%. Czułość wzmacniacza 0,7V.
Po wstępnym wzmocnieniu sygnał doprowadzany jest do stopnia odwracającego fazę (rys. 4). Układ tego stopnia różni się nieco od znanego układu odwracania fazy z rozdzielonym obciążeniem. Zastosowano mianowicie dodatnie sprzężenie zwrotne przez połączenie opornika 200komów z katodą stopnia poprzedniego, a nie bezpośrednio z masą. Układ taki zwiększa wzmocnienie ok. 2,5 razy. Wszystkie stopnie wzmacniacza są objęte głębokim ujemnym sprzężeniem zwrotnym (26dB), co zapewnia stabilną pracę pomimo zastosowania także pewnego dodatniego sprzężenia zwrotnego.

Rys.4.
Stopień wyjściowy wzmacniacza jest wykonany w układzie ultralinearnym i pracuje w klasie AB. Jak wiadomo, układ taki wymaga dobrej filtracji napięcia zasilającego, w przeciwnym bowiem razie mogą wystąpić znaczne zniekształcenia spowodowane modulacją wyższych częstotliwości akustycznych przydźwiękiem sieci. Z tego względu w filtrze wygładzającym powinien być użyty dobry dławik.
W celu uproszczenia konstrukcji transformatora wyjściowego i zaoszczędzenia dławika w filtrze, układ stopnia wyjściowego może być zmieniony na konwencjonalny. Wówczas zamiast dławika Dł należy włączyć opornik 1,2komów. Moc wzmacniacza będzie taka sama, ale zniekształcenia wzrosną do co najmniej 0,7%.
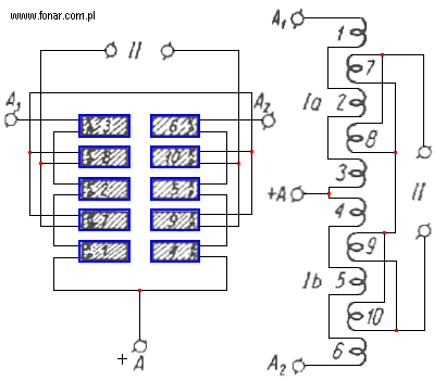
Transformator wyjściowy wykonuje się na rdzeniu płaszczowym o przekroju 25x30mm. Schemat i układ uzwojeń dla drugiego wariantu wykonania stopnia wyjściowego przedstawiono na rys. 5. Połówki uzwojenia pierwotnego (Ia i Ib) mają po 1500 zwojów nawiniętych drutem średnicy 0,1. Uzwojenie wtórne składa się z 4 sekcji po 40 zwojów nawiniętych drutem średnicy 0,65 - dla głośnika o oporności 16omów. Najkorzystniejsza oporność pracy stopnia końcowego (od anody do anody) wynosi 6komów. Układ uzwojeń pokazany na rys. 5 ma zapewnić małą indukcyjność rozproszenia transformatora, co jest konieczne dla uzyskania dobrej charakterystyki częstotliwościowej i małych zniekształceń. Przekładnia transformatora jest określona stosunkiem ilości zwojów uzwojenia pierwotnego (3000) do ilości zwojów szeregowo połączonych uzwojeń wtórnych (80).
W praktyce transformator taki uzwaja się następująco: nawija się początkowo sekcję 1, 7, 2, 8, 3 a następnie zdejmuje się korpus z nawijarki, obraca o 180stopni i nawija się sekcje 4, 9, 5, 10, 6. Następnie łączy się odpowiednio początki i końce sekcji według schematu.

Rys.5.
W przypadku stosowania układu ultralinearnego najkorzystniejsza oporność pracy stopnia końcowego (od anody do anody) jest równa 8komóa. W związku z tym uzwojenie wtórne powinno mieć 140 zwojów nawiniętych drutem średnicy 0,65. Uzwojenie pierwotne powinno mieć tak jak i poprzednio 3000 zwojów, nawiniętych drutem średnicy 0,1. Siatki ekranujące powinny być przyłączone po nawinięciu 650 zwojów, licząc od punktu zasilania. Sposób nawinięcia transformatora dla układu ultralinearnego jest podobny do opisanego wyżej, z tym że należy zachować całkowitą symetrię uzwojeń poszczególnych lamp stopnia przeciwsobnego. Uzwojenie pierwotne może być podzielone na 6 sekcji, z których dwie będą miały po 650 zwojów lub na 8 sekcji.
Wzmacniacz wysokiej jakości
Wzmacniacz, którego schemat przedstawiono na rys. 6, ma moc równą 12W przy współczynniku zawartości harmonicznych nie przekraczającym 0,4% przy 1000Hz, a 1,3% przy małych częstotliwościach. Charakterystykę zniekształceń nieliniowych przedstawiono na rys. 8. Czułość wzmacniacza: 100mV. Dwa potencjometry umożliwiają niezależną regulację małych i wielkich częstotliwości pasma akustycznego wg charakterystyk przedstawionych na rys. 7. W środkowym położeniu regulatorów charakterystyka częstotliwościowa przebiega w zakresie od 20hZ do 30Hz z nierównomiernością nie większą niż ±1dB. Układ stopnia wzmocnienia wstępnego i stopnia odwracającego fazę są konwencjonalne.

Rys.6

Rys.7

Rys.8
Stopień wyjściowy pracuje w klasie AB. Wysokie wskaźniki jakościowe uzyskuje się dzięki dostatecznie głębokiemu ujemnemu sprzężeniu zwrotnemu, obejmującemu 3 stopnia wzmacniacza. Niezbędnym warunkiem dobrej pracy wzmacniacza jest staranne wykonanie transformatora wyjściowego. We wzmacniaczu może być zastosowany poprzednio opisany transformator wzmacniacza 10W.
Warto podkreślić, że od konstrukcji transformatora wyjściowego zależy w dużym stopniu jakość każdego prawie wzmacniacza akustycznego i dlatego warto poświęcić więcej czasu na prawidłowe jego zaprojektowanie i wykonanie. Przyczyną niemożliwości uzyskania wymaganych wskaźników jakościowych jest często zbyt duża indukcyjność rozproszenia. Zależy ona od ilości zwojów w uzwojeniach i wzajemnego sprzężenia uzwojeń między sobą.
W celu zmniejszenia ilości zwojów w uzwojeniach należy wybierać rdzenie o odpowiednio dużym przekroju i małych otworach, ponieważ ilość miedzi wówczas maleje, a duże otwory wydłużają średnią drogę strumienia magnetycznego w rdzeniu.
Dla jak najlepszego sprzężenia uzwojeń stosuje się opisane poprzednio sekcjonowanie, staranne nawijanie zwój przy zwoju oraz zachowuje się symetrię geometryczną i elektryczną uzwojeń.
Wzmacniacz o mocy 20W
Na schemacie rys. 9 przedstawiono układ trzystopniowego wzmacniacza przeciwsobnego o mocy 20W. Współczynnik zawartości harmonicznych nie przekracza 1,2%. Czułość wzmacniacza: 0,5V. Charakterystyka zniekształceń nieliniowych jest przedstawiona na rys. 10. Charakterystyka częstotliwościowa jest równomierna od 20Hz do 25kHz. Układ odwracający fazę został opracowany pod kątem zapewnienia dobrej symetrii napięcia wyjściowego w szerokim zakresie częstotliwości. W stopniu końcowym pracują po dwie lampy 6P 14P połączone równolegle, w klasie AB. Ujemne napięcie dla tych lamp uzyskuje się automatycznie na wspólnym oporniku. Oporniki w siatkach sterujących zapobiegają powstawaniu szkodliwych oscylacji. Pętla ujemnego sprzężenia zwrotnego obejmuje cały wzmacniacz.

Rys.9.
Do zasilania wzmacniacza służy prostownik z lampą 5Ц3C. Transformator tego prostownika wykonany jest na rdzeniu płaszczowym 40x50 i ma następujące uzwojenia: uzwojenie pierwotne posiada 220 + 34 + 186 zwojów nawiniętych drutem średnicy 0,8; uzwojenie wtórne - 2 x 700 zwojów nawiniętych drutem średnicy 0,3; uzwojenie "xx" - 11 zwojów nawiniętych drutem średnicy 1,5; uzwojenia "yy" i "zz" - po 13,5 zwojów drutem średnicy 1,2.

Rys.10.
Transformator wyjściowy wykonany jest na rdzeniu płaszczowym 30x35, przy czym uzwojenie pierwotne ma 2400 zwojów nawiniętych drutem średnicy 0,25, a uzwojenie wtórne - 85 zwojów nawiniętych drutem średnicy 1,0. Transformator powinien być nawinięty w sposób podany na rys. 5.
Wzmacniacz dwukanałowy
Schemat wzmacniacza dwukanałowego przedstawiono na rys. 11. Wzmacniacz ten ma moc 4,5W przy współczynniku zawartości harmonicznych 3% - kanał małych częstotliwości, 3W przy 2% - kanał wielkich częstotliwości. Czułość wzmacniacza: 250mV.
Rozdział kanałów następuje po wspólnym regulatorze siły głosu. Osłabienie małych częstotliwości w kanale wysokotonowym (na schemacie górnym) następuje wskutek małej pojemności kondensatora blokującego opornik katodowy oraz niewielkich pojemności kondensatorów sprzęgających.

Rys.11.
W kanale niskotonowym (na schemacie dolnym) osłabienie wielkich częstotliwości uzyskuje się dzięki odpowiedniej charakterystyce ujemnego sprzężenia zwrotnego. Zastosowane ujemne sprzężenie zwrotne jest silniejsze dla częstotliwości wielkich. Obwód tego sprzężenia łączy anodę lampy końcowej z siatką tejże lampy poprzez kondensator i potencjometr. Dodatkowo transformator wyjściowy jest zabocznikowany kondensatorem.
W celu uzyskania dostatecznie dobrych wskaźników jakościowych w każdym z kanałów zastosowano ujemne sprzężenie zwrotne uzyskane przez połączenie anody lampy stopnia końcowego z anodą lampy stopnia poprzedzającego (opornik R8 i opornik R16). Wartość tych oporników należy dobrać doświadczalnie, pamiętając, że silne sprzężenie zwrotne (niewielka oporność wymienionych oporników) zmniejsza wzmocnienie polepszając parametry wzmacniacza.
Transformator wyjściowy kanału wysokotonowego Tr1 jest wykonany na rdzeniu płaszczowym 12x16. Jego pierwotne uzwojenie ma 1500 zwojów nawiniętych drutem 0,1, a wtórne - 56 zwojów nawiniętych drutem 0,51. Szczelina w rdzeniu transformatora: 0,1mm.
Transformator kanału niskotonowego Tr2 jest wykonany na rdzeniu płaszczowym 19x28. Pierwotne uzwojenie transformatora zawiera 3000 zwojów nawiniętych drutem 0,12, a wtórne - 52 zwoje nawinięte drutem 0,64. Szczelina w rdzeniu jest równa 0,12mm.
Na podstawie radz. "Radio" Nr 7/60 opracował
A.W.