M.R., "Linearyzacja stopnia końcowego wzmacniacza m.cz."
Radioamator 1955/09 (część 1)
Radioamator 1955/10 (część 2)
Spośród wskaźników charakteryzujących dobroć wzmacniacza małej częstotliwości za najważniejszy uważamy współczynnik zawartości harmonicznych. Określa on wielkość skutecznej wartości napięcia (lub prądu) wyjściowego, jakie wywołują tworzone przez wzmacniacz wyższe harmoniczne o częstotliwościach 2f, 3f, 4f..., w stosunku do skutecznej wartości napięcia (lub prądu) o częstotliwości podstawowej f, w przypadku gdy na wejściu wzmacniacza działa napięcie sinusoidalne, a więc wolne od wszelkiego rodzaju harmonicznych, o częstotliwości f.
Współczynnik zawartości harmonicznych jest miarą zniekształceń nieliniowych wzmacniaczy.
Jaka powinna być dopuszczalna wielkość współczynnika zawartości harmonicznych, aby można było uznać wzmacniacz za bardzo dobry, czyli praktycznie za idealny? Zdania na ten temat są podzielone.
Jednym z dotychczasowych warunków technicznych na urządzenia wzmacniające stosowane w radiofonii (a więc urządzenia najwyższej jakości) było wymaganie, aby zniekształcenia nieliniowe całego toru wzmacniającego, począwszy od wejścia wzmacniacza mikrofonowego aż do wyjścia wzmacniacza pracującego na linię modulacyjną łączącą rozgłośnie z radiostacją nie przekraczały 1,5%. Dla urządzeń radiostacji natomiast dopuszczalny był przy 100% głębokości modulacji współczynnik zniekształceń nieliniowych równy 4,5%.
W miarę udoskonalania sprzętu elektroakustycznego, a w szczególności głośników oraz wprowadzania systemu modulacji częstotliwości, wymagania w stosunku do jakości technicznej emitowanego programu radiowego stale wzrastają. Okazało się, że zawartość harmonicznych rzędu 4,5% powoduje już odróżniane przez ucho zniekształcenia audycji, zwłaszcza gdy równocześnie przekazuje się kilka tonów o różnych częstotliwościach.
Na skutek nieliniowości charakterystyki dynamicznej wzmacniacza powstają (oprócz tonów harmonicznych) jeszcze tony intermodulacyjne, czyli tony kombinowane, które nie będąc zasadniczo w żadnej harmonii z tonami podstawowymi wywołują przykre dla ucha wrażenie "chrypienia" wzmacniacza. Oczywiście wielkość "chrypienia" zależy od rodzaju przekazywanej audycji oraz od współczynnika zawartości harmonicznych wzmacniacza. Ta zależność "chrypienia" od rodzaju przekazywanego przez wzmacniacz zespołu tonów, stworzyła potrzebę wprowadzenia w radiofonii nowego pojęcia "radiofoniczności" głosów. Pojęcie to traci jednak stopniowo na znaczeniu w miarę, jak zwiększa się dobroć urządzeń elektroakustycznych. Zniknie ono zupełnie, skoro tylko reprodukowane dźwięki będą wytwarzane z taką wiernością, że nie będzie ich można odróżnić od dźwięków oryginalnych. W związku z tym powstaje pytanie: jaki powinien być najmniejszy współczynnik zawartości harmonicznych wzmacniacza przeznaczonego do możliwie wiernej reprodukcji dźwięków?
Williamson proponował w roku 1944, aby przyjąć wartość współczynnika zawartości harmonicznych równą 0,1% dla urządzeń elektroakustycznych bardzo wysokiej jakości. Doświadczenia wykazały, że przy tej wartości współczynnika "chrypienia" - zniekształcenia nieliniowe, a więc zniekształcenia spowodowane harmonicznymi, jak i tonami intermodulacyjnymi, są niesłyszalne, nawet przy zastosowaniu wymyślnych "testów" do wykrywania tego rodzaju zniekształceń metodami słuchowymi.
Przy obecnej technice wzmacniakowej, osiągnięcie tak małych zniekształceń nieliniowych jest w zasadzie możliwe dzięki zastosowaniu układów z ujemnym sprzężeniem zwrotnym.
Nowobudowane stacje radiofoniczne z modulacją amplitudy wytwarzają zniekształcenia nieliniowe mniejsze od 1% przy 100% głębokości modulacji, a urządzenia nadawcze, pracujące z modulacją częstotliwości, z reguły pozwalają osiągnąć współczynnik zawartości harmonicznych mniejszy od 0,5%.
Budowa wzmacniaczy głośnikowych w współczynniku zawartości harmonicznych 0,1% jest rzeczą zupełnie realną. Można mieć jedynie wątpliwości co do celowości budowy tak dobrych wzmacniaczy, skoro jakość dotychczas produkowanych głośników nie pozwala na ich pełne wykorzystanie.
Jednak nie tylko współczynnik zawartości harmonicznych decyduje o dobroci wzmacniacza. Niemniej ważnym czynnikiem dobroci wzmacniacza jest jego charakterystyka częstotliwości, czyli charakterystyka przenoszenia. Dotychczas uważano za bardzo dobry wzmacniacz taki, który wzmacniał jednakowo wszystkie tony w paśmie częstotliwości od 30Hz do 10000Hz. Obecnie żąda się od wzmacniacza przeznaczonego do wiernego przenoszenia muzyki i mowy, aby wzmacniał jednakowo dobrze tony w zakresie częstotliwości od 10Hz do 20000Hz. Jest to zakres częstotliwości przekraczający znacznie pasmo częstotliwości akustycznych. Tak szerokie pasmo przenoszenia wzmacniacza uwarunkowane jest żądaniem, aby wzmacniacz przenosił wiernie nie tylko przebiegi elektryczne w stanie ustalonym, lecz również w stanie nieustalonym.
Charakter tonów wytwarzanych przez różne instrumenty muzyczne w dużym stopniu jest zależny od przebiegów akustycznych, jakie towarzyszą powstawaniu i zanikowi tonu. Przebiegi te nazywamy przebiegami przejściowymi. Odróżniają one tony o tej samej wysokości i o tej samej barwie, wytwarzane przez różne instrumenty. Dzięki tym przebiegom przejściowym możemy łatwo odróżnić dźwięki fortepianu od dźwięków np. gitary. Wierne przekazywanie przebiegów przejściowych (są to przebiegi przeważnie nieokresowe) wymaga od wzmacniacza szerokiego pasma przenoszenia.
Oprócz idealnej charakterystyki częstotliwości wzmacniacz wysokiej jakości nie powinien wykazywać również zniekształceń fazowych. Chociaż przesunięcia fazy między poszczególnymi składowymi dźwięku złożonego w stanie ustalonym nie wywołują słyszalnych różnic w charakterze dźwięku, to jednak wpływają na przebiegi przejściowe, zmieniając ich charakter. Ażeby wzmacniacz nie wykazał wyraźnych zniekształceń fazowych w zakresie częstotliwości akustycznych, jego pasmo przenoszenia powinno być znacznie szersze od zakresu częstotliwości słyszalnych.
Następnym czynnikiem dobroci wzmacniacza głośnikowego jest jego oporność wewnętrzna; powinna ona być możliwie mała, w każdym razie znacznie mniejsza od oporności układu głośnikowego, na który wzmacniacz pracuje.
Drgania cewki głośnikowej razem z membraną i jej elastycznym zawieszeniem tworzą układ mechaniczny rezonansowy o określonych częstotliwościach drgań własnych. O ile tłumienie tego układu nie jest wystarczająco duże, układ wytwarza podczas pracy głośnika dodatkowe tony, tzw. tony tworzące albo "formanty", które w specyficzny sposób zabarwią audycje reprodukowane przez głośnik. Ze względu na istnienie tonów tworzących, których częstotliwości są różne dla różnych głośników, można słuchowo odróżnić poszczególne głośniki. Oczywiście głośniki idealne nie powinny wykazywać tych właściwości.
Można jednak do pewnego stopnia zmniejszyć drgania własne głośnika, wprowadzając elektryczne tłumienie tych drgań przez zwarcie cewki drgającej głośnika małą opornością wewnętrzną wzmacniacza. Wynika stąd, że dobry wzmacniacz głośnikowy powinien mieć małą oporność wewnętrzną.
Następną cechą dobrego wzmacniacza głośnikowego jest jego maksymalna moc, jaką może wytworzyć na zaciskach głośnika. Dla wiernej reprodukcji muzyki orkiestrowej, w średnim pokoju mieszkalnym jest niezbędna moc maksymalna wzmacniacza rzędu 15...20 watów, przy zastosowaniu głośnika elektrodynamicznego o normalnej sprawności 5...10%. Przy szczytach mocy akustycznej powinna istnieć jeszcze pewna rezerwa mocy wzmacniacza, aby nie dopuścić do przesterowań lamp, które powodują zatykanie wzmacniacza na skutek ładowania się kondensatorów siatkowych prądem siatek lamp.
Poziom szumów wzmacniacza i przydźwięk sieci, według Williamsona dla bardzo dobrego wzmacniacza głośnikowego powinien być o 80dB niższy od maksymalnej mocy użytecznej wzmacniacza.
Sprawność energetyczna wzmacniacza nie jest czynnikiem bezpośrednio decydującym o jakości wzmacniacza, jednak musi być wzięta pod uwagę przy projektowaniu wzmacniaczy akustycznych o większych mocach. Sprawność wzmacniacza zależy w głównej mierze od sprawności końcowego stopnia wzmacniacza. Wzmacniacze głośnikowe wysokiej jakości buduje się z reguły w klasie A, przy czym ze względu na lepszą liniowość charakterystyki i małą oporność wewnętrzną chętnie stosuje się w końcowym stopniu triody zamiast pentod. Dalszą poprawę liniowości i zmniejszenie oporności wewnętrznej uzyskuje się przez zastosowanie ujemnego sprzężenia zwrotnego. Zastosowanie w stopniu końcowym wzmacniacza głośnikowego układu przeciwsobnego z dwiema lampami zmniejsza współczynnik zawartości harmonicznych, wskutek kompensacji parzystych harmonicznych wzmacniacza. Tak więc układ przeciwsobny w klasie A, pracujący na triodach w końcowym stopniu wzmacniacza , uchodził do niedawna za standardowy układ wyjściowy wzmacniacza głośnikowego wysokiej jakości. Jako lampy końcowe w tego rodzaju wzmacniaczach głośnikowych chętnie stosowane były triody głośnikowe typu AD1 (moc admisyjna 15W), ze względu na ich małą oporność wewnętrzną i dobrą liniowość charakterystyk statycznych.
Jedyną wadą tych lamp była ich mała moc użyteczna wynikająca z małej sprawności (rzędu 20...25%), jaka cechuje triody. Maksymalna moc wyjściowa tego typu wzmacniaczy wynosi około 7 watów i oczywiście z uwagi na wzrastające wymagania stawiane wzmacniaczom głośnikowym wysokiej jakości była niewystarczająca. Zwiększenie mocy wyjściowej przez zastosowanie równolegle dwóch lamp w układzie przeciwsobnym, czyli razem czterech lamp w stopniu końcowym, komplikuje budowę wzmacniacza i powoduje niestabilną pracę stopnia końcowego, w przypadku różnic w charakterystykach pracujących lamp.
Możliwe jest jednak prawie dwukrotne zwiększenie mocy wyjściowej przy zachowaniu tej samej mocy doprowadzonej do wzmacniacza, przez zastosowanie pentod zamiast triod. Takie rozwiązanie pogarsza jednak jakość wzmacniacza wskutek zwiększenia współczynnika zawartości harmonicznych i wzrostu oporności wewnętrznej wzmacniacza. Pentody pracujące w klasie A wytwarzają - jak wiadomo - nieparzyste harmoniczne, które w układzie przeciwsobnym sumują się.
Usiłowania konstruktorów szły przeto w tym kierunku, aby stworzyć taki układ stopnia końcowego pracującego na pentodach, który by zachowując wysoką sprawność pentod wykazywał resztę właściwości podobnych do właściwości układu pracującego na triodach.
Różnica między triodą a pentodą wynika wskutek obecności siatki osłonnej w lampie. Siatka osłonna powoduje bardzo zresztą pożądany wzrost współczynnika amplifikacji lampy, zwiększa jednak równocześnie jej oporność wewnętrzną, skąd inąd niepożądaną. Do zalet pentody zaliczyć można jej dużą sprawność, praktycznie dwukrotnie większą od sprawności triody. Trioda natomiast ma małą oporność wewnętrzną, ale równocześnie mały współczynnik amplifikacji i małą sprawność.
Łącząc siatkę osłonną pentody z anodą możemy zawsze przekształcić pentodę w triodę, tracąc jednak cenną właściwość pentody, to jest jej dużą sprawność. O charakterze pracy lampy jako pentody lub triody decyduje zatem napięcie zmienne, jakie otrzymuje siatka osłonna lampy. Jeżeli siatka ta przyłączona jest do stałego potencjału, czyli jeżeli jej napięcie zmienne jest równe zeru, wówczas lampa pracuje jako pentoda. Jeżeli natomiast zmienne napięcie siatki osłonnej jest równe zmiennemu napięciu anody, wówczas pentoda przekształca się w triodę. Doprowadzając do siatki osłonnej tylko część napięcia anodowego możemy w dowolny sposób zmieniać parametry lampy, zbliżając je do parametrów triody przy zachowaniu jednak dużej sprawności lampy. Układ taki przedstawiony jest na rys.1.

Rys.1
W tym układzie siatka osłonna lampy przyłączona jest do zaczepu pierwotnego uzwojenia transformatora głośnikowego (punkt C). Napięcie zmienne, jakie otrzymuje siatka osłonna, zależy od stosunku zwojów między punktami A, B.
Oznaczmy stosunek ten przez x:
x = (ilość zwojów między B - C) / (ilość zwojów między A - B)
Od wartości tego stosunku, czyli od x, zależą parametry lampy w tym układzie. Dla x = 0 układ lampowy odpowiada pentodzie, natomiast dla x = 1 układ pracuje jak trioda. Zwiększając stopniowo x od zera do 1 powodujemy zmianę parametrów lampy od wartości odpowiadających pentodzie do wartości parametrów, jakie ma lampa w układzie triody.
Na rys.2 przedstawiona jest oporność wewnętrzna lampy (tetroda strumieniowa 6L6) i maksymalna moc wyjściowa w zależności od wartości x.

Rys.2
Jak widać, dla wartości x = 0,2 moc wyjściowa lampy jest prawie taka sama jak w układzie pentody, natomiast oporność wewnętrzna lampy zmniejszyła się znacznie i wynosi około 5000 omów, podczas gdy dla x = 0 oporność wewnętrzna lampy jest większa od 30 kiloomów.
Rys.3 przedstawia współczynnik zawartości harmonicznych dla różnych mocy wyjściowych w zależności od x w układzie wyjściowym z jedną tylko lampą. Dla mocy wyjściowej 5W, zniekształcenia przy x = 0,2 są rzędu 4%. Dla x > 0,25 lampa nie jest w stanie oddać 5 W mocy.

Rys.3
Na rys.4 przedstawione są zniekształcenia układu przeciwsobnego dwóch lamp w zależności od x. Ze względu na kompensację drugiej harmonicznej, która dominuje w układzie jednolampowym, poziom zniekształceń sumarycznych jest mniejszy i przy mocy wyjściowej 12 W osiąga minimalną wartość rzędu 1,4% dla x = 0,2.

Rys.4
Wynika stąd, że najkorzystniejszy stosunek liczby zwojów odczepu transformatorowego do całkowitej liczby zwojów pierwotnego uzwojenia jest równy x = 0,2. Przy tak dobranym odczepie lampa zachowuje sprawność prawie równą sprawności pentody (około 40%) ma jednak znacznie zredukowaną oporność wewnętrzną i zredukowane zniekształcenia nieliniowe.
Nastąpiła znaczna linearyzacja charakterystyki dynamicznej lampy. W tych warunkach pracy oporność wewnętrzna lampy jest rzędu optymalnej oporności obciążenia lampy. Dalszą redukcję oporności wewnętrznej układu, jak również redukcję zniekształceń nieliniowych poniżej 1% można uzyskać przez zastosowanie ujemnego sprzężenia zwrotnego.
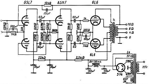
Wzmacniacz głośnikowy z tego rodzaju układem końcowym został opisany przez Haflera i Keroes'a w numerze listopadowym "Audio Engineering" z 1951 r. Schemat wzmacniacza przedstawiony jest na rys.5. Autorzy nazwali go "Ultra-linear Amplifier", czyli wzmacniacz ultra - liniowy (z uwagi na wykazane małe zniekształcenia nieliniowe).

Rys.5
Wzmacniacz ten zdolny jest wydzielić moc 24 watów na oporności między anodami lamp końcowych 6600 omów. Przy 20 watach mocy wyjściowej zniekształcenia wynoszą zaledwie 1,5%. Napięcie wejściowe potrzebne do wysterowania wynosi 0,7 wolta. Charakterystyka częstotliwości całego wzmacniacza jest prosta w zakresie od 20 do 20000 Hz, ze spadkiem 1 dB na krańcach przenoszonego zakresu, a jakość zależy w głównej mierze od dobroci transformatora wyjściowego, który powinien mieć charakterystykę przenoszenia znacznie szerszą od pasma akustycznego. Przez specjalny sposób uzwojenia udało się wykonać transformator przenoszący zakres częstotliwości od 10 do 100000 Hz. Rezonans szeregowy rozproszenia transformatora występuje dopiero w zakresie między 100000 Hz a 200000 Hz. Cały wzmacniacz objęty jest ujemnym sprzężeniem zwrotnym napięciowym. Część napięcia z wtórnego uzwojenia transformatora doprowadzona jest do katody pierwszej lampy.. Druga połowa pierwszej lampy pracuje jako odwracacz fazy, przy czym siatka tej lampy otrzymuje napięcie z dzielnika napięć (oporniki 0,47M i 0,56M), włączonego między obie anody pierwszego stopnia wzmocnienia pracującego w układzie przeciwsobnym. Tego rodzaju układ wyrównuje automatycznie wszelką asymetrię napięć, jaka może powstać przy nierównych stopniach wzmocnienia obu pierwszych lamp układu.
Wzmacniacze "Ultra-linear" zostały szeroko rozreklamowane w USA i opisywane w różnych czasopismach technicznych. Czy istotnie zasługują one na same tylko superlatywy? Niewątpliwie, zastosowanie pentod w stopniu końcowym wzmacniacza w układzie z odgałęzieniem uzwojenia pierwotnego transformatora wyjściowego na siatki osłonne lamp - jest pewnym ulepszeniem w stosunku do zwykłego układu pracującego na pentodach, zmienia bowiem w sposób korzystny parametry pentod, nie zmieniając praktycznie maks. mocy wyjściowej układu, jednak nie przewyższa układu o tej samej mocy wyjściowej, pracującego na triodach.
Ze względu na zniekształcenia nieliniowe układ ten zachowuje się pośrednio między układem pracującym na "czystych" pentodach, a układem pracującym na triodach. Przy pełnym wysterowaniu lampy aż do punktu, w którym pokazuje się prąd siatkowy, zniekształcenia nieliniowe układu "z odczepem transformatora' są 1,5 razy większe od zniekształceń, jakie powoduje ta sama lampa w układzie triody, również dla tego punktu wysterowania, natomiast są mniejsze od zniekształceń pentody. Z tego punktu widzenia specjalnych korzyści układ ten nie przynosi.
Chcąc uzyskać dobrą jakość wzmacniacza przy zastosowaniu powyższego układu trzeba dodatkowo zastosować napięciowe ujemne sprzężenie zwrotne, podobnie jak przy każdym innym dobrym wzmacniaczu. Williamson w artykule "Amplifiers and superlatives" w numerze wrześniowym "Wireless World" 1952, krytycznie rozpatruje wyżej opisany układ i przeciwstawia mu jako lepszy układ pokazany na rys.6, który zachowując te same właściwości co układ poprzednio opisany, ma dodatkowo ujemne sprzężenie zwrotne w obwodzie siatki sterującej.

Rys.6
Jak widać na rys.6 pierwotne uzwojenie transformatora wyjściowego podzielone jest na dwie oddzielne części. Jedna z nich włączona jest w obwód anodowy lampy, natomiast druga - w obwód katody. Prąd anodowy lampy płynie zgodnie przez oba uzwojenia, wydzielając na całym uzwojeniu zmienną moc anodową. Jeżeli przez Ua oznaczymy napięcie anodowe zmienne, występujące na skrajnych zaciskach pierwotnego uzwojenia A - B, wówczas część napięcia, mianowicie x.Ua działa miedzy katodą a siatką osłonną, która ma potencjał stały. Napięcie to jest przesunięte w fazie o 180o względem napięcia anodowego, jest więc ujemnym napięciem zwrotnym. Układ ten ma podwójne sprzężenie zwrotne, mianowicie na siatkę osłonną i na siatkę sterującą. Ponieważ czułość siatki sterującej jest znacznie większa od czułości siatki osłonnej działającej jako siatka czynna, wobec tego działanie napięcia zwrotnego x.Ua w obwodzie siatki czynnej przeważa. Przy tej samej wartości x układ z rys.6 daje znacznie większą zmianę parametrów lampy niż układ z rys.4, przy czym ma jeszcze tę zaletę, ze siatce osłonnej lampy można dać dowolny potencjał dodatni niezależnie od napięcia anodowego, co jest niemożliwe w układzie poprzednim (rys.4), w którym siatka osłonna otrzymuje ten sam potencjał stały co anoda lampy. Niekiedy jednak dla uzyskania maksymalnej mocy z lampy siatka osłonna wymaga wyższego potencjału dodatniego niż anoda lampy.
Układ przedstawiony na rys.6 został praktycznie zastosowany przy budowie wzmacniaczy akustycznych wysokiej jakości przez firmę Acoustical Manufacturing Company "Q.U.A.D." Pozwala on uzyskać znacznie lepsze wyniki niż układ z rys.4, mimo że różnice konstrukcyjne między oboma układami są minimalne. Zmieniając stosunek liczby zwojów katodowych do całkowitej liczby zwojów uzwojenia pierwotnego transformatora możemy dowolnie zmniejszać oporność wewnętrzną lampy, dochodząc do wartości 1/S. Układ dla wartości x = 1 przechodzi w układ wtórnika katodowego. Wprowadzenie ujemnego sprzężenia zwrotnego do obwodu siatki sterującej nie tylko znacznie obniża oporność wewnętrzną lampy, ale przede wszystkim zmniejsza współczynnik zawartości harmonicznych. Według danych fabrycznych - przy doborze stosunku uzwojeń x takim, że wysterowanie lamp wymaga napięcia siatkowego (szczytowego) równego 36V, przy napięciu zasilającym anodowym 320V osiąga się zniekształcenia nieliniowe rzędu 0,7% przy pełnym wysterowaniu lamp. W tych warunkach oporność wewnętrzna lampy jest o połowę mniejsza od oporności obciążenia lampy Ra. Przez zastosowanie dodatkowego ujemnego sprzężenia zwrotnego, obejmującego dwa lub trzy stopnie wzmocnienia, można w dalszym ciągu zmniejszyć zniekształcenia nieliniowe wzmacniacza.
Wydaje się, że optymalna wartość x leży w granicach od 0,1 do 0,2. Wartości x = 0,2 nie należy przekraczać; obniża się wówczas zbytnio współczynnik wzmocnienia napięciowego układu, co pociąga za sobą konieczność sterowania lamp końcowych zbyt dużymi napięciami. Stwarza to niebezpieczeństwo przesterowania poprzedniego stopnia wzmocnienia i zwiększenie zniekształceń nieliniowych.
Tabela zawiera dane porównawcze, dotyczące pracy lampy w różnych układach.
Tabela
|
Parametry |
Pentoda w układzie triody klasa A |
Pentoda klasa A |
Pentoda z odczepem transformatora |
Pentoda z dzielonym uzwojeniem transformatora. Układ Q.U.A.D |
| Sprawność w % |
27 |
38 |
36 |
36 |
| Maksymalna moc wyjściowa |
1 |
1,4 |
1,35 |
1,35 |
| Względny stopień zniekształceń nieliniowych przy wysterowaniu do prądu siatki |
1 |
2 |
1,5 |
0,5 |
| Stosunek oporności obciążenia lampy do oporności wewnętrznej |
2 - 4 |
0,5 - 1 |
0,5 - 1 |
2 |
Pierwsza rubryka odpowiada lampie pracującej jako trioda w klasie A. (anoda lampy połączona jest z siatką osłonną), druga - lampie pracującej jako normalna pentoda. Trzecia rubryka: lampa w układzie z odgałęzionym uzwojeniem transformatora przy x = 0,2. Ostatnia rubryka: układ Q.U.A.D. jak na rys.6.
W pierwszym wierszu tabeli podana jest sprawność lampy. Jak widać sprawność triody jest mała (27%), natomiast pentody - największa (38%). W układach linearyzowanych sprawność jest niewiele mniejsza od sprawności pentody.
W trzecim wierszu podane są zniekształcenia nieliniowe lampy w odniesieniu do triody. Jak widać zniekształcenia pentody przy mocy wyjściowej 1,4-krotnie większej od mocy triody są dwukrotnie większe od zniekształceń triody.
Pentoda "z odgałęzieniem" daje zniekształcenia 1,5 razy większe od zniekształceń triody. Najkorzystniejszy pod tym względem jest układ Q.U.A.D., dający zniekształcenia 0,5, czyli o połowę mniejsze od zniekształceń triody.
Ostatni wiersz podaje stosunek oporności obciążenia lampy do oporności wewnętrznej lampy w danych warunkach pracy. Pentoda i układ "z odczepem" mają mniej korzystny stosunek obu oporności do siebie niż trioda i układ Q.U.A.D. Wynika stąd, że układ Q.U.A.D. jest pod każdym względem korzystniejszy niż układ ze sterowaną siatką osłonną, mimo, że nie jest bardziej skomplikowany od poprzedniego.
Przy budowie wzmacniacza opartego na tym układzie - szczególną uwagę należy zwrócić na dobroć transformatora wyjściowego, który musi mieć szeroki zakres przenoszenia przy małym rozproszeniu i dużym stopniu sprzężenia między uzwojeniem pierwotnym a wtórnym.
I to by było na tyle jeśli chodzi o uwagi praktyczne na temat linearyzacji stopnia końcowego wzmacniacza mocy małej częstotliwości. W końcowej części artykułu Autor podaje wyprowadzenia wzorów opisujących działanie omawianych układów. Podajemy je dla najbardziej dociekliwych pasjonatów lamp.
[część 1]
WYPROWADZENIE WZORÓW
Układ z odczepem transformatora na siatkę osłonną
Oznaczmy współczynnik amplifikacji lampy w układzie pentody przez:

oraz oporność wewnętrzną pentody przez Ri.
Współczynnik amplifikacji pentody w odniesieniu do siatki osłonnej, pracującej jako siatka czynna, niech będzie:

Stosunek obu współczynników amplifikacji jest w przybliżeniu równy współczynnikowi amplifikacji lampy pracującej w układzie triody. Oznaczmy ten współczynnik przez:
(1)
Jeżeli Ua jest napięciem występującym na zaciskach oporności obciążenia Ra, wówczas między ekranem lampy a katodą działa napięcie:
(2)
W obwodzie anodowym lampy działają dwie siły elektromotoryczne: pierwsza µ.Us pochodząca z działania napięcia siatki sterującej i druga - µe.x.Ua pochodząca z działania sterującego siatki osłonnej.
Pod wpływem obu tych sił elektromotorycznych powstaje w obwodzie anodowym lampy prąd zmienny:
(3)
Prąd ten wywołuje na zaciskach oporności anodowej Ra napięcie:
(4)
Po przekształceniu otrzymamy:
(5)
Stąd:
(6)
Współczynnik wzmocnienia napięciowego układu k' otrzymamy, dzieląc Ua przez Us:
(7)
albo:
(8)
Dla Ra dążącego do nieskończoności otrzymujemy współczynnik amplifikacji lampy w układzie z odczepem transformatora:
(9)
Dla x = 0, a więc w układzie pentody współczynnik amplifikacji lampy µ' jest równy współczynnikowi amplifikacji pentody: µ. Podstawiając bowiem we wzorze (9) x = 0 otrzymujemy:
µ' = µ
Gdy natomiast x = 1 (układ triody), wówczas ze wzoru (9) wynika:

Ponieważ:

możemy w przybliżeniu przyjąć:
µ' = µ3
Widzimy, że zmieniając x stopniowo od zera do 1, zmniejszamy równocześnie współczynnik amplifikacji lampy od wartości µ (dla pentody) do wartości µ3 (dla triody).
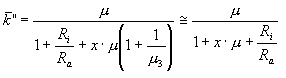
Oporność wewnętrzną lampy w układzie "z odczepem" otrzymamy, wychodząc z zależności:

gdzie S jest nachyleniem charakterystyki statycznej lampy. Ze wzoru (9) otrzymujemy:
(10)
Dla x = 0 lampa ma oporność wewnętrzną równą oporności pentody, a więc bardzo dużą. W miarę wzrostu x - oporność wewnętrzna maleje i osiąga wartość graniczną (dla x = 1) równą:
(11)
a więc równą oporności w układzie triody.
Układ Q.U.A.D.
Wzmocnienie napięciowe lampy w tym układzie można łatwo obliczyć, stosując znany wzór na wzmocnienie układu ze sprzężeniem zwrotnym napięciowym:
(12)
gdzie k' jest wzmocnieniem układu bez zastosowania sprzężenie zwrotnego siatkowego.
Po przeliczeniu otrzymujemy:
(13)
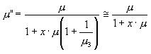
Współczynnik amplifikacji w tym układzie otrzymamy, podstawiając jako Ra nieskończoność:
(14)
Jak widać z ostatniego wzoru działanie sprzężenia zwrotnego w obwodzie siatki sterującej przeważa nad działaniem sprzężenia zwrotnego na siatkę osłonną. Wzór (14) jest identyczny ze wzorem na współczynnik amplifikacji lampy dla czystego sprzężenia zwrotnego na siatkę sterującą.
Oporność wewnętrzną lampy w układzie Q.U.A.D. obliczamy ze wzoru:
(15)
Porównując wzór (15) ze wzorem (10) widzimy, że oporność wewnętrzna w układzie Q.U.A.D. znacznie szybciej maleje ze wzrostem x, niż w układzie poprzednim. Dla szybkiego obliczenia wielkości oporności wewnętrznej R"i - możemy posługiwać się wzorem orientacyjnym:
(16)
Wyżej wyprowadzone wzory 9, 10, 14, 15 pozwalają w każdym przypadku wyznaczyć nowe parametry lampy, gdy znane jest x.