"Jak wykonać jednolampowy wzmacniacz na prąd zmienny"
Radioamator 1952/09
Zasilanie urządzeń radiowych prądem z sieci oświetleniowej jest więcej ekonomiczne ze względu na koszt energii zasilającej i zużycie lamp, niż zasilanie z baterii i akumulatora, a ponadto jest wygodne i proste, jeśli chodzi o instalację i obsługę urządzenia. Toteż wszędzie tam, gdzie jest to możliwe, instaluje się przede wszystkim sprzęt sieciowy, mający coraz szersze zastosowania w związku z szeroko rozwiniętą akcją elektryfikacji kraju.
Wzmacniacze sieciowe przystosowane do pracy na prąd zmienny różnią się od wzmacniaczy bateryjnych opisanych poprzednio (patrz nr 7 i 8), tym, że oprócz właściwego układu wzmacniającego posiadają człon zasilający, złożony z transformatora sieciowego, lampy prostowniczej i filtru gładzącego prąd wyprostowany. Lampy pracujące w takim wzmacniaczu muszą mieć podgrzewaną katodę (są to tak zwane lampy pośredniożarzone), co pozwala uniknąć wpływu zmiennego prądu żarzenia na emisję katody, która przy pośrednim żarzeniu jest dostatecznie równomierna.
Zasilacz może tworzyć z układem wzmacniacza całość konstrukcyjną lub też może być oddzielnym członem montowanym osobno, niezależnie od niego i wówczas istnieje możliwość wykorzystania takiego zasilacza do różnych celów.
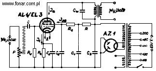
Rysunek pierwszy przedstawia jeden z najprostszych układów jednolampowego wzmacniacza sieciowego, pracującego na lampie głośnikowej o pięciu elektrodach zwanej pentodą. Wzmacniacz z zasilaczem tworzą całość zmontowaną na chassis o wymiarach 150mm x 100mm x 50mm.

Do gniazd wejściowych wzmacniacza przyłącza się odbiornik kryształkowy lub adapter gramofonowy. Na wyjściu uzyskuje się podczas pracy wzmacniacza energię małej częstotliwości, pozwalającą na zastosowanie głośnika dynamicznego o mocy 2÷3 watów.
Napięcia zmienne z detektora lub z adaptera doprowadza się przez gniazda wejściowe wzmacniacza do obwodu siatkowego lampy wzmacniającej za pośrednictwem potencjometru P, przy pomocy którego odbywa się regulacja siły odbioru od zera do pewnego maksimum, odpowiadającego całkowitemu wzmocnieniu układu. Kondensator C połączony ze ślizgiem potencjometru i z siatką sterującą lampy jest elementem sprzężenia detektora lub adaptera ze wzmacniaczem. Wartość jego musi być taka, aby dla prądów o częstotliwości słyszalnej opór pojemnościowy był możliwie mały.
Opór siatkowy Rs spełnia tę samą rolę, jaką miał we wzmacniaczu bateryjnym, a mianowicie umożliwia on spływanie dodatnich ładunków, gromadzących się na siatce sterującej, do przewodu zerowego układu, gdzie są one neutralizowane. Jednocześnie dzięki temu oporowi siatka sterująca lampy uzyskuje ujemny potencjał względem katody, powstający dzięki spadkowi napięcia na oporze katodowym Rk. Przez opór ten płynie całkowity prąd Ic, jaki pobiera lampa z zasilacza. Jest on sumą prądów: anodowego Ia, który dla lampy AL4 wynosi 36 miliamperów oraz siatki ekranującej Is=5mA (patrz dane katalogowe lampy). Obydwa prądy są prądami stałymi, a sumaryczna ich wartość Ic=Ia+Is wynika z prawa Ohna: I=UP, w którym U jest napięciem stałym w woltach, uzyskanym z prostownika, a R - oporem w omach, do którego napięcie to jest przyłożone.
W naszym przypadku R=Rw+(Ra+Rk) gdzie Rw oznacza opór wewnętrzny lampy, Rk - wspomniany opór katodowy, Ra - opór anodowy, o którym dalej będzie mowa.
W praktyce można przyjąć R=Rw ponieważ suma (Ra+Rk) jest na ogół mała w porównaniu z wartością Rw. Ze względu na zachowanie niezmiennych warunków pracy lampy wzmacniającej wszystkie napięcia stałe, jakie ona otrzymuje, winny być pozbawione jakichkolwiek wahań, a przynajmniej wahania, jeśli istnieją, muszą być zredukowane do minimum.
Spełnienie tego warunku jest szczególnie ważne w odniesieniu do ujemnego potencjału siatki sterującej czyli tzw. przedpięcia siatkowego, jakie musi otrzymywać lampa wzmacniająca, by mogła pracować bez zniekształceń.
Źródłem tego przedpięcia jest opór katodowy Rk, na którym powstaje niezbędny dla danej lampy spadek napięcia przepływowi przez ten opór prądu Ic. Wielkość przedpięcia wynika z iloczynu wartości prądu, wyrażonej w amperach przez wartość oporu w omach; dla danego typu lampy wynosi ono:
Us = Ic . Rk = 0.041 . 160 = 6.5 V
Tę wartość przedpięcia znajdziemy też w katalogu dla użytej w opisywanym wzmacniaczu lampy i da się ona zmierzyć woltomierzem na prąd stały, przyłożonym do końców oporu katodowego Rk, gdy przez lampę płynie prąd Ic.
Dla zapewnienia stałości tego napięcia równolegle z oporem R włączony jest kondensator C o dużej pojemności, który zamyka obwody lampy dla prądów zmiennych o małych częstotliwościach (akustycznych). Prądy te omijają opór katodowy duży w porównaniu z oporem równoległego kondensatora, wyrażającym się stosunkiem 1/Ck , gdzie oznacza pulsację prądu zależną od częstotliwości (=2f=6,28f okresów na sekundę), Ck - pojemność kondensatora w faradach.
Przez opór Rk praktycznie płynie tylko prąd stały Ic, którego stałość zależy od stopnia wygładzenia prądu przez zasilacz. Rolę takiego gładzika spełnia w zasilaczu filtr, złożony z kondensatorów C1 i C2 oraz oporu R (praca filtru opisana była w nr 6, str. 23 z br.).
Pentoda wzmacniająca otrzymuje napięcie anodowe za pośrednictwem pierwotnego uzwojenia transformatora wyjściowego. Opór tego transformatora musi być taki, aby lampa miała najkorzystniejsze warunki pracy z uwagi na oddawaną moc prądu zmiennego i wprowadzane przez nią zniekształcenia. O właściwym dobraniu oporu wyjściowego lub oporu obciążenia lampy mówimy wtedy, gdy uzyskiwana moc jest możliwie duża, a równocześnie zniekształcenie małe.
Przy zastosowaniu we wzmacniaczu pentody AL4 lub EL3 opór obciążenia (czyli opór transformatora przy załączonym głośniku) powinien wynosić dla średniej częstotliwości prądu zmiennego (około 1000 okresów) - 700 omów. Oczywiście dla prądu stałego opór ten wyniesie znacznie mniej, ponieważ nie wchodzi wówczas w grę indukcyjność transformatora.
Siatka osłonna zasilana jest też prądem z zasilacza za pośrednictwem oporu R0, który wraz z kondensatorem C0 tworzy dodatkowy filtr dla prądu wyprostowanego. Dzięki temu zgodnie z postawionym wyżej warunkiem stałości pracy lampy siatka S otrzymuje napięcie dwukrotnie przefiltrowane, co daje gwarancję całkowitego wyeliminowania jego wahań (pierwszym filtrem jest filtr zasilacza).
Wyjściem wzmacniacza są gniazdka, połączone z wtórnym uzwojeniem transformatora wyjściowego, który wraz z dołączonym do niego głośnikiem stanowi obciążenie lampy wzmacniającej. W tych warunkach do gniazdek wyjściowych należy włączyć bezpośrednio końce cewki drgającej głośnika dynamicznego o dostatecznej czułości, aby dostarczona przez wzmacniacz moc pozwoliła na jego uruchomienie. Wmontowany do wzmacniacza transformator głośnikowy zabezpiecza pentodę głośnikową przed niepożądaną przerwą obwodu anodowego lampy jaka mogłaby mieć miejsce po odłączeniu głośnika razem z transformatorem przed wyłączeniem wzmacniacza z sieci. Wiadomo bowiem, że przerwa taka może spowodować szybką utratę przez lampę emisji, a nawet przepalenie się jej włókna żarzenia o czym była mowa poprzednio w opisie dwustopniowego wzmacniacza bateryjnego.
Pierwotne uzwojenie transformatora jest, jak widać ze schematu, zwarte z kondensatorem stałym Cw. Kondensator ten ma na celu zwieranie wysokich częstotliwości, praktycznie więc obniża ton głośnika, dając przyjemne i nie męczące ucha brzmienie wzmacnianych audycji szczególnie, jeśli idzie o audycje słowne.
W zasilaczu znajduje się lampa AZ1, która może pracować jako prostownik dwukierunkowy, jednak nie została ona w ten sposób wykorzystana ze względów oszczędnościowych, ponieważ wymagało by to użycia transformatora sieciowego o podwójnym uzwojeniu anodowym. Zastosowano tu mały transformator o przekroju rdzenia 3,5cm2 tzw. jednokierunkowy do jednopołówkowego prostowania w związku z czym obydwie anody lampy prostowniczej są zwarte z sobą. Transformator taki zupełnie wystarcza, bowiem pobór mocy przez wzmacniacz wynosi około 20 watów.
W filtrze zasilacza można zastosować opór lub dławik, lecz i tu z uwagi na ekonomię, a także wagę i wymiary wzmacniacza użyto opór typu drutowego lub porcelanowy. Spadek napięcia na tym oporze nie może przekraczać różnicy pomiędzy napięciem uzyskanym z prostownika i napięciem, jakiego wymaga anoda lampy wzmacniającej, co przy znanym prądzie Ic wyznacza maksymalną wartość oporu. Jeśli np. prostownik dostarcza napięcie w wysokości 400 woltów lampa zaś potrzebuje dla prawidłowej pracy 250 woltów, to opór R może mieć taką wartość, aby spadek napięcia na nim nie przekraczał 400 - 250 = 150 woltów. Przy prądzie Ic=41 miliamperów, maksymalna wartość jego wyniesie 150/0,041=3600 omów.
Opory katodowy Rk i anodowy zależą od typu lampy i jej danych katalogowych. W przypadku zastosowania innej niż w opisie pentody głośnikowej trzeba porównań jej dane katalogowe z warunkami pracy lamp AL4 i EL3 i jeśli zajdzie potrzeba zmienić wartość przede wszystkim oporu Rk. Z lamp nadających się do pracy w opisanym wzmacniaczu pod wyżej wymienionym warunkiem można następujące typy: EL11, EC11 bez EB1, ABL1, 6F6, 6V6 itp. Schemat wykorzystywania części triodowej, EL2, montażowy wzmacniacza widzianego z góry i od spodu, ułatwi rozstawienie części, a następnie wykonanie połączeń.

Widok z góry 
Widok od spodu
Przy zastosowaniu lamp typu ABL1 lub EB1 (obydwa typy podobnie jak AL4 i EL3, różnią się jedynie napięciem żarzenia, które dla lamp serii A wynosi 4 wolty, a dla lamp serii E - 6,3 wolta), możliwe jest wykorzystanie części diodowej jako detektora zamiast kryształka w aparacie, sterującym wzmacniacza. Układ odbiornika i wzmacniacza da się wówczas znacznie uprościć tworząc całość przedstawioną na rysunku.
Zasilacz nie został tu pokazany - może on być identyczny jak we wzmacniaczu z lampą AL4 ze schematu pierwszego.
Uproszczony układ ma oddzielnie wyprowadzone gniazda wejściowe stopnia wzmacniającego, chociaż odbiornik połączony jest na stałe ze wzmacniaczem. Umożliwia to wykorzystanie wzmacniacza niezależnie od detektora np. do reprodukcji płyt gramofonowych na głośnik przy pomocy adaptera. Gniazda takie mają też niektóre wielolampowe odbiorniki produkcji fabrycznej.
Większe możliwości wzmocnienia niż omówiony wzmacniacz jednolampowy mogą dać wzmacniacze kilkustopniowe - opis wzmacniacza dwulampowego podany będzie w następnym numerze.
A oto spis części, potrzebnych do wykonania jednolampowego wzmacniacza na prąd zmienny z lampą AL4 lub EL3:
- Opory:
- Rs = 1M/0,25W;
- Rk = 160omów/1W;
- Ro = 100omów/0,5W;
- R = 1000omów/3W.
- Potencjometr P = 0,1M logarytmiczny, węglowy.
- Kondensatory:
- C = 10000pF/750V;
- Ck = 10µF/15-25V;
- Co = 0,1µF 500V rurkowy;
- C1 = C2 = 8µF/450V elektrolityczne.
- Transformator sieciowy o uzwojeniach
pierwotne: 0/110/120/200/220V;
żarzenia lampy prostowniczej 4V/1A;
żarzenia lampy wzmacniającej 4 lub 6,3V 2A;
anodowe 350V/50A: - Transformator głośnikowy o przekładni 40:1;
- Głośnik dynamiczny 2,5 watowy o średnicy 15 cm.
- Lampy: 1-AL4 lub 1-EL3, 1-AZ1 lub 1-AZ11;
- 2 podstawki do ww. lamp;
- 4 gniazda radiowe z nakrętkami;
- 1 wyłącznik błyskawiczny jednobiegunowy;
- 2 bolce do wtyczki z otworami (kontrwtyczka);
- 1 chassis metalowe z blachy żelaznej o grubości 0,7mm; wymiary chassis: 150mm 100mm 50mm;
- 1 gałka do potencjometru;
- 5m koszulki olejowej o średnicy 1,2mm;
- 1m przewodnika w ekranie (krosówka);
- Drobny materiał montażowy.