"Jak wykonać dwulampowy wzmacniacz sieciowy"
Radioamator 10/1952
Z poprzednich opisów wzmacniaczy wiemy, że polepszenie siły odbioru na aparat kryształkowy można uzyskać przez zastosowanie wzmacniacza lampowego, przy czym stopień wzmocnienia zależeć będzie przede wszystkim od ilości lamp wzmacniających. Wzmacniacz jednolampowy opisany w poprzednim numerze miesięcznika czyli tzw. wzmacniacz jednostopniowy – nie zawsze da wystarczającą moc, zwłaszcza jeśli idzie o uruchomienie głośnika, który ma pracować w pomieszczeniu o dużej objętości.
W projektowaniu urządzeń wzmacniających np. dla nadawania muzyki tanecznej z płyt gramofonowych przy pomocy adaptera, stosuje się niejednokrotnie wzmacniacze dużej mocy (20, 50 – a nawet 100 watowe z rozłożeniem całkowitej mocy na szereg głośników), której dokładna wielkość zależy od warunków w jakich wzmacniacz ma pracować. Warunkami tymi są: objętość pomieszczenia, czas pogłosu zależy od tłumienia w danym pomieszczeniu (pochłaniania fal głosowych) oraz głośność jaką chcemy uzyskać przy pomocy wzmacniacza z jednym lub kilkoma głośnikami. Na podstawie tych danych można określić moc, jaką winien dostarczyć wzmacniacz.
Dla przykładu podajemy, że w niezbyt dużym pokoju o objętości około 100m3 posiadającym czas pogłosu ok. 1 sekundy (czas ten odpowiada mniej więcej tłumieniu tego pomieszczenia z umeblowaniem bez kotar i dywanów) dla uzyskania dostatecznie dużej głośności trzeba użyć wzmacniacz o mocy użytecznej nie mniejszej od 1 wata pod warunkiem, że nie ma przeszkód zakłócających odbiór w postaci rozmawiających osób, szumów pochodzących z zewnątrz pomieszczenia itp., które trzeba byłoby zagłuszyć przez doprowadzenie do głośnika odpowiednio większej mocy. Moc akustyczną rzędu 1 wata można osiągnąć przy pomocy lampy głośnikowej typu np. RES 164 w warunkach pełnego jej wysterowania.
Zakładając, że wzmacniacz przeznaczony jest do wzmocnienia odbioru otrzymanego na aparacie kryształkowym – bezpośrednie wysterowanie lampy głośnikowej w celu wykorzystania jej możliwości wzmacniających przy pomocy napięć uzyskanych z takiego aparatu jest niemożliwe, ponieważ napięcia te są bardzo małe.
Z tego więc powodu dla uzyskania potrzebnej mocy konieczne jest zastosowanie dodatkowego stopnia wzmocnienia napięciowego pomiędzy detektorem i stopniem mocy z pentodą głośnikową. Zadaniem owego dodatkowego stopnia wzmocnienia będzie zatem zwiększenie napięć otrzymanych z detektora kryształkowego do takiego poziomu, jaki niezbędny jest dla pełnego wysterowania lampy głośnikowej i uzyskania w ten sposób maksymalnej mocy akustycznej, jaką zdolny jest dać wzmacniacz.
Widzimy więc, że wzmacniacz dwustopniowy dzięki podwyższaniu napięć sterujących, a następnie wzmocnieniu mocy – ma szersze możliwości zastosowania, niż poprzednio opisany wzmacniacz jednolampowy, jeśli chodzi o udźwiękowienie mieszkań o przeciętnych wymiarach i niezbyt dużych sal.
Przy zastosowaniu odpowiednich typów lamp pozwoli on na uzyskanie znacznej mocy użytecznej, dzięki czemu zarówno odbiór radiowy jak i reprodukcja płyt gramofonowych za pośrednictwem adaptera może z powodzeniem odbywać się w średnim pomieszczeniu z możliwością pokrycia istniejących w nim zakłóceń (wspomniane wyżej rozmowy, szumy itp.).
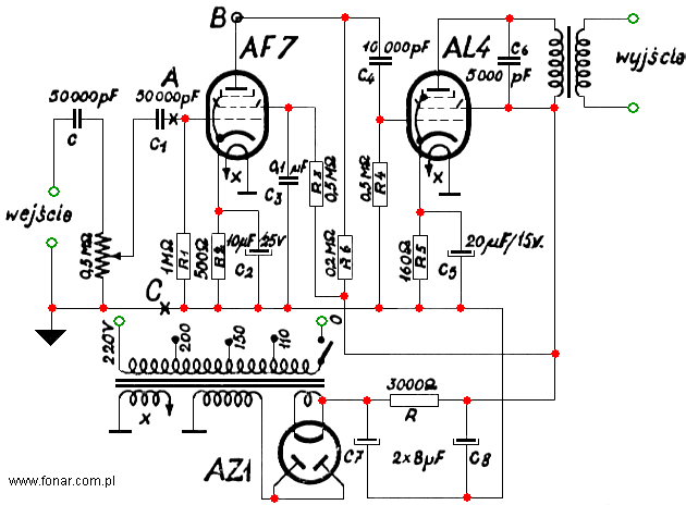
Na rysunku 1 pokazany jest schemat takiego właśnie dwustopniowego wzmacniacza sieciowego, pracującego na lampach produkcji krajowej AF7, AL4 i prostowniczej AZ1.

Rysunek 1. Schemat zasadniczy
Zamiast tych lamp mogą być użyte inne typy np. EF6 i EL3, lub EF11 i EL11, a także inne odpowiedniki serii sześciowoltowej jak 6J7 i 6V6. Dla wszystkich wymienionych lamp zastępczych uzwojenie żarzenia transformatora sieciowego musi dostarczać napięcie w wysokości 6,3 wolta – inne elementy układu mogą pozostać nie zmienione.
W omawianym wzmacniaczu sprzężenie obydwóch stopni między sobą jest oporowo-pojemnościowe (elementy R6, C4, R4) znajdujące bardzo często zastosowanie w tego rodzaju układach ze względu na prostą konstrukcję równomierne wzmocnienie szerokiego zakresu częstotliwości akustycznych oraz małe zniekształcenia. Napięcie zmienne w wysokości 4 woltów potrzebne do żarzenia włókna lamp otrzymuje się z odpowiedniego uzwojenia znajdującego się na transformatorze sieciowym. Stałe napięcie anodowe dostarcza prostownik pracujący na lampie AZ1 z filtrem małej częstotliwości, złożonym z dwóch wysokowartościowych elektrolitów i oporu drutowego lub dławika filtrującego, (na schemacie pokazany jest opór). Filtr zapewnia czysty odbiór bez słyszalnego w głośniku tętnienia prądu wyprostowanego.

Rysunek 2. Widok z góry

Rysunek 3. Widok od spodu
Do gniazd wejściowych wzmacniacza załącza się wyjście z aparatu, z którego odbiór ma być wzmocniony. Może to być, jak już powiedzieliśmy aparat kryształkowy dowolny lub adapter gramofonowy.
Kondensator „C”, potencjometr „P” i kondensator „C1” sprzęgają źródło napięć akustycznych ze wzmacniaczem, przy czym potencjometr „P” służy jednocześnie do regulacji siły głosu. Z potencjometru napięcia te są następnie przekazywane za pośrednictwem kondensatora „C1” siatce lampy AF7 pierwszego stopnia wzmacniającego, który poprzez elementy sprzężenia „R4” i „C4” steruje lampę AL4, pracującą w stopniu wyjściowym.
Kondensator „C4” oddziela jednocześnie ujemny potencjał siatki lampy AL4 od dodatniego potencjału anody lampy AF7. Spełnia on tutaj rolę separatora i dlatego musi to być kondensator o wysokiej jakości, (dobrej izolacji między okładkami) nie pozwalający na przepływ najsłabszego nawet prądu stałego w stronę siatki sterującej pentody AL4. W przypadku złej izolacji kondensatora prąd upływu wpłynąłby na zmniejszenie ujemnego przedpięcia tej siatki, a więc wywołałby niepożądane przesunięcie punktu pracy lampy AL4 w położenie, w którym mogłoby wystąpić zniekształcenia.
Pojemność kondensatora C4, musi być ponadto dostatecznie duża (zwykle 10.000pF) aby spadek napięć zmiennych o częstotliwościach akustycznych na tym kondensatorze był nieznaczny w stosunku do całkowitego napięcia zmiennego, powstającego na oporze anodowym R6 lampy AF7. Dzięki temu na oporze R4 w obwodzie siatkowym lampy wyjściowej wystąpią zmienne napięcia sterujące – równe mniej więcej napięciom dostarczanym przez stopień wzmocnienia wstępnego.
Ujemne przedpięcie siatkowe każda z lamp otrzymuje automatycznie ze spadku napięć na oporach katodowych R2 i R5 tj. w sposób automatyczny (patrz Nr 3 z roku bieżącego), podobnie jak to miało miejsce w przypadku wzmacniacza jednolampowego.
Opory katodowe R2 i R5 zablokowane są kondensatorami elektrolitycznymi „C2” i „C5”, ażeby potencjał katod nie ulegał zmianom podczas pracy lamp. Opory siatkowe R1 i R4, które ustalają zerowy potencjał siatki, powinny być możliwie duże, ażeby nie wpływały na osłabienie wzmocnienia lamp. Ze względu jednak na niedoskonałą izolację kondensatorów siatkowych C1 i C4, która może spowodować przesunięcie potencjałów siatkowych w kierunku potencjałów wyższych, a więc niepożądanych – opory te mogą być zbyt duże. Najbardziej odpowiednia jest wartość tych oporów od 0,5 M do 1 M.
Opisany wzmacniacz posiada tak dobrane poszczególne elementy aby możliwe było wykorzystanie maksymalnego wzmocnienia. Zadaniem radioamatora konstruktora będzie dobranie nie tylko odpowiednich wielkości, ale także i jakości poszczególnych części pod względem wytrzymałości ich na przebicie (kondensatory) i obciążenie (opory). Właściwe dane podane są w spisie części umieszczonym niżej.
Na wyjściu wzmacniacz posiada transformator głośnikowy, którego przekładnia zależy od typu głośnika, z jakim ma on pracować. Dla zwykłego głośnika dynamicznego, jaki stosuje się w radioodbiornikach, transformator ten winien mieć przekładnię około 40:1. Pierwotna strona tego transformatora zamyka obwód lampy głośnikowej wzmacniacza na jej tzw. optymalny opór dopasowania, wynoszący dla pentody AL4 7000 omów.
Kondensator C6 obniża brzmienie głośnika, nadając mu bardziej pasowy ton, który nie męczy ucha i pozwala z przyjemnością słuchać nawet przez dłuższy czas audycji muzycznej.
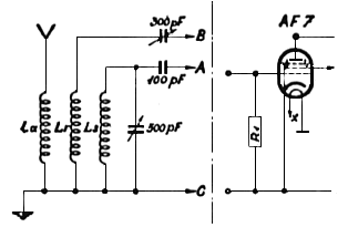
Dla radioamatorów, pragnących wykorzystać wzmacniacz do odbioru audycji na głośnik, podajemy schemat części odbiorczej, jak trzeba w tym celu wykonać i przyłączyć do wzmacniacza zamiast odbiornika kryształkowego w punktach pokazanych na schemacie.

Rysunek 4.
W części odbiorczej widoczne są cewki na jeden zakres odbioru, aby nie komplikować schematu. Nie ma żadnych przeszkód zastosowania trzech podobnych kompletów cewek na trzy zakresy – krótko, średnio i długofalowy, włączane przy pomocy odpowiedniego przełącznika. Dane cewek dla trzech zakresów są następujące:
- Dla zakresu krótkofalowego – zespół wykonamy na cylindrze „powietrznym” z preszpanu – średnicy 20mm lub na korpusie z rdzeniem, dając w jednym i drugim przypadku te same ilości zwojów.
Cewkę antenową La nawiniemy w ilości 3 zwoje drutem o średnicy 0,2mm w emalii lub jedwabiu.
Cewkę siatkową Ls nawiniemy w ilości 8÷10 zwojów drutem o średnicy 0,5¸0,8mm w emalii.
Cewkę reakcyjną Lf nawiniemy w ilości 5÷7 zwojów drutem 0,2mm w jedwabiu. Ta cewka może być nawinięta pomiędzy zwojami cewki siatkowej i wówczas wystarczy mniejsza ilość zwojów. - Dla zakresu średniofalowego – cewkę antenową La można na wszystkich rodzajach korpusów nawinąć w ilości 20 zwojów drutem o średnicy 0,2mm w izolacji z jedwabiem. Cewkę siatkową Ls na cylindrze o średnicy 20÷35mm bez rdzenia nawiniemy w ilości 80÷65 zwojów tym samym co poprzednio drutem; na rdzeniu ferrokartowym cewka ta winna mieć od 80 do 90 zwojów, przy czym mniejsza ilość zwojów znajdować się będzie na rdzeniu zamkniętym np. typ „Gorler”, większa na rdzeniu otwartym np. typ „E”.
Do wykonania uzwojenia stosuje się licę wielkiej częstotliwości złożoną z 20 drucików o średnicy 0,05mm każdy (lica 20x0,05 w izolacji jedwabnej).
Cewkę reakcyjną Lf, w zespole wykonanym na cylindrze bez rdzenia nawiniemy w ilości 30÷40 zwojów drutem o średnicy 0,1÷0,2mm – jedwab; na rdzeniu ferrokartowym cewka ta będzie posiadać 10÷20 zwojów, wykonanych z drutu 0,1÷0,2mm w jedwabiu lub z licy 3x0,07mm – jedwab. - Dla zakresu długofalowego – cewkę antenową La na wszystkich rodzajach korpusów nawiniemy w ilości 40÷50 zwojów drutem 0,15mm w jedwabiu.
Cewkę siatkową Ls na korpusie o średnicy 20÷35mm bez rdzenia nawiniemy w ilości 200÷150 zwojów; na rdzeniu ferrokartowym w ilości 30÷50 zwojów tym samym drutem, z jakiego wykonana będzie cewka Ls.
Na schemacie części odbiorczej pokazane są przewody A, B i C, które należy połączyć z odpowiednimi punktami wzmacniacza.
We wzmacniaczu należy w tym celu przerwać połączenie w punktach A i C, aby odłączyć części znajdujące się na schemacie zasadniczym w lewo od tych punktów. Poza tym opór katodowy R2 i kondensator katodowy C2 lampy AF7, która ma pracować jako detektor siatkowy należy zewrzeć, a więc katoda połączona będzie bezpośrednio z masą aparatu, co jest pokazane w części wejściowej wzmacniacza obok części odbiorczej.
Pozostała część nie ulegnie żadnej zmianie i należy ją wykonać wg schematu zasadniczego.
Spis części:
- Kondensatory:
- C=C1=50.000pF/500V – rurkowe
- C2=10µF,25V – elektrolityczny
- C3=0,1µF/500V – rurkowy
- C4=10000pF/1500V – rurkowy
- C5=20µF/15V – elektrolityczny
- C6=5000pF/500V – rurkowy
- C7=C8=8µF/550V – elektrolityczne pojedyncze lub jeden podwójny
- Opory:
- R=3000 omów/3W – drutowy
- R1=1M/05W
- R2=500omów/1W
- R3=0,5M/1W
- R4=0,5M/0,5W
- R5=160omów/1,5W – 200omów 1,5W
- R6=0,2M/1W.
Opory od R1 do R6 są masowe. - Potencjometr
- P=0,5M – węglowy logarytmiczny
- Transformator sieciowy o uzwojeniach:
pierwotne z odczepami a: 0-110-150-200-220 woltów;
wtórne z uzwojeniem lamp wzmacniających – 4V/2A;
uzwojeniem lampy prostowniczej – 4V/1A;
uzwojeniem anodowym – 350V/60mA; - 1 transformator głośnikowy o przekładni 40:1 (dla lampy LA4 i 3-watowego głośnika dynamicznego);
- 3 podstawki ośmiokontaktowe do lamp;
- 1 chassis metalowe o wymiarach 200mm x 140mm x 50mm;
- 2 m sznura pendlowego;
- 1 wtyczka sieciowa;
- 1 kontrwtyczka;
- 2 bolce do kontrwtyczki;
- gniazda do wtyczek bananowych.
- Drobne materiały do montażu, jak wkrętki do metalu z nakrętkami, drut montażowy, podkładki izolacyjne itp.