
J.F., "Dwukanałowy wzmacniacz gramofonowy"
Radioamator 1961/02
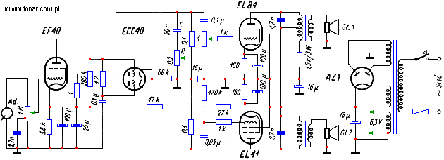
Podajemy ciekawy schemat wzmacniacza gramofonowego pracującego na nieco innych od powszechnie przyjętych zasadach. Jest to wzmacniacz dwukanałowy o jednym wejściu i dwóch osobnych wyjściach, z których jedno przeznaczone jest dla odtwarzania niskich, a drugie dla odtwarzania wysokich tonów.
Taki układ wzmacniacza umożliwia odrębną regulację w szerokich granicach niskich i wysokich tonów. Oba kanały pracują w stopniu wyjściowym w zwykłym układzie klasy A, co znacznie upraszcza budowę wzmacniacza. Pierwszy stopień wzmocnienia pracuje na pentodzie EF40 w układzie konwencjonalnym. W obwodzie siatki sterującej tej lampy znajduje się regulator "siły głosu".
Drugi stopień pracuje na podwójnej triodzie typu ECC40 w układzie katodowego odwracacza fazy. W obwodzie jednej z anod tej lampy znajduje się filtr RC umożliwiający regulowane obniżanie wysokości tonów. Stopień wyjściowy tego kanału dla tonów "niskich" pracujący z pentodą EL84 ma w obwodzie siatki sterującej potencjometr do regulacji "siły głosu". Druga anoda lampy ECC40 steruje stopień wzmacniacza tonów "wysokich", pracujący z lampą EL41. Kanał wysokotonowy nie ma odrębnej regulacji.

Wobec tego, że obydwa kanały pracują w zwykłym układzie klasy A, odpadają trudności związane z dość kłopotliwym uzwajaniem transformatora głośnikowego, na jakie natrafiają radioamatorzy przy układach przeciwsobnych. Otrzymane efekty akustyczne (jak zapewnia jugosłowiański krótkofalowiec YU2GR) nie ustępują odbiorowi uzyskanemu ze wzmacniaczy bardziej skomplikowanych klasy B. Pamiętać jednak należy o właściwym doborze głośników (głośnik Gł1 - dla niskich tonów, zaś Gł2 - dla wysokich tonów).
Zamiast dławika m.cz. w filtrze zasilacza wykorzystano do tego celu część pierwotnego uzwojenia transformatora wyjściowego.
Z braku takiego transformatora można zastosować zwykły dławik m.cz.
Wg jugosłowiańskiego miesięcznika "Radioamater" 10/59.
Opracował J.F.