
Radiotechniczna podróż w czasie (1929 rok)
Zapraszam do po obejrzenia "obrazków" związanych z radiotechniką w roku 1929. Pochodzą one z różnych źródeł. Galeria posiada swoją siostrzaną wersję w języku angielskim i rosyjskim. Wersje w innych językach będą sukcesywnie dodawane. Bardziej szczegółowe opisy można znaleźć w innych wersjach językowych (artykuły są powiązane i można je wyświetlać przez klikanie na ikony z flagami z lewej, górnej strony Serwisu TRIODA). Oczywiście pomalutku będę uzupełniał tłumaczenia podpisów. Wszystkie podpisy są wyświetlane z zastosowaniem czasu teraźniejszego a nie przeszłego - to nie pomyłka tylko celowe działanie - nawiązanie do oryginalnych opisów z tamtych lat. Aby nie opóźniać możliwości obejrzenia galerii niniejsza strona jest udostępniona jako "strona w budowie" - za co bardzo przepraszam wszystkich Gości. Na początku i końcu każdego zestawu fotografii umieszczono odnośniki pozwalające na zmianę okresu - roku kalendarzowego.
[Poprzedni okres] [Następny okres]

Reklama głośnika a w zasadzie kolumny głośnikowej Jensen Model 7.
"Ta pięknie zaprojektowana obudowa harmonijnie pasuje do salonów muzycznych i artystycznych. Głośniki dynamiczne Jensen zostały przystosowane do pracy w urządzeniach zasilanych prądem zmiennym o napięciu 110 woltów, akumulatorem o napięciu 6 woltów, prądem stałym o wartości od 90 do 180 woltów dostarczanym przez wiele modeli zestawów radiowych itp. Czułość urządzenia jest taka sama w każdym przypadku..."
(Radio Styczeń, 1929)

Różne typy komórek światłoczułych. Z lewej komórka potasowo-wodorowa, w środku selenowa i z prawej strony element światłoczuły bazujący na tlenku miedzi.
Artykuł: Przesyłanie i odbiór obrazu za pomocą fal radiowych. Sprzęt fotoelektryczny i metody komunikacji wizualnej.
"Przekazywanie informacji na duże odległości w krótkich odstępach czasu odbywa się wyłącznie za pomocą sygnałów elektrycznych. Kiedy komunikujemy się bezpośrednio z inną osobą, zwykle robimy to poprzez bezpośrednie odwoływanie się do zmysłu wzroku lub słuchu; to znaczy, albo pokazujemy, albo opowiadamy. Ale kiedy znajdujemy się poza fizycznym zasięgiem tych zmysłów, musimy użyć elektrycznych kanałów komunikacyjnych..."
(Radio Styczeń, 1929)

Kompletny nadajnik sterowany kwarcem.
Artykuł: Budowa nadajnika sterowanego kwarcem.
"Zastosowanie generatora kwarcowego w nadajniku ma wiele zalet w stosunku do układów bazujących na generatorach ze stabilizacją częstotliwości..."
(Radio Styczeń, 1929)

Moduł wzmacniacza 201-1.
Artykuł: Budowa nadajnika sterowanego kwarcem.
(Radio Styczeń, 1929)

Widok od tyłu wzmacniacza mocy i panelu antenowego.
Artykuł: Budowa nadajnika sterowanego kwarcem.
(Radio Styczeń, 1929)

Modulator i wzmacniacz częstotliwości radiowej.
Artykuł: Budowa nadajnika sterowanego kwarcem.
(Radio Styczeń, 1929)

Oscylator kwarcowy.
Artykuł: Budowa nadajnika sterowanego kwarcem.
(Radio Styczeń, 1929)

Moduły zasilania nadajnika.
Artykuł: Budowa nadajnika sterowanego kwarcem.
(Radio Styczeń, 1929)

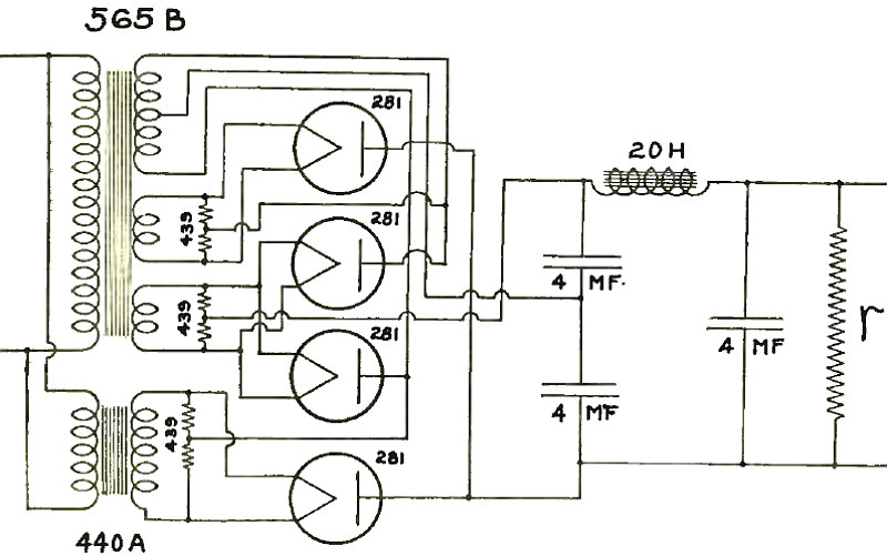
Schemat pełnookresowego podwajacza napięcia z układem filtrującym.
Artykuł: Nowinki techniczne.
"Przedstawiony układ jest rekomendowany przez General Radio Co. do zasilania amatorskich nadajników i wzmacniaczy mocy wymagających napięć zasilających od 1000V do 1500V przy prądach do 170mA. Zasilacz wykorzystuje cztery lampy prostownicze typ 281. Każda z lamp prostowniczych samodzielnie przystosowana jest do prądów 85mA i napięć 700V..."
(Radio Styczeń, 1929)

Oscylator Hartleya i miernik długości fali
"Zgodnie z obowiązującymi przepisami każdy amatorski nadajnik musi być dostrojony dokładnie do przysługującego mu pasma. Oznacza to, że każdy amator musi kupić lub zbudować i skalibrować własne urządzenie do tego celu. Idealnym rozwiązaniem byłoby zbudowanie niezależnych mierników długości fali dla każdego pasma amatorskiego. Niestety koszt posiadania czterech lub pięciu mierników jest poza zasięgiem przeciętnego amatora. Rozwiązaniem może być opisane urządzenie..."
(Radio Styczeń, 1929)

Schemat trzy-lampowego odbiornika radiowego stacji lokalnych
"...Opisany odbiornik zaprojektowany pierwotnie do odbioru stacji lokalnych jest tańczy od modelu wykorzystującego 6 lamp elektronowych. Zbudowany jest z układu detektora i dwustopniowego wzmacniacza ze sprzężeniem transformatorowym na lampach 112-A. Uzupełnieniem jest pełnookresowy prostownik zasilany z sieci energetycznej. Zasilacz jest praktycznie identyczny jak zasilacz 6-lampowej wersji odbiornika. Zastosowano takie same chassis jak w wersji 6-lampowej..."
(Radio Styczeń, 1929)

Widok wnętrza odbiornika 6-lampowego.
Artykuł: Za kulisami fabrycznej budowy odbiorników radiowych.
(Radio Styczeń, 1929)

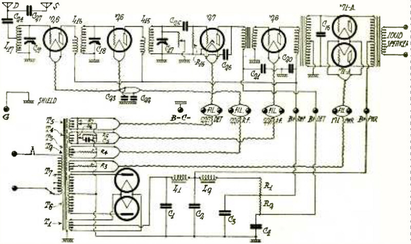
Schemat elektryczny odbiornika 6-lampowego
Artykuł: Za kulisami fabrycznej budowy odbiorników radiowych.
(Radio Styczeń, 1929)

Reklama: Uniwersalny zestaw do składania REMLER 29.
(Radio Styczeń, 1929)

Jeden w nadajników firmy Wilkins w paśmie 33.5 metra.
(Radio Styczeń, 1929)

Reklama: Wzmacniacz PAM16 / PAM 17.
"Ciesz się ulubioną orkiestrą jakby grała na żywo, odtwarzaj ulubionych artystów w taki sposób aby Twoje uszy były w pełni usatysfakcjonowane. A wszystko to dzięki wzmacniaczom firmy Samson..."
(Radio Luty, 1929)

Nadajnik o mocy 500W w paśmie 32.4m zamontowany na stacji KRG.
"Rolnik z środkowej Kalifornii dostał niedawno propozycję 60 centów za torbę cebuli przez agenta, który wydawał się bardzo chętny do zakupu. Podejrzewając, że nabywca jest w posiadaniu jakichś informacji na temat aktualnej sytuacji marketingowej, rolnik skontaktował się z Federalną Stacją Usług Marketingowych KRB w Salinas w Kalifornii, prosząc o raport na temat plonów i aktualnych cen. KRB skierował to pytanie do stacji w San Francisco, KRG, gdzie przeszkoleni analitycy rynkowi zbadali sytuację cebuli i od razu zauważyli, że uprawy cebuli zostały poważnie uszkodzone i że popyt na cebulę ma tendencję wzrostową. KRG odesłał raport do Salinas, a rolnik, na tej podstawie odmówił sprzedaży cebuli w cenie 60 centów za torbę, a później sprzedał ją za 1,65$..."
(Radio Luty, 1929)

Panel mocy i odbiornik na stacji KRG.
(Radio Luty, 1929)

100-watowa stacja polowa KRM.
Artykuł: Marketing radiowy dla rolników.
(Radio Luty, 1929)

3/4 metrowy paraboliczny reflektor na stacji 6BX.
(Radio Luty, 1929)

Chassis Radioli 60.
(Radio Luty, 1929)

Schemat ideowy Radioli 60.
(Radio Luty, 1929)

Widok od tyłu wnętrza Radioli 62.
(Radio Luty, 1929)

Widok od góry odbiornika HAMMARUND-ROBERTS MASTER "Hi-Q 29"
(Radio Luty, 1929)

Wzmacniacz audio firmy Bosworth.
(Radio Luty, 1929)

Reklama: Głośniki prowadzące do lepszego "tonu".
(Radio Luty, 1929)

Reklama: Wzmacniacz "PAM 19"
(Radio Marzec, 1929)

Centrum odbiorcze w La Perouse w pobliżu Sydney (Australia).
Artykuł: Australijskie radio krótkofalowe.
(Radio Marzec, 1929)

Nadajnik krótkofalowy o mocy 20KW.
Artykuł: Australijskie radio krótkofalowe.
(Radio Marzec, 1929)

(1) - Głośnik jednokierunkowy bez napięcia polaryzującego. (2) - Głośnik jednokierunkowy z napięciem polaryzującym.
Artykuł: Głośnik elektrostatyczny - Podstawy działania pojemnościowych głośników jedno i dwukierunkowych.
(Radio Marzec, 1929)

Metoda zasilania głośnika elektrostatycznego jednokierunkowego.
Artykuł: Głośnik elektrostatyczny - Podstawy działania pojemnościowych głośników jedno i dwukierunkowych.
(Radio Marzec, 1929)

Głośnik dwukierunkowy.
Artykuł: Głośnik elektrostatyczny - Podstawy działania pojemnościowych głośników jedno i dwukierunkowych.
(Radio Marzec, 1929)

Schemat połączenia głośnika elektrostatycznego dwukierunkowego.
Artykuł: Głośnik elektrostatyczny - Podstawy działania pojemnościowych głośników jedno i dwukierunkowych.
(Radio Marzec, 1929)

Woltomierz lampowy.
Artykuł: Projekt lampowego woltomierza.
(Radio Marzec, 1929)

Schemat ideowy woltomierza lampowego.
Artykuł: Projekt lampowego woltomierza.
(Radio Marzec, 1929)

Schemat ideowy w wersji "amerykańskiej".
Artykuł: "Translacja" zagranicznych schematów ideowych.
(Radio Marzec, 1929)

Schemat ideowy w wersji "angielskiej".
Artykuł: "Translacja" zagranicznych schematów ideowych.
(Radio Marzec, 1929)

Schemat ideowy w wersji "niemieckiej".
Artykuł: "Translacja" zagranicznych schematów ideowych.
(Radio Marzec, 1929)

Schemat ideowy w wersji "francuskiej".
Artykuł: "Translacja" zagranicznych schematów ideowych.
(Radio Marzec, 1929)

Schemat obwodu odbiornika Ortho -Sonic typu Federal H.
(Radio Marzec, 1929)

Reklama firmy CROSLEY RADIO CORPORATION, CINCINNATI, OHIO.
(Radio Marzec, 1929)

Montaż instalacji stacji WRNY na dachu hotelu Roosevelt w Nowym Jorku.
(Radio Marzec, 1929)

Pulpit sterowniczy pilota.
(Radio Kwiecień, 1929)

Pulpit z instrumentami pomiarowymi obserwatora w samolocie.
(Radio Kwiecień, 1929)

"Latające" laboratorium radiowe i jego konstruktorzy.
(Radio Kwiecień, 1929)

Ekranowany układ zapłonowy silnika samolotu z zamontowanym laboratorium radiowym.
(Radio Kwiecień, 1929)

Trzy nadajniki sterowane oscylatorami kwarcowymi.
(Radio Kwiecień, 1929)

Odbiornik układu zdalnego sterowania: odbiornik, miliamperomierz, przekaźnik sterujący i eliminator.
(Radio Kwiecień, 1929)

Widok od tyłu odbiornika systemu zdalnego sterowania.
(Radio Kwiecień, 1929)

Typowy nadajnik sterujący podstacji.
(Radio Kwiecień, 1929)

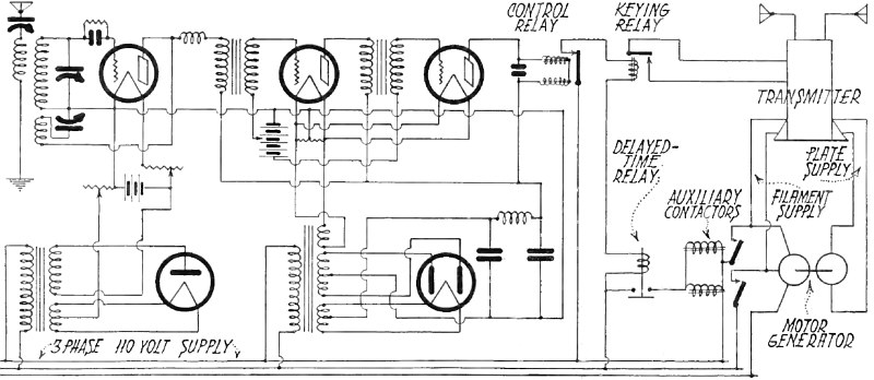
Schemat ideowy sprzętu odbiorczego w inicjującego (startującego)
(Radio Kwiecień, 1929)

"Serce" systemu sterowania - przekaźnik czasowy.
(Radio Kwiecień, 1929)

Schemat ideowy testera cewek.
Artykuł: Pomiary rezystancji cewek.
(Radio Kwiecieńl, 1929)

Urządzenie do zapisu filmowego (Bell Laboratory).
(Radio Maj, 1929)

Komórka fotoelektryczna zastosowana w urządzeniu do zapisu filmowego (Bell Laboratory)
(Radio Maj, 1929)

Widok paneli czołowego odbiornika Marshall.
(Radio Maj, 1929)

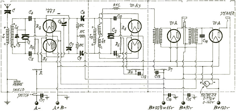
Schemat ideowy odbiornika krótkofalowego Marshall.
(Radio Maj, 1929)

Odbiornik krótkofalowy Marshall - widok wnętrza od tyłu pokazujący szczegóły konstrukcyjne.
(Radio Maj, 1929)

Niedrogi nadajnik o mocy 50W.
(Radio Maj, 1929)

Schemat ideowy nadajnika o mocy 50W.
(Radio Maj, 1929)

Detale konstrukcyjne systemu nagłośnieniowego.
Artykuł: Wzmacniacz audio do pracy w przestrzeni otwartej.
(Radio Maj, 1929)

System nagłośnieniowy - kolumna głośnikowa.
Artykuł: Wzmacniacz audio do pracy w przestrzeni otwartej.
(Radio Maj, 1929)

Schemat ideowy wzmacniacza audio.
Artykuł: Wzmacniacz audio do pracy w przestrzeni otwartej.
(Radio Maj, 1929)

Widok kompletnego wzmacniacza.
Artykuł: Wzmacniacz audio do pracy w przestrzeni otwartej.
(Radio Maj, 1929)

Reklama: Wzmacniacz audio model GA-20.
(Radio Maj, 1929)

Reklama: Tester lamp elektronowych.
(Radio Maj, 1929)

Sprzęt "długofalowy" - z lewej. Odbiornik krótkofalowy z prawej.
(Radio Czerwiec, 1929)

Odbiornik i nadajnik krótkofalowy - operator T. Jay Byrne.
Artykuł: Sprzęt radiowy na S. S. Virginia.
(Radio Czerwiec, 1929)

Reklama: Lampy radiowe firmy Cunningham.
(Radio Lipiec, 1929)

Reklama: Nowy model radia firmy Scott.
(Radio Lipiec, 1929)

Reklama: Tester lamp radiowych.
(Radio Lipiec, 1929)

Reklama firmy Ferranti dotycząca wzmacniaczy mocy do radioodbiorników.
(Radio Lipiec, 1929)

Reklama: Nowy silnik indukcyjny firmy Pacent do fonografów.
(Radio Lipiec, 1929)

Reklama: Nowy silnik indukcyjny firmy Pacent do fonografów.
(Radio Lipiec, 1929)

Reklama: Chassis firmy Pacent.
(Radio Lipiec, 1929)

Chassis odbiornika firmy Atwater Kent (zastosowano tu lampy z siatką ekranującą)
(Radio Lipiec, 1929)

Samolot z zamontowanym pionowym masztem antenowym.
(Radio Lipiec, 1929)

Głośnik dynamiczny model D-7 A.C. firmy Jensen.
Artykuł: Nowości dotyczące głośników.
(Radio Lipiec, 1929)

Głośnik model 401, 403 i 405 firmy Magnavox.
Artykuł: Nowości dotyczące głośników.
(Radio Lipiec, 1929)

Głośnik model "R-A.C." firmy Rola.
Artykuł: Nowości dotyczące głośników.
(Radio Lipiec, 1929)

Głośnik dynamiczny koncertowy model D-7 D.C. firmy Jensen.
Artykuł: Nowości dotyczące głośników.
(Radio Lipiec, 1929)

Głośnik model "C-110 A.C." firmy Rola.
Artykuł: Nowości dotyczące głośników.
(Radio Lipiec, 1929)

Głośnik 12.5 calowy firmy Utah.
Artykuł: Nowości dotyczące głośników.
(Radio Lipiec, 1929)

Wzmacniacz audio i zasilacz R-245 firmy Thordarson.
(Radio Lipiec, 1929)

Schemat zasilacza do wzmacniacza R-245 firmy Thordarson.
(Radio Lipiec, 1929)

Schemat przeciwsobnego wzmacniacza mocy.
(Radio Lipiec, 1929)

Reklama: Nowy głośnik firmy WRIGHT - DE COSTER
(Radio Lipiec, 1929)

Reklama: Jedna z pierwszych znanych metod wypompowywania lamp elektronowych.
(Radio Lipiec, 1929)

Nadajnik W2ALU.
(Radio Sierpień, 1929)

Pierwsze eksperymenty z przesyłaniem obrazów.
(Radio Sierpień, 1929)

Fotokomórki skanera telewizyjnego.
(Radio Sierpień, 1929)

Reklama: Lampy radiowe firmy Cunningham.
(Radio Wrzesień, 1929)

Przykład dobrze wyposażonego serwisu radiowego.
(Radio Wrzesień, 1929)

Schemat elektryczny panelu serwisowego.
(Radio Wrzesień, 1929)

Widok zmontowanego odbiornika radiowego.
Artykuł: Eksperymentalny zestaw do odbioru programu lokalnego.
(Radio Wrzesień, 1929)

Schemat ideowy 3-lampowego odbiornika radiowego.
Artykuł: Eksperymentalny zestaw do odbioru programu lokalnego.
(Radio Wrzesień, 1929)

Schemat montażowy odbiornika radiowego.
Artykuł: Eksperymentalny zestaw do odbioru programu lokalnego.(Radio Wrzesień, 1929)

Widok płyty montażowej odbiornika radiowego od spodu.
Artykuł: Eksperymentalny zestaw do odbioru programu lokalnego.
(Radio Wrzesień, 1929)

Schemat ideowy "niebrumiącego" wzmacniacza przeciwsobnego z minimalistycznym filtrem.
Artykuł: Dlaczego warto stosować układy przeciwsobne we wzmacniaczach audio.
(Radio Wrzesień, 1929)

Transformatory międzystopniowe w układach małej częstotliwości.
Artykuł: Dlaczego warto stosować układy przeciwsobne we wzmacniaczach audio.
(Radio Wrzesień, 1929)

Reklama: Odbiornik firmy LINCOLN z lampami z siatkami ekranującymi.
(Radio Wrzesień, 1929)

Wzmacniacz m.cz i zasilacz do zestawu do składania Remler nr 111.
(Radio Wrzesień, 1929)

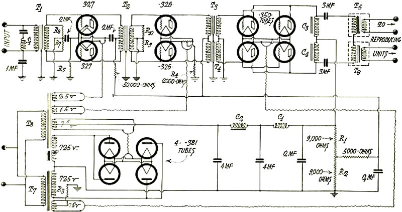
Schemat ideowy wzmacniacza m.cz i zasilacza zestawu do składania Remler nr 111.
(Radio Wrzesień, 1929)

Jak zwiększyć ilość funkcji miernika za pomocą rezystora.
(Radio Wrzesień, 1929)

Słuchamy całego świata.
(Radio Wrzesień, 1929)

Laboratorium i serwis producenta - widok z zewnątrz.
(Radio Wrzesień, 1929)

Laboratorium i serwis producenta - widok wnętrza.
(Radio Wrzesień, 1929)

Radio i fonograf.
(Radio Wrzesień, 1929)

Reklama lamp radiowych (Pan Lee De Forest!!!).
(Radio Wrzesień, 1929)

Reklama lamp radiowych firmy Hytron.
(Radio Październik, 1929)

Stół laboratoryjny i testowy jako wyposażenie sklepu!!!
(Radio Październik, 1929)

Sprzęt radiowy zaczyna być montowany w automobilach.
Artykuł: Mobilna stacja publiczna.
"Jak przedsiębiorczy radio-pracodawca czerpie korzyści społeczne z nowatorskiej aplikacji urządzeń radiowych..."
(Radio Październik, 1929)

Schemat ideowy miksera i wzmacniacza.
Artykuł: Mobilna stacja publiczna.
(Radio Październik, 1929)

Pierwsze eksperymenty z telewizją kolorową!!!
Artykuł: Telewizja w naturalnych kolorach.
(Radio Październik, 1929)

Budynki firmy TOBE - producenta filtrów eliminujących zakłócenia związane z pracą silnika.
(Radio Październik, 1929)

Reklama: Czy Twój zestaw przejdzie test robiony przez Twoich gości?
(Radio Październik, 1929)

Pomieszczenie do testowania w East Bay Service Co.
"Serwisowanie jest nadal 'koniecznym złem' na rynku sprzedaży radioodbiorników. Nawet najbardziej perfekcyjne urządzenia mogą sprawiać kłopoty. To dlatego sprzedawcy dają klientom czasową gwarancję serwisowania sprzętu po jego zakupie i zainstalowaniu ..."
(Radio Listopad, 1929)

Schematy ideowe mostków pomiarowych. Z lewej prosty mostek rezystancyjny, z prawej indukcyjny.
Artykuł: Zagrajmy z mostkiem.
"Każdy zajmujący się filtrami, korektorami i ogólnie rzecz ujmując testowaniem potrzebuje mostka do pomiaru indukcyjności i pojemności z dokładnością 5-10%. Po poznaniu zasady działania każdy serwisowiec może łatwo zbudować taki mostek niewielkim kosztem..."
(Radio Listopad, 1929)

Widok mostka pomiarowego z zewnątrz i wewnątrz.
Artykuł: Zagrajmy z mostkiem.
(Radio Listopad, 1929)

Schemat ideowy prostego testera lamp elektronowych.
(Radio Listopad, 1929)

Tester lamp elektronowych.
(Radio Listopad, 1929)

Schemat ideowy miernika lamp elektronowych (pomiar konduktancji wzajemnej)
(Radio Listopad, 1929)

Radioodbiornik samochodowy Delco-Remy - układ strojenia, głośnik i akumulator.
(Radio Listopad, 1929)

Reklama.
(Radio Listopad, 1929)

Reklama.
(Radio Listopad, 1929)

Reklama.
(Radio Grudzień, 1929)

Reklama.
(Radio Grudzień, 1929)

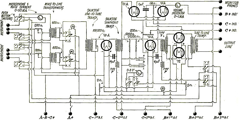
Instalacja - wzmacniacze mocy w hotelu El Cortez.
Artykuł: Zalety instalacji zbiorczych.
"Ekonomiczne korzyści wynikające ze stosowania standardowych wzmacniaczy w instalacjach lokalnych..."
(Radio Grudzień, 1929)

"Taśma produkcyjna" - montaż elementów na chassis.
"Taśma montażowa wyposażona w specjalne uchwyty do korpusów (chassis) urządzeń zabezpieczających je przed uszkodzeniem w trakcie montażu. Parametry uchwytów mogą być dostosowywane do równych rozmiarów chassis..."
(Radio Grudzień, 1929)

Sprzęt nadawczy zastosowany w systemie do elektrycznego skanowania.
Artykuł: Transmisja obrazów telewizyjnych.
(Radio Grudzień, 1929)

Wzmacniacz ze stopniami połączonymi za pomocą rezystorów.
"Wzmacniacz zaprojektowany przez inżynierów z firmy International Resistance Co. Jest to czterostopniowy wzmacniacz o sprzężeniu rezystancyjnym o wzmocnieniu 55dB. Umożliwia uzyskanie niezniekształconej mocy 4 watów w paśmie 30Hz do 10kHz. W połączeniu z 800V zasilaczem może być zastosowany jako wzmacniacz do wkładki fonografu, jako wzmacniacz mocy radioodbiornika lub do pomiarów laboratoryjnych jakości głośników..."
Artykuł: Nowy wzmacniacz ze sprzężeniem rezystancyjnym.
(Radio Grudzień, 1929)

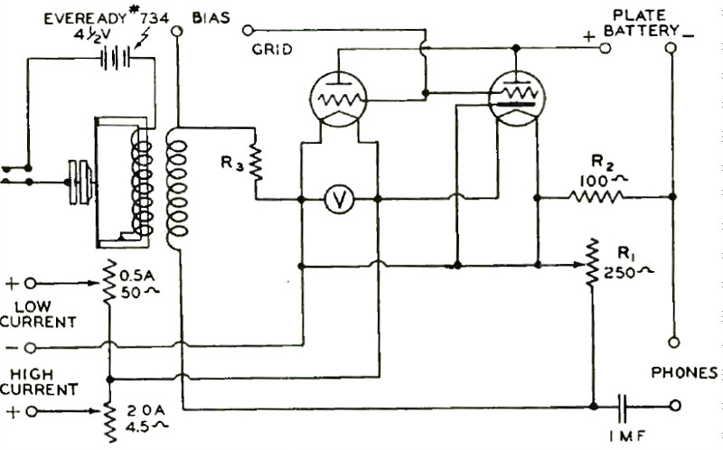
Schemat ideowy zasilacza wzmacniacza.
Artykuł: Nowy wzmacniacz ze sprzężeniem rezystancyjnym.
(Radio Grudzień, 1929)

Schemat montażowy wzmacniacza i zasilacza.
Artykuł: Nowy wzmacniacz ze sprzężeniem rezystancyjnym.
(Radio Grudzień, 1929)

Przekaźnik czasowy ulicznej sygnalizacji świetlnej.
Artykuł: Nowe uniwersalne urządzenie do sygnalizacji świetlnej.
(Radio Grudzień, 1929)