
Radiotechniczna podróż w czasie (1930 rok)
Zapraszam do po obejrzenia "obrazków" związanych z radiotechniką w roku 1930. Pochodzą one z różnych źródeł. Galeria posiada swoją siostrzaną wersję w języku angielskim i rosyjskim. Wersje w innych językach będą sukcesywnie dodawane. Bardziej szczegółowe opisy można znaleźć w innych wersjach językowych (artykuły są powiązane i można je wyświetlać przez klikanie na ikony z flagami z lewej, górnej strony Serwisu TRIODA). Oczywiście pomalutku będę uzupełniał tłumaczenia podpisów. Wszystkie podpisy są wyświetlane z zastosowaniem czasu teraźniejszego a nie przeszłego - to nie pomyłka tylko celowe działanie - nawiązanie do oryginalnych opisów z tamtych lat. Aby nie opóźniać możliwości obejrzenia galerii niniejsza strona jest udostępniona jako "strona w budowie" - za co bardzo przepraszam wszystkich Gości. Na początku i końcu każdego zestawu fotografii umieszczono odnośniki pozwalające na zmianę okresu - roku kalendarzowego.
[Poprzedni okres] [Następny okres]

Reklama.
"NIESAMOWITE!" Tak mówią fachowcy o tym urządzeniu diagnostycznym.
Jego liczne niezwykłe cechy sprawiają, że jest niezbędnym wyposażeniem każdego serwisanta. Żadne inne urządzenie je jest tak elastyczne w obsłudze i kompletne. Dodatkowo w podręcznym futerale mieszczą się schowki na wszystkie niezbędne narzędzie i zapasowe lampy.
(Radio Styczeń, 1930)

Reklama.
Zgodnie z przyjętymi standardami SUPREME tester jest bardzo funkcjonalny i wytrzymały. Panel czołowy wykonano ze wzmocnionego bakelitu. Dzięki możliwości szybkiego uruchamiania może być stosowany zarówno w warunkach stacjonarnym jak i polowych.
(Radio Styczeń, 1930)

Instalacja nagłośnieniowa (głośnikowa) na stadionie w Północnej Dakocie.
Artykuł: Niezwykłe instalacje nagłośnieniowe.
Wszelkiego rodzaju uroczystości o charakterze publicznym, takie jak poświęcanie nowych budynków, instytucji publicznych, pomników itp. stwarzają możliwości do wykazania się specjalistom od sprzętu nagłośnieniowego. Na uroczystości poświęconej oddaniu do użytku Foshay Tower w Minneapolis głośniki zostały umieszczone w równych odstępach wokół obiektu. Gdy rozpoczęły się przemówienia i wyemitowano muzykę cały ruch uliczny zamarł. Oczywiście w takich przypadkach należy uzgodnić szczegóły z policją, gdyż zakłócenie ruchu może się wiązać z kłopotliwymi konsekwencjami.
Tego typu ceremonie z pewnością będą się cieszyły coraz większą popularnością wśród sponsorów. Muszą się oni jedynie przekonać, że instalacje nagłośnieniowe zapewnią im możliwości, których dotychczas nie mieli. Dawniej trzeba było mieć wyjątkowe szczęście aby jedna osoba była w stanie przekazać informację większej grupie. Jeśli ludzie nie mogą usłyszeć i zrozumieć co ktoś do nich mówi, to szybko tracą zainteresowanie. Dzisiaj dzięki wzmacniaczom i głośnikom jest to możliwe..
(Radio Styczeń, 1930)

Instalacja nagłaśniająca w Miami, Floryda.
Artykuł: Wskazówki dla sprzedawców sprzętu nagłaśniającego - niektóre niezwykłe instalacje nagłośnieniowe.
Transmisja z meczu piłkarskiego (to Ameryka - tu nie chodzi o naszą rodzimą piłkę nożną) w miejscach odległych od boiska jest bardzo efektywną metodą przyciągania tłumów. Typowy słuchacz zależy od miejsca nadawania i jego okoliczności. Przykładowo umieszczenie głośnika nad drzwiami typowego sklepu radiowego nie jest niczym wielkim z biznesowego punktu widzenia. Co innego, gdy takie nagłośnienie zainstalujemy w Miami na Florydzie. Jak pokazuje zdjęcie w parku ustawiono specjalne stoisko z tablicą wyników i kilkoma potężnymi głośnikami. Miejsca zostały zaaranżowane tak aby pomieścić kilkuset słuchaczy.
(Radio Styczeń, 1930)

Instalacja nagłośnieniowa w Miami, Floryda.
Artykuł: Wskazówki dla sprzedawców sprzętu nagłaśniającego - niektóre niezwykłe instalacje nagłośnieniowe.
Dystrybutor samochodów z San Francisco zastosował sprytne i nietypowe podejście z zastosowaniem głośników do reklamy samochodowej. Dla nowo wprowadzonego modelu określił dwadzieścia wyróżniających samochód parametrów i funkcji. Przedstawił je w formie tabliczek z numerami umieszczonymi nad podwoziem tak jak to przedstawia fotografia. Z tyłu podwozia nad zbiornikiem benzyny skonstruowano platformę podtrzymującą dwa duże głośniki dynamiczne. Podwozie bez kierowcy podczepiono za samochodem z zainstalowanym gramofonem, mikrofonem i wzmacniaczem. Przewody połączeniowe poprowadzono wzdłuż haka holowniczego. Gdy oba samochody poruszają się po ulicy przez głośniki emitowane są komunikaty przeplatane z muzyką. W wybranych miejscach samochody zatrzymują się tak aby mogły być obejrzane przez pieszych. Podczas oględzin muzyka była nadawania przy mniejszej głośności. Według dystrybutora opisany "wyczyn" zakończył się niekwestionowanym sukcesem.
(Radio Styczeń, 1930)

Instalacja nagłośnieniowa w Miami, Floryda.
Artykuł: Wskazówki dla sprzedawców sprzętu nagłaśniającego - niektóre niezwykłe instalacje nagłośnieniowe.
W Dolinie Yosemite jest obszar zwany Lodowcem, który wznosi się 3480 stóp nad poziomem morza. Wzniesienia dominuje nad całą doliną i jest sceną niesamowitego spektaklu zwanego "Ognistym Upadkiem". Polega ona na rozpaleniu ogromnego ogniska na samym szczycie wzniesienia a następnie zrzucenie płonących fragmentów na dno urwiska. Spadające ogniste szczątki to niezapomniane widowisko, które zapada na długo w pamięci widzów. Widok sam w sobie jest cudowny, ale gdy połączy się go z odpowiednią oprawą muzyczną staje się jeszcze wspanialszy.
Pierwsza próba z nagłośnieniem widowiska była tak udana, że podjęto starania aby stała się nieodłącznym elementem spektaklu. W tym celu na skałach zamontowano dwa głośniki dynamiczne z 4-metrowymi celulozowymi tubami pokazane na fotografii. Zostały one umieszczone w taki sposób aby promieniowały w dół pod kątem zapewniającym uniknięcie echa związanego z falami odbitymi od klifów z przeciwnej strony doliny.
(Radio Styczeń, 1930)

Tablica rozdzielcza z radiem Transitone w samochodzie firmy Dodge.
Artykuł: Zestawy radiowe w automobilach.
Pomysł zainstalowania odbiornika radiowego w samochodzie jest tak star jak samo radio, ale do niedawna był to tylko pomysł. Teraz okazuje się, że pomysł został zrealizowany. Rok temu firma Heina Corp. zleciła wyposażenie samochodu Slutz w radio i od tamtej pory robi to nieprzerwanie pod nazwą Automobile Radio Corporation. Jej produkty są dostępne dla wszystkich producentów samochodów a także dealerów samochodowych.
(Radio Styczeń, 1930)

Tablica rozdzielcza z radiem Delco-Remy w samochodzie Cadillac.
Artykuł: Zestawy radiowe w automobilach.
Wraz z pojawieniem się Delco-Remy powstała możliwość słuchania audycji radiowych, relacji z imprez sportowych i innych wydarzeń podczas jazdy samochodem. To powinni wpłynąć na podaż samochodów wyposażonych w instalację radiową.
(Radio Styczeń, 1930)

System zapłonowy auta Dodge Senior z widocznymi elementami generującymi iskrę zapłonową.
Artykuł: Zestawy radiowe w automobilach.
Podczas instalacji radia konieczne jest wyeliminowanie zakłóceń elektrycznych powodowanych przez wyładowania iskrowe w silniku. W tym celu zaprojektowano i zamontowano na rozdzielaczu dla każdej świecy zapłonowej tłumiki zakłóceń. Działają one w zakresie częstotliwości audio i nie mają wpływu na działanie samego układu zapłonowego. Wszystkie przewody zostały staranie uziemione - tak się robi we wszystkich nowoczesnych samochodach.
(Radio Styczeń, 1930)

Chassis zestawu radiowego Delco-Remon.
Artykuł: Zestawy radiowe w automobilach.
Zestaw zawiera trzy lampy elektronowe. Ich włókna żarzenia połączone są szeregowo i płynie przez nie prąd o natężeniu 1.75A. Zastosowano żarzenie prądem zmiennym. Tajemnicą producenta pozostaje fakt, że nie zastosowano żarzenia prądem stałym.
(Radio Styczeń, 1930)

Schemat ideowy wzmacniacza nie wnoszącego zniekształceń.
Artykuł: Prosty wzmacniacz bez zniekształceń.w automobilach.
Budowa wzmacniacza, który zapewnia prawdziwą reprodukcję głosu i muzyki wymaga układu nie wprowadzającego zniekształceń częstotliwościowych i fazowych. Zniekształcenia fazowe są rzadziej rozpatrywane. Za zniekształcenia odpowiedzialne są indukcyjności i pojemności. W związku z tym idealny wzmacniacz powinien być pozbawiony takich elementów lub powinien być wyposażony w obwody kompensacji zniekształceń. To ostatnie podejście jest trudne do stosowania. Pierwsze podejście daje pozytywne rezultaty przy odpowiednim zaprojektowaniu układu. Wyjątkiem są pojemności własne lamp elektronowych, które mogą być na szczęście pomijane dla częstotliwości audio.
(Radio Styczeń, 1930)

Instalacja oświetleniowa Filterette do oświetlania farmy.
Artykuł: Zakłócenia radiowe generowane przez instalacje oświetlające na farmach.
Wśród osób, dla których odbiór radiowy jest bardzo ważny istotną grupę stanowią farmerzy żyjący często w mało zamieszkałych rejonach. Chyba bardziej samotni są już tylko marynarze. Nie ma nic przyjemniejszego dla farmera od odpoczynku po ciężkiej pracy przy kominku podczas słuchania ulubionych utworów w dalekiego Broadwayu.
(Radio Styczeń, 1930)

Reklama.
Wkładki elektromagnetyczne Presto. Nowe wkładki firmy Presto zapewniają niepowtarzalne doznania ze słuchania muzyki. Wyznaczają też nowe standardy dotyczące parametrów elektrycznych i mechanicznych.
(Radio Luty, 1930)

Reklama.
Nowy 3-stopniowy wzmacniacz przeciwsobny typ PA-250. Układ zawiera regulator wzmocnienia nie wprowadzający żadnych zakłóceń (szumów). Impedancję wyjściową można zmieniać tak aby dopasować wzmacniacz do dowolnego obciążenia. Możliwość podłączenia mikrofonu. Wzmacniacz charakteryzuje się niezwykłą jakością przetworzonego dźwięku. Oferuje moc 15W. Dzięki niej umożliwia nagłośnienie dużej sali (nawet do 1000 osób) lub obsługę imprez na wolnym powietrzu (do 5000 osób). Pasmo przenoszenia (2dB) od 40Hz do 8000Hz.
(Radio Luty, 1930)

Typowa obudowa w stylu gotyckim.
Artykuł: Meble (obudowy - skrzynki) z epoki.
(Radio Luty, 1930)

Obudowa z okresu hiszpańskiego renesansu.
Artykuł: Meble (obudowy - skrzynki) z epoki.
(Radio Luty, 1930)

Obudowa z okresu Ludwika XV.
Artykuł: Meble (obudowy - skrzynki) z epoki.
(Radio Luty, 1930)

Obudowa z okresu włoskiego renesansu.
Artykuł: Meble (obudowy - skrzynki) z epoki.
(Radio Luty, 1930)

Model w stylu Ludwik XVI.
Artykuł: Meble (obudowy - skrzynki) z epoki.
(Radio Luty, 1930)

Obudowa z epoki William i Mary (cokolwiek to ma oznaczać)
Artykuł: Meble (obudowy - skrzynki) z epoki.
(Radio Luty, 1930)

Charakterystyczne kształty nóżek z różnych epok.
Artykuł: Meble (obudowy - skrzynki) z epoki.
(Radio Luty, 1930)

"Mówiący" Święty Mikołaj.
Artykuł: Nowatorskie zastosowania sprzętu wzmacniającego.
(Radio Luty, 1930)

"Mówiący" i "piszący" Święty Mikołaj. (mam wątpliwości co do wspomnianego pisania)
Artykuł: Nowatorskie zastosowania sprzętu wzmacniającego.
(Radio Luty, 1930)

Schemat ideowy mostka do pomiaru konduktancji wzajemnej.
Artykuł: Określanie co jest nie tak z wadliwą lampą elektronową.
Gdy okazuje się, że przyczyną kłopotów z zestawem radiowym jest lampa elektronowa, często pojawia się pytanie co się z nią w zasadzie dzieje. Pomiary mogą wykazać, że np. ma prawidłową emisję i dobrze sprawuje się w układzie oscylatora, ale ma zbyt małe jak dla danego typu lampy wzmocnienie. Badanie emisji pozwala bowiem stwierdzić jedynie, że katoda jest sprawna, zaś badanie zdolności do oscylacji, że w bańce panuje właściwa próżnia i nic więcej. Wspomniane testy nic nie mówią o możliwościach wzmacniających lampy elektronowej.
W przypadku typowego sklepu z lampami elektronowymi nie opłaca się wyposażanie go w specjalistyczne mierniki impedancji anodowe i współczynnika wzmocnienia lamp. Jest jednak jeszcze jeden ważny parametr zwany konduktancją wzajemną. Pozwala on na ocenę lampy i może być zmierzony za pomocą prostego testera...
(Radio Luty, 1930)

Płyta czołowa i wnętrze mostka do pomiaru konduktancji wzajemnej.
Artykuł: Określanie co jest nie tak z wadliwą lampą elektronową.
(Radio Luty, 1930)

Oto coś, co można nazwać "szalonym zestawem".
Artykuł: Powielać może każdy, nie każdy tworzy coś oryginalnego.
(Radio Luty, 1930)

Artykuł: Powielać może każdy, nie każdy tworzy coś oryginalnego.
(Radio Luty, 1930)

Wzmacniacz lampowy Model PA-245 o mocy wyjściowej 5W.
Idealny mały wzmacniacz. Układ przeciwsobny na lampach typ 27 w stopniu wejściowym i typ 45 w stopniu mocy. Dobrze się nadaje jako element składowy zestawu z fonografem. Jest w stanie wysterować głośniki dynamiczne. Sygnał wejściowy może być pobierany z wkładki gramofonowej lub radia. Układ ma wyprowadzone napięcia do zasilania odbiornika radiowego.
(Radio Marzec, 1930)

Reklama.
(Radio Marzec, 1930)

Reklama.
Jakość lamp radiowych Cunningham przejawia się rosnącymi wskaźnikami sprzedaży. Zakup tych lamp jest gwarancją satysfakcji klienta.
(Radio Marzec, 1930)

Stół laboratoryjny i serwisowy w Hall Music Company, Abilene, Texas
Artykuł: Etapowe doposażanie sklepu radiowego.
Najlepszym sposobem wyposażania warsztatu z serwisem radiowym nie wiążącym się ze zbyt dużym obciążeniem finansowym są inwestycje etapowe prowadzone w taki sposób aby na bieżąco sprostać wymaganiom klienta. W taki właśnie sposób utworzono warsztat radiowy w sklepie radiowym w Hall Music Company, Inc., of Abilene, Texas.
Efekt widać na fotografii. Modułowy charakter laboratorium został zaplanowany od samego początku inwestycji. Rozpoczęto od zbudowania dużego stołu warsztatowego wyposażonego w szereg półek z wnękami na wyposażenie, które stopniowo uzupełniano...
(Radio Marzec, 1930)

Płyta czołowa testera lamp zasilanego napięciem zmiennym (A-C)
Artykuł: Tester lamp zasilany napięciem A-C
"Tester lamp przystosowany do zasilania napięciem zmiennym powinien stanowić wyposażenie każdego sklepu. Testety zasilane akumulatorami często stają się bezużyteczne ze względu na ich rozładowanie. Opisany w artykule tester umożliwia sprawdzanie wszystkich będących obecnie w użyciu lamp elektronowych włączając w to gazowane lampy prostownicze i lampy z siatką ekranującą. Z wyjątkiem trzech małych suchych baterii, dla których pobór prądu jest bardzo mały cały tester działa wyłącznie w oparciu o napięcie zmienne (A-C) pochodzące z linii energetycznej 110V..."
(Radio Marzec, 1930)

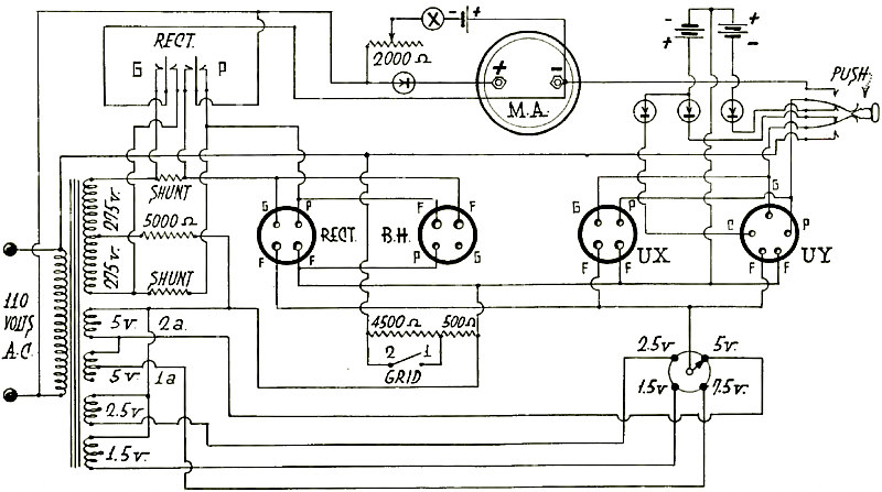
Schemat "okablowania" (schemat ideowy) testera lamp elektronowych
Artykuł: Tester lamp zasilany napięciem A-C
"...Jedną z ważnych zalet testera odróżniającego go od innych testerów jest to, że po skalibrowaniu (wyzerowaniu) parametry badanej lampy mogą być odczytane bezpośrednio ze wskazań miernika bez konieczności pomiarów przy różnym przedpięciu siatki sterującej i określaniu względnych zmian wskazań miernika. Ta cecha jest szczególnie przydatna, gdy miernik obsługuje osoba nie posiadająca głębokiej wiedzy, jak np. sprzedawca lub magazynier w sklepie radiowym.Inną zaletą jest to, że lampy prostownicze są testowane w warunkach nominalnego obciążenia. Dodatkowo podczas pomiarów prostowników podwójnych możliwe jest porównanie rozrzutu parametrów obu diod, które to rozrzuty mogą być przyczyną powstawania przydźwięku sieciowego., W testerze jest opcja, że po wstawieniu lampy w podstawkę wszystkie elektrody są podłączone do zasilania poprzez szeregowo podłączone żaróweczki. W ten sposób można od razu zorientować się o zaistniałych zwarciach w badanej lampie. To znacznie skraca czas zlokalizowania wadliwej lampy..."
(Radio Marzec, 1930)

Różne adaptery stosowane podczas testowania lamp elektronowych
Artykuł: Tester lamp zasilany napięciem A-C
(Radio Marzec, 1930)

Pentoda A-C firmy CeCo
Article: CeCo prezentuje pentodę A-C
"Firma CeCo Manufacturing Company rozpoczęła produkcję pięcioelektrodowej lampy A-C. Posiada ona dwa "ekrany" (siatki). Pierwszy naokoło anody tak jak w przypadku lampy czteroelektrodowej i jedną pomiędzy siatką sterującą i katodą zwaną siatką ładunku przestrzennego..."
(Radio Marzec, 1930)
























[Poprzedni okres] [Następny okres]