
Radiotechniczna podróż w czasie (1928 rok)
Zapraszam do po obejrzenia "obrazków" związanych z radiotechniką w 1928 roku. Pochodzą one z różnych źródeł. Galeria posiada swoją siostrzaną wersję w języku angielskim i rosyjskim. Wersje w innych językach będą sukcesywnie dodawane. Bardziej szczegółowe opisy można znaleźć w innych wersjach językowych (artykuły są powiązane i można je wyświetlać przez klikanie na ikony z flagami z lewej, górnej strony Serwisu TRIODA). Oczywiście pomalutku będę uzupełniał tłumaczenia podpisów. Wszystkie podpisy są wyświetlane z zastosowaniem czasu teraźniejszego a nie przeszłego - to nie pomyłka tylko celowe działanie - nawiązanie do oryginalnych opisów z tamtych lat. Aby nie opóźniać możliwości obejrzenia galerii niniejsza strona jest udostępniona jako "strona w budowie" - za co bardzo przepraszam wszystkich Gości. Na początku i końcu każdego zestawu fotografii umieszczono odnośniki pozwalające na zmianę okresu - roku kalendarzowego.
[Poprzedni okres] [Następny okres]

Schemat ideowy superheterodyny.
Artykuł: Superheterodyna 115kHz z lampami a ekranowanymi siatkami.
(Radio Styczeń, 1928)
Schemat okablowania - montażu superheterodyny.
Artykuł: Superheterodyna 115kHz z lampami a ekranowanymi siatkami.
(Radio Styczeń, 1928) 
Widok Superheterodyny od góry.
Artykuł: Superheterodyna 115kHz z lampami a ekranowanymi siatkami.
(Radio Styczeń, 1928)

Widok superheterodyny od tyłu (zdjęta osłona ekranująca).
Artykuł: Superheterodyna 115kHz z lampami a ekranowanymi siatkami.
(Radio Styczeń, 1928)

Schemat ideowy "Hi-Q" wersja 1928 z lampami z ekranowanymi siatkami.
Artykuł: Lampy z ekranowanymi siatkami w "Hi-Q" z 1928 roku.
(Radio Styczeń, 1928)
Urządzenie "Hi-Q" z lampami z ekranowanymi siatkami.
Artykuł: Lampy z ekranowanymi siatkami w "Hi-Q" z 1928 roku.
(Radio Styczeń, 1928)

Sala operacyjna na stacji radiowej w Los Angeles.
Artykuł: Wysyłki drogą radiową.
(Radio Luty, 1928)

Inauguracja systemu naprowadzania radiowego w College Park, MD. przez dr Georgea K. Burgessa, dyrektora U. S. Bureau of Standards.
Artykuł: Wytyczne radiowe dotyczące samolotów. Podsumowanie testów skuteczności radiolatarni Narodowego Systemu Lotniczego.
(Radio Luty, 1928)

Pomieszczenie łączności bezprzewodowej KFLF. Przy stole operatorskim L. Elden Smith.
(Radio Luty, 1928)

Generatory napędzane silnikami diesela w stacji łączności bezprzewodowej w Bailan, Australia.
(Radio Marzec, 1928)

Nadajniki krótkofalowe. Na fotografii widać lampy mocy. Nadajniki zamontowane w Australii służą do komunikacji na falach krótkich z Anglią.
(Radio Marzec, 1928)

Nadajnik o mocy 5KW Stacji Centralnej w Pennant Hills w Sydnej.
(Radio Marzec, 1928)

Modyfikacja dwulampowego układu do samodzielnego montażu ze styczniowego wydania RADIO polegająca na zastosowaniu lamp z ekranowanymi siatkami.
(Radio Marzec, 1928)

Wspomagany za pomocą radia atak samolotów torpedowych na statki za zasłoną dymną.
(Radio Kwiecień, 1928)

Wnętrze pomieszczenia radiowego na statku U.S. Destroyer.
(Radio Kwiecień, 1928)

Zastosowanie radia w układach kotwiczenia sterowców.
(Radio Kwiecień, 1928)

Widok wzmacniacza audio od góry.
Artykuł: Szczegóły konstrukcji eksperymentalnego układu 6-lampowego o doskonałej czułości.
(Radio Kwiecień, 1928)

Schemat ideowy wzmacniacza audio.
Artykuł: Szczegóły konstrukcji eksperymentalnego układu 6-lampowego o doskonałej czułości.
(Radio Kwiecień, 1928)

Głośnik elektrodynamiczny.
Artykuł: Głośnik elektrodynamiczny. Pełen opis zasady działania, projektowania, montażu i parametrów.
(Radio Maj, 1928)

Dwa typy głośników elektrodynamicznych.
Artykuł: Głośnik elektrodynamiczny. Pełen opis zasady działania, projektowania, montażu i parametrów.
(Radio Maj, 1928)

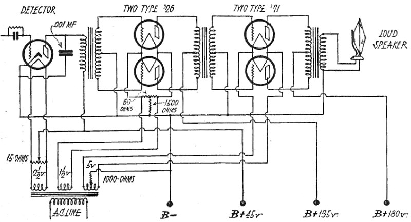
Wzmacniacz przeciwsobny do superheterodyny 115kHz.
(Radio Maj, 1928)

Nadajnik krótkofalowy 6JU.
(Radio Maj, 1928)

Widok od przodu nadajnika krótkofalowego (do samodzielnego składania).
Koszt części około 150$, moc 7.5W przy napięciu 550V.
(Radio Maj, 1928)

Wyposażenie stopnia końcowego układu transmisji ruchomych obrazów.
(Radio Czerwiec, 1928)

Sprzęt odbiorczy komercyjnego systemu "Telefoto".
(Radio Czerwiec, 1928)

Nadajnik automatyczny do wysyłania informacji z Biura Pogodowego (Stacji Pogodowej).
(Radio Czerwiec, 1928)

Nadajnik krótkofalowy 2XE.
(Radio Czerwiec, 1928)

Schemat ideowy nadajnika krótkofalowego 2XE.
(Radio Czerwiec, 1928)

Stacja telefoniczna krótkofalowa w Deal, stan Nowy York.
(Radio Listopad, 1928)

Stacja odbiorcza w Netcong, stan Nowy York.
(Radio Listopad, 1928)

Kompletny zestaw do ładowania.
(Radio Listopad, 1928)

Płyta czołowa z podstawkami lampowymi i miernikami testera lamp elektronowych.
(Radio Listopad, 1928)

Schemat ideowy testera lamp elektronowych.
(Radio Listopad, 1928)

Odbiornik krótkofalowy "Marshall" używany przez marynarkę wojenną.
(Radio Listopad, 1928)

Schemat ideowy odbiornika krótkofalowego "Marshall" używanego przez marynarkę wojenną.
(Radio Listopad, 1928)

Nowoczesny wzmacniacz, który można zbudować małym kosztem.
(Radio Listopad, 1928)

Schemat montażowy wzmacniacza gramofonowego "Thordarson".
(Radio Listopad, 1928)

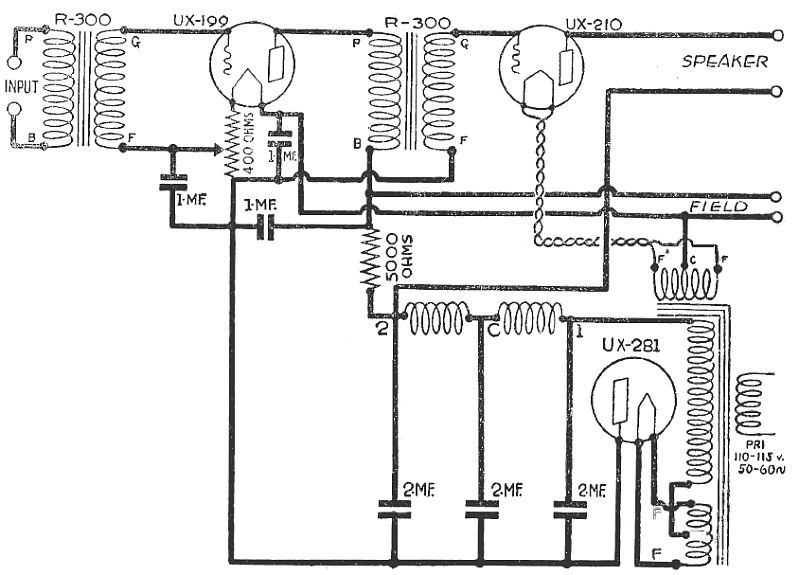
Schemat ideowy wzmacniacza gramofonowego "Thordarson".
(Radio Listopad, 1928)

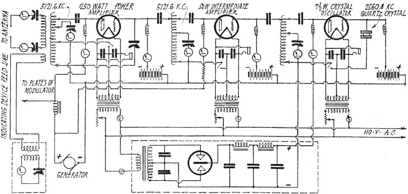
Pomieszczenie sterujące nadajnika WLW o mocy 50,000W.
(Radio Grudzień, 1928)

Układy wzmacniacza i modulatora nadajnika WLW o mocy 50,000W.
(Radio Grudzień, 1928)

Typowy piec (nagrzewnica) wysokoczęstotliwościowy.
(Radio Grudzień, 1928)

Schemat wzmacniacza telewizyjnego Davena.
(Radio Grudzień, 1928)

Schemat ideowy wzmacniacza mocy.
(Radio Grudzień, 1928)

Fotografia wzmacniacza przeciwsobnego typ "350" (Reklama)
(Radio Grudzień, 1928)