
Radiotechniczna podróż w czasie (1926 rok)
Zapraszam do po obejrzenia "obrazków" związanych z radiotechniką. Pochodzą one z różnych źródeł. Galeria posiada swoją siostrzaną wersję w języku angielskim. Wersje w innych językach będą sukcesywnie dodawane. Bardziej szczegółowe opisy można znaleźć w innych wersjach językowych (artykuły są powiązane i można je wyświetlać przez klikanie na ikony z flagami z lewej, górnej strony Serwisu TRIODA). Oczywiście pomalutku będę uzupełniał tłumaczenia podpisów. Wszystkie podpisy są wyświetlane z zastosowaniem czasu teraźniejszego a nie przeszłego - to nie pomyłka tylko celowe działanie - nawiązanie do oryginalnych opisów z tamtych lat. Aby nie opóźniać możliwości obejrzenia galerii niniejsza strona jest udostępniona jako "strona w budowie" - za co bardzo przepraszam wszystkich Gości. Na początku i końcu każdego zestawu fotografii umieszczono odnośniki pozwalające na zmianę okresu - roku kalendarzowego.
[Poprzedni okres] [Następny okres]

Detektyw "radiowy" - kompaktowy zmotoryzowany sprzęt wykorzystywany przez Inspektora radiowego 8-mej Dzielnicy. Widok wnętrza samochodu pokazujący urządzenia do testowania i lokalizacji.
(Radio Styczeń, 1926)

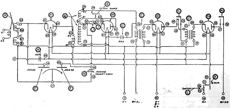
"Wyjątkowy" 4-lampowy odbiornik radiowy. Zmodyfikowana wersja układu LC opisanego w miesięczniku RADIO z października 1925 roku. Układ umożliwia pracę bezbateryjną. Na fotografii widok wnętrza od tyłu pokazujący rozmieszczenie elementów na płytce bazowej.
(Radio Styczeń, 1926)

"Wyjątkowy" 4-lampowy odbiornik radiowy - zmontowane urządzenie widoczne od tyłu.
(Radio Styczeń, 1926)

"Wyjątkowy" 4-lampowy odbiornik radiowy - widok okablowania.
(Radio Styczeń, 1926)

Odbiornik radiowy - druga wersja serii przedstawionej w grudniowym numerze miesięcznika Radio.
Widok odbiornika z przodu - panel przedni.
(Radio Styczeń, 1926)

A teraz widok z tylu pokazujący jak zostały rozplanowane i zmontowane elementy składowe odbiornika.
(Radio Styczeń, 1926)

Radio w egzotycznym miejscu - na Wyspach Fidżi. Przykład udanego odbioru fal radiowych. Na zbliżeniu widać baterie typu "Mamut".
(Radio Styczeń, 1926)

Radio na Wyspach Fidżi - najlepsza superheterodyna w tamtym obszarze (co za brak skromności - ale nie chwali mnie ojciec i mama to chwalę ja siebie sama).
(Radio Styczeń, 1926)

Fajna reklama - taki zbiór obecnie to byłby prawdziwy skarb - tylko można sobie pomarzyć.
(Radio Styczeń, 1926)

Nadajnik krótkofalowy na Wieży Eiffla - całość zaprojektowana i wykonana przez francuskie służby łączności. Na fotografii widać sposób zamontowania cewek indukcyjnych.
(Radio Styczeń, 1926)

Nadajnik krótkofalowy na Wieży Eiffla - stanowisko operatora (klikam kluczem i nadaję).
(Radio Styczeń, 1926)

Stacja na Wyspach Brytyjskich - widok paneli prostowniczych w Daventry.
(Radio Styczeń, 1926)

"Przenośna" stacja radiowa 6XBR - inżynier elektryk przygotowany do pracy. W czasach obecnych nazwanie takiej stacji jako "przenośnej" wzbudza uzasadniony uśmieszek. Ale nie bądźmy zarozumiali. Za kilkadziesiąt lat nasze urządzenia będą rozśmieszać użytkowników z przyszłości.
(Radio Styczeń, 1926)

"Przenośna" stacja radiowa 6XBR - widok wnętrza.
(Radio Styczeń, 1926)

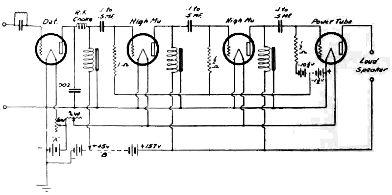
Wzmacniacz mocy audio wysokiej jakości - aby zmniejszyć zniekształcenia zastosowano specjalne rozwiązania układowe. Na fotografii (niestety niezbyt wyraźnej) pokazany jest panel przedni wzmacniacza.
(Radio Luty, 1926)

Wzmacniacz mocy audio wysokiej jakości - schemat ideowy. Uwaga - wzmacniacz był przystosowany do zasilania prądem zmiennym.
(Radio Luty, 1926)

Wzmacniacz mocy audio wysokiej jakości - widok wnętrza i sposób montażu.
(Radio Luty, 1926)

Fotografia z artykułu dotyczącego wartej miliony dolarów "wojny patentowej" związanej z lampami elektronowymi. Widzimy tutaj laboratorium obróbki drutu stosowanego do produkcji lamp.
(Radio Luty, 1926)

Fotografia z artykułu dotyczącego wartej miliony dolarów "wojny patentowej" związanej z lampami elektronowymi.
Stanowisko do wygrzewania lamp elektronowych.
(Radio Luty, 1926)

Fotografia z artykułu dotyczącego wartej miliony dolarów "wojny patentowej" związanej z lampami elektronowymi.
Stanowisko do obrabiania spłaszczy lamp elektronowych i jednoczesnego uszczelniania znajdujących się w nich drutów połączeniowych.
(Radio Luty, 1926)

Fotografia z artykułu dotyczącego wartej miliony dolarów "wojny patentowej" związanej z lampami elektronowymi.
Najnowszy model automatycznego stanowiska pompowego. Dwanaście pomp próżniowych pracujących jednocześnie. Zakończenie procesu technologicznego było sygnalizowane za pomocą dzwonka. Super!!!.
(Radio Luty, 1926)

Sprzęt do suszenia i impregnacji kondensatorów papierowych.
(Kadzie jak się patrzy, obecnie audiofile stosujący w sprzęcie kondensatory papierowe mogą tylko pomarzyć)
(Radio Marzec, 1926)

Testowanie kondensatorów papierowych - napięcie przebicia, pojemność i rezystancja upływu.
(Radio Marzec, 1926)

Jeden z dwóch nadajników firmy RCA o mocy 40KW zainstalowany "gdzieś tam".
(Co to może kogoś obchodzić gdzie - ważne, że wygląda jak trzeba)
(Radio Marzec, 1926)

Nadajnik krótkofalowy o mocy 500W w San Francisco.
(Radio Kwiecień, 1926)

Maszt antenowy o wysokości sześćdziesięciu stóp.
(Dla dociekliwych jest to około 18 metrów z małym ogonkiem)
(Radio Kwiecień, 1926)

Podręczny/przenośny radiowy zestaw naprawczy z epoki.
(Radio Kwiecień, 1926)

Laboratorium fizyczne w Oberlin Colege w Ohio wykorzystywane do demonstracji zjawiska odbicia fali tłumaczącego dlaczego fale krótkie propagują się na większe odległości niż fale długie.
(Radio Kwiecień, 1926)

Czterolampowy odbiornik radiowy.
(Dla mnie piękny "design")
(Radio Kwiecień, 1926)

Schemat ideowy czterolampowego odbiornika radiowego.
(Radio Kwiecień, 1926)

Czterolampowy odbiornik radiowy - panel montażowy od góry.
(Radio Kwiecień, 1926)

Czterolampowy odbiornik radiowy - panel montażowy od dołu.
(Radio Kwiecień, 1926)

Aparatura odbiorcza i nadawcza stacji 9ZT.
(Radio Maj, 1926)

Fotografia z artykułu wyjaśniającego zjawisko emisji elektronów w lampach elektronowych. Na fotografii widoczne jest urządzenie do obróbki drutu wolframowego, który następnie służy do wytwarzania żarników lamp.
(Radio Czerwiec, 1926)

Amerykański Komitet Programowy Międzynarodowej Konferencji Radiotelegraficznej, która ma się odbyć w najbliższą wiosnę (od daty zamieszczenia fotografii.
Na zdjęciu Członkowie Komitetu, od lewej do prawej: Frank McIntyre (State Department), Major J. O. Mauborgne (War Department), W. D. Terrell (Commerce Department), Chairman; L. A. Corridon (Commerce Department), W. M. Greene (State Department), E. M. Webster (Treasury), H. C. Moore (U. S. Shipping Board), and Lieut. Commander A. H. Tawresey (Navy).
(Sami ważniacy z Departamentu Stanu, Gospodarki, Skarbu, Marynarki itp.)
(Radio Czerwiec, 1926)

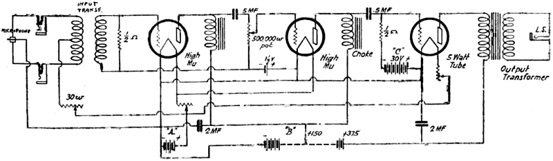
Modernizacja wzmacniacza sprzężonego rezystancyjnie lub indukcyjnie.
Na fotografii przedstawiono sposób montażu elementów - głównie dławika.
(Radio Czerwiec, 1926)

Schemat ideowy wzmacniacza z poprzedzającej fotografii.
(Radio Czerwiec, 1926)

Stacja radiowa 6AQA.
Popularny w wielu stanach krótkofalowy nadajnik radiowy o mocy 50W wraz z solidnym osprzętem. Operatorem jest Pan George C. Tichenor. Tego nie widać na fotografii, ale zgodnie z opisem pod stołem jest wzmacniacz mocy Western Electric 25 B napędzający głośnik. Gratka dla audiofili.
(Radio Czerwiec, 1926)

Stacja 2QA na wystawie Radio Show.
Ta stacja i oczywiście jej dzielny operator byli jedynymi, którzy byli w stanie nawiązywać łączności podczas wystawy w nowojorskim hotelu. Taki wówczas był tłok w eterze, Może dlatego, że wystawa była połączona z Drugą Konwencją tamtejszego odpowiednika Rady Radiofonii (ale jeszcze bez Telewizji). Jak do pracy wezmą się urzędy to i w eterze zabraknie miejsca - skąd my to znamy.
(Radio Czerwiec, 1926)

Szczegóły montaż panelowego zasilacza anodowego z elementami indukcyjnymi firmy Jefferson.
Artykuł: Jak zbudować zasilacz napięcia anodowego - szczegółowe wskazówki dla konstruktorów.
(Radio Lipiec, 1926)

Schemat ideowy zasilacza.
(Radio Lipiec, 1926)

Naprawdę piękny rysunek montażowy zasilacza anodowego. Gdyby nie to, że jestem dzisiaj zbyt leniwy to bym się zabrał za montaż. Niestety nie mam również tych fajnych dławików i transformatora. Gdyby ktoś się zdecydował na budowę, to zaznaczam, że ten zasilacz był na 110V a nie 230V - trzeba to mieć na uwadze.
(Radio, Lipiec, 1926)

Czterostopniowy odbiornik z jednym elementem sterującym - główna płyta montażowa.
(Radio Lipiec, 1926)

Schemat ideowy wzmacniacza mikrofonowego.
(Radio Lipiec, 1926)

Zasilacz anodowy - widok ogólny - miodzio.
(Radio Lipiec, 1926)

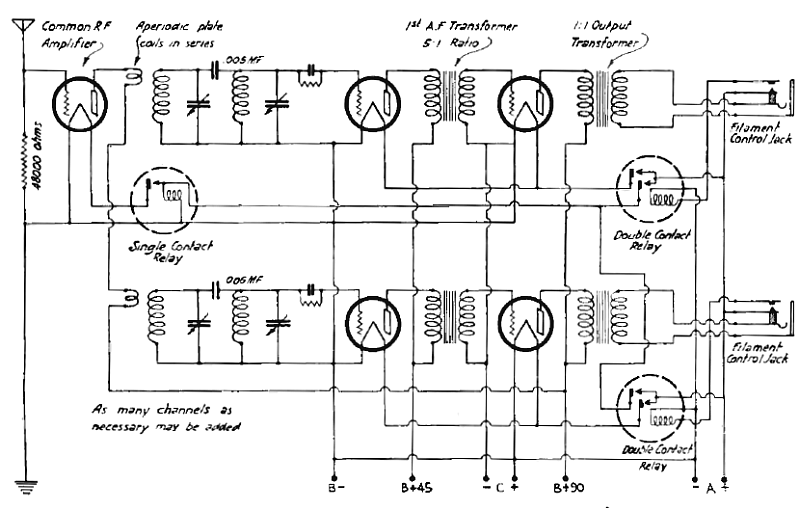
Odbiornik radiowy zainstalowany w szpitalu.
Artykuł: Automatyczny wielokanałowy odbiornik radiowy.
Konstrukcja opracowana do stosowania w szpitalach i apartamentach, w których jest zainstalowana jedna antena i wiele radioodbiorników.
(Radio Sierpień, 1926)

Schemat ideowy automatycznego wielokanałowego odbiornika.
(Radio Sierpień, 1926)

Stopień końcowy nadajnika telewizyjnego.
(Radio Sierpień, 1926)

Porównanie obrazu oryginalnego i odebranego przez urządzenia telewizyjne.
(Radio Sierpień, 1926)

Stopień końcowy odbiornika telewizyjnego.
(Radio Sierpień, 1926)

Widok od przodu odbiornika typu infradyna.
Artykuł: Infradyna - Nowy, efektywny układ.
(Radio Sierpień, 1926)

Schemat ideowy infradyny (poprawka zamiast 6T-299 powinno być 6T-199).
(Radio Sierpień, 1926)

Widok wewnętrzny zmontowanej infradyny.
(Radio Sierpień, 1926)

Widok wewnętrzny zmontowanej infradyny.
(Radio Sierpień, 1926)

Dr. A. Hoyt Taylor z Naval Research Laboratory nadzoruje badania w zakresie wysokich częstotliwości radiowych.
(Radio Sierpień, 1926)

Zasilacz odbiornika, a w zasadzie zgodnie z oryginalnym opisem "elektrownia" z zamontowanymi lampami Mazda.
(Radio Sierpień, 1926)

A oto i odbiornik energii z powyższej "elektrowni".
(Radio Sierpień, 1926)

Antena kierunkowa do wyszukiwania źródeł zakłóceń odbioru radiowego.
(Radio Wrzesień, 1926)

Wnętrze urządzenia do głośnego odtwarzania płyt - jego nazwa to Panatrope.
(Radio Wrzesień, 1926)

Schemat ideowy urządzenia do głośnego odtwarzania płyt.
(Radio Wrzesień, 1926)

Panatrope - szczegóły konstrukcyjne prostownika i wzmacniacza.
(Radio Wrzesień, 1926)

Badania nad nowym długowiecznym włóknem żarzenia niskotemperaturowych lamp mocy.
(Radio Październik, 1926)

Jedno z wielu urządzeń testujących w radiowym laboratorium badawczym.
(Radio Październik, 1926)

Zbudowane w laboratorium stanowisko do starzenia/wygrzewania lamp elektronowych. To urządzenie pozwoliło producentowi na zmniejszenie kosztu produkcji lamp 201A do 28 centów.
(Radio Październik, 1926)

Stacja G-2ACI, w Redford, Anglia.
(Radio Październik, 1926)

Widok ogólny nadajnika o mocy 20KW zamontowanego na okręcie NSS Annapolis.
(Radio Listopad, 1926)

Blok prostowników nadajnika o mocy 80KW w San Diego.
(Radio Listopad, 1926)

Panel sterujący nadajnika o mocy 20KW zamontowanego w bazie marynarki wojennej w Arlington.
(Radio Listopad, 1926)

Widok od przodu infradyny.
(Radio Listopad, 1926)

Widok infradyny od tyłu po wyjęciu z obudowy.
(Radio Listopad, 1926)

Główny oscylator i wzmacniacz nadajnika na "Manoa"
(Radio Grudzień, 1926)

Sprzęt firmy Telefunken zamontowany na "Shanyo Mara".
(Radio Grudzień, 1926)

Nadajnik iskrowy na "Manos".
(Radio Grudzień, 1926)

Nadajnik iskrowy (z prawej), łukowy (z lewej) i konwerter łukowy (najbardziej z lewej) zamontowane na "Admiral Fiske".
(Radio Grudzień, 1926)

H. D. Watson.
(Radio Grudzień, 1926)