
Radiotechniczna podróż w czasie (1925 rok)
Zapraszam do po obejrzenia "obrazków" związanych z radiotechniką. Pochodzą one z różnych źródeł. Galeria posiada swoją siostrzaną wersję w języku angielskim. Wersje w innych językach będą sukcesywnie dodawane. Bardziej szczegółowe opisy można znaleźć w innych wersjach językowych (artykuły są powiązane i można je wyświetlać przez klikanie na ikony z flagami z lewej, górnej strony Serwisu TRIODA). Oczywiście pomalutku będę uzupełniał tłumaczenia podpisów. Wszystkie podpisy są wyświetlane z zastosowaniem czasu teraźniejszego a nie przeszłego - to nie pomyłka tylko celowe działanie - nawiązanie do oryginalnych opisów z tamtych lat. Aby nie opóźniać możliwości obejrzenia galerii niniejsza strona jest udostępniona jako "strona w budowie" - za co bardzo przepraszam wszystkich Gości. Na początku i końcu każdego zestawu fotografii umieszczono odnośniki pozwalające na zmianę okresu - roku kalendarzowego.
[Poprzedni okres] [Następny okres]

Radiostacja 5CG
Operator - J. M. Patterson, 601 North F St., Hugo, Oklahoma.
(Radio Luty, 1925)
Wzmacnianie bez zniekształceń - fragment reklamy
(Radio Luty, 1925)

Odbiór koncertu z San Francisco w górach Kanady - przykład pracy w trudnych warunkach
(Radio Marzec, 1925)

Ciąg dalszy "męczarni" w kanadyjskich górach
(Radio Marzec, 1925)

Kolejowa stacja nadawczo - odbiorcza w Ottawie (Kanada)
(Radio Marzec, 1925)

Pomieszczenie operacyjne stacji nadawczo - odbiorczej Narodowych Kanadyjskich Linii Kolejowych
(Radio Marzec, 1925)

Pomieszczenie operacyjne stacji nadawczo - odbiorczej Narodowych Kanadyjskich Linii Kolejowych c.d.
(Radio Marzec, 1925)

Samochód Narodowych Kanadyjskich Linii Kolejowych wyposażony w aparaturę radiową
(Radio Marzec, 1925)

Australia - stacja 3 B.Q.
(Radio Marzec, 1925)

Wojskowa stacja radiowa w forcie Leavenworth. Na zdjęciu widać system antenowy oraz sprzęt nadawczy. Główny nadajnik ma moc 10 KW.
(Radio Kwiecień, 1925)

Nowy nadajnik wojskowy w Annapolis - widok ogólny nadajnika lampowego o mocy 20KW.
(Radio Kwiecień, 1925)

Nowy nadajnik wojskowy w Annapolis - lampa oscylatora i układ jej chłodzenia.
(Radio Kwiecień, 1925)

Radio i edukacja - Panna Myrtle Palmer, nauczycielka pisania i jej klasa przed mikrofonem w Szkole Publicznej w Oakland.
(Radio Kwiecień, 1925)

Elektryczna transmisja obrazu (chodzi o obraz statyczny np. fotografie) - Nadajnik z silnikiem synchronizującym (z lewej) i wzmacniacz prądu z komórki fotoelektrycznej (z prawej)
(Radio Maj, 1925)

Elektryczna transmisja obrazu - urządzenie odbiorcze (soczewki, silnik, żarówki - całość przypomina snajperkę z 19 wieku).
(Radio Maj, 1925)

"Skromne" stanowisko do badania/testowania lamp elektronowych. Tak się to kiedyś robiło. A teraz? Każdy by chciał mieć mikroprocesorowy automatyczny tester z graficzną prezentacją charakterystyk. I najlepiej, aby wszystko działało bezprzewodowo ze smartfonem.
(Radio Maj, 1925)

Rysunek pokazujący jak zmontować superheterodynę. Pełen szacun dla Autora. Taka ręczna robota jest w czasach współczesnych nie do pomyślenia. Istnieje szansa, że na podstawie takiego rysunku byłby w stanie zmontować radio nawet współczesny nastolatek ;-).
Radio Maj, 1925

4-lampowy odbiornik radiowy - widok wnętrza (elementy regulacji - strojenia po prostu powalają na ziemię - super widok!!!).
(Radio Maj, 1925)

Stacja radiowa 3BHY
Skąd ja znam takie widoki? Toż to mój wzmacniacz na desce, który już na tej desce dokona swego żywota - ale w końcu fajnie gra. No i te lampy w torze m.cz - same W.E. Audiofilom ślinka cieknie.
(Radio May, 1925)

Odbiornik radiowy "bezbateryjny" - widok z góry. Chwalenie się w 1925 roku, że sprzęt jest bezbateryjny to nie żart. Teraz chwalimy się, że coś jest bateryjne i nie wymaga zasilania sieciowego. Jak ten świat się zmienia.
(Radio Czerwiec, 1925)

Stacja radiowa 2ABT
Liczba potwierdzonych połączeń amatorskich jest imponująca: Stany Zjednoczone, Anglia, Francja, Włochy, Hiszpania, Kanada, Kuba. Niestety nie ma na liście Polski - po prostu pech.
(Radio Czerwiec, 1925)

Widoczki wnętrza i okolicy stacji radiowej w egzotycznym Malabar. Pracuje na falach poniżej 100 metrów. Zlokalizowana na wyspie Jawa w pobliżu równika. Przeznaczona do komunikacji pomiędzy Dalekim Wschodem i Holandią (można z niej korzystać także w USA)
(Radio Lipiec, 1925)

Sprzęt radiowy na jachcie "ELOISE"
(Radio Wrzesień, 1925)

Sprzęt radiowy na jachcie "IDALIA"
(Radio Wrzesień, 1925)

Nadajnik i odbiornik na pokładzie hydropłatu podczas rejsu z San Francisco do Honolulu.
(Radio Wrzesień, 1925)

Nowa 500 watowa instalacja stacji 6X21D-6ZW
(Radio Wrzesień, 1925)

Statacja radiowa 8ASE, 8AXG
(Radio Wrzesień, 1925)

Stacja radiowa 9EGU
(Radio Wrzesień, 1925)

Dr. Kolster, wynalazca radiokompasu przy swoim urządzeniu zamontowanym na okręcie "Leviathan." Widoczny odbiornik radiowy zbudowany jest z zastosowaniem sześciu lamp elektronowych.
(Radio Październik, 1925)

Dla niedowiarków schemat typowego radiokompasu z tamtych lat - rzeczywiście mamy tutaj sześć lamp elektronowych.
(Radio Październik, 1925)

Antena horyzontalna (pozioma) i osprzęt wykorzystywany przez inżynierów firmy General Electric do nadawania fal horyzontalnych.
(Radio Październik, 1925)

Technologia łukowa powraca - Typowa instalacja na statku pokazująca nadajnik iskrowy o mocy 34KW i nadajnik łukowy o mocy 2KW.
(Radio Październik, 1925)

Stacja radiowa 6CLV
(Radio Październik, 1925)

Nadajnik o mocy 250W stacji 6EA
(Radio Październik, 1925)

Tuner stacji 6EA z dwustopniowym torem audio.
(Radio Październik, 1925)

Idealny wzmacniacz częstotliwości audio - widok z góry
Z artykułu: "Wskazówki dotyczące budowy trójstopniowego wzmacniacza o wysokiej jakości, przystosowanego do dowolnego zestawu radiowego"
Autor: Ernest W. Pfaff
(Radio Listopad, 1925)

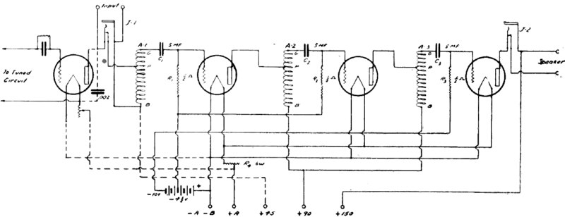
Schemat ideowy 3-stopniowego wzmacniacza audio.
Autor: Ernest W. Pfaff
(Radio Listopad, 1925)

Fragment laboratorium miesięcznika RADIO
(Radio Listopad, 1925)

Ulepszony odbiornik pętlowy - widok wersji całkowicie zmontowanej.
(Użyłem bezpośredniego tłumaczenia nazwy odbiornika - chodzi oczywiście o odbiornik przystosowany do współpracy z anteną typu pętla)
Autor: R. Lewis Rockett
(Radio Listopad, 1925)

Uczniowie zarabiają pieniądze na wakacje robiąc bakelitowe cokoły do lamp. W miesiącach zimowych są zastępowani przez kobiety.
(Radio Grudzień, 1925)

Cała "bateria" zgrzewarek. Przeznaczone są one do automatycznego zgrzewania drutów niklowych podtrzymujących elektrody lamp elektronowych (siatek, anod i żarzenia). W środku stoi wynalazca tych urządzeń. Są one stosowane przez firmy Western Electric, DeForest itd. Zgrzewarka pokazana p0o prawej stronie kosztuje sześć tysięcy dolarów.
(Radio Grudzień, 1925)

Spajanie bakelitowych cokołów z bańkami lamp elektronowych. Są one suszone na obrotowej wygrzewarce.
(Radio Grudzień, 1925)

Ultra-selektywny odbiornik kryształkowy.
(Radio Grudzień, 1925)

Zastosowanie radia w kolejnictwie - antena na dachu pojazdu.
(Radio Grudzień, 1925)

"Zmotoryzowana" transmisja radiowa na falach krótkich - przenośny (hahaha - słowo "przenośny" teraz jest nieco zabawne) nadajnik zamontowany w samochodzie.
(Radio Grudzień, 1925)