
Grzegorz "gsmok" Makarewicz,
Wzmacniacz PRIBOJ (oryginalna nazwa - Прибой czyli fala przybrzeżna) to jeden z nielicznych funkcjonujących na rynku wtórnym wzmacniaczy lampowych audio wyprodukowanych za naszą wschodnią granicą. Podobnie jak większość jego pobratymców charakteryzuje się beznadziejną linią wzorniczą oraz fatalną jakością wykonania przyprawiającą o ból zębów. Przeciwwagą dla wymienionych wad jest przemyślany schemat ideowy i ponadprzeciętne parametry soniczne. W skrócie jest to księżniczka ubrana w siermiężny ubiór żebraka.
Opisany wzmacniacz o oznaczeniu "Прибой-50УМ-204С" ma moc 50W (była jeszcze produkowana wersja o mocy 75W oznaczona jako "Прибой-75УМ-204С"). Według danych producenta wzmacniacz posiada następujące parametry:
- czułość wejściowa 600mV ±150mV (dosyć frywolna tolerancja
), - nominalne pasmo przenoszenia 20Hz...20kHz,
- oporność obciążenia 4Ω/8Ω,
- zniekształcenia harmoniczne w paśmie znamionowym 1%,
- zniekształcenia intermodulacyjne 2%,
- separacja kanałów (przesłuchy) w paśmie 250Hz...10kHz nie mniejsza od 40dB,
- odstęp sygnał/szum 86dB,
- oporność wejściowa 33KΩ,
- pobór mocy 250 ±30W (ciekawe od czego zależy te ±30W
) - wymiary 430mm x 400mm x 163mm,
- waga 18.5kg.
A oto jak wygląda wzmacniacz. Jest to pudełko wzorniczo przypominające typowy wzmacniacz tranzystorowy z lat 80-tych XX wieku. Nie jestem zwolennikiem takich obudów stosowanych w układach lampowych. Wolę podejście tradycyjne z wyeksponowanymi transformatorami i lampami. Ale to rzecz gustu. Ten egzemplarz ma kolor srebrny, ale podobno są również obudowy malowane na czarno.

Cechy charakterystyczne dla wspomnianej linii wzorniczej to: włącznik sieciowy w formie przycisku ISOSTAT (takie wyłączniki albo po pewnym czasie się łamią, albo tracą klawisze, które lubią "wystrzeliwać" i znikać w jakimś ciemnym kącie pokoju odsłuchowego
)...

... oraz potencjometry suwakowe. Jakie "suwaki" zastosowano w tym wzmacniaczu? To niespodzianka opisana nieco dalej.

Teraz wygląd od tyłu.


Parę szczegółów panelu tylnego. Oto gniazda przyłączeniowe, bezpiecznik i dziura przez którą przechodzi kabelek sieciowy. Krótko:
- Gniazda głośnikowe najgorszego sortu. Chyba nie widziałem takiego chłamu w żadnym urządzeniu. Lichy materiał, niechlujnie obrobiony. Tolerancja obróbki mierzona nawet nie w milimetrach ale w ułamkach centymetrów np. głębokości otworów umożliwiają wsunięcie wtyku bananowego do niektórych gniazdek do końca, w innych brakuje nawet pół centymetra
. - Gniazdo sygnałowe starego typu (DIN). Bez przejściówki się niestety nie obędzie.
- Gniazdko bezpiecznika bardzo solidne, choć wymiana wkładki wymaga nacisku podobnego do odkręcenia dobrze zassanego słoika z konfiturami.
- Wyprowadzenie kabla sieciowego nie łapie się niestety w normalnych kryteriach oceny
.
We wzmacniaczu zastosowano niespotykaną formę opisu gniazdek. Napisy są wytłoczone w formie wypukłych literek. Opisy nigdy się więc nie "wytrą" ale mimo ich trójwymiarowości, odczytanie funkcji gniazdek jest bardzo trudne i wymaga odpowiedniego podświetlenia. No i to co najgorsze. Panel z gniazdami podczas wkładania l wyjmowania wtyków niebezpiecznie się wygina, sprawiając wrażenie, że poddaje się temu procesowi po raz ostatni przed efektownym rozpadnięciem się na kawałki.

Zwieńczeniem panelu z gniazdami przyłączeniowymi są dwa, symetrycznie rozmieszczone pudełka z kratkami umożliwiającymi wentylację wnętrza obudowy. Wyglądają paskudnie ale dobrze spełniają swoje funkcje.

Widok z góry.

Bardzo interesująco wyeksponowane ostrzeżenie na osłonie górnej. W odróżnieniu od innych producentów, wytwórca wzmacniacza niczego nie zabrania a jedynie nie zaleca (prawdziwa demokracja). To taki ukłon w stronę posiadacza wzmacniacza mający go wyprowadzić z szoku po konfrontacji z jakością wykonania.

No i na koniec oczywiście widok od spodu.

Obejrzeliśmy wzmacniacz ze wszystkich stron. Można więc przystąpić do jego demontażu. Zaczynam od osłony górnej. Jest przykręcona do chassis za pomocą czterech anemicznych śrubek. Tak wygląda zdemontowana osłona górna. Wykonana została z metalu. Do jakości spasowania nie można mieć większych zastrzeżeń.

Teraz zdemontowana osłona dolna. Jest przykręcona za pomocą siedmiu równie anemicznych jak w przypadku osłony górnej śrubek. W odróżnieniu od osłony górnej wykonana została z plastiku. Jej parametry wytrzymałościowe są równie anemiczne jak wspomniane śrubki. Jak widać na takiej podstawie ważący ponad 18kg wzmacniacz nie mógłby w ogóle ustać. Dlatego stopki wzmacniacza są przykręcone nie do osłony lecz bezpośrednio do chassis. W osłonie wykonane są otwory poprzez które przechodzą nóżki wzmacniacza - całkiem sprytnie
.

Przed spojrzeniem do środka warto zerknąć na schemat ideowy wzmacniacza. Oto schemat podstawowego bloku wzmacniacza. W stopniu wstępnym i inwerterze fazy pracują lampy 6Ż32P (EF86) i 6N6P. Jak widać o ile zastosowana topologia jest typowa, to lampy końcowe nie są typowe dla wzmacniaczy audio. W układzie zastosowano podwójne tetrody strumieniowe 6R3S, które wprawdzie producent przewidział do stosowania w szerokopasmowych wzmacniaczach mocy małej częstotliwości, ale które nie znalazły swojego miejsca w skąd inąd dużej grupie wzmacniaczy lampowych dostępnych na rynku. Jeśli chodzi o mnie "Priboj" jest, jak dotychczas, jedynym wzmacniaczem na takich lampach, który miałem okazję serwisować.

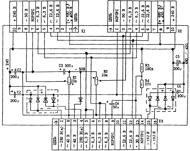
Poniżej pokazany jest schemat bloku zasilania.

Wnętrze wzmacniacza widziane od góry (jak widać po prześwitującej poprzez wzmacniacz wykładzinie obie osłony są zdemontowane).

Elementy elektroniczne zamontowane zostały na trzech płytkach drukowanych: lewa i prawa to wzmacniacze kanału lewego i prawego, w środku płytka zasilacza. Zastosowano laminat tzw. papierowy. Ma on lepsze parametry elektryczne w stosunku do laminatów szklano-epoksydowych. Nie pochłania wilgoci, co jest bardzo istotne w przypadku układów wysokonapięciowych. Jego wadą są słabe parametry mechaniczne (po prostu się kruszy). Laminat zastosowany w tym konkretnym egzemplarzu charakteryzuje się wyjątkowo słabą odpornością na temperaturę. Jakiekolwiek operacje z zastosowaniem lutownicy należy prowadzić z wyjątkową ostrożnością - punkty lutownicze i ścieżki połączeniowe odchodzą na sam widok grota
.


Teraz trochę szczegółów konstrukcji widzianej z góry. Wszystkie lampy wstawione są w podstawki ze specjalnymi sprężynkami. To doskonały patent. Sprężynki nie mają tzw. "prezencji" i we wzmacniaczach z wyeksponowanymi lampami wyglądają beznadziejnie. Tutaj są jak najbardziej na miejscu.





Transformator sieciowy. Ogromny, wykonany na rdzeniu zwijanym, solidnie skręcony. Zero jakiegokolwiek buczenia. Nawet przy dotknięciu palcami nie wyczuwa się najmniejszych drgań. Miodzio
.

Dwa transformatory głośnikowe. Wykonane na rdzeniach zwijanych, słusznej postury (gabaryty na oko nawet nadwymiarowe), żadnego "grania" podczas pracy wzmacniaczy. Solidna robota. Miodzio
.

Elementy zasilacza umieszczone (w właściwie upchane) pomiędzy transformatorem sieciowym i transformatorami głośnikowymi. "Upchanie" elementów wynika z dużych gabarytów kondensatorów elektrolitycznych. Kondensatory o takim wyglądzie były wykonywane wyłącznie za naszą wschodnią granicą. W tym egzemplarzu przetrwały w doskonałym stanie. Na kondensatory filtrujące napięcie anodowe lamp końcowych nałożone są dodatkowo gustowne plastikowe kaftaniki.

Tutaj widać niesamowite "pipki" nałożone na wyprowadzenia anod lamp końcowych. Jestem osobiście pod wrażeniem ich dyskretnego uroku
. Jak wspaniale się odróżniają od współczesnych wynalazków stosowanych we wzmacniaczach z lampami z wyprowadzonymi na górze bańki elektrodami.

"Pipki" po raz drugi.

Na tej fotografii widać jak wiele trudu wymagało mechaniczne umocowanie kondensatorów elektrolitycznych. Ten biały element z prawej strony to osłona wyłącznika sieciowego.

"Pipki" po raz kolejny - tym razem portreciki z boku.


Zanim przejdę do widoków od dołu, czas przyjrzeć się dokładniej rozwiązaniu zastosowanemu do regulacji poziomu sygnału wejściowego. Przedtem jednak mała dygresja. Czy jest na tym ziemskim padole szczęśliwiec, który widział niezatarte opisy przy potencjometrze suwakowym? Mam na myśli oczywiście napisy na płycie czołowej urządzenia, które było normalnie eksploatowane. Ja takiego urządzenia nie widziałem. Opisywany wzmacniacz nie jest wyjątkiem. Zastanawiam się, czy jakikolwiek producent zrobił kiedykolwiek jakiekolwiek badania prowadzące do wprowadzenia do produkcji urządzenia z napisami odpornymi na ścieranie w wyniku prawidłowej eksploatacji.
Tyle jeśli chodzi o narzekanie. Cóż się kryje za tymi niezbyt estetycznymi potencjometrami suwakowymi.

Zaglądam do środka i ze zdumieniem spoglądam na taki oto ciekawy element audiofilski. Drabinka rezystorowa udająca potencjometry suwakowe. Ilustracją trudności zaopatrzeniowych tamtych lat (wzmacniacz jest datowany na 1990r.) jest fakt, że fabrycznemu zaopatrzeniowcowi nie udało się złożyć drabinek z rezystorów tego samego typu (zastosowano rezystory metalizowane typu MŁT o mocach 0.25W i 0.125W - to te czerwonawe oraz jasno zielone i jeden rodzynek - ciemnozielony rezystor węglowy). Co więcej drabinka kanału lewego ma inne typy rezystorów niż drabinka kanału prawego
. Całe szczęście, że chociaż wartości rezystancji są takie same.

A tak wygląda realizacja mechaniczna drabinki rezystorowej.

Dla łaknących szczegółów jeszcze jedna fotografia pokazująca jak zrealizowano przełączanie (a właściwie "prześlizgiwanie") rezystorów. Dla mnie bomba. Jedynym mankamentem jest fakt, że sama regulacja za pomocą suwaków jest, w porównaniu z przełącznikami obrotowymi, mało przyjazna dla użytkownika wzmacniacza. Tak czy inaczej, duży plus za pomysł zrealizowany w okresie, gdy rynek audio nie osiągnął jeszcze takich szczytów audiofilizmu, jak ma to miejsce obecnie.

Teraz parę ujęć wzmacniacza zrobionych od spodu. Jak widać ceramiczne podstawki lamp końcowych są okablowane za pomocą przewodów (nie są wlutowane w płytkę).

Transformator sieciowy i płytka zasilacza.

Płytka zasilacza.

Włącznik sieciowy i jedna z nóżek wzmacniacza. Nóżki nie są przykręcane lecz nitowane do chassis. Rozwiązanie z jednej strony fajne - bo nie trzeba niczego przykręcać ani dokręcać - z drugiej strony niefajne - bo nie ma nic gorszego niż poluzowany nit i majtająca się nóżka, której nie da się po prostu dokręcić.

Tu widać niecio szczegółów niechlujstwa wykonania.


Płytki drukowane wzmacniacza są łatwe do zdemontowania. Cała konstrukcja elektryczna oparta jest na kilku wielostykowych gniazdach przedstawionych poniżej. Oto gniazdo na płytce zasilacza...

... a to gniazda na jednej z płytek wzmacniacza. Górne łączy wzmacniacz z zasilaczem, dolne przeznaczone jest do podłączenia regulatora poziomu sygnału wejściowego.

Wysuwamy wtyki i raz dwa, płytki wzmacniacza są wyjęte. Oto one.

Po wyjęciu płytek we wzmacniaczu robi się pusto.

Teraz kilka fotografii płytek drukowanych.


Płytka wzmacniacza od strony druku.

Płytka wzmacniacza od strony elementów.

Płytka zasilacza od strony druku.

Po wymianie lamp końcowych należy ustawić prawidłowe punkty pracy (prądy katodowe). Nie znalazłem wartości zalecanych przez producenta. Według niego należy po prostu ustawić napięcia polaryzujące siatki na -50V. Nic bardziej błędnego. Sprawdziłem na posiadanych lampach. W internecie znalazłem informacje użytkowników tych wzmacniaczy, że ustawiają wartości prądów w zakresie 50mA do 65mA. Do regulacji ujemnych napięć na siatkach lamp końcowych niezależnie dla kanału lewego i prawego służą dwa potencjometry umieszczone na płytce zasilacza.

Przed pierwszym włączeniem wzmacniacza po wymianie lamp końcowych warto je skręcić maksymalnie w prawo (zgodnie ze wskazówkami zegara). W takim położeniu prądy płynące przez lampy są minimalne (tak jest przynajmniej w tym egzemplarzu wzmacniacza).
Na każdej płytce wzmacniacza znajduje się dodatkowy potencjometr służący do symetryzacji (wyrównania) wartości prądów płynących przez lampy. Wstępnie warto te potencjometry ustawić w położeniu środkowym.

Sama regulacja wartości prądów spoczynkowych lamp końcowych to prawdziwa przyjemność
. Warto ją wykonać dla wszystkich lamp jednocześnie.

Wzmacniacz "Priboj" to naprawdę fajna konstrukcja. Jakość wykonania przypomina niestety opisany w Galerii wzmacniacz Meloman. Niedoróbki mechaniczne kompensują zastosowane rozwiązania elektryczne. żadnych wydziwolągów, sprawdzona topologia, doskonałe transformatory głośnikowe, porządny transformator sieciowy. Wzmacniacz jest przyjazny dla serwisanta. Na koniec wrażenia odsłuchowe. Są bardzo pozytywne. Wzmacniacz jest cichutki, praktycznie żadnego przydźwięku. Gra nieco "twardo", ale to w końcu nie trioda. Mnie w każdym bądź razie przypadł do gustu.
Ciekawostka:
Według słownika PRIBOJ/Прибой to fala przybrzeżna, przypływ, zaś PRIBOI/ Прибои to bałwan. Podczas googlowania w poszukiwaniu informacji o wzmacniaczu w języku Tołstoja warto mieć to na uwadze (o czym przekonałem się na własnej skórze
).
Opracowanie: Grzegorz "gsmok" Makarewicz,