
Janusz Krzemień
Swego czasu postanowiłem zbudować mój drugi, duży 14-to lampowy wzmacniacz stereo pracujący w trybie triody (wcześniej wykonałem 16 lampowy wzmacniacz w układzie przeciwsobnym UL. w KL.AB, dzielony na właściwy wzmacniacz oraz zasilacz - relację zamieściłem na Forum TRIODA). W opisywanym wzmacniaczu wykorzystałem w stopniu końcowym lampy KT88 firmy Svetlana.
W stopniu wejściowym oraz inwerterze fazy zastosowałem po jednej lampie 6N8S. W układzie sterowania 2 X 6N8S na jeden kanał - każda z lamp steruje jedną gałęzią stopnia mocy. Zasilacz hybrydowy po jednej lampie 5C3S (5U4GB) oraz wysokonapięciowe diody prostownicze. Fotografia poniżej pokazuje jak wygląda wzmacniacz. Wizualne odczucia zapewniają 2 lampy EM84. Wskaźniki analogowe wychylne informują o rzeczywistym sygnale wejściowym, wyświetlacze LCD wyświetlają aktualne napięcie anodowe dla stopni mocy oraz stan rozładowania elektrolitów. Lampy EM84 zastosowałem z sentymentu, gdyż przypominają mi mój stary sprzęt z lat 50-tych i 60-tych ubiegłego wieku.

Wzmacniacz Alpa DIY Push-Pull w trybie triody.
Stopień wejściowy i sterujący lampy mocy wzmacniacza
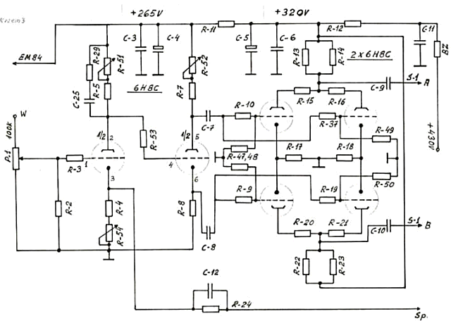
Schemat ideowy pokazany jest na rysunku poniżej.

Schemat ideowy układu wejściowego i wysterowania dla jednego kanału.
Na schemacie nie ma tego fragmentu, ale z gniazd wejściowych sygnał przechodzi przez układ zbudowany na czterech przekaźnikach przełączających sygnał, napięcie +12V podawane jest na przekaźniki poprzez przełącznik 4-sekcyjny (selektor wejść przedstawiony jest w dalszej części opisu). Sygnał z selektora doprowadzony jest na wejście potencjometru (niebieski ALPS), potem przez rezystor R-3/2,2KΩ wchodzi na siatkę pierwszą lampy 6H8C (6N8S.) Jak widać na schemacie, nie zastosowałem na wejściu kondensatora. W katodzie lampy można zastosować rezystor regulowany (PR), którym można ustawić punkt pracy lampy. Rezystory PR R-51, R-52 przy anodach służą do precyzyjnej regulacji napięcia anodowego, później można je wymienić na rezystory stałe. Rezystor R-29/3,3KΩ i kondensator C-25/100pF, służą do ograniczenia zakłóceń pasożytniczych o częstotliwościach ponadakustycznych. Anoda pierwszej triody bezpośrednio, lub przez rezystor R-53 połączona jest z siatką inwertera fazy (druga połówka lampy 6N8S). Bardzo ważne jest uzyskanie potrzebnych napięć na rezystorach R-12 +320V, R-11 +265V do +270V - ta część układu zasilania posiada osobny bezpiecznik.
Uwagi dodatkowe
W katodzie pierwszego stopnia zastosowałem w szeregu potencjometr drutowy R54/220Ω dla doświadczalnego ustalenia punktu pracy lampy. W anodach zastosowałem w szereg z rezystorami R5, R7/10kΩ potencjometry (PR-ki na podkładzie cementowym) R29 i R52/22KΩ, w celu dokładnego wyregulowania napięć anodowych.
Jeżeli ktoś ma wątpliwości jakie ma zastosowanie rezystor R53 - 100Ω pomiędzy anodą (1) a siatką( )4, wstawiłem go celowo dla eksperymentu - można go pominąć w układzie docelowym. Napięcie anodowe przy anodach lamp wysterowania jest na poziomie +180V do +182V, w katodach 4,6V, możliwa ewentualna korekcja, przy 470Ω = 5,6V, napięcie na anodach w granicach +200V.
Układ wysterowania lamp końcowych KT88
Układ oparty jest na dwóch lampach 6H8C (6N8S) dla jednego kanału, Z anody i katody inwertera fazy sygnał jest doprowadzony do każdej z siatek lamp sterujących, poprzez kondensatory MKP ESR 0,22uF/1000V i rezystory 2,2kΩ. Dla każdej gałęzi stopnia mocy pracuje jedna lampa 6N8S, anody lamp połączone są równolegle poprzez rezystory R-15, R-16/100Ω. Napięcie anodowe doprowadzone jest przez rezystory R-13, R-14, R-22, R-23/22kΩ, połączone równolegle. Napięcia przy anodach lamp powinno wynosić od +180 do +200V, w zależności od zastosowanych rezystorów w katodzie. Katody każdej lampy połączone są razem i posiadają wspólny rezystor.
Wykaz elementów dla układu wejściowego, odwracacza i układu wysterowania lamp końcowych.
- Lampy 3 X 6N8S
- Potencjometr 100kΩ Alps
- Rezystory:
R2 - 470KΩ, R3 - 2.2KΩ, R4 - 680Ω, R5 - 10KΩ, R7 - 10KΩ, R8 - 22KΩ, R9 - 2.2KΩ, R10 - 2.2KΩ, R11 - 4,72KΩ/5W, R12 - 2.76KΩ/10W, R13, R14 - 22KΩ, R15, R16 - 47Ω, R17, R18 - 368Ω, R19 - 2.2KΩ, R20, R21 - 47Ω, R22, R23 - 22KΩ, R24 - 33KΩ*, R29 - 3.3KΩ, R37 - 2.2KΩ, R47, R48, R49, R50 - 330KΩ, R51 - 22KΩ, R52 - 22KΩ, R53 - 47Ω* do 100Ω*, R54 - 220Ω reg. - Kondensatory:
C3 - 0.22μF/1000V SCR, C4, C5 - 10μF/470V, C6 - 0.22μF/1000V Wima, C7, C8 - 0,22μF/1000V SCR, C9, C10 - 0.47μF/1000V SCR, C11 - 0.22μF/1000V, C12 w sprzężeniu zwrotnym należy dopasować według swojego uznania, lub nawet pominąć.
Stopień mocy
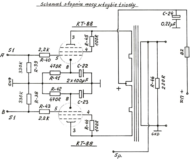
W stopniu mocy dla jednego kanału pracuje po dwie lampy KT88. Z lamp sterujących sygnał doprowadzony jest do siatek przez kondensatory polipropylenowe MKP ESR 0,47μF/100V i rezystory R-40, R-43/2,2KΩ. Polaryzacja jest automatyczna, prąd lamp końcowych ustalany są rezystorami R-41, R-42 470R/10W, kondensatory elektrolityczne C-22, C-23/100μF/100V likwidują lokalne sprzężenie zwrotne powstałe na wspomnianych kondensatorach. Anody lamp połączone są z siatkami ekranującymi przez rezystory R-44, R-45/100Ω. Transformatory wyjściowe są zabezpieczone bezpiecznikiem. Przed wejściem na transformator napięcia +430V, jest kondensator odprzęgający WIMA 0,22μF/1000V. Po stronie wtórnej transformatorów wyjściowych są rezystory 220Ω/10W, które zabezpieczają wzmacniacz przed uszkodzeniem podczas włączenia wzmacniacza nieobciążonego głośnikami.

Schemat ideowy stopnia mocy dla jednego kanału.
Wykaz elementów dla stopnia mocy.
- Lampy mocy 4 X KT88 Svetlana
- Rezystory:
R38, R39 - 330KΩ, R40 - 2.2KΩ, R41, R42 - 470Ω/10W ceramiczne. R43 - 2.2KΩ, R44, R45 - 100Ω, R46 - 220Ω/6W - Kondensatory:
C22, C23 - 100μF/250V Rubicon, C24 - 0.22μF/1000V Vima
Zasilacz hybrydowy
Wykaz elementów.
- Transformator sieciowy toroidalny 500VA
- Dławiki 3.2H/0.6A
- Lampa prostownicza 2 X 5C3S, możliwa zamiana na lampę 5U4GB Electro-Harmonix, wielokrotnie droższą od 5C3S, ale pracującą bardzo stabilnie.
- Diody wysokonapięciowe D1- D4 BY228,
- Rezystory
R29-R36 - 150KΩ, R25 - 100Ω - Kondensatory
elektr. C13 - C14 - 66μF/400V, C16 - C21 - 470μF/400V, C15 - 0.22μF/1000V, - podwójne przekaźniki RM 94.
Na schemacie dorysowane są dodatkowe układy w postaci bloków: filtr przeciwzakłóceniowy, soft start z zasilaczem +12V, układ opóźnionego załączania napięć anodowych z zasilaczem +12V i zasilacze wskaźników LCD odseparowane galwanicznie.

Schemat ideowy zasilacza hybrydowego na lampie 5C3S (5U4GB) dla jednego kanału.
Układ posiada przełącznik standby do wyłączenia napięć anodowych - przerwa w odsłuchu, po ponownym włączeniu wzmacniacz jest gotowy do odsłuchu. Napięcia z przekaźnika są doprowadzone do lamp prostowniczych 5C3C lub 5U4GB. Napięcie już wyprostowane filtruje pierwszy kondensator elektrolityczny 2 X 66μF/400V, (dwa kondensatory połączone szeregowo), dalej jest dławik i blok połączonych szeregowo elektrolitów. Rezystory 150K wyrównują napięcia oraz rozładowują elektrolity po wyłączeniu napięcia anodowego. Zasilacz pracuje stabilnie przy zwiększonej mocy wyjściowej. Transformator sieciowy jest ledwie ciepły po godzinnej pracy wzmacniacza.
Konstrukcja wzmacniacza - relacja fotograficzna
Obudowa wzmacniacza
Po wielu przeróbkach zastosowałem obudowę z "fabrycznego" amplitunera. Transformatory wyjściowe, sieciowy, dławiki oddzielone są ekranami z blachy o grubości 1,5mm. Podwójne panele górne wykonane z 1,5mm blachy stalowej. Na panelu wewnętrznym zamontowane są podstawki lampowe, listwy montażowe i złącza. To wszystko przykrywa panel zewnętrzny (ozdobny). Pierścienie wokół lamp wytoczone są ze stali i galwanicznie połączone z panelem. Obudowa wzmacniacza pomalowana jest lakierem metalik w kolorze "red carnival". Panel przedni oraz tylny częściowo są pomalowane w kolorze czarnym.
Przy pracach mechanicznych jest dużo obróbki ręcznej. Wykonanie ręczne otworów na podstawki lampowe w panelu wewnętrznym oraz wykonanie otworów o większych rozmiarach w panelu zewnętrznym pod cokoły lamp, wymaga sporo wysiłku. Otwory pomiędzy dwoma panelami muszą być centrycznie wykonane. W dolnym i górnym panelu nawierconych jest dużo otworów wentylacyjnych.

Element obudowy wzmacniacza (kolor "red carnival")

19. Panel gotowy do montażu podstawek lampowych.

Panel ozdobny zewnętrzny po pomalowaniu.
Montaż dolnej części wzmacniacza

"Przymiarka" podstawowych elementów składowych wzmacniacza do chassis.

Na pierwszym planie dwa dławiki małej częstotliwości, na drugim "pusta" podstawa dla bloku kondensatorów elektrolitycznych.

Widoczne duże dławiki od Kaki (Użytkownik Forum TRIODA), oraz kondensatory na pokazanej wcześniej fotografii podstawie.

Dolna część zasilacza w całej okazałości.
Jak widać na przedstawionych zdjęciach dużo miejsca w obudowie wzmacniacza zajmuje zasilacz. W porównaniu do niektórych tanich konstrukcji wzmacniaczy komercyjnych to dobry bezkompromisowy rezultat. Zapewnia solidne odtwarzanie niskich tonów przy umiarkowanym wieczornym słuchaniu.

Filtr sieciowy i gniazdo sieciowe.

Filtr sieciowy zamontowany przy bloku kondensatorów elektrolitycznych.

Blok elektrolitów uzupełniony o rezystory wyrównujące.
Zespolony blok elektrolitów - widok z góry.
Transformatory toroidalne wyjściowe zostały specjalnie zaprojektowane przez kolegę Piotra (z Forum Trioda) do pracy w trybie triody. Transformator sieciowy również wykonany jest przez Piotra, potężne dławiki małej częstotliwości 3,2H/0,6A na zamówienie wykonał kolega KaKa (z Forum Trioda).

Transformator sieciowy wykonał Piotr (Użytkownik z Forum TRIODA)

Zamontowany Transformator sieciowy przykręcony do podstawy pełniącej rolę ekranu.

Dławiki i centralnie umieszczony transformator sieciowy.

Wnętrze wzmacniacza w trakcie montażu.

Ekrany oddzielające dławiki oraz transformator sieciowy.

Ekran "górny" transformatora sieciowego.

"Górny" ekran zamontowany na transformatorze sieciowym.

Miniaturowe gniazda i wtyki przygotowane do połączenia.

Jeszcze jedna fotografia przed przykręceniem panelu przedniego i tylnego.
Gniazda przyłączeniowe oraz układy wspomagające
Do wykorzystania są cztery wejścia sygnałowe RCA. Układ selektora wejść zrealizowany jest na przekaźnikach.

Płytka 4-wejściowego selektora wejść.

Panel tylni oraz gniazda XLR przygotowane do montażu.
"Delikatne" włączenie wzmacniacza zapewnia soft-start.

Schemat ideowy układu "miękkiego startu" (Soft start) - schemat użyczony przez firmę Amplifon.

Płytka z układem miękkiego starty (soft start).
Układ opóźniający zmontowany na płytce drukowanej ma własny zasilacz +12V. Zbudowany jest na tranzystorach BC516, BC337, diodzie 3V9, przekaźniku RM-94P-12V. Napięcie z uzwojeń wtórnych anodowych 2 X 400V dla lewego i prawego zasilacza, przechodzi przez układ opóźniający włączenie napięć anodowych o 90 sekund. Układ z zasilaczem +12V jest zmontowany na płytce drukowanej w której zastosowałem mostek prostowniczy 4 X 1N4004, stabilizator 7812, tranzystory BC516, BC211, diodę 3V9, przekaźnik Rempol RM-94P-12V oraz inne elementy

Schemat ideowy układu opóźnienia włączania napięć anodowych - schemat użyczony przez firmę Amplifon.

Płytka z układem opóźnienia załączania napięcia anodowego.
Układ przełączania przewodów głośnikowych dla dodatkowego wzmacniacza zrealizowany jest na podwójnym przekaźniku. Dzięki niemu unikamy mozolnego przepinania przewodów głośnikowych.

Płytka przełączania przewodów głośnikowych na drugi wzmacniacz.
Wskaźniki pomiarowe LCD dla napięć anodowych narobiły trochę zamieszania. Wzmacniacz ma być przyjazny dla użytkownika. Wcześniejszy mój wzmacniacz ze wskaźnikami analogowymi również rozpalał emocję. Mnie szczególnie interesuje funkcjonalność, wyposażenie i niezawodność urządzenia. Każdy z nas ma swoje przemyślenia co do budowy wzmacniacza i zastosowania w nim potrzebnych czy zbędnych elementów. Dlaczego zastosowałem wskaźniki LCD dla napięć anodowych, a nie inne rozwiązanie? Zajmują mało miejsca, którego już było brak aby zastosować inny wariant. Wskaźniki LCD wyświetlają stan rozładowania elektrolitów i spadek napięcia anodowego do zera. Do wszystkiego można się po pewnym czasie przyzwyczaić, nawet ze wskaźnikami LCD.

Panel przedni przed lakierowaniem.

Panel przedni po pomalowaniu przed zamontowaniem wskaźników oraz wyświetlaczy.

Panel przedni po nałożeniu lakieru i zamontowaniu wskaźników i wyświetlaczy LCD.

Panel przedni od tyłu - wyświetlacze LED, wskaźniki wysterowania, płytka przełącznika sieciowego na przekaźniku.

Gotowy panel, wyświetlacze LCD dla napięć anodowych.
A teraz parę fotografii dotyczących panela tylnego.

Faza montażu panelu tylnego - gniazda XLR wyjściowe oraz wejściowe, układ przełączania przewodów na drugi wzmacniacz.

Widoczne transformatory wyjściowe, zakończony montaż na panelu tylnym.

Zakończony montaż na panelu tylnym.

Gotowy panel tylny, dodatkowe gniazda wyjściowe 8 omów.
Dolna część wzmacniacza została zmontowana. Oto jej fotografie.

Gotowa dolna część wzmacniacza.

Gotowa dolna część wzmacniacza.
Po zakończeniu prac w dolnej części obudowy, mogłem się zająć montażem pod kątem elektroniki na górnym panelu wzmacniacza. Moje przemyślenia dotyczyły uporządkowania montażu przestrzennego, aby nie był to obraz kłębowiska biegnących przewodów. Doceniłem również możliwość zastosowania listw montażowych, na których można umieścić część elementów. Każdy ma swój sposób montażu. Jako amator w ramach swoich skromnych możliwości postanowiłem zastosować montaż mieszany. Listwy drukowane montażowe które kilka lat temu zamówiłem w pewnej firmie, postanowiłem wykorzystać w moim wzmacniaczu. Tak zamontowane elementy można szybko wylutować w celu serwisowania.

Listwy montażowe oraz dwa gniazda napięciowe 10A.
Na listwach zamontowałem elementy zasilania dla stopni wejściowych oraz wysterowania na lampach 6N8S. Do wysterowania lamp mocy KT-88 postanowiłem zastosować po dwie wspomniane lampy na kanał. Lampy połączone są równolegle po jednej 6N8S na jedną gałąź, daje to możliwość należytego wysterowania lamp mocy KT-88 bez zastosowania wtórników katodowych.
Na drugiej listwie montażowej zamontowane są elementy dla stopni mocy i podwójnie diody prostownicze 2 X 4szt BY228/1200V zasilające lampy prostownicze 5C3S po jednej na kanał, w układzie hybrydowym. Na dwóch mniejszych płytkach zamontowane są elektrolity 2 X 66μF/400V w połączeniu szeregowym oraz rezystory 150KΩ wyrównujące napięcia. Elektrolity 2 X 66μF to pierwsza faza filtracji wychodzącego wyprostowanego napięcia z lamp 5C3S. Napięcie poprzez wielostykowe złącza typ 10A dostarczane jest przez dławiki 3,2H/0,6A do baterii elektrolitów usytuowanych w dolnej części obudowy.

Listwa zasilająca.

Listwa zasilająca i inne listwy na bazie PCB przykręcone do podstawy.

Listwa zasilająca i inne listwy na bazie PCB przykręcone do podstawy.

Część zasilacza hybrydowego.

Po bokach zamontowane gniazda typ 10A.

Listwa zasilająca i inne listwy PCB przykręcone do podstawy.

Listwa zasilająca i inne listwy PCB przykręcone do podstawy.
Małe wyjaśnienie dotyczące tajemniczych listew montażowych w górnej części płyty z lampami.
Po podłączeniu płyty głównej do złącz z dolną częścią zasilacza, nie można górnego chassis odwrócić aby wykonać pomiary, ze względu na krótkie wyprowadzenia przewodów do złącz. Zastosowałem krótkie przewody aby nie wprowadzały różnych zakłóceń. Aby pomiar różnych punktów pracy był możliwy i wygodny jedynie po zdjęciu pokrywy obudowy, bez odwracania górnego chassis zastosowałem specjalne listwy pomiarowe. Widać je na poniższej fotografii.

Podstawki lampowe i listwy pomiarowe zamontowane na panelu.

Listwy pomiarowe zamontowane z lewej i prawej strony panelu przeznaczone do uruchomienia wzmacniacza.


Podłączone listwy pomiarowe.

Gotowy moduł wzmacniacza z lampami elektronowymi.


Uruchomienie
Zasilacz dla jednego kanału obciążyłem trzema żarówkami w szeregu po 40W. Po włączeniu zasilania układ soft startu i opóźnienia zadziałał prawidłowo. Zasilacz działa bez zarzutu, żarówki zaświeciły się łagodnym światłem. Następnie po włożeniu do podstawek wszystkich lamp dla jednego kanału, wyjście wzmacniacza obciążyłem rezystorem 6,8R/50W. Włączyłem napięcie zasilające, żarzenie lamp było prawidłowe, układ soft startu oraz opóźnienia włączenia napięcia anodowego zadziałał poprawnie. Obserwując lampy postanowiłem wykonać pomiary napięć na listwach pomiarowych. Napięcie anodowe ustabilizowało się na poziomie +430V.

Uruchomienie
Teraz kilka fotografii sygnałów na wyjściu wzmacniacza.

Przebieg prostokątny o częstotliwości 1kHz. Przebieg wzorcowy i wyjściowy są identyczne.

Przebieg sinusoidalny o częstotliwości 1 kHz.

Przebieg prostokątny 10 kHz.

Przebieg prostokątny 15 kHz.

Przebieg prostokątny 20 kHz.
Na zakończenie jeszcze kilka fotografii gotowego do pracy wzmacniacza.






Zapraszam wszystkich zainteresowanych do zapoznania się z zawartością wątku poświęconego temu wzmacniaczowi na Forum TRIODA pod adresem: [Wzmacniacz lampowy stereo w konfiguracji triody].
Opracowanie: Janusz Krzemień