
Grzegorz "gsmok" Makarewicz,
Yaqin MC-100B to stereofoniczny wzmacniacz lampowy produkcji chińskiej. Jego oryginalna nazwa, stanowiąca zarejestrowany znak firmowy, zawiera kilka dziwnych symboli i nie daje się zapisać tradycyjnym alfabetem. Chcąc nie chcąc, w niniejszej relacji zmuszony jestem stosować nazwę Yaqin. Jest to usprawiedliwione podejście, gdyż nawet w instrukcji obsługi "robaczkowe" określenie wprawdzie pojawia się na okładce, za to już wewnątrz instrukcji znajdziemy symbol Yaqin MC-100B. Wzmacniacz nie grzeszy wyrafinowaną estetyką. Charakterystyczna klatka stanowiąca osłonę lamp kojarzy mi się z pojemnikiem do przechowywania chleba
i najchętniej oglądałbym ten wzmacniacz z osłoną zdemontowaną na stałe i schowaną w jakimś niedostępnym miejscu.
Yaqin Audio wywodzi się z niewielkiej rodzinnej, a dokładniej rzecz ujmując małżeńskiej (Pan Liang - projektant i jego małżonka) manufaktury położonej na południu Chin. Przy okazji - czy zna ktoś jakąś fabrykę w niepołudniowych Chinach? W ciągu kilku lat ten "miniaturowy interes"
rozrósł się do rozpoznawanej w wielu krajach (w tym również w Polsce) marki. Yaqin wytwarza wzmacniacze nie tylko pod własnym znakiem towarowym. Jest również producentem urządzeń audio zamawianych przez innych "producentów", którzy sprzedają je jako własne wyroby. Wzmacniacze Yaqin charakteryzują się korzystnym stosunkiem jakości do ceny. Nie rujnując swojego domowego budżetu możemy stać się posiadaczami całkiem dobrego wzmacniacza lampowego.
Podstawowe parametry wzmacniacza
Zgodnie z deklaracją producenta zawartą w instrukcji obsługi wzmacniacz Yaqin MC-100B charakteryzuje się następującymi parametrami:
- Moc wyjściowa:
- 2 x 30W / 8Ω w trybie triodowym (TR),
- 2 x 60W / 8Ω w trybie ultralinearnym (UL).
- Oporność obciążenia: 4Ω / 8Ω.
- Czułość wejściowa:
- 250mV dla wejść CD/DVD/Tape/Tuner umieszczonych na płycie tylnej,
- 600mV dla wejść umieszczonych na płycie czołowej.
- Zniekształcenia harmoniczne: < 1.5%.
- Pasmo przenoszenia: 5Hz ... 80kHz (-2dB).
- Odstęp sygnał/szum: 90dB (ważony charakterytystyką A).
- Pobór mocy: 280W.
- Bezpiecznik AC: 6A (F6A250V).
- Waga: 23kg.
- Zastosowane lampy:
- KT88-98 x 4 (stopień wyjściowy),
- 6N8P x 4 (stopnie sterujące),
- 12AX7B x 2 (stopnie wzmocnienia napięciowego).
Widok ogólne wzmacniacza pokazany jest na Rys. 1. Cztery puszki chroniące transformatory sugerują, że jest to konstrukcja, w ramach której w jednej obudowie umieszczone są nie tylko dwa kanały wzmacniające, ale również dwa niezależne zasilacze
. Jest więc to układ nazywany "dual mono".

Rys. 1.
Kolejne dwa ujęcia przedstawiają wzmacniacz wyposażony w osłonę lamp. Niektóre z poziomych pręcików są nieco luźne i można sobie na nich pograć pstrykając palcami
.

Rys. 2.
Płyta czołowa wzmacniacza nie jest standardowa, gdyż oprócz potencjometru regulacji głośności oraz selektora wejść zawiera w części środkowej dodatkowe dwa wejścia i przełącznik aktywujący:
- wejścia umieszczone na płycie czołowej (czułość 600mV),
- zestaw wejść umieszczonych na płycie tylnej (czułość 250mV).
Uwaga: producent zaleca wyłączenie wzmacniacza podczas zmiany położenia przełącznika grup wejść.
Z boku widać, że podstawa wzmacniacza czyli tzw. chassis ma sporą powierzchnię przy niewielkiej wysokości. Zważywszy na sporą wagę wzmacniacza (23 kg) zacząłem się zastanawiać jak taka filigranowa podstawa jest w stanie zachować sztywność i nie wyginać się podczas przenoszenia wzmacniacza. Przecież jest zagięta tylko po bokach, a od spodu mamy tylko zwykłą osłonę
. Tajemnica wyjaśniła się podczas demontażu. Ale o tym nieco później.

Rys. 3.
A oto jak prezentuje się wzmacniacz po usunięciu klapki od pojemnika z pieczywem - o przepraszam, po usunięciu osłony lamp. Czyż nie stał się piękniejszy
.

Rys. 4.
Z góry jeszcze bardziej widać, jak pozbawiony osłony wzmacniacz zyskuje na wyglądzie.

Rys. 5.
Na Rys. 6. pomiędzy transformatorami głośnikowymi widać dwa przełączniki. Przeznaczone są one do zmiany trybu pracy lamp końcowych z triodowego (TR) na ultralinearny (UL). Producent zaznacza, że przed zmianą trybu pracy wzmacniacz należy wyłączyć i oba kanały powinny pracować w tym samym trybie. Nasuwają mi się w tym momencie dwie uwagi krytyczne
:
- Skoro oba kanały powinny pracować zawsze w tym samym trybie (co zresztą jest jak najbardziej logiczne i trudno mi sobie wyobrazić sens ustawienia jednego kanału w trybie triodowym a drugiego w trybie ultralinearnym) to po co zastosowano dwa niezależne przełączniki
. - Dlaczego przełączniki umieszczono w tak niedostępnym i niebezpiecznym miejscu. Nawet po wyłączeniu wzmacniacza, zbyt szybkie sięgnięcie do nich może się skończyć poparzeniem ręki przez lampy końcowe.
Pomiędzy linią lamp końcowych a transformatorami wyjściowymi można zobaczyć cztery pary gniazdek pomiarowych, które w połączeniu z czterema potencjometrami dostępnymi przez otwory umieszczone w pobliżu lamp końcowych umożliwiają regulację prądu tych lamp. To rzadko spotykane rozwiązanie we współczesnych wzmacniaczach lampowych. Zwykle tzw. "regulacja biasu" wymaga zdemontowania osłony spodniej i odwrócenia wzmacniacza do góry nogami (wzmacniacz został sprzedany i niech użytkownik martwi się jak go wyregulować bez nabawienia się przepukliny). Yaqin jest chlubnym wyjątkiem na miarę starych dobrych klasyków typu Radford czy też Ranaissance. Naprawdę duży plus
.

Rys. 6.
Czas na odsłonięcie tajemnicy sztywności metalowej podstawy. Widzimy dwie dodatkowe gumowe nóżki i imponujący zestaw śrubek
.

Rys. 7.
Te śrubki, a jest ich w sumie 32
, to nie żadne "widzimisię" projektanta. Pełnią one, obok dwóch dodatkowych nóżek, istotną rolę w usztywnieniu podstawy. Po ich dokręceniu osłona dolna zachowuje się jakby była dosłownie przyspawana do chassis.

Rys. 8.
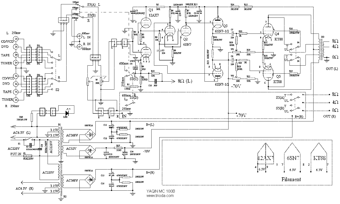
Przed zajrzeniem do wnętrza wzmacniacza warto spojrzeć na jego schemat ideowy. Wersję bardziej czytelną można uzyskać klikając myszką na Rys. 9. Warto skonfrontować elementy schematu ideowego z rzeczywistymi elementami uwidocznionymi na fotografiach.
I nadszedł czas na zerknięcie do wnętrza. Ostrzegam przed nieuważnym podnoszeniem wzmacniacza w takiej postaci. Odkręcenie osłony dolnej powoduje, że podstawa staje się "gumowa" i zaczyna się wyginać w różne strony
.

Rys. 10.
Widok z góry na całe wnętrze. Sprawia wrażenie solidnego i uporządkowanego.

Rys. 11.

Rys. 12.

Rys. 13.
Poniżej przedstawiam fotografie wnętrza uporządkowane w taki sposób, że pokazują coraz bardziej szczegółowo detale montażu.

Rys. 14.

Rys. 15.

Rys. 16.

Rys. 17.

Rys. 18.

Rys. 19.

Rys. 20.

Rys. 21.

Rys. 22.

Rys. 23.

Rys. 24.

Rys. 25.

Rys. 26.

Rys. 27.

Rys. 28.

Rys. 29.

Rys. 30.

Rys. 31.

Rys. 32.

Rys. 33.

Rys. 34.

Rys. 35.

Rys. 36.

Rys. 37.

Rys. 38.

Rys. 39.

Rys. 40.

Rys. 41.
I to by było na tyle
(na razie).
Opracowanie: Grzegorz "gsmok" Makarewicz, www.trioda.com
