
Grzegorz Makarewicz "gsmok"
Uwaga: 12.02.2012r. dodano schemat fabryczny wzmacniacza
Wzmacniacz lampowy produkowany przez POLKAT Wrocław. Konstrukcja dosyć kontrowersyjna jeśli chodzi o opinie posiadaczy. Niestety chciałoby się powiedzieć "niech zasłona milczenia spadnie na jakość jego wykonania". Myślę, że pokazane zdjęcia mówią same za siebie. Nie chodzi mi tu oczywiście o uszkodzenia związane z eksploatacją i przechowywaniem tego egzemplarza, lecz o szczegóły konstrukcyjne i sposób ich wykonania przez osobę o kwalifikacjach co najwyżej pomocnika kowala. Myślę, że najlepszym skróconym opisem wzmacniacza może być opinia Romka (Romekd) wygłoszona na Forum dyskusyjnym TRIODA:
"Wykonanie tego wzmacniacza to zupełna tandeta. Zdjęcia, które zostały zamieszczone w Galerii nie przekazują w całej okazałości jego prymitywizmu i bylejakości konstrukcji mechanicznej. To trzeba po prostu zobaczyć na własne oczy, uważając żeby nie zrobić sobie krzywdy podczas rozbierania tego „cuda”. Gdyby w dzisiejszych czasach jakiś uczeń szkoły elektrycznej czy elektronicznej chciał oddać jakąkolwiek pracę i byłaby ona wykonana pod względem mechanicznym podobnie jak ten wzmacniacz, to nie zostałaby wysoko oceniona. Myślę, że grzejnik elektryczny na spiralę przy nim to prawdziwy majstersztyk wdzięku i elegancji. Ponadto konstrukcja elektryczna utrudnia jakiekolwiek modernizacje i ulepszenia, a wzmacniacz cechuje znaczny poziom przydźwięku sieci i szumów.
Jest jednak coś, co w tej konstrukcji zaskakuje! Pierwsze, że po 33 latach od momentu produkcji ten wzmacniacz ciągle działa, a pomiar pojemności kondensatorów elektrolitycznych wykazuje pełną ich pojemność i całkowitą sprawność (przynajmniej w posiadanym przeze mnie egzemplarzu). Drugie to fakt, że właściwości brzmieniowe tego wzmacniacza szczególnie, jeśli chodzi o reprodukcję muzyki w zakresie tonów niskich i średnich, (bo soprany nie brzmią już tak dobrze) są całkiem przyzwoite by nie powiedzieć, że bardzo dobre!
Zdaniem kilkudziesięciu osób, które odsłuchiwały u mnie ten wzmacniacz, brzmi on znacznie lepiej niż współcześnie produkowany amplituner kina domowego Sony „STR-DB930”, co wydaje się wręcz niewiarygodne.
Wydaje się to zaskakujące zważywszy na fakt, że konstrukcja elektryczna tego wzmacniacza to również pewne nieporozumienie, że przytoczę chociażby: brak podziału na sekcje uzwojeń transformatora głośnikowego (stąd sopran pozostawia wiele do życzenia), mimo że przekrój rdzenia 17,4cm2. wydaje się duży jak na moc 25W, praca lamp końcowych w układzie pentodowym (i to na lampach typowo telewizyjnych PL500, co na pewno nie pozostaje bez wpływu na poziom zniekształceń harmonicznych), czy prowadzenie napięć żarzenia lamp ścieżkami obwodów drukowanych, a nie np. skrętką dwuprzewodową zapewniającą mniejsze pole zakłóceń i przez to być może i przydźwięku 50Hz.
Wracając do wyglądu tego wzmacniacza to myślę, że na jego wygląd miało wpływ to, że wzmacniacze w tamtych czasach nie były tak popularne jak np. odbiorniki radiowe czy telewizyjne, które niekiedy swoim wyglądem stanowiły wspaniałą ozdobę niejednego wnętrza.
Mnie jednak ten wzmacniacz, mimo swego prymitywizmu, skłonił do powrotu do dawnych zainteresowań konstrukcjami wzmacniaczy lampowych i przez to mam do niego pewien sentyment."
Przejdźmy więc do galerii zdjęć. Zacznijmy od kilku fotografii obejmujących cały wzmacniacz.
Widok z przodu (fot.1). Płyta czołowa i drewniana obudowa z otworami wentylacyjnymi w postaci wąskich wycięć.

Fot.1.
Zdejmujemy obudowę (wymaga to specjalnych "przegubowych" śrubokrętów, pomocy dwóch osób i nieco środków uspokajających) i ukazuje się wnętrze w całej okazałości (fot.2). Trzeba przyznać, że wygląda naprawdę imponująco. Uporządkowana konstrukcja. Sekcja wstępna osłonięta metalową kratką. Różne egzemplarze Melomana różniły się szczegółami konstrukcyjnymi. Skorzystam tutaj ponownie z cytatu informacji od Romka:
"Mój wzmacniacz różni się zdecydowanie od pokazanego w Galerii. Pierwsza różnica dotyczy transformatora głośnikowego. W moim jest on większy, jeśli chodzi o gabaryty od sieciowego i ustawiony w tej samej, co on pozycji (nie jest przekręcony o 90 stopni). Typ tego transformatora to: TGp25-36-666. Druga widoczna zmiana, to płytka z kondensatorami elektrolitycznymi, która zawiera cztery diody z równolegle połączonymi rezystorami 220kOhm i jest umieszczona z prawej strony transformatora głośnikowego (patrząc od przodu)."
To rzeczywiście istotne różnice. Może to artystyczne podejście do budowy zaowocowało tymi wspaniałymi (czytaj "niewiadomojakimi ale na pewno nie prostymi) kątami mocowania elementów. Proszę spojrzeć na płytkę kondensatorów zasilacza. Na długości 10cm mamy 1cm odchylenia od płaszczyzny kątownika ramy wzmacniacza. Wydaje się, że nawet bez jakiejkolwiek linijki można by tą płytkę zamocować lepiej.

Fot.2.
Kolejne ujęcia (fot.3 i 4). Mimo partactwa nie sposób jednak przejść obok tej konstrukcji obojętnie. Proszę tylko sobie wyobrazić, że wszystko jest proste i naprawdę widok jak z baśni. Przy okazji, dla bardziej dociekliwych obserwatorów - ta żółta karteczka na płycie czołowej to cena, którą zapłaciłem za wzmacniacz.

Fot.3.
Po zdjęciu osłony (fot.4) ukazują się wszystkie pozostałe szczegóły. Ocenę montażu pozostawiam oglądającym.

Fot.4.
A oto i widok od spodu (fot.5). Tu wzmacniacz wygląda całkiem nieźle.

Fot.5.
A teraz kilka bardziej szczegółowych widoków wybranych fragmentów wzmacniacza. Na początek sekcja regulacji barwy i wzmocnienia (fot.6).

Fot.6.
A oto włącznik sieciowy i przełącznik wejść w całej okazałości (fot.7). W górnej części z prawej strony widać "gustowne" wycięcie na wskaźnik włączenia wzmacniacza. Wstyd się przyznać, ale jak pierwszy raz zobaczyłem ten wzmacniacz to myślałem że umieszczono tutaj magiczne oczko wskazujące poziom wysterowania. Niestety srogo się zawiodłem.

Fot.7.
A teraz kolei na "artystycznie" zamocowaną płytkę kondensatorów (fot.8).

Fot.8.
Transformator sieciowy i gniazdka wejściowe zamocowane bezpośrednio w pobliżu trafa - Brrrrrummmmm (fot.9.).

Fot.9.
Szczegóły wnętrza ukazane pod innym kątem (fot.10). Widać tutaj żaróweczkę, która udaje oczko magiczne (nie mogę sobie darować, że to zwykła żarówka).

Fot.10.
I parę dodatkowych ujęć ze szczegółami (fot.11 i 12). Te "rozrajblowane" otwory w ramie na poniższej fotce to efekt nieudanych prób trafienia wiertłem w kątownik.

Fot.11.
Widok fragmentu konstrukcji nośnej od spodu (fot.12). Tutaj jeszcze bardziej gustowne otwory. Tym razem montażysta nie trudził się aby trafić wiertłem w określony punkt, lecz wziął wiertło o średnicy nogi stołowej i zrobił otwory "od ucha to ucha".

Fot.12.
Był widok z przodu. Czas na parę fotek zrobionych z innych stron (fot.13 i 14). Patrząc od spodu widać brak jednej śrubki. Mimo wielu prób nie udało mi się przykręcić wszystkich czterech. Próbowałem na różne sposoby, ale zawsze przez otwory w osłonie widać tylko trzy "gwinty"!!! Naprawdę nie wiem jak te śrubki były przykręcone przed rozebraniem wzmacniacza.

Fot.13.

Fot.14.
A oto jak "gustownie" został usunięty numer inwentaryzacyjny wzmacniacza (fot.15). Szanowna osobo, która to zrobiłaś, mam nadzieję, że zrobiłaś to swoimi własnymi zębami.

Fot.15.
Znaczek firmowy i nieuchronny upływ czasu (fot.16).

Fot.16.
Szczegóły prac stolarskich? Proszę bardzo. Części drewnianej obudowy spasowywał prawdopodobnie dobry kolega wspomnianego wcześniej pomocnika kowala (może kowal mu w tym pomagał). Jak widać, po zrobieniu obudowy, aby pasowała do wzmacniacza należało zabawić się w struganie szczegółów za pomocą scyzoryka (fot.17 i 18).

Fot.17.

Fot.18.
I to by było na tyle, jak mawiał Prof. Stanisławski. Po rekonwalescencji związanej z dwoma dniami, które potrzebowałem aby złożyć rozkręcony wzmacniacz będę się starał w miarę możliwości o uzupełnienie opisu o więcej szczegółów.
Dziękuję Romkowi za przekazane informacje.
Będę wdzięczny za wszelkie sugestie i uwagi związane z Melomanem 25.
Kontakt:
Zdjęcia: Leszek "Morzo" Morzyński.
MELOMAN według Alka Zawady
Nabyty przeze mnie egzemplarz wzmacniacza „Meloman 25” był niekompletny, to znaczy brakowało pokrywy górnej i jednej lampy PL500. Był dość mocno zanieczyszczony, toteż byłem zmuszony niektóre detale przetrzeć acetonem. Po przylutowaniu przewodu zasilającego i wstawieniu brakującej lampy podjąłem próbę uruchomienia tego cuda.
Jako źródło sygnału wykorzystałem mikrofon dynamiczny. Próba wypadła pomyślnie, jednak po paru minutach pracy zauważyłem niepokojący objaw: jedna z lamp końcowych nagrzała się do czerwoności a wzmacniacz zaczął pracować z brzydkimi zniekształceniami. W pierwszej chwili stwierdziłem, że winą za to zjawisko należy obarczyć lampę. Ponieważ jednak nie mam zbyt wielu lamp typu PL500 postanowiłem zamienić je na PL504, których to lamp mam praktycznie cały karton. Rzut oka w katalog lamp wykazał całkowitą celowość takiej zamiany. Ponadto pierwsza próba włączenia wykazała spalenie żarówki kontrolnej.
Próba pracy z lampami PL504 skończyła się jednak rychło tym samym objawem, jak poprzednio-zaczerwienieniem się anod. Moją uwagę przykuły więc potencjometry regulacji napięcia polaryzacji siatek sterujących. Istotnie, po pokręceniu tymi potencjometrami niekorzystne zjawisko zaczerwienienia się anod udało się zlikwidować całkowicie, zaś wzmacniacz zaczął pracować bez zniekształceń. We znaki dawał się jednak brzydki przydźwięk. Chwilowo pominąłem ten problem i postanowiłem spróbować podać sygnał na inne wejścia wzmacniacza. Liczyłem przy tym, że gniazda o mniejszej czułości nie będą wykazywać tak silnego przydźwięku. Te rachuby jednak zawiodły. Po podłączeniu sygnału z komputera na wejście „radio” ujawnił się także inny problem: słabe tony niskie i wadliwa regulacja tonów wysokich. Co do tej drugiej usterki, polegała ona na tym, że regulacja nie była płynna. To wskazywało jednoznacznie na potencjometr jako winowajcę tej sytuacji. Istotnie, po jego wymianie regulacja tonów wysokich stała się płynna.
Pozostał jednak problem tonów niskich. To zmusiło mnie do przyjrzenia się bliżej układowi elektrycznemu wzmacniacza. Odnalazłem więc regulator barwy dźwięku i zacząłem lekko eksperymentować z wartościami elementów. Bardzo korzystne okazało się zamienienie kondensatora 330 nF (schemat dalej) na 1 mikrofarad i opornika 1,5k na 1k. Oględziny układu wykazały istnienie potencjometru redukcji przydźwięku. Regulacja tym potencjometrem przyniosła znaczną poprawę przy pracy na wejściu mikrofonowym, nadal jednak przydźwięk przykro zakłócał pracę układu, zwłaszcza przy większym odkręceniu siły głosu. Postanowiłem dłużej się nie zastanawiać tylko uczciwie narysować schemat tego cuda.

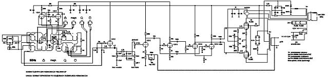
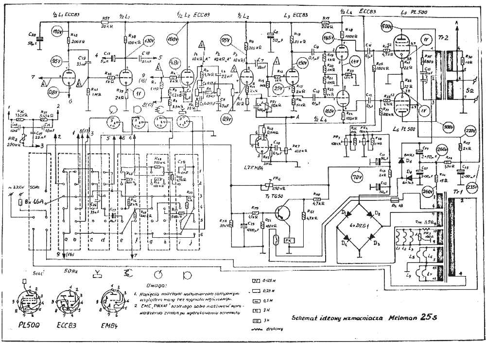
Schemat (kliknij aby powiększyć)
Myślę, że ucieszy to paru malkontentów :), którzy od dłuższego czasu poszukują schematu Melomana.
Udało się i oto przedstawiam zrysowany z rzeczywistości schemat wzmacniacza Meloman. Możliwe więc, że na schemacie są moje błędy nieuwagi.
Omówię tylko w paru słowach ten schemat, gdyż i tak każdy sobie z tym poradzi. Przełącznikiem można wybierać źródło sygnału. Duża szkoda, że te izostaty są niezależne. Uważam, że znacznie ułatwiałoby, gdyby po wciśnięciu kolejnego poprzedni wyskakiwał. Przy korzystaniu z gniazd o dużej czułości pracuje lampa V1. Korzystne okazało się ekranowanie tej lampy i połączenie ekranu z masą. Wynika to z faktu, że lampa V1 znajduje się bardzo blisko transformatora sieciowego. Zaintrygowała mnie możliwość tłumienia przydźwięku pochodzącego ze źródła sygnału. Do tego służy filtr typu podwójne T na częstotliwość 50Hz. Potencjometr montażowy 250k służy do strojenia (?) tego filtru.
Sygnał z przełącznika jest doprowadzony do wtórnika katodowego z lampą V2. Dzięki zastosowaniu wtórnika można było użyć potencjometry regulacji barwy i głośności o małych wartościach rezystancji (10k i 4,7k). Po przejściu przez korektor barwy sygnał jest poddawany wzmocnieniu w drugiej części lampy V2. Do katody tej lampy jest doprowadzony sygnał USZ (ujemnego sprzężenia zwrotnego z transformatora głośnikowego). Potencjometr montażowy 50k umożliwia regulację głębokości sprzężenia. Kolejny stopień z połową lampy V3 stanowi wtórnikowy inwerter fazy. Druga połowa tej lampy nie jest wykorzystana. Lampa V4 jest wzmacniaczem sterującym końcówki mocy.
Przeciwsobna końcówka mocy z lampami V5 i V6 pracuje w tradycyjnym można rzec układzie. Należy dodać, że transformator ma chyba jednak sekcjonowane uzwojenia. Tak wynika z etykietki. Potencjometry 100k służą do ustawiania napięcia polaryzacji napięć siatek lamp V5 i V6. Napięcie dla tych siatek jest uzyskiwane z transformatora sieciowego a następnie prostowane w mostku Graetza z diodami DZG1. Napięcie wysokie dla lamp jest uzyskiwane z prostownika z diodami DK 61. Filtrowanie tego napięcia - za pomocą ogniw RC.
Prześledzenie schematu i układu wykazało niefachową naprawę –otóż jeden z kondensatorów sprzęgających miał tylko 2nF zamiast spodziewanych 33nF. Wymieniłem go, podobnie zresztą jak pozostałe takie pojemności na 47nF.
Możliwe, że mała wartość pojemności sprzęgającej była przyczyną słabego odtwarzania tonów niskich. Tak czy inaczej nie cofałem już zmian wprowadzonych przeze mnie w układzie korektora barwy. Dzięki temu potencjometr basów jest ustawiony „na pół gwizdka” przy satysfakcjonującym mnie odtwarzaniu basów.
Kondensatory filtru zasilacza (zasilające wzmacniacz napięciowy) wymieniłem stosując zamiast 100µF (50+50) 330µF, zamiast 50µF - 220µF i wymieniając ostatni (na schemacie u góry po lewej) 50µF na współczesny 47µF. To dało znów częściową poprawę.
Kolejnym ważnym spostrzeżeniem było to, że bardzo źle prowadzona jest w tym wzmacniaczu masa. O ile bowiem na płytce drukowanej masa jest szeroko rozlana to poszczególne wysepki są połączone cieniutkim drucikiem i to chyba stalowym. Okazało się to bardzo niekorzystne, bowiem przy próbie łączenia masy w innym punkcie niż to fabrycznie było przewidziane przydźwięk rósł znacznie przy przejściu na inną wysepkę. Wyrzuciłem więc wspomniane druty, stosując w ich miejsce taśmę miedzianą grubości około 0,3mm i szerokości 10mm. Po tej czynności przydźwięk stał się praktycznie niesłyszalny i jego pozostałość pochodzi od końcówki mocy (sprawdzone przy wyjętych lampach wzmacniacza napięciowego). Możliwe, że kondensatory zasilające końcówkę mocy wymienię na kondensatory o ciut większej pojemności. Dodatkowo postanowiłem dołożyć oko magiczne EM84. Żal mi jakoś się zrobiło praktycznie pustej szpary w panelu czołowym. Po usunięciu żarówki (kable zabezpieczyłem rurkami termokurczliwymi) podłączyłem oko magiczne. Sygnał sterujący pobieram z uzwojenia wtórnego transformatora głośnikowego (stosuję podwajacz napięcia), napięcie anodowe z kondensatora 330µF, zaś żarzenie dołączyłem do lampy V4. Wzmacniacz z okiem wygląda dużo lepiej, jednak będę musiał jeszcze pomyśleć nad osłoną, gdyż pracę bez niej uważam za niedopuszczalną.
Oprócz tego wymieniłem niektóre oporniki i kondensatory na nowe, były to jednak działania prewencyjne, nie mające już większego wpływu na poprawę działania cuda.
Muszę przyznać, że jestem bardzo zadowolony z tego wzmacniacza. Mimo lichej konstrukcji podoba mi się. Ma po prostu w sobie to „coś”. Możliwe, że tym „czymś” jest zastosowanie w nim popularnych lamp telewizyjnych.
Zachęcam wszystkich posiadaczy „Melomana 25” do próby pozbycia się przydźwięku. Spojrzycie na ten wzmacniacz pod zupełnie innym kątem. Początkowo chciałem go przeznaczyć na „dawcę części” , ale zmieniłem zdanie.
Alek Zawada,
MELOMAN w nowej szacie według Zbyszka "Dziadka"
Cytuję Autora zdjęć:
"Trzy fotki tego co wyszło z poprawienia oryginalnej konstrukcji Melomana25 (po prostu wywaliłem wszystko i zrobiłem od nowa) Jest to hybryda tranzystorowo lampowa która ma zastosowanie jako "piecyk" do gitary i powiem tyle że chodzi to całkiem nieźle."
Fotografie można sobie powiększyć klikając myszką na wybranym zdjęciu. Fotografie numer 19, 20 i 21 dotyczą omawianej hybrydy. Na okrasę na fotografii 22 można zobaczyć jedną z konstrukcji lampowych Autora.
Zbyszek "Dziadek" -
MELOMAN według Vault Dwellera
Wczoraj stałem się posiadaczem takiego wzmacniacza (dzięki użytkownikowi Forum Triody - brener2), z początku myślałem, że będzie z nim natłok roboty. Na początek przeczyszczenie wnętrza, gdzie kurz i pająki zrobiły swoje. Gdy to się udało, odpaliłem wzmacniacz. I co? Nie gra, chociaż lampy się żarzą. Sprawdzam to, co zazwyczaj jako pierwsze w takich sytuacjach się sprawdza - czyli bezpiecznik anodowy. Spalony... Podłączam zamiast tego bezpiecznika żarówkę 100W i przy włączaniu się rozbłyska na bardzo krótko i gaśnie - widocznie wcześniej musiał być włożony bezpiecznik szybki, a oczywistym jest, że potrzebny jest zwłoczny.
Na włączonej tymczasowo żarówce, z podłączoną kolumną odpaliłem ustrojstwo. Brumi strasznie, myślę sobie: jutro się za to wezmę i dokończę Coś mnie podkusiło jeszcze, bym powymieniał kondensatory 2x50µF na 200µF- może to by coś dało. I dało - tylko to, że żarówka się ciągle świeciła, a więc musiał iść przez nią duży prąd. Dopiero po wyłączeniu zasilania wzmacniacz się odezwał - "siłą napędową" był ładunek, który został w kondensatorach. Możliwe, że były po prostu niezaformowane.
Dzisiaj wziąłem się za ustrojstwo solidnie po powrocie z rozpoczęcia szkoły - wymieniłem diody prostownicze (były cztery BA564 łączone szeregowo i zbocznikowane opornikami 200K każda) na 1N4007, ale wciąż nic - wymieniłem elektrolity na poprzednie i zaczęło działać. Naprawiłem jeden błąd na płytce - środkowy odczep żarzenia jednej z lamp był umasiony - a powinien był "wisieć w powietrzu" jako że jest potencjometr symetryzujący żarzenie a trzy lampy ECC83 żarzone są napięciem 12,6V (przynajmniej w moim egzemplarzu). Wymieniłem również wszystkie połączenia masy, nastawiłem potencjometr symetryzacji napięcia żarzenia do masy - i udało mi się w znacznym zakresie wyeliminować przydźwięk sieci.
Czas na testy odsłuchowe. Po pierwsze, wzmocnienie było zdecydowanie za duże (sprawdzałem na wej. radiowym), a więc pokręciłem nieco potencjometrem regulacji sprzężenia zwrotnego. Brzmienie uległo dzięki temu znacznej poprawie i "rozjaśnieniu". Obecnie wzmacniacz katuję Metalliką i sprawdzam co z niego da się wycisnąć - z moich uszu też. A jeśli chodzi o przyszłe wykorzystanie urządzenia, to planuję podłączać do niego gitarę.
Jeszcze parę drobnych przeróbek w stylu wymiany potencjometru głośności (mam 10K C), założenia na przednim panelu gniazda wejścia mikrofonowego (do podłączania gitary) - mam bowiem pod potencjometrem głośności taki brzydki otwór i chciałbym go jakoś wykorzystać.
Po dwóch dniach doszedłem do wniosku, że regulacja barwy wciąż niedomaga... Postanowiłem wymienić opornik 4K7 na 3K3. Bas okazał się głębszy, można było otrzymać większe jego podbicie. Wymieniłem ponadto resztę połączeń masy z cienkiej srebrzanki na linkę o przekroju 1,5mm2 i nie mam już absolutnie żadnych problemów z buczeniem, nawet na podkręconym na maksa potencjometrze regulacji głośności przy otwartym wejściu mikrofonowym. Co do tego ostatniego, założyłem gniazdo duży jack na przednim panelu by łatwo można było podłączyć mikrofon lub gitarę. Brzmienie zmodyfikowanego korektora jest moim zdaniem znacznie lepsze niż poprzednio.
Poza tym dam chyba jednak przełącznik omijania korektora barwy, by końcówka mocy z potencjometrem głośności była podłączona bezpośrednio do wtórnika katodowego zapewniającego niską impedancję wyjściową układowi regulacji barwy... Regulacja barwy tonu miałaby być używana w warunkach dość specyficznych - np. gdy wzmacniacz jest podłączony do gitary elektrycznej, zaś pominięta byłaby przy "domowym" odsłuchu.
4.09 - wprowadziłem kolejne udoskonalenia wzmacniacza. Zamiast żarówki sygnalizującej włączenie wzmacniacza dałem, podobnie jak p. Zawada, magiczne oczko EM84. Napięcie wzięte z wtórnego uzwojenia trafa głośnikowego nie wystarczyło "samo w sobie" po wyprostowaniu do pełnego wysterowania tegoż oczka, więc zrobiłem wtórnik anodowy na niewykorzystanej połówce ECC83 (tej, której druga połówka służy jako inwerter fazy - powycinałem znowu kilka szczelin izolujących w płytce i na powstałych "wysepkach" zrobiłem połączenia.). Na wejściu obwodu wskaźnika wysterowania włączyłem potencjometr montażowy 47K, a sygnał pobrałem z przewodu ujemnego sprzężenia zwrotnego. Dodałem także potencjometr prezencji, służący do zmiany USZ i charakteru brzmienia (a także łatwości przesterowania ). Zamontowałem nowy przewód sieciowy (z żyłą ochronną) i zmniejszyłem o połowę napięcie anodowe- zmieniłem połączenia płytki zasilacza: z podwajacza napięcia zrobiłem mostek Graetza, a kondensatory filtrujące połączyłem równolegle. Spowodowało to oczywiście zmianę punktu pracy lamp końcowych, ale wydaje mi się, że wzmacniacz brzmi coraz lepiej...
Vault Dweller:
Dodano: 12.02.2012r. przez gsmoka
Dzięki użytkownikowi pionier62 z Forum TRIODA, który dodał fabryczny schemat Melomana 25 mogłem uzupełnić dokumentację o ten ważny element. Schemat można otworzyć w nowym okienku przeglądarki klikając na niego myszką.
Grzegorz Makarewicz "gsmok"




