
Janusz Krzemień
Przedstawiam opis wzmacniacza stereofonicznego na lampach QQE03/12 w stopniu mocy. Lampy przeznaczone były do pracy w urządzeniach nadawczych, przeważnie w stopniach wyjściowych radiotelefonów FM na wysokich częstotliwościach 200 MHz. Nie były łatwym elementem konstrukcyjnym - stwarzały różne niespodzianki w postaci wzbudzania się układów i oscylacji. Wzmacniacz pracuje w trybie pentody w układzie Push-Pul 2 X QQE03/12 w klasie AB na każdy kanał. Na początku planowałem zastosowane transformatorów wyjściowych w układzie "Quad", lecz nastąpiły pewne trudności w realizacji.
Oto efekt końcowy w całej okazałości.


Zacznę od schematów ideowych. Poniżej przedstawiony jest pierwotny schemat układu wejściowego, inwertera fazy i stopnia wzmacniającego.

Podczas prac konstrukcyjnych został on nieco zmodyfikowany:

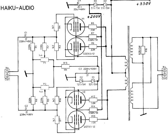
Za zgodą firmy HAIKU-AUDIO wykorzystałem układ stopnia wyjściowego z modyfikacją polegającą na usunięciu obwodu "Quad". Oto zastosowany stopień mocy w wersji pierwotnej...

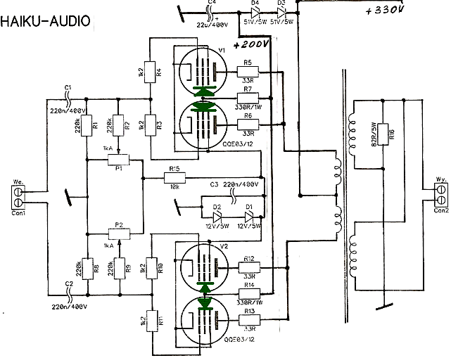
... i po zastosowaniu dodatkowych diod prostowniczych w siatkach lamp końcowych:

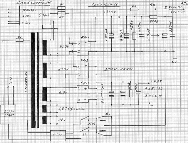
Na zakończenie oczywiście zasilacz:

A teraz zestaw fotografii ilustrujących szczegóły konstrukcyjne wzmacniacza. Poszczególne moduły zostały rozdzielone mechanicznie.

Moduł ze stopniem mocy.

Moduły z przykreconymi płytkami drukowanymi.

Moduły umieściłem w metalowej obudowie "z odzysku". Pochodzi ona z uszkodzonego amplitunera. Wykonana jest z solidnej, sztywnej blachy stalowej.



Całość przykryta jest perforowaną osłoną. Wykonana jest ona z dosyć cienkiej blachy. Nie ma to jednak większego znaczenia, gdyż wiadomo, że w uwagi na cyrkulację powietrza na wzmacniaczu nie powinno się nic stawiać.

Czas na dokumentację fotograficzna modułów wzmacniacza. oto moduł stopnia mocy przygotowany do montażu.

Na kolejnych fotografiach widać szczegóły montażu elementów na dedykowanych do tej konstrukcji płytkach drukowanych. Elementy nośne modułów wykonane zostały z blachy aluminiowej o grubości 1,5mm, do których przykręcone są "listwy montwżowe" z laminatu o grubości 1,5mm.
Moduł stopnia mocy (dwa kanały).




Moduły stopni wejściowych (poszczególne kanały na oddzielnych płytkach) i filtru zasilacza.

Płytka zasilacza.

I jeszcze trochę fotografii dla dociekliwych.


Wido modułów po wstawieniu lamp elektronowych.



A oto transfotmatory głośnikowe...

... i sposób ich zamontowania. Transformatory głośnikowe wykonane zostały przez firmę HAIKU AUDIO z Krakowa. Przeznaczone do układu Push-Pull i Raa=5kΩ.

Teraz transformator sieciowy. Postawiłem go do zrobienia fotografii. Docelowo jest on przykręcony w pozycji "leżącej"...

... tak, jak jest to pokazane na poniższej fotografii.

Szczegóły i parametry transformatora sieciowego można odczytać z etykiety. Transformator wykonany został w wersji "audio" i posiada bezpieczną rezerwę mocy.

Wskaźniki poziomu sygnału - oczywiście analogowe w starym stylu - i układ wzmacniacza, który nimi bezpośrednio steruje.

Zastosowanie konwertera cyfrowo - analogowego (DAC) rozszerza funkcjonalność wzmacniacza.

Potencjometr ALPS 2 x 50KΩ i przełączniki.


Płytka wejść z przekaźnikami.


Na kolejnych fotografiach widać końcowy montaż wzmacniacza. Moduł stopnia mocy zamontowany jest centralnie. Moduły przedwzmacniaczy po bokach. Transformator sieciowy zlokalizowany jest w tylnej części. Obok transformatora zamontowana jest wspólna dla obu kanałów płytka zasilaczy z pojemnością filtrującą 2x1150μF.



Po lewej stronie transformatora sieciowego (patrząc od tyłu) zamontowana jest płytka, na której po obydwu stronach umieszczone są układy wspomagające: soft start, układ opóźniający włączenie napięć anodowych o 90 sekund oraz zasilacz +12V.



Panel przedni został wykonany "od zera" z blachy stalowej o grubości 1,5mm.

Panel tylni wzmacniacza.

Wyniki pomiarów
Zmierzona charakterystyka częstotliwościowa wzmacniacza

A teraz obszerny zestaw fotografii systemu pomiarowego, który stosowałem podczas pomiarów.
Sygnał prostokątny o częstotliwości 1kHz, moc wyjściowa 10W.

Dolna częstotliwość graniczna przy spadku pasma o 3dB wynosi 12Hz dla mocy wyjściowej 1W (zrobienie fotografii nie było łatwe).

Dolna częstotliwość graniczna przy spadku pasma o 3dB wynosi 15Hz dla mocy wyjściowej 5W.

Dolna częstotliwość graniczna przy spadku pasma o 3dB wynosi 18Hz dla mocy wyjściowej 10W.

Górna częstotliwość graniczna przy spadku pasma o 3dB wynosi 70kHz dla mocy wyjściowej 5W.

Górna częstotliwość graniczna przy spadku pasma o 3dB wynosi 69kHz dla mocy wyjściowej 10W.

Sygnał prostokątny 250Hz przy mocy wyjściowej równej 10W.

Sygnał prostokątny 2500Hz przy mocy wyjściowej równej 10W.

Sygnał prostokątny 5000Hz przy mocy wyjściowej równej 10W.

Sygnał prostokątny 10000Hz przy mocy wyjściowej równej 10W.

Sygnał prostokątny 15000Hz przy mocy wyjściowej równej 10W.

Sygnał prostokątny 20000Hz przy mocy wyjściowej równej 10W.

Sygnał sinusoidalny 1000Hz przy mocy wyjściowej równej 10W.

Sygnał sinusoidalny 1000Hz przy mocy wyjściowej równej 16W.

Sygnał sinusoidalne 1000Hz przy mocy wyjściowej równej 20W.

Sygnał sinusoidalne 1000Hz przy mocy wyjściowej równej 24W.

Na zakończenie zapraszam wszystkich zainteresowanych do śledzenia wątku poświęconego temu wzmacniaczowi na Forum TRIODA pod adresem: [Wzmacniacz Push-Pull na lampach QQE03/12 w stopniu mocy].
Opracowanie: Janusz Krzemień