

Damian "Ghost" Smółka
Witam. Chciałbym w poniższym artykule zaprezentować sprzęt jaki miałem ostatnio przyjemność popełnić – Soldano SLO-100. Jest to mój czwarty projekt lampowy jaki wykonałem i z dotychczasowych uważam go za najlepszy jaki wyszedł spod mojej lutownicy.
Dane techniczne:
- Moc – 100W
- Lampy mocy – 4 x 6L6WXT+ Sovtek
- Lampy preampu – 5 x ECC83 RFT
Transformatory:
- TS – IGMT-SLO100
- TG – IGOT-SLO100
- Dławik – IGCH-SLO100
Kanały:
- Kanał Normal – Regulacja: Preamp Volume, Master Volume, Bass, Middle, Treble, Presence, Depth, Przełączniki: Normal/Bright, Clean/Crunch
- Kanał Overdrive – Regulacja: Preamp Volume, Master Volume, Bass, Middle, Treble, Presence, Depth.
- Korektor – Wspólny dla obu kanałów, dodatkowo regulacja Presence i Depth
- Przełączanie kanałów – Możliwe zarówno z Footswitcha jak i przełącznika na panelu przednim. Dioda LED sygnalizująca pracę kanału Overdrive.
Inne:
- Pętla FX – Lampowa, beż możliwości regulacji.
- Regulacja BIAS – Zewnętrzne punkty pomiarowe, trymer do regulacji.
- Wyjście kolumny – 2 x Jack, Przełącznik Impedancji 4/8/16 Ohm.
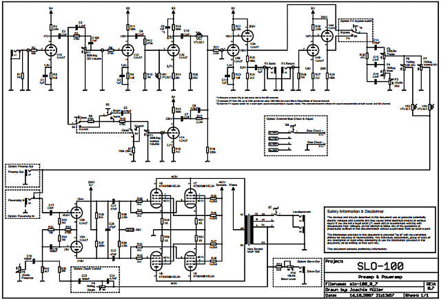
Schematy i layout z których korzystałem.



Płytki zostały zakupione w Tube-Town - https://www.tube-town.net/ttstore/product_info.php/info/p935_Soldano-SLO100-PCB-Set.html.
W kwestii samego wykonania pracę podzieliłem sobie jak zawsze na poszczególne etapy.
Dzień 1.
Mając wszystkie potrzebne elementy na pierwszy ogień poszło przystosowanie chassis do posiadanych części, a także wywiercenia otworów montażowych na transformatory i płytki PCB. Pomocna przy tym okazała się taśma ochronna na której po wcześniejszym odpowiednim ustawieniu elementów rozrysowałem sobie ich ułożenie. Zazwyczaj robię to bezpośrednio na chassis, jednak tym razem pracowałem z chassis pomalowanym proszkowo na którym ślady ołówka były niewyraźne i szybko się ścierały.




Do wykonania otworów użyłem wiertła stopniowanego – popularna „choinka”. Dodatkowo musiałem jeszcze rozwiercić otwory w gałkach bo okazało się, że pomimo tego iż uwzględniłem, żeby miały one średnicę odpowiednią do potencjometrów, to mimo wszystko i tak były za małe i nie chciały wejść na ośki. Na tym zakończyłem pierwszy etap prac. Nadeszła pora na obsadzenie pierwszych elementów w chassis.






Jak widać pod płytką PCB zasilacza umieściłem kostkę montażową. Podpatrzyłem gdzieś u kogoś w kopi SLO i spodobało mi się, bo pozwala zachować względny porządek przy okablowaniu. Z resztą będzie to widoczne na dalszych zdjęciach.

Podsumowując pierwszy dzień prac montażowych zamontowałem: kontrolkę, przełączniki Power i Standby, gniazdo sieciowe, bezpiecznik sieciowy, podstawki lamp preampu i końcówki mocy, punkty pomiaru BIAS, a także transformator sieciowy. Połączyłem też już niektóre elementy. Wszystko widać na poniższych zdjęciach.









Jak widać połączenia na przełącznikach i gnieździe sieciowym są wykonane na konektorach. Połączenia te, są dodatkowo ze względów bezpieczeństwa zabezpieczone poprzez nałożenie koszulki termokurczliwej. Podobny zabieg jest wykonany na gniazdach bezpiecznikowych. Wszystkie połączenia w tym obszarze są wykonane ciasną skrętką co dodatkowo ułatwia prowadzenie przewodów w chassis.
Dzień 2.
Mając już wstępnie ogarnięte kwestie podłączenia transformatora sieciowego kolejny dzień montażu postanowiłem zacząć od zmontowania płytki zasilacza. Pierwsze co musiałem zrobić to nieco powiększyć otwory do których mają być lutowane przewody przychodzące do płytki. Było to uzasadnione faktem, iż postanowiłem dać w tych miejscach kołki Turret ponieważ zabieg ten umożliwił mi w późniejszym czasie lutowanie przewodów od góry płytki co znacznie ułatwiło przeprowadzenie sprawnego montażu.

Mając przygotowane wszystkie elementy przystąpiłem do ich przymiarki do płytki. Po kilkunastu minutach miałem już wszystko gotowe i można było przystąpić do lutowania.

Kwadrans z lutownicą w dłoni i efekt widoczny poniżej. W tym miejscu przyznaje się bez bicia, że pomimo, iż starałem się prowadzić w miarę skrupulatną dokumentację fotograficzną to nie wykonałem żadnego zdjęcia pokazującego płytkę od spodu (ta sama sprawa w przypadku płytki preampu) – następnym razem postaram się o tym pamiętać a obecnie muszą wystarczyć zdjęcia „z lotu ptaka”.




W następnej kolejności postanowiłem pociągnąć żarzenie do lamp mocy. Tu od razu rzuca się w oczy pierwsza różnica między moją wersją a oryginałem – ja ciągnę całe żarzenie skrętką podczas gdy w oryginale mamy proste odcinki drutu. Czemu tak ? Nie miałem na stanie odpowiednio grubego drutu żeby puścić nim 9 A prądu żarzenia a poza tym nie chciałem ryzykować powstania ewentualnych negatywnych efektów ubocznych – wyznaję zasadę żeby żarzenie zawsze dawać ciasną skrętką.


Przewody idące do podstawek zostały połączone z przewodami z trafa sieciowego w tulejce zaciskowej a następnie umieszczone w „rozdzielce”.

Następnie zamontowałem transformator głośnikowy oraz dławik ponieważ postanowiłem, iż najpierw muszę się uporać z kwestią pociągnięcia zasilania do wszystkich punktów które go wymagają.



Zacząłem od podłączenia bezpiecznika anodowego z dławikiem i TG. Następnie na kostce wyprowadziłem zasilanie dla kontrolki oraz dla stałego napięcia żarzenia. Na kostce także zrobiłem wyprowadzenie z dławika z którego idzie zasilanie na siatki drugie lamp mocy oraz na płytkę zasilacza dla preampu.


Następnie w ramach relaksu od walki z kablami zmontowałem układ trymera do zewnętrznej regulacji BIAS.



Następnym krokiem było dokończenie okablowania „rozdzielki”. Wyprowadziłem z niej potrzebne przewody mas lokalnych a jeden koniec został przyłączony do chassis.

Zapewne zastanawiający będzie manewr jaki został wykonany z fioletowym przewodem. Uzasadnienie jest proste – uciąłem go z rozpędu za krótki i po założeniu płytki zasilacza nie sięgał do punktu do którego miał. Na szczęście zostało mi jedno miejsce na kostce bo inaczej musiał bym robić przedłużkę w inny sposób.


W tym momencie uznałem etap okablowania zasilania za zakończony. Dokonałem przymiarki czy płytka zasilacza łatwo wchodzi na swoje miejsce a następnie sprawdziłem prześwit między kostką a płytką.

Odległość uznałem za zadowalającą jednak w ramach ostrożności zakleiłem dodatkowo wierzch kostki taśmą izolacyjną. Na tym etapie postanowiłem zakończyć dzień drugi.
Dzień 3.
Doszedłem do wniosku, że na tym etapie można już spokojnie zamontować płytkę zasilacza w chassis, jednak żeby to zrobić musiałem najpierw okablować żarzenie dla lamp preampu.


Następnie przylutowałem pod płytką zasilacza rezystory symetryzujące dla napięcia żarzenia (na zdjęciu widoczne pod białym i fioletowym przewodem). W tej konstrukcji symetryzowane jest żarzenie tylko dla preampu który jest żarzony prądem stałym. Końcówka jest żarzona prądem zmiennym, niesymetryzowanym. Takie rozwiązanie było poruszane na forum kilkakrotnie więc postanowiłem sprawdzić jak zachowuje się w praktyce.



Przed założeniem płytki zasilacza postanowiłem podłączyć jeszcze zasilanie anod lamp mocy.






Następnie umieściłem płytkę zasilacza na swoim miejscu i przylutowałem wszystkie niezbędne wyprowadzanie. Okazało się, że wszystkie wymiary są idealne – płytka wchodzi na swoje miejsce bez problemu i bez kolizji z innymi elementami. Możliwe jest zdjęcie konektorów z przełączników i gniazda sieciowego bez wyciągania płytki.






Niestety ze względów czasowych musiałem na tym zaprzestać montażu na ten dzień.
Dzień 4.
Postanowiłem, iż kolejną rzeczą jaką się zajmę będzie pozbycie się ostatniego nieokiełznanego kłębowiska kabli czyli wyjścia z trafa głośnikowego.

Po wcześniejszym przygotowaniu gniazd sieciowych a następnie ich zamontowaniu razem z przełącznikiem mogłem dociąć kable z TG na odpowiednią długość a następnie przystąpiłem do ich lutowania.






W późniejszym etapie montażu okazało się, że przez pomyłkę uciąłem żółty kabel za krótki i musiałem go wymienić na dłuższy. Nie było z tym na szczęście żadnego problemu. Na tym zakończyłem kolejny dzień montażu.






Dzień 5.
Kolejnego dnia postanowiłem zmontować końcówkę mocy. Podstawki lamp mocy zamontowałem właśnie z myślą o zmontowaniu całego układu dokładnie tak jak wygląda na zdjęciach poniżej.











Kolejnym krokiem było zmontowanie układu do zewnętrznego pomiaru BIAS. Wiem, że jest on widoczny już na powyższych zdjęciach – wynika to z faktu, iż nie zawsze robiłem zdjęcia na bieżąco tylko potem leciałem hurtem całą serię. Z tego powodu może się czasem zdarzać, że zdjęcia pokazują, iż zmontowane jest coś o czym jeszcze nie wspominałem.




Następnie zamontowałem gniazdo Footswitch oraz przełącznik zmiany kanałów na froncie wzmacniacza.



W tym momencie miałem zmontowane praktycznie wszystko co nie wymagało konieczności łączenia z płytką PCB preampu. Nadeszła więc kolej na jej zmontowanie, postanowiłem jednak zrobić to dopiero kolejnego dnia, jednak tego dnia przygotowałem sobie jeszcze wszystkie elementy na odpowiedni wymiar, tak abym mógł kolejny etap zacząć już od lutowania elementów na płytce.
Dzień 6
Podobnie jak w przypadku zasilacza także i na płytce preampu zastosowałem kołki lutownicze w miejscach gdzie wygodniej będzie mi przylutować kable od góry. Następnym etapem było wlutowanie zworek w odpowiednie miejsca. Następnie przyszła kolej na rezystory, mostek prostowniczy układu przełączającego, małych kondensatorów oraz na koniec VTL5C1. W tym momencie płytka wyglądała jak na zdjęciach poniżej.

Czerwony drut na górze płytki który „łączy” punkt B2 z GND jest doprowadzeniem zasilania do punktu B2. Piszę o tym ponieważ dostałem już o to pytanie na maila więc postanowiłem, iż muszę wyjaśnić tą kwestię aby uniknąć ewentualnych nieporozumień.




Następnie zamontowałem wszystkie pozostałe kondensatory.






A także podłączyłem przewody które już wcześniej poprzycinałem na odpowiednią długość.



Prace tego dnia zakończyłem na podłączeniu zasilania dla diody LED sygnalizującej pracę kanału Overdrive, połączeniu przełącznika Bright/Normal oraz Clean/Crunch, zamontowaniu wszystkich potencjometrów na chassis, zmontowaniu gniazda wejściowego i pociągnięciu szyny masy na potencjometrach.



W tym momencie musiałem zarzucić montaż na dwa tygodnie ponieważ wyjechałem na studia. Jednak po powrocie do domu następnego dnia ukończyłem dzieło.
Dzień 7.
Przed wyjazdem miałem gotowe wszystkie elementy wzmacniacza, pozostało jedynie zamontować płytkę PCB preampu na swoje miejsce, dokonać potrzebnych połączeń i można było zaczynać pierwsze testy.





Na początek uruchomiłem końcówkę mocy i inwerter aby sprawdzić, czy prawidłowo podłączyłem zasilanie anod z TG do lamp mocy. Pisk który pojawił się po załączeniu napięcia anodowego szybko dał odpowiedź na to pytanie. Chwila z lutownicą aby poprawić połączenie, drugie podejście i… cisza której oczekiwałem. Następnie włożyłem lampę powrotu pętli FX, wpinam gitarę w wejście Return i przeprowadzam pierwszy test brzmieniowy. Zgodnie z oczekiwaniem ładny czysty dźwięk. Sprawdzam jak zachowuje się korektor i pozostała regulacja. Wszytko ok.





Nie pozostało nic innego jak włożyć pozostałe lampy i sprawdzić pełne możliwości pieca. Godzinka testów z gitarą wykazała, iż wszystko działa jak należy. Jeśli chodzi o brzmienie to określenie powalające idealnie wpasowuje się w jego określenie. Kanał czysty ma ładną, klasyczną barwę. Załączenie opcji Bright pozwala osiągnąć ładną „szklaneczkę”. Przełączając do trybu Crunch mamy idealny kanał do grania bluesa oraz rockowych ballad. Prawdziwa moc tego potwora to jednak bez wątpienia kanał Overdrive. Wymagany przeze mnie poziom Gainu ta bestyjka osiąga już w okolicy 6 – 7 na skali więc do 11 jeszcze jest trochę zapasu dla prawdziwych maniaków rzucania gruzem.



Prąd BIAS ustawiłem na 42 – 44mA (taka jest rozbieżność na punktach pomiarowych). Następnego dnia zrobiłem sprzętowi test wytrzymałościowy. Po ośmiu godzinach nieustannej pracy – odtwarzaniu muzyki z odtwarzacza przeplatanym z grą na gitarze trafo sieciowe nagrzało się ale mimo tego spokojnie można było trzymać je ręka, a trafo głośnikowe było tylko lekko ciepłe. Test przeprowadziłem ze wzmacniaczem umieszczonym w obudowie więc w takich warunkach w jakich będzie pracował.





Projekt w tym miejscu uznaje za zakończony. Podsumowując montaż – obeszło się bez większych problemów poza odwrotnie podłączonym zasilaniem anod i pomyleniem kolorów kabelków do gniazda Footswitch (na płytce wlutowałem czerwony jako masę a czarny jako zasilanie, o pomyłce zorientowałem się dopiero w chwili ostatecznego sprawdzania układu przed uruchomieniem więc szybciej było zamienić te dwa przewody miejscami na gnieździe niż próbować zrobić to na płytce).
Jeśli macie jakieś uwagi lub sugestie które mogą mi się przydać na przyszłość to komentować i zadawać pytania można na forum w tym temacie - http://www.trioda.com/forum/viewtopic.php?f=19&t=26189
Jeszcze kilka zdjęć na koniec.







Oraz próbki dźwiękowe – pliki z przedrostkiem „slo” to właśnie ten piec. Proszę nie komentować zdolności instrumentalnych :) nagrania takie sobie ale nic lepszego nie jestem w stanie wyprodukować.
http://www.soundclick.com/bands/page_music.cfm?bandID=1244201
Na początku roku wzmacniacz dostał nową obudowę - oto ona, w całej okazałości.


Opracowanie: Damian "Ghost" Smółka