
Grzegorz "gsmok" Makarewicz,
Audio Innovation Series 500 jest zintegrowanym wzmacniaczem lampowym o mocy 25W pracującym w klasie A. Jak sama nazwa wskazuje, wyprodukowany został przez firmę Audio Innovations z siedzibą w Brighton w Wielkiej Brytanii. Firma Audio Innovations została założona przez Petera Qvortrupa i Erika Anderssona w 1984 r. i wytwarzała wzmacnaicze lampowe w latach 1984 - 1996. W 1991 r. firma została wykupiona przez Audio Components, zaś w 1996 r. marka została kupiona przez Audio Partnership. Wzmacniacze serii 500 powstały w początkowym okresie funkcjonowania Audio Innovations na rynku, jeszcze w latach 80-tych ubiegłego wieku.
Widok ogólny wzmacniacza przedstawiony jest na Rys. 1.
Rys. 1.
Podstawowe parametry wzmacniacza przedstawione zostały w Tabeli.
| Moc wyjściowa | 25W, klasa A, 30Hz-20kHz +/-3dB |
| Czułość wejściowa (bez wejścia phono) | 400mV (maksymalny sygnał 3V) |
| Separacja kanałów | > 78dB |
| Impedancja wejściowa | 100KOmów |
| Dokładność charakterystyki RIAA wejścia phono | < 0,1dB w pasmie 20Hz - 20kHz |
| Zniekształcenia (THD) | <0,15% w pasmie 80Hz-15kHz/1W |
| Wejścia | Phono, Tuner, CD, Aux, Tape, Monitor |
| Głębokość petli sprzężenia zwrotnego | 14dB |
| Pobór mocy | 230W |
| Waga | 17kg |
| Zastosowane lampy | 3xECC83, 2xECC88, 4xEL34 |
Opisany tutaj wzmacniacz różni się od podanej specyfikacji w zakresie zastosowanych lamp. Podstawowa, widoczna gołym okiem różnica to zastosowane w nim lamp 5881/6L6 zamiast EL34. Ta "podmiana" jest bardzo często stosowana przez posiadaczy tego modelu. Nawet pobieżne przeszukanie zasobów Internetu pokazuje, że wersja z oryginalną obsadą lamp EL34 należą nawet do mniejszości.
Od strony wzorniczej wzmacniacz łączy w sobie do bólu klasyczny kształt obudowy (przypomina mi on wygląd znanego w środowisku polskich audiofili wzmacniacza Lorelei) z niekonwencjonalnym dodatkiem jakim jest przezroczysta płyta ozdobna mocowana od góry. Obok funkcji czysto artystycznych pełni ona również istotną rolę informacyjną - na niej bowiem znajdują się opisy gniazd wejściowych oraz przełączników.

Rys. 2.
Na Rys. 3. widać wyraźnie białe opisy naniesione na plastikowej osłonie.

Rys. 3.
A oto widok z boku. Imponujący zestaw gniazd wejściowych typu "cinch" oraz gniazdo bananowe do podłączenia uziemienia wzmacniacza. Proszę sobie wyobrazić obsługę wzmacniacza przy braku przezroczystej "przykrywki". Prawdziwa "masakra". Przekonałem się o tym osobiście. Nie będąc właścicielem wzmacniacza i tym samym nie mając zakodowanych odruchów w jego obsłudze nadaremnie przez kwadrans usiłowałem skorelować gniazda sygnałowe z ustawieniem przełączników. Zaparłem się, że zrobię to nie tracąc czasu na przejście do drugiego pokoju i przyniesienie pozostawionej tam nieopatrznie osłony. No i co? - no i się nie udało. Jak niepyszny poszedłem w końcu po osłonę i dopiero z jej pomocą uruchomiłem wzmacniacz.

Rys. 4.
Jedyną stroną obudowy, na której producent zdecydował się umieścić jakiekolwiek informacje jest tył wzmacniacza (Rys. 5). Znajduje się tutaj zestaw gniazd głośnikowych. Mamy do dyspozycji aż trzy konfiguracje oporności obciążenia: 4, 8 i 16 omów. Zastosowane gniazda są może nieco skromne jeśli chodzi o widok - za to są bardzo solidne i dobrze zamocowane do chassis.

Rys. 5.
Egzemplarze wzmacniaczy z końcowego okresu ich produkcji (prawdopodobnie po kupieniu Audio Innovations przez Audio Components) posiadały tylko dwie oporności obciążenia do wyboru - brak było odczepu dla 16 omów co pokazano na Rys. 6. Ta modyfikacja dotyczyła niestety nie tylko liczby odczepów ale i jakości zastosowanych transformatorów głośnikowych. Posiadacze wersji z odczepem 16-omowym są więc podwójnie szczęśliwi.

Rys. 6.
Po kilku fotografiach ukazujących zewnętrzne walory wzmacniacza czas na pokazanie co kryje się w jego wnętrzu. Przedtem jednak, dla najbardziej dociekliwych Gości, parę schematów ideowych. Na Rys. 7 przedstawiony jest podstawowy układ wzmacniacza.

Rys. 7.
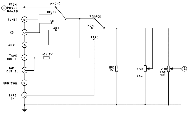
Na Rys. 8. widzimy układ podwójnego przełącznika wejść.

Rys. 8.
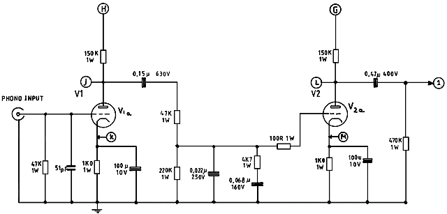
Wzmacniacz wyposażony jest w dedykowany przedwzmacniacz "phono" pokazany na Rys. 9.

Rys. 9.
No i w końcu zasilacz (Rys. 10.). Często niedoceniany element układu - a w istocie niesłychanie ważny.

Rys. 10.
Schematy mamy więc z głowy. Popatrzmy jak wzmacniacz prezentuje się od środka. Najczęstszą do tego okazją jest niestety awaria urządzenia, w wyniku której trafia on stół warsztatowy (Rys. 11).

Rys. 11.
Po wyjęciu lamp, aby nie uległy uszkodzeniu podczas oględzin urządzenia (wzmacniacz waży około 17kg) i odkręceniu śrub mocujących z niecierpliwością łapiemy za osłonę aby zerknąć do środka i tutaj czeka na nas niespodzianka. Wzmacniacz nie daje się otworzyć, a jedynie nieco uchylić (Rys. 12).

Rys. 12.
Zastosowany sposób montażu praktycznie uniemożliwia swobodny dostęp do wnętrza. Dostanie się do sekcji zawierającej transformatory oraz zasilacz jest BARDZI!!! utrudnione. Na Rys. 13 pokazane jest największe jakie udało mi się uzyskać rozsunięcie osłon obudowy.

Rys. 13.
Skoro po dłuższym czasie manipulowania drewnianymi klinami i rozpórkami uzyskałem nieco lepszy dostęp do środka, byłoby niepożałowaną stratą nie uwiecznić tego faktu na paru fotografiach. Na Rys. 14 widać dwa transformatory głośnikowe o imponujących rozmiarach.

Rys. 14.
Na Rys. 15 widać transformator głośnikowy oraz elementy zasilacza anodowego w postaci dwóch dużych kondensatorów elektrolitycznych (220uF/400V) przytwierdzonych do chassis za pomocą obejm i przylutowanych bezpośrednio do łączówek kondensatorów: mostka prostowniczego i rezystora dużej mocy (47Omów/11W). Rezystor i kondensatory stanowią pierwszy stopień układu filtrującego napięcie anodowe pokazanego na schemacie na Rys. 10.

Rys. 15.
Rys. 16 pokazuje prostownik napięcia anodowego oraz wierzchołek transformatora sieciowego - równie imponującego jak transformatory głośnikowe.

Rys. 16.
No a teraz (Rys. 17) w nieco większym powiększeniu opisane wcześniej elementy zasilacza anodowego.

Rys. 17.
Co zrobić, gdy trzeba wymienić jeden z kondensatorów zasilacza anodowego w sytuacji, gdy demontaż i montaż musi być przeprowadzony metodą "laparoskopową"? W przypadku, gdy szerokość "szpary dostępowej" jest równa średnicy kondensatora (o co zadbał projektant wzmacniacza) można to zrobić stosując odpowiednio przygotowany zamiennik. Jest on przedstawiony na Rys. 18.

Rys. 18.
Aby opis był obiektywny nie mogę ciągle narzekać na całkowity brak dostępu do wnętrza wzmacniacza. W przypadku płytek drukowanych z elektroniką jest nieco lepiej. Od spodu w obudowie znajduje się sporych rozmiarów okienko zabezpieczone ażurową osłoną (Rys. 19).

Rys. 19.
Odkręcamy kilka śrubek i proszę bardzo - oto ja (Rys. 20).

Rys. 20.
Ten sam widoczek pod nieco innym kątem. Jak widać płytki są doskonale widoczne. Uff, co za ulga - da się wykonać czynności naprawczo - serwisowe. Nie jest to jednak tak łatwe, jak mogłoby sugerować zdjęcie. Otóż przewody doprowadzone do płytek (a jest ich sporo co można zobaczyć na poniższych fotografiach) są bardzo krótkie. Tak więc uszkodzony element jest dobrze widoczny, ale aby go wylutować i zastąpić innym, potrzebne są zręczne i małe ręce oraz dużo umiejętności prestidigitatorskich i sporo anielskiej cierpliwości.

Rys. 21.
A oto zestaw płytek drukowanych. Nawet pobieżny rzut oka na wnętrze ukazuje fakt, że wzmacniacz był niestety modyfikowany. Piszę "niestety", gdyż jestem zagorzałym przeciwnikiem wprowadzania bez potrzeby jakichkolwiek zmian w urządzeniach wyprodukowanych wiele lat temu i pretendujących do miana "kultowych". To tak, jakby ktoś uzupełnił portret Mony Lisy o dodatki w związku z nowymi trendami obowiązującymi we współczesnym malarstwie. Moje ortodoksyjne podejście (wynikające pewnie z faktu, że kolekcjonuję lampowe urządzenia retro) nie jest jednak "ślepe" i uznaję ingerencje techniczne w przypadku, gdy dotyczą one np. wymiany wadliwego elementu.

Rys. 22.
Poniżej zamieszczam kilka fotografii szczegółów montażu elementów wzmacniacza. Na Rys. 23, na pierwszym planie widoczna jest płytka przedwzmacniacza "phono" z wyróżniającymi się pod względem gabarytów dwoma kondensatorami MKT 0,47uF/400V poprzez które oba kanały przedwzmacniacza połączone są ze stopniem wejściowym wzmacniacza. Na sąsiadującej z płytką podstawce lampy widać niezbyt gustowny "grzybek" - grubo pocynowany pierścień z laminatu którego wygląd wskazuje na nieoryginalne pochodzenie (jedna z "modyfikacji", której został poddany wzmacnaicz).

Rys. 23.

Rys. 24.

Rys. 25.

Rys. 26.

Rys. 27.

Rys. 28.

Rys. 29.

Rys. 30.

Rys. 31.
Na zakończenie widok wzmacniacza w niecodziennej pozycji na stole warsztatowym podczas pomiarów.

Rys. 32.
Zwykle każdy opis urządzenia audio kończy się opinią o jego walorach odsłuchowych. Opinie takie charakteryzują się wyjątkowym natłokiem przenośni, za pomocą których autor stara się przekazać innym to co odczuwa subiektywnie, czyli innymi słowy to czego w zasadzie nie da się przekazać. Nie chcąc iść tą drogą pozwolę sobie jedynie stwierdzić, że według mnie wzmacniacz gra naprawdę dobrze. W skali "Radforda" dałbym mu 8 punktów na 10.
Opracowanie: Grzegorz "gsmok" Makarewicz, www.trioda.com