
Grzegorz "gsmok" Makarewicz,
W rankingu piękności wzmacniaczy lampowych, które trafiły w moje ręce od lat liderem są wzmacniacze mocy produkowane dawno temu przez firmę Radford (w szczególności model STA-25
). Wzmacniacze z dalszych miejsc dzieliła od Radforda prawdziwa przepaść. Tak było do momentu mojego osobistego spotkania trzeciego stopnia ze wzmacniaczem Classic 60, wyprodukowanym przez firmę Audio Research. Mimo, że w porównaniu z "Radfordami", "Quadami" i innymi lampowymi staruszkami jest on prawdziwym młodzieńcem (konstrukcja ujrzała światło dzienne w 1989 roku), jego wygląd wzbudził we mnie dreszcz ekscytacji. Jak nic drugie miejsce w rankingu
.
I pomyśleć, że tak pięknie i klasycznie wyglądający wzmacniacz to konstrukcja hybrydowa. Brrrrr
.
Podstawowe parametry wzmacniacza
- Moc wyjściowa 60W na obciążeniu 16Ω,
- Czułość 550mV RMS dla pełnej mocy wyjściowej,
- Pasmo mocy (-3dB) 12Hz - 40kHz,
- Zniekształcenia nieliniowe przy pełnej mocy w paśmie 15Hz - 20KHz poniżej 1%,
- Impedancja wejściowa 100KΩ,
- Odstęp sygnał/szum 84dB,
- Oporność obciążenia 4/8/16Ω,
- Impedancja wyjściowa 0.56Ω (współczynnik tłumienia około 30),
- Globalne sprzężenie zwrotne 20dB,
- Maksymalny pobór mocy 700W (370W w stanie spoczynkowym),
- Zastosowane lampy elektronowe 4 x 6FQ7/6CG7, 8 x 6550,
- Wymiary 480mm x 180mm x 400mm,
- Waga 28.64kg,
- Producent Audio Research Corporation.
Mieszaną, lampowo-tranzystorową konstrukcję wzmacniacza ujawnia jego schemat ideowy. Proszę zwrócić uwagę na niekonwencjonalny sposób podłączenia transformatora wyjściowego
.

Schemat ideowy wzmacniacza
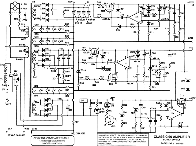
Niewątpliwie tak rozbudowany tor audio wymaga równie rozbudowanego zasilacza. Oto on.

Schemat ideowy zasilacza
Skoro wzmacniacz jest taki piękny to pozostaje mi w zasadzie wyłącznie prezentacja fotograficzna z komentarzem ograniczonym do niezbędnego minimum. Na kolejnych sześciu fotografiach przedstawiłem ujęcia kompletnego wzmacniacza przed zdemontowaniem osłon. Jego wymiary oraz (co widać gołym okiem) otwory montażowe w panelu przednim przystosowane zostały do montażu w stelażu typu "rack". Oczywiście żaden normalny użytkownik nie wstawia go do takiego stelażu i traktuje jak inne elementy składowe systemu audio.

Fot. 1.

Fot. 2.
Przez prześwitującą siateczkę osłony górnej widać wnętrze wzmacniacza. Słodka tajemnica zostaje więc niestety częściowo ujawniona jeszcze przed zdemontowaniem osłony. Na fotografii widać również trzy solidne transformatory umieszczone tuż za panelem przednim. To one decydują o wadze wzmacniacza i są przyczyną jego "niezbalansowania". Przód waży dużo więcej od reszty i trzeba mieć to na uwadze podnosząc wzmacniacz. Na szczęście został on wyposażony w solidne uchwyty.

Fot. 3.
Z tyłu umieszczono nietypowe (to mało powiedziane) gniazda głośnikowe. Mimo ich nietypowej konstrukcji są bardzo praktyczne.

Fot. 4.
Na poniższym ujęciu widać dodatkowe elementy usztywniające z postaci kątowników łączących płytę czołową w chassis. Muszę przyznać, że nie wyglądają zbyt estetycznie i sprawiają wrażenie niezwykle delikatnych. Na szczęście nie są delikatne i dodatkowo nie są zbyt widoczne z przodu wzmacniacza.

Fot. 5.

Fot. 6.
Przed zdjęciem osłony górnej warto zapoznać się z treścią tabliczki informacyjnej. Z pewnością większość użytkowników ignoruje zawarte w niej ostrzeżenie.

Fot. 7.
Po odkręceniu i odchyleniu osłony oczom naszym ukazuje się imponujący zestaw lamp końcowych (piękny widok
) oraz bateria kondensatorów elektrolitycznych z czerwonymi kapturkami-osłonami (ten widok nie jest już taki piękny
).

Fot. 8.
Pod osłoną ukryte są dwa wentylatorki. Przewody zasilające połączone są z płytą główną. Bez id odłączenia nie jest możliwe pełne zdemontowanie osłony.

Fot. 9.
Tak wygląda wentylatorek. Jest bardzo cichy. Pełni dwie funkcje: chłodzi komplet lamp końcowych jednego kanału
oraz wciąga do wnętrza wzmacniacza cały okoliczny kurz
. Rozwiązaniem mogłyby być jakieś filtry np. podobne do tych jakie się stosowało w profesjonalnej aparaturze pomiarowej (Bruel & Kjaer, Tektronix itp.), aczkolwiek wymagałoby to od użytkownika okresowego czyszczenia. Zresztą nie jestem pewien, czy przy tak ażurowej konstrukcji osłony filtry nie byłyby tylko bezsensownym kwiatkiem do kożucha.

Fot. 10.
Osłona sama w sobie to małe dzieło sztuki. Warta jest uwiecznienia na oddzielnych fotografiach. Oto one.

Fot. 11.
A oto rozwiązanie zagadki na temat ile się trzeba napracować aby oddzielić przewód zasilający wentylatorki od płyty głównej. Jak na solidną konstrukcję przystało, nie jest do tego wymagana lutownica, a jedynie małe pociągnięcie i pstryk - wtyczka wyskakuje z gniazdka. Miodzio
.

Fot. 12.
Tutaj widać lepiej jak zainstalowano gniazdko zasilania wentylatorków.

Fot. 13.
Po całkowitym zdemontowaniu osłony ukazuje nam się wnętrze wzmacniacza w całej okazałości. Jak widać wzmacniacz został przeze mnie odkurzony i na dalszych fotografiach lampy błyszczą jak nie powiem co
.

Fot. 14.
Na tym ujęciu widoczne są przewody połączeniowe kondensatorów. Z wielkim trudem "wyłażą" spod kapturków, nieestetycznie je rozciągając i powodując ich zsuwanie się z kondensatorów
.

Fot. 15.
Ujęcie nieco ekwilibrystyczne, ale to najlepsza pozycja, jaką może przyjąć wzmacniacz np. podczas...

Fot. 16.
... kontroli wartości prądów spoczynkowych lamp końcowych.

Fot. 17.
Na poniższej fotografii widać dokładnie jakie fikuśne gniazda głośnikowe zostały zastosowane. Niektórzy użytkownicy wzmacniacza wymieniają te gniazda na tradycyjne (widać to np. na fotografiach zamieszczonych w Internecie), co według mnie jest postępkiem karygodnym
.

Fot. 18.
A teraz minigaleria ze szczegółami. Patrzcie i podziwiajcie.

Fot. 19.
Komplet podstawek jednego kanału: dwie novalowe i cztery oktalowe (w zasadzie zgodnie z obowiązującą obecnie modą powinienem napisać Octalowe
).

Fot. 20.
Aż cztery "Czerwone Kapturki". Ich wygląd przestraszy niejednego wilka zmuszając go do ucieczki z lasu.

Fot. 21.
Jak się katować to na całego. Aż się mieni w oczach i ściska w dołku
.

Fot. 22.
Serwisowalność wzmacniacza prawie na najwyższym możliwym poziomie. Prawie każdy element doskonale widoczny, końcówki dostępne nie tylko od góry ale (co pokazane jest w dalszej części galerii) również od spodu. Podkreśliłem słowo "prawie", gdyż znalezienie potencjometrów zastosowanych w obwodach kontroli prądu spoczynkowego lamp mocy wymaga wynajęcia detektywa Monka. Nie sądziłem, ze można je tak schować jak to zrobiono. Ale o tym sza.

Fot. 23.
Popatrzcie na ten przekaźniczek przy kondensatorach elektrolitycznych
. A jak pięknie pstryka
.

Fot. 24.
Jeszcze jeden widoczek na podstawki zrobiony w wyżyn kondensatorów.

Fot. 25.
Mocowanie podstawek lampowych oktalowych - pancerne.

Fot. 26.
"Novale" trzymają się wyłącznie na własnych nóżkach bez dodatkowych mocowań. Nie są one zresztą tutaj potrzebne.

Fot. 27.
Radiatorki też niezgorsze. Widoczne niewielkie ślady korozji na obejmach kondensatorów elektrolitycznych.

Fot. 28.
Po zdjęciu osłony górnej i obejrzeniu wnętrza od góry czas na inspekcje partii dolnych. Osłona spodnia jest równie ażurowa co wierzchnia. Wycięcia są piękne więc warto je...

Fot. 29.
... uwiecznić na osobnej fotografii. To nie są jakieś tam dziurki zrobione wiertarką. Tutaj zastosowano laser lub wykrojnik.

Fot. 30.
Po zdjęciu osłony spodniej możemy obejrzeć drugą stronę płyty głównej. Tak wygląda w całości. To tutaj znajdują się punkty pomiarowe, które można wykorzystać podczas...

Fot. 31.
... kontroli i regulacji wzmacniacza.

Fot. 32.
Zapoznajmy się ze szczegółami montażu.

Fot. 33.
Duże pola lutownicze, niewiele przewodów. Doskonały dostęp dla serwisanta.

Fot. 34.
A tutaj doskonale widoczne otwory wentylacyjne wywiercone w płycie głównej. Jest ich mnóstwo
.

Fot. 35.
Od kondensatorów aż mi się żółto zrobiło przed oczami. Co to za kondensatory? Proszę bardzo ...

Fot. 36.
... oto szczegóły. Można sobie poczytać.
Kondensatory solidne, choć bez audiofilskich naleciałości. Przy okazji pragnę zwrócić szczególną uwagę na całkowity brak kleju lub innych maziowatych wynalazków, którymi w audiofilskich urządzeniach obsmarowane są kondensatory. Wiara w poprawę dźwięku przez wszechobecne "gluty" na kondensatorach jest coraz powszechniejsza i nie pomaga tutaj fakt, że w naprawdę dobrze grających wzmacniaczach z górnej półki producenci nie kleją kondensatorów. Być może doszli do wniosku, że taka technologia oprócz utrudnienia serwisowania i popsucia wyglądu wnętrza urządzenia nic nie daje
.

Fot. 37.
A teraz fragment ukazujący transformatory. Od góry posiadają one estetyczne dekielki. Od dołu wpuszczone są w otwory wycięte w chassis. I tutaj mała nieprzyjemna dla mnie niespodzianka. Producent zastosował karkasy bezkołnierzowe, które nawet w latach 50-tych ubiegłego wieku w literaturze radzieckiej uznawane były za karkasy "dla ubogich"
.
To oczywiście tylko taka moja mała złośliwa dygresja, gdyż taka konstrukcja karkasu nie ma wpływu na parametry elektryczne transformatora i jedynie może stanowić problem z jego nawinięciem w warunkach amatorskich bez odpowiedniego osprzętu (przy nawijaniu "ręcznym" może występować zjawisko zsuwania się zewnętrznych zwojów cewki). Nie sądzę, aby firma Audio Research chciała zaoszczędzić w ten sposób.

Fot. 38.
Tutaj fotografia drugiego transformatora głośnikowego, a dalej...

Fot. 39.
... bezkołnierzowy karkas transformatora sieciowego.

Fot. 40.
Na zakończenie specjalna fotografia ukazująca detale jednego z transformatorów głośnikowych. To, że ma imponującą objętość rdzenia, zapewniającą odpowiednie pasmo przenoszenia od dołu było widać i na wcześniejszych fotografiach. Tutaj chciałem podkreślić szczegóły złożenia tegoż rdzenia. Jak widać powierzchnia boczna jest gładziutka jak pupcia niemowlaka. Tak to się robi w profesjonalnej wytwórni. Zdjęcie dedykuję niektórym krajowym producentom transformatorów głośnikowych (i sieciowych zresztą też), wyrobami których można grabić trawniki. Tak, tak - powierzchnie niektórych rdzeni przypominają grzebienie. To nie świadczy dobrze o podejściu do potencjalnego klienta. Na szczęście to negatywne zjawisko powoli zanika i coraz więcej dostępnych u nas transformatorów jako żywo przypomina ten z fotografii.

Fot. 41.
I tym pięknym, jakże budującym widokiem transformatora głośnikowego kończę prezentację i przy okazji pozdrawiam wszystkich szczęśliwych posiadaczy tego wzmacniacza
.
Opracowanie: Grzegorz "gsmok" Makarewicz, www.trioda.com