
Radioamator i Krótkofalowiec, rok 23, październik 1973, nr 10
Okładka: Sprawna łączność techniczna - to jeden z nader ważnych elementów obronności kraju.
[Część 1 (PDF)] [Część 2 (PDF)]
- 30-lecie Ludowego Wojska Polskiego (233)
- RÓŻNE
- Po II Kongresie Nauki Polskiej (235)
- Wyłączniki elektroniczne (252)
- TECHNIKA PÓŁPRZEWODNIKOWA
- Monolityczne układy scalone mocy m.cz. produkcji krajowej - cz. I (237)
- UKŁADY ZASILAJĄCE
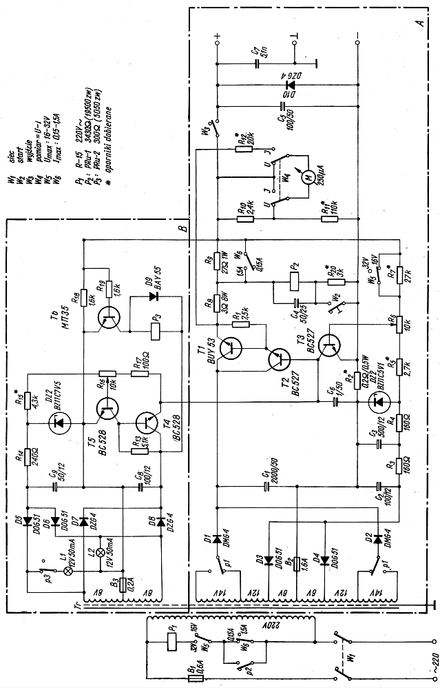
- Stabilizowany zasilacz napięciowo-prądowy (240)
Wykonany przeze mnie zasilacz stabilizowany umożliwia regulację napięcia w zakresie 0÷32V i niezależną regulację prądu w zakresie 0÷1,5A.

- TECHNIKA POMIAROWA
- Prosty generator (248)
- Przyrząd do pomiaru parametrów tranzystorów (250)
- RADIOKOMUNIKACJA AMATORSKA
- Rozbudowa tranzystorowego transceivera na pasmo 3,5MHz (244)
- PRZEGLĄD SCHEMATÓW
- Odbiornik samochodowy "Safari" (245)
- BADANIA EKSPLOATACYJNE
- "Safari" (245)
- PRZEGLĄD WYDAWNICTW (248)
- Praca zbiorowa, Dziś i jutro telekomunikacji, WKiŁ, Warszawa 1973, wydanie 1, nakład 1700 egz., stron 367, cena 50 zł.
- CZY WIECIE, ŻE... (253)
- KĄCIK DLA POCZĄTKUJĄCYCH
- Układy do badania tranzystorów (254)
- Z PRAKTYKI RADIOAMATORSKIEJ
- Jeszcze o amatorskim wykonywaniu połączeń drukowanych (256)
- KRÓTKOFALOWIEC POLSKI (257)