
Radioamator i Krótkofalowiec, wrzesień 1971r., rok 21, Nr 9
[Część 1 (PDF)] [Część 2 (PDF)]
- Z KRAJU I ZAGRANICY
- Udział krótkofalowców w akcji żniwnej (205)
- Automat do pomiarów układów scalonych (205)
- Uniwersalny przyrząd laboratoryjny (205)
- Nowe rozwiązania odbiorników radiowych (206)
- Miniaturowy magnetofon reporterski (206)
- RÓŻNE
- Elektronika polska na 40 Międzynarodowych Targach Poznańskich (207)
- O zielone światło dla przemysłu elektronicznego (211)
- STEREOFONIA
- Odbiornik radiowy AM/FM stereo - cz. II i ostatnia (211)
- RADIOAMATORSTWO W LOK
- I Centralna Spartakiada Łączności LOK (216)
- PRZEGLĄD SCHEMATÓW
- Magnetofony walizkowe ZK 125 i ZK 145 (217)
- CZY WIECIE, ŻE... (221)
- TELEWIZJA
- Właściwości, konstrukcja i przestrajanie obwodów rezonansowych na pasmo UHF - cz. I (222)
- Z PRAKTYKI RADIOAMATORSKIEJ
- Ułatwienia odbioru programu TV osobom o upośledzonym słuchu (224)
- Szukacz sygnału (225)
Przyrząd składa się ze wzmacniacza m.cz., na wyjściu którego włączona jest słuchawka (telefoniczna) lub mały głośnik z odpowiednim transformatorem wyjściowym. Do wejścia szukacza może być doprowadzony zarówno sygnał wielkiej częstotliwości jak i sygnał o częstotliwości akustycznej. Czułość reguluje się potencjometrem R2. Detekcję sygnałów w.cz. zapewnia dioda D1.

- Generator serwisowy (225)
Generator wytwarza impulsy quasiprostokątne o częstotliwościach akustycznych. Napięcie wyjściowe zawiera wiele harmonicznych, dzięki czemu nadaje się zarówno do sprawdzania toru m.cz. jak i w.cz. oraz p.cz. bez żadnego dodatkowego strojenia.

- Wyłącznik dźwiękowy (226)
- Z PRASY ZAGRANICZNEJ
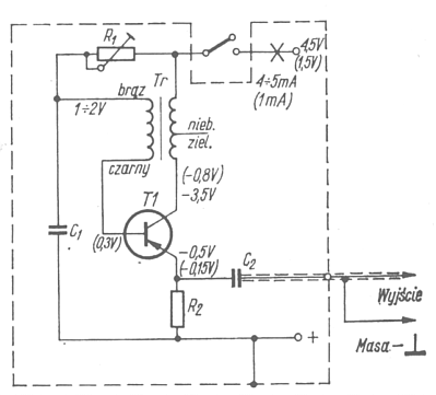
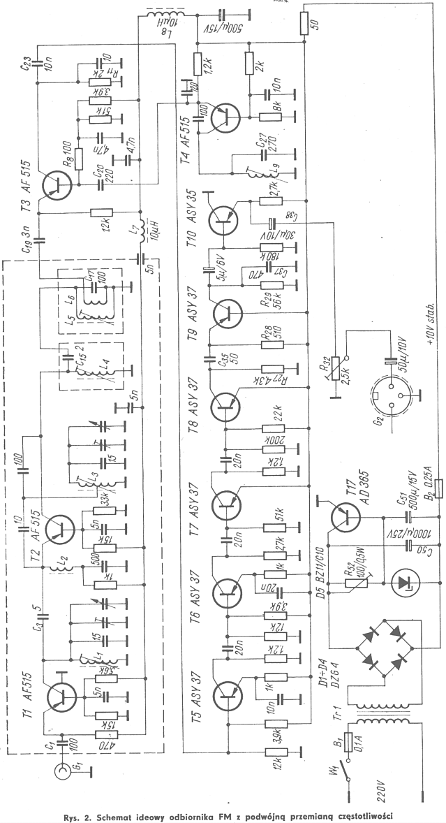
- Amatorski odbiornik UKF-FM z aperiodycznym wzmacniaczem pośr. cz. (227)

- KRÓTKOFALOWIEC POLSKI (229)
- OD REDAKCJI (okł. str. III)
- PRZEGLĄD WYDAWNICTW (okł. str. IV)