
Radioamator i Krótkofalowiec, kwiecień 1971r., rok 21, Nr 4
[Część 1 (PDF)] [Część 2 (PDF)]
- Z KRAJU I ZAGRANICY
- Nowe opracowania krajowych przyrządów pomiarowych (77)
- Wystawa czechosłowackiego sprzętu stereofonicznego (77)
- TECHNIKA POMIAROWA
- Oscyloskop tranzystorowy (78)
- ELEKTRONIKA W LOTNICTWIE CYWILNYM
- Lotnicze urządzenia naziemne - cz. 2 i ostatnia (83)
- UKŁADY TRANZYSTOROWE
- Uproszczony odbiornik superheterodynowy "Jola" (86)

- PRZEGLĄD SCHEMATÓW
- Odbiornik telewizyjny "Beryl 101" (89)
- RÓŻNE
- Wskazówki dla Autorów (89)
- Uwaga Czytelnicy! (92)
- TELEWIZJA
- Propagacja fal i anteny w zakresie UHF - cz. 1 (93)
- KĄCIK DLA POCZĄTKUJĄCYCH
- Przyrząd uniwersalny (96)
- RADIOAMATORSTWO W LOK
- Dorobek czynu społecznego łącznościowców LOK (98)
- Z kroniki pionu łączności LOK (99)
- Z PRASY ZAGRANICZNEJ
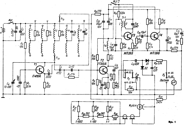
- Tranzystorowy generator sygnałowy (99)

- KRÓTKOFALOWIEC POLSKI (101)
- PRZEGLĄD WYDAWNICTW (104)
- Witold Tyrakowski, Pluton "R", Wydawnictwo MON, Warszawa 1970, seria "Tygrys", nakład 210000 egz., str. 134, cena 5 zł.
- Włodzimierz Trusz, Mój odbiornik telewizyjny, WKiŁ, Warszawa 1970, wydanie 1, nakład 20200 egz., stron 312, cena 22 zł.
- Z. Vistricka, Wybór układów elektrycznych, WKiŁ, Warszawa 1970, wydanie 1, nakład 7200 egz., stron 554, cena 42 zł.
- H. Klejman, Lasery w telekomunikacji, WNT, Warszawa 1970, wydanie 1, stron 178, cena 20 zł.
- Praca zbiorowa, Poradnik technika telewizji, WNT, Warszawa 1970, wydanie 1, nakład 20230 egz., stron 825, cena 125 zł.