
Radioamator i Krótkofalowiec, listopad 1964r., rok 14, Nr 11
[Część 1 (PDF)] [Część 2 (PDF)]
- Z KRAJU I ZAGRANICY
- XV Kongres Międzynarodowej Federacji Astronautyki (261)
- Nowe opracowania przemysłu elektronicznego CSRS (261)
- Technika mikromodułowa i mikroelementy (262)
- 4--lecie radzieckiego czasopisma "Radio" (263)
- ARTYKUŁY RÓŻNE
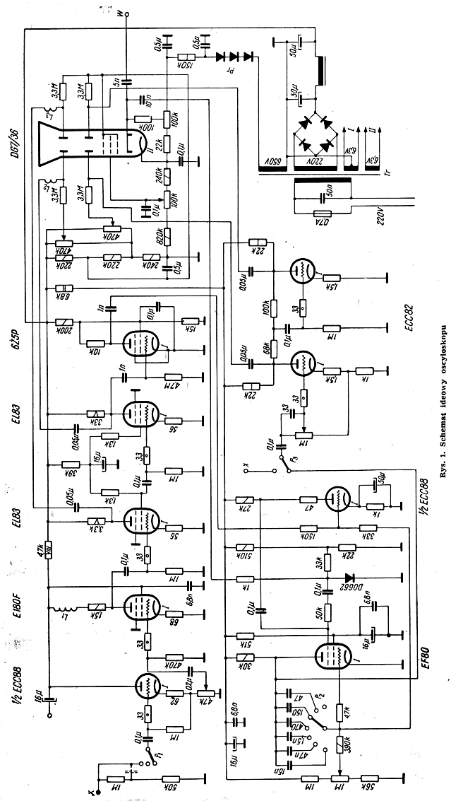
- Oscyloskop w amatorskim wykonaniu (263)

- Zasilacz stabilizowany o stabilności lepszej niż 0,05% (267)
W wielu układach pomiarowych zachodzi konieczność stosowania napięć zasilających o bardzo dużej stałości. Niemożność uzyskania napięć zasilających, nie zmieniających się w zależności od zmian napięcia w sieci, często ogranicza znacznie (o rząd lub więcej) dokładność przyrządów pomiarowych.
Opisany niżej zasilacz daje napięcie tak ujemne jak i dodatnie o dużej stałości przy zmianach napięcia w sieci od 180V do 230V i przy zmianach obciążenia od zera do maksymalnego prądu obciążenia użytej lampy. W omawianym przypadku przyjęto lampę EL84, której prąd wynosi 40mA.

- Wskazówki projektowania odbiorników tranzystorowych - Obsługa odbiorników i układów tranzystorowych (270)
- Ultrakrótkofalowy przedwzmacniacz tranzystorowy (275)
- PRZEGLĄD SCHEMATÓW
- Odbiornik tranzystorowy NAROCZ (274)
- Radioodbiornik METEOR 6111 (274)
- KĄCIK DLA POCZĄTKUJĄCYCH
- Kilka uwag o cewkach i dławikach (276)
- Z PRAKTYKI RADIOAMATORSKIEJ
- Prosty wzmacniacz mikrofonowy na tranzystorze (278)
- Gniazda adapterowe w odbiorniku SZAROTKA (278)
- KRÓTKOFALOWIEC POLSKI (279)
- Z PRASY ZAGRANICZNEJ
- Nowe rozwiązania odbiorników telewizyjnych i radiowych (283)
- Kilka uwag o układzie odbiornika komunikacyjnego typu "Deltahet" (284)
- PRZEGLĄD WYDAWNICTW (okł. str. IV)
- J. Antoniewicz, Podstawy radiotechniki - teoria obwodów, WKŁ, Warszawa 1964, wydanie 4, nakład 10190 egz., stron 168, cena 8 zł.