
Radioamator i Krótkofalowiec, czerwiec 1964r., rok 14, Nr 6
[Część 1 (PDF)] [Część 2 (PDF)]
- Z KRAJU I ZAGRANICY
- Radar kontroluje ruch komunikacyjny (129)
- Reporterska przenośna kamera telewizyjna (129)
- "Discorder" - magnetofon - gramofon (130)
- Kabel świetlny (130)
- ARTYKUŁY OGÓLNE
- Elektryzator do ogrodzeń pastwiskowych (130)
- Przyrząd do sprawdzania tranzystorów (133)
Zasady sprawdzania poszczególnych parametrów
Opis przyrządu
Obliczanie oporników
Części składowe
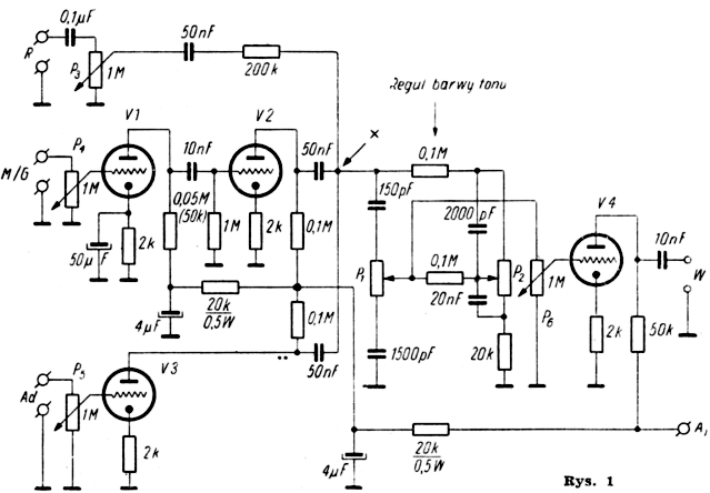
Cechowanie przyrządu i obsługa - Uzupełnienie opisu wzmacniacza wysokiej jakości (137)
Podajemy uzupełnienie opisu wzmacniacza wysokiej jakości, zamieszczonego w numerze 3/1964.

- Wskazówki projektowania odbiorników tranzystorowych cz. V - Detekcja (138)
- Wykaz szkół zawodowych na 1964 rok (155)
- ELEKTRONIKA UŻYTKOWA
- Wykrywacz prętów zbrojeniowych w żelbecie (140)
- Awaryjny odłącznik akustyczny (145)
- PRZEGLĄD SCHEMATÓW
- Subminiaturowy odbiornik tranzystorowy TRAMP (141)
Najmniejszy, produkowany w kraju przez Zakład Podzespołów Radiowych "Omig" odbiornik tranzystorowy TRAMP jest dwuzakresowym układem superheterodynowym, zmontowanym w oparciu o technikę obwodów drukowanych. - Zestaw muzyczny ARKONA (142)
Produkowany przez Zakłady Radiowe im. M. Kasprzaka zestaw pod nazwą ARKONA stanowi połączenie odbiornika radiofonicznego, przy czym całość nie ma obudowy szafkowej, lecz jest osadzona na specjalnie dostosowanych nóżkach (u góry - odbiornik, pod nim gramofon). - Z PRASY ZAGRANICZNEJ
- Tranzystorowy przedwzmacniacz (144)
- KĄCIK DLA POCZĄTKUJĄCYCH
- Dioda (146)
- KRÓTKOFALOWIEC POLSKI (149)
- Wiadomości KF
Z kalendarza nr 67 IARU
Krótkofalarstwo na świecie
Prognozy warunków propagacyjnych - lipiec 1964
Perspektywy propagacji amatorskich pasm - KF w latach 1964/65
Wyprawa Harvey'a VQ9HB/VQ8BFA - Z PRAKTYKI RADIOAMATORSKIEJ
- Jak przedłużyć czas eksploatacji kineskopu w odbiorniku TV (152)
- Zastosowanie detektora katodowego w amatorskich odbiornikach krótkofalowych (154)
- Z ŻYCIA KLUBÓW RADIOAMATORSKICH
- Czym żyje i jak pracuje Koło Radioamatorskie przy MDK w Bielsku Białej? (154)
- PRZEGLĄD WYDAWNICTW (okł. str. III i IV)
- W. Rubinowicz, Fale elektromagnetyczne i ich niektóre zastosowania, WNT, Warszawa 1963, wydanie 1, nakład 2190 egz., stron 114, cena 12 zł.
- W. Conrad, Elektrony zmieniają świat, WNT, Warszawa 1963, wydanie 1, nakład 5190 egz., stron 303, cena 33 zł.
- L. K. Tatoczenko, Izotopy promieniotwórcze w urządzeniach pomiarowych, WNT, Warszawa 1963, wydanie 1, nakład 1890 egz., stron 401, cena 65 zł.
- Nowości wydawnicze WKŁ (okł. str. IV)
Podstawy radiotechniki
ABC naprawy odbiorników radiowych
Amatorskie nadajniki KF i UKF
Pomiary w urządzeniach radiowych