
Elektronik Elektor, numer 2 (41), luty 1997
- Okładka
W naszych czasach urządzenia elektroniczne używane są już prawie wszędzie i w każdej sytuacji. Niektórzy sądzą, że powodowane przez nie tzw. błądzące pole magnetyczne ma ujemny wpływ na stan zdrowia. Nasz miernik pozwala odnaleźć źródło tego pola i określić jego siłę. - Miernictwo
- Miernik pola magnetycznego (5)
W naszych czasach, gdy urządzenia elektroniczne używane są już prawie wszędzie i w każdej sytuacji, pewna liczba ludzi zaczęła obawiać się jeszcze jednego rodzaju zanieczyszczenia środowiska. Nazywają je elektrosmogiem (słowa tego nie znajdziecie w żadnym słowniku - nawet technicznym). W naszym artykule będziemy stosowali określenie "błądzące pole magnetyczne" albo angielski skrót SMF (od "Stray Magnetic Field"). Niektórzy "eksperci" sądzą, że SMF może wpływać na stan zdrowia ludzkich organizmów. Jeżeli zgadzacie się z tymi opiniami, nasz miernik pozwoli Wam znaleźć źródło błądzącego pola magnetycznego i określić jego siłę, a następnie - być może - spowodować jego osłabienie.
Artykuł: [Strona 5] [Strona 6] [Strona 7] [Strona 8] - Krótki kurs symulacji układów elektronicznych. Część 3: Wzmacniacze operacyjne. (44)
Jak się dowiedzieliśmy z części 2, podstawowe elementy w programie SPICE, tak zwane "primitives", takie jak: rezystory, kondensatory i źródła napięciowe, definiowane są w netliście. Prymitywy zdefiniowane są przy użyciu kodu literowego (na przykład R, C U), za którymi następują litery i cyfry, a za nimi z kolei połączenia węzłów i ich wartości. Dokładna składnia (syntax) zależy od rodzaju elementu i w przypadku źródeł napięciowych lub podobnych elementów ma bardziej skomplikowaną postać niż dla innych. - Audio - HiFi - Wideo
- Przedwzmacniacz z zasilaniem bateryjnym - część 1 (9)
Przedwzmacniacz ten został pomyślany dla tych wielbicieli dźwięku, którzy zainteresowani są tylko najlepszymi urządzeniami. Układ złożony z elementów dyskretnych generuje zniekształcenia wyrażane w dziesięciotysięcznych ułamkach procenta (a pozostała część specyfikacji też przedstawia się bardzo dobrze!). Ponadto uwzględniliśmy fakt, że w niektórych częściach kraju napięcie w sieci elektrycznej nie jest tak czyste, jak powinno być. Przedwzmacniacz jest z tego powodu zasilany przez akumulatory NiCd lub NiMH. W pierwszej części artykułu zajmujemy się samym przedwzmacniaczem. Druga część, którą opublikujemy za miesiąc, omówi zasilacz bateryjny, zaprojektowany specjalnie dla naszego modelu.
Artykuł: [Strona 9] [Strona 10] [Strona 11] [Strona 12] [Strona 13] - 20-bitowy przetwornik analogowo-cyfrowy (17)
Przedstawiamy przetwornik o szczytowych parametrach w zakresie konwersji analogowo-cyfrowej. Przetwornik zapewnia prawdziwą rozdzielczość 20 bitów, ma najwyższą jakość, został wyposażony w symetryczne wejścia. W skrócie: trudno jest wyobrazić sobie lepszy przetwornik dla inżyniera dźwięku, a już na pewno nie za taką cenę.
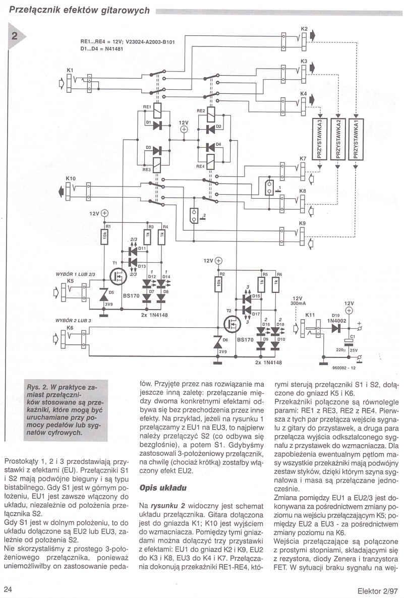
Artykuł: [Strona 17] [Strona 18] [Strona 19] [Strona 20] [Strona 21] [Strona 22] - Przełącznik efektów gitarowych (23)
W czasie gry na gitarze elektrycznej muzycy często muszą używać jednej lub większej liczby przystawek zmieniających dźwięk, ponieważ każdy rodzaj muzyki wykonywanej na gitarach wymaga różnych efektów specjalnych (tremolo, distortion, chorus, phaser, flanger i inne). W praktyce nierzadko znaczy to, że wtyczki od rozmaitych przystawek muszą być wkładane do odpowiednich gniazdek, a następnie wyciągane, żeby zrobić miejsce dla innych. Przełącznik, który opisujemy sprawi, że o wszystkich tych manipulacjach będzie można mówić w czasie przeszłym.
Artykuł: [Strona 23] [Strona 24] [Strona 25] [Strona 26] - Ogólne
- Elektronika dziś i jutro (14)
W krótkim cyklu artykułów, rozpoczynającym się od poniższego tekstu, próbujemy przedstawić kierunki, w jakich elektronika być może będzie się rozwijać w ostatnich latach wieku. W trakcie lektury prosimy pamiętać, że wielu "obiecującym wynalazkom" nie udało się zostać przebojami rynkowymi. Wystarczy pomyśleć o wideotelefonie (Videophone, Picturephone), systemach zapisu dźwięku: Digital Audio Tape i Digital Compact Cassette, systemach zapisu obrazu: Betamax, Video 2000, także o systemie MiniDisc. Z drugiej strony, lampa elektronowa oraz radio znowu stały się modne, a system Compact Disc odniósł olbrzymi sukces, choć jego popularność zmniejsza się. - Biuletyn Informacyjny Układów Scalonych (27)
- Podzespoły
- Poszukiwany: procesor sygnałowy (41)
Ciągły wzrost zastosowania procesorów sygnałowych do coraz to nowych celów skłania producentów do prac nad nowymi rozwiązaniami. Konieczność sprostania różnym wymogom wyklucza byt jednostek uniwersalnych. Powoduje to powstawanie licznych odmian, różniących się czasami tylko szczegółami - chociaż w niektórych zastosowaniach istotnymi. Poniższy przegląd pomoże zapoznać się z produktami wybranych firm. - Komputery
- Szeregowy port RS232 (49)
Chociaż port szeregowy jest przeznaczony do szeregowej transmisji danych, to przecież udało się nam użyć go w inny sposób. Opisujemy prosty program w języku BASIC, który zamieni port RS232 w Waszym komputerze w interfejs z czterema równoległymi wyjściami. Koszt inwestycji: kilka złotych i trochę stukania po klawiaturze. - Programator dla ST62 (53)
Mikrosterowniki z rodziny ST62 produkowane przez SGS-Thomson Microelectronics popularne są dzięki swej wszechstronności i skuteczności. Wymagają one jednak specjalnego programatora, którego prosta wersja zawarta jest w tak zwanym "Starter Kit", dostarczanym przez producenta sterowników. Projekt, który opisujemy, umożliwia wykonanie dla układów ST62xx programatora o rozszerzonych właściwościach. Jest on przydatny dla sterowników z serii ST621x, ST622x oraz ST626x. - 101 układów
- Prosty konwerter do interfejsu szeregowego (52)
Artykuł: [Strona 52] - Układ korygujący polaryzację (52)
Artykuł: [Strona 52]