
Elektronik Elektor, numer 12 (15), grudzień 1994
- Okładka
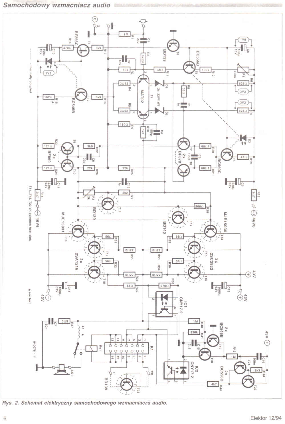
Niewielu audiofilów prowadząc samochód zdaje sobie sprawę, że wnętrza ich pojazdów to miejsca o znakomitych parametrach akustycznych, jednak do pełnego odbioru ulubionej muzyki jest niezbędny wysokiej klasy wzmacniacz. Audio - HiFi - Video - Samochodowy wzmacniacz audio - część 1 (5)
Ten samochodowy wzmacniacz audio jest przeznaczony dla tych kierowców, którzy cenią nie tylko muzykę w samochodzie, ale szanują także swój słuch - dla tych, którzy głośność swoich samochodowych systemów audio utrzymują na rozsądnym poziomie, zwłaszcza przy opuszczonych szybach samochodu. Niektórzy bezmyślni kierowcy nie zdają sobie sprawy, że słuchanie muzyki z pełną mocą wzmacniacza w krótkim czasie prowadzi do upośledzenia własnego słuchu, a równocześnie zakłóca spokój innym. Umiarkowany poziom głośności pozwoli Wam cieszyć się ulubioną muzyką znacznie dłużej niż tym nierozumnym entuzjastom wielkiej mocy audio, którzy na pewno po pewnym czasie przekonają się, że mogą słyszeć jedynie szum w uszach.
Artykuł: [Strona 5] [Strona 6] [Strona 7] [Strona 8] [Strona 9] - Miernictwo
- Oscyloskop LED (11)
Jest to nieco zaskakujące, nietypowe rozwiązanie taniego oscyloskopu, który może być stosowany do częstotliwości 20...30kHz (a nawet opcjonalnie, do 1MHz). Jest zasilany napięciem 12V, może być zatem używany jako urządzenie przenośne. - Miniaturowy częstościomierz (41)
Jak widać na zdjęciu, nowoczesne techniki scalania umożliwiają wykonanie częstościomierza wyposażonego w wyświetlacz 4 i 1/2 cyfry, który jest niewiele większy od pudełka zapałek. Wraz z (opcjonalnym) preskalerem umożliwia on pomiar częstotliwości do około 1GHz. Częstościomierz może być używany jako oddzielny miernik lub jako moduł wbudowany do istniejącego przyrządu.
Artykuł: [Strona 41] [Strona 42] [Strona 43] [Strona 44] - Czas wolny i hobby
- Zegar ciemniowy (20)
Odmierzanie czasu jest podstawową czynnością w trakcie pracy w ciemni. Bezustanne obserwowanie zegara jest jednak nużące i uniemożliwia zajęcie się czymś innym. Opisywany tani zegar może zostać zaprogramowany do wysyłania sygnałów akustycznych w dokładnie wyznaczonym momencie, przypominając o konieczności pokręcenia filmu w koreksie, wymiany kąpieli, zakończenia ekspozycji itp. - RTV i łączność
- Monitor linii telewizyjnych (25)
Pomiary sygnałów telewizyjnych, jak powszechnie wiadomo, są trudne. Nawet dla posiadacza oscyloskopu z wyzwalaniem oznaczonym "TV" wybranie określonej linii z sygnału obrazu jest praktycznie niemożliwe. Trudności te są rozwiązane raz na zawsze przez opisany w tym artykule monitor linii telewizyjnych, umożliwia on bowiem proste wyselekcjonowanie dowolnej linii obrazu z zespolonego sygnału telewizyjnego. - Zasilanie
- Próbnik stanu akumulatorów NiCd (30)
Określanie zasobu energii (ładunku) w akumulatorze bywa bardzo zdradliwe. Najlepszym z prostych rozwiązań jest dokładny monitor napięcia. Próbnik jest tak mały, że może zostać na stałe umieszczony nawet tam, gdzie jest mało miejsca. Zapewnia wtedy niezawodną kontrolę stanu akumulatora "na żywo". - Ładowarka akumulatorów samochodowych (49)
Jeżeli pojazd zostanie wyłączony z eksploatacji na dłuższy czas, to przez cały ten okres akumulator powinien być utrzymywany w stanie naładowanym. Taka troskliwość znacznie przedłuża jego żywotność wobec pozostawienia go samemu sobie aż do momentu, gdy pojazd będzie znowu potrzebny. Niestety, większość ładowarek akumulatorów nie nadaje się do ciągłego długookresowego ładowania bez nadzoru. - Aplikacje
- Szyfrator mowy FX118 i PCD4440 (37)
Szybki wzrost liczby przenośnych telefonów wywołał równie szybki wzrost popytu na środki uniemożliwiające, lub przynajmniej utrudniające, podsłuch cudzych rozmów. W niniejszym tekście są przedstawione są dwa układy aplikacyjne służące temu celowi. Oba są małe i wymagają niewielkiej mocy. W pierwszym jest wykorzystany układ scalony FX118 angielskiej firmy Consumer Microcircuits Ltd, a w drugim układ PCD4440 Philipsa, programowalny za pośrednictwem magistrali I2C. - Komputery
- Monitor zasilaczy komputerowych (45)
Opisano układ do nieprzerwanego monitorowania wszystkich napięć zasilania w komputerze. Układ ten wykrywa także krótkie skoki (jednak nie w.cz.) tych napięć. - Kurs programowania mikrokontrolerów PIC (52)
Część 2 - podstawowe rejestry. - 101 układów
- 086. Dekoder stereo (55)
- 087. Automatyczny start faxu (55)
- 088. Sterowanie zwrotnicami modeli kolejek (56)
- 089. Ochraniacz bezpiecznika (57)
Artykuł: [Strona 57] - 090. Sonda prądowa 1:1000 (57)
Artykuł: [Strona 57] [Strona 58] - 091. Stabilizator 5V zasilany z napięcia 45V (58)
Artykuł: [Strona 58] - 092. Filtr Butterwortha 8 rzędu (59)
Artykuł: [Strona 59] - 093. Filtr Bessela 8 rzędu (59)
Artykuł: [Strona 59] [Strona 60] - 094. Super przedwzmacniacz na elementach dyskretnych (60)
Artykuł: [Strona 60] [Strona 61] - Spis treści - Elektor Elektronik 1994 (62)