Bogusław Teichman, "Lampowy wzmacniacz stereofoniczny 2x8W"
Radioamator i Krótkofalowiec 1972/07
Średniozaawansowanych radioamatorów zainteresuje być może opis układu wzmacniacza stereofonicznego o niezłych parametrach i nie wysokim koszcie budowy. Oto dane techniczne wzmacniacza:
- moc wyjściowa: 2 x 8W
- pasmo przenoszenia: około 40÷16000Hz
- czułość: około 120mV
- opór obciążenia: 16omów
- oddzielna regulacja tonów wysokich i niskich.
Z braku przyrządów nie mierzono zniekształceń, lecz przy pełnym wysterowaniu wzmacniacza nie były one zauważalne. W założeniu wzmacniacz miał spełniać dwa warunki: maksymalnie dobre parametry oraz minimalne koszty. Zastosowane elementy są typowe, łatwo dostępne w handlu; transformatory oraz dławik należy wykonać we własnym zakresie.
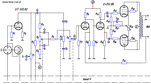
Opis wzmacniacza (jednego kanału)
We wzmacniaczu wstępnym zastosowano połówkę triody ECC82. Jest ona przydatna ze względu na duży opór wejściowy, co wpływa dodatnio na działanie regulatora barwy dźwięku. Układ regulatora jest konwencjonalny. Potencjometry 1M (typ SP-3) są sprzężone ze sobą mechanicznie i regulacja barwy dźwięku (również wzmocnienia) odbywa się w obu kanałach równocześnie. Wzmacniacz mocy pracuje w układzie przeciwsobnym w klasie AB. Aby nie komplikować budowy transformatorów wyjściowych zrezygnowano z układu "ultralinear"; nie wprowadziło to większego pogorszenia parametrów. Odwracacz fazy pracuje w układzie wtórnika katodowego. Potencjometr 50omów łączący katody pentod ECL86 służy do wyrównania prądów anodowych w obu lampach. Schemat układu wzmacniacza przedstawiono na rys.1 (obejmuje jeden kanał). Drugi kanał jest identyczny.

Rys.1. Schemat ideowy jednego kanału wzmacniacza
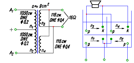
Transformatory wyjściowe nawinięto na rdzeniach z transformatorów sieciowych typu EI o przekroju środkowej kolumny około 9cm2. Pośrodku korpusu przyklejono Epidianem-5 przegrodę z cienkiego tekstolitu, która dzieli korpus na dwie połowy. Sposób nawinięcia uzwojeń uwidoczniono na rys.2.

Rys.2. Sposób nawinięcia transformatorów głośnikowych
Strzałki wskazują kierunki nawijania. Uzwojenia izolowano od siebie za pomocą taśmy klejącej "Tixo". Końcówki uzwojeń przylutowano do listwy lutowniczej przymocowanej do transformatora. Sposób nawinięcia transformatora (rezygnacja z układu ultraliearnego) uprościł nieco jego budowę, jednakże spowodował obcięcie częstotliwości powyżej 16kHz. Mimo to wydaje się, że w warunkach domowych jest to nieistotne.
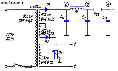
Zasilacz (rys.3) został wykonany w układzie prostownika dwupołówkowego z dwiema diodami DK63. Ze względu na dość duży pobór prądu nie można było zastosować prostowników selenowych w układzie mostkowym, ani nawet dwóch połączonych równolegle. Dławik nawinięto na rdzeniu transformatora głośnikowego o typowych wymiarach (przekrój 3,5÷4 cm2). Uzwojenie nawinięto masowo do zapełnienia korpusu (około 500zw.). Jako lampkę kontrolną zastosowano neonówkę o napięciu pracy 220V włączoną po stronie pierwotnej transformatora. Uzwojenie żarzenia jest symetryzowane opornikiem regulowanym R23.

Rys.3. Schemat zasilacza
Jako obciążenie wyjścia zastosowano dwa szeregowo połączone głośniki szerokopasmowe (dostępne na rynku głośniki jugosłowiańskie 8omów/5W) w obudowach o wymiarach 50x40x25cm ze sklejki o grubości 15mm.
Na wejściu zastosowano zwieracz obu kanałów (nie pokazany na schemacie), zrealizowany za pomocą przełącznika klawiszowego. Zwieracz ten jest potrzebny przy wykorzystywaniu wzmacniacza w systemie monofonicznym. Schemat połączeń przedstawiono na rys. 4. Zwraca się uwagę na sposób połączeń zwieracza - jest to bardzo istotne przy odtwarzaniu z magnetofonu monofonicznego.

Rys.4. Przełącznik zwierania wejść
W większości przypadków autorzy publikujący układy wzmacniaczy stereofonicznych przewidują tam zwieracz do odtwarzania monofonicznego w postaci krótkiego łączenia zacisków gniazda wejściowego obu kanałów. Nie jest to właściwe, ponieważ przyłączany do magnetofonów sznur odtwarzająco - nagrywający jest zaopatrzony we wtyki WM-3 trójnóżkowe, przy czym jedna nóżka jest połączona z masą, druga z przewodem "nagrywającym", a trzecia z przewodem "odtwarzającym". Z chwilą połączenia takim sznurem magnetofonu monofonicznego ze wzmacniaczem stereofonicznym i ustawieniu magnetofonu na "odczyt" masa magnetofonu zostaje połączona z masą wzmacniacza (czyli w porządku), przewód "odtwarzający" zostaje połączony z jednym kanałem wzmacniacza, a przewód "nagrywający" - z drugim kanałem. Ale podczas odczytu przewód "nagrywający" jest zwarty z masą wewnątrz magnetofonu (jego przełącznikiem rodzaju pracy). Powoduje to w efekcie albo działanie jednego kanału wzmacniacza (przy otwartym zwieraczu), albo niedziałanie obu kanałów (przy zwieraczu zamkniętym). Rzecz polega na tym, że po prostu zwiera się kanał (lub kanały) do masy. Przedstawiony na rys. 4 zwieracz uwzględnia ten stan rzeczy.
Nowe adaptery stereofoniczne są wyposażone we wtyki 5-nóżkowe, w których przewody są przylutowane nieco inaczej niż we wtykach trójnóżkowych, dlatego też przyłączono równolegle drugie gniazdo wejściowe odpowiednio zmieniając sposób przylutowania wejść kanałów.
Wykaz elementów dla jednego kanału stereofonicznego
- Oporniki
- R1, R7 - 2,2M/0,1W
- R2 - 2,2K/0,1W
- R3 - 100K/0,25W
- R4, R6 - 100K/0,1W
- R5 - 10K/0,1W
- R8 - 4,7K/0,25W
- R9 - 510K/0,25W
- R10 - 1M/0,25W
- R11, R12 - 68K ± 1%/0,1W
- R13, R14 - 470K ± 1%/0,1W
- R15, R16 - 1K/0,1W
- R17 - 120/1W
- R18 - 50/1W reg.
- R19, R20 - 120 ± 1%/0,1W
- R21 - 47K/0,1W
- R22 - 10K/0,5W
- R23 - 120/1W reg.
- Kondensatory
- C1 - 5µF/250V
- C2 - 0,047µF
- C3 - 2,2nF
- C4, C7, C8, C9 - 0,022µF
- C5 - 150pF
- C6 - 1,5nF
- C10 - 100µF/25V
- C11 - 100µF/350V
- C12 - 50µF/350V
- C13 - 20µF/350V
- Diody
- D1, D2 - DK62
- Potencjometry
- P1 - 500koma, lin.
- P2, P3, P4 - 1Moma (P2, P3 - lin., P4 - log.)
- Transformatory i dławik wg opisu.
- Głośniki 2 szt. - 5W, 8oma (dla jednego kanału)
Literatura
- P.Masewicz - "Radiotechnika dla praktyków i amatorów".
- A.Witort - "Elektroakustyka dla wszystkich".
- Mies. "Radioamator i Krótkofalowiec" nr 4/1969 i 5/1970.