
Wysokiej jakości słuchawkowy wzmacniacz lampowy
Helmut Becker i Michael Oberesch
Glass Audio 01-0-1988
Tylko nieliczni z nas mają okazję słuchać muzyki z głośnością porównywalną z jej oryginalnym wykonaniem. Nie dlatego, że brakuje nam odpowiedniego sprzętu, ale raczej to nasi sąsiedzi zmuszają nas do zmniejszenia poziomu głośności. Istnieją dwa rozwiązania tego problemu. Możemy albo przenieść się do mieszkania z dala od cywilizacji, albo skorzystać ze słuchawek. Druga opcja jest zdecydowanie tańsza i ma dodatkową zaletę: pod względem jakości dźwięku żaden głośnik nie może konkurować ze słuchawkami.
Większość producentów sprzętu stereofonicznego zdaje się ignorować fakt, że słuchawki należą do najlepszych przetworników. Prawie wszystkie wzmacniacze mają gniazdo słuchawkowe, ale to wyjście jest często w najlepszym wypadku niewystarczające.
Proste i jednocześnie kiepskiej jakości
Zwykle słuchawki po włożeniu wtyku do gniazdka łączą się równolegle z głośnikami, przy czym opcjonalnie głośniki można wyłączyć. Dostępne są zestawy słuchawkowe o impedancji od 8Ω do 2kΩ, ale zazwyczaj ze słuchawkami łączy się szeregowo rezystor o wartości około 300Ω. Takie podejście zapobiega przeciążeniu spowodowanemu zbyt wysokim napięciem na wyjściu głośnikowym o małej impedancji np. 8Ω. Po podłączeniu do zestawu słuchawkowego o wysokiej impedancji rezystor ten powoduje jedynie znikomy spadek napięcia.
Do tego momentu wszystko wydaje się być w porządku. Rozwiązanie z rezystorem pomija jednak fakt, że słuchawki dynamiczne, podobnie jak głośniki, muszą być tłumione poprzez niską impedancję wewnętrzną wzmacniacza. Wspomniany rezystor szeregowy skutecznie zapobiega takiemu tłumieniu.
Dodatkową wadą jest stosunkowo niskie napięcie stosowane we wzmacniaczach mocy. Wysokiej jakości słuchawki mają prawie wyłącznie wysoką impedancję (600Ω-2 kΩ) i wymagają odpowiednio wysokiego napięcia sterującego. Stopnie wyjściowe przeznaczone do głośników o niskiej impedancji nie mogą więc spełnić tego wymagania.

Dlatego jedynym rozwiązaniem jest dedykowany wzmacniacz słuchawkowy. Wzmacniacz mocy przeznaczony do wysterowania głośników ma niską impedancję wewnętrzną i napędza obciążenie o bardzo niskiej impedancji przy stosunkowo małych wahaniach napięcia i dużym prądzie. Tranzystor doskonale radzi sobie z tym zadaniem, ale czy wzmacniacz może również sterować obciążeniem o stosunkowo wysokiej impedancji przy dużych wahaniach napięcia i niskim prądzie? Oczywiście wykorzystując tranzystory możemy zaprojektować odpowiedni układ, który spełni takie zadanie. Jest jednak jeszcze jeden element elektroniczny, który niektórzy z nas miło wspominają: lampa elektronowa.
Układ idealny
Z uwagi na powyżej wspomniane wymagania idealne są układy lampowe. Wysokie napięcie zasilania jest warunkiem pracy lampy elektronowej, dlatego bez problemu wytrzymuje ona duże amplitudy napięcia. Ponieważ obciążenie ma wysoką impedancję, nie jest potrzebny transformator wyjściowy, jaki jest wymagany do sterowania głośnika. Rezultatem jest wysokiej jakości, beztransformatorowy, lampowy stopień wyjściowy, który przewyższa większość wzmacniaczy tranzystorowych.

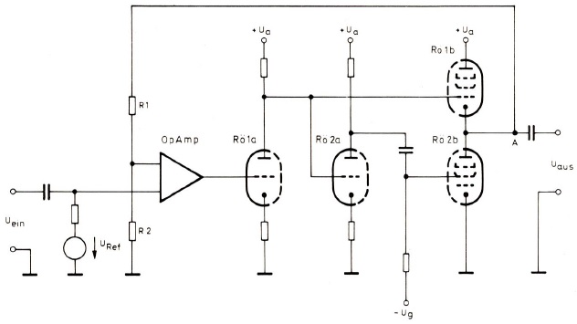
RYSUNEK 1: Schemat podstawowej wersji wzmacniacza.
Oczywiście nie ma sensu zakazywać stosowania wszystkich półprzewodników. W obszarach, w których lampy mają swoje słabe punkty (podlegają pewnym rozrzutom tolerancji produkcji i wykazują, jako elementy mocno obciążone termicznie, stosunkowo dużą szybkość starzenia), należy zastosować półprzewodniki np. w celu sterowania i stabilizacji zmian warunków pracy.
Kiedy podłączasz słuchawki do wyjścia skądinąd doskonałego wzmacniacza głośnikowego, często słyszysz coś innego niż muzykę. Połączenie powoduje zakłócenia, buczenie, trzaski i syczenie; głośnik nie odtwarza niczego takiego. Słuchawki są z natury bardziej czułymi przetwornikami niż głośniki. Odtwarzają nawet bardzo niski poziom zakłóceń i przydźwięku. Wymagania stawiane wzmacniaczowi słuchawkowemu są zatem bardzo wysokie.
Doskonały Dźwięk
Układ pokazany na rys. 2, zaprojektowany przez Helmuta Beckera i zgłoszony do opatentowania (P3200 517,2), zachowuje się znakomicie. W porównaniu do wyraźnie droższego Onkyo P3090 nie zauważono istotnych różnic. Po podłączeniu do dynamicznych słuchawek DT880 Beyer Studio, wzmacniacz Becker wyraźnie i naturalnie odtwarzał dynamiczne pasaże bezbłędnie; głosy i orkiestra zostały zaprezentowane bez podbarwień.

RYSUNEK 2: Szczegółowy schemat ideowy wzmacniacza słuchawkowego.
Zalety tego układu to:
- doskonałe wyniki pomiarów (patrz tabela 1);
- dobrze zbalansowany, mocny, czysty dźwięk;
- dobry zakres dynamiki, dlatego nadaje się do odtwarzania płyt CD;
- wysoki współczynnik tłumienia i niska impedancja wewnętrzna;
- beztransformatorowe dopasowanie do impedancji od 30Ω do 3kΩ;
- możliwość rozbudowy za pomocą przedwzmacniacza do pełnozakresowego wzmacniacza liniowego.
Układ
Jak pokazano na podstawowym schemacie układu (rys. 1) dwie lampy wyjściowe są połączone szeregowo dla napięcia stałego, tak że dostępne napięcie zasilania jest wspólne dla obu lamp.
Aby uniknąć niepotrzebnego wysokiego napięcia zasilania, należy zastosować lampy, które mogą pracować przy stosunkowo dużym prądzie przy napięciu anodowym około 150V. Ponieważ rodzina lamp audio jest nastawiona na wysokie napięcia anodowe, spróbuj użyć triody-pentody PCL805, która była używana dziesięć lat temu jako standardowa część w odbiornikach TV.
Lampa PCL805 spełnia opisane powyżej wymagania, ale pod innymi względami wykazuje poważne wady, które należy wziąć pod uwagę i wyeliminować przy projektowaniu tego układu. Na przykład należy użyć układu sterującego, aby stłumić stosunkowo silny szum generowany przez prąd żarnika. Ponadto należy skompensować wysoce nieliniową charakterystykę siatki.
Rysunek 1 przedstawia podstawowy schemat układu, który składa się z trzech bloków funkcyjnych:
- źródło napięcia odniesienia dla wszystkich punktów odniesienia;
- wzmacniacza operacyjnego jako elementu sterującego;
- lampowego stopienia wyjściowego.
Lampowy stopień wyjściowy
Lampy 2 i 3 są połączone szeregowo dla napięcia stałego, dlatego przez obydwie będzie płynął ten sam prąd. Dostosowanie spadku napięcia do tej samej wartości na obu lampach spowoduje maksymalne zmiany napięcia wyjściowego.
Lampa 1b jest stosowana w obwodzie z uziemioną anodą, natomiast lampa 2b jest połączona w obwodzie z uziemioną katodą. Ujemne napięcie siatki lampy 2b reguluje prąd spoczynkowy stopnia wyjściowego. W przypadku pracy w klasie AB należy dobrać odpowiednio prąd spoczynkowy.
Lampy 1a i 2a służą jednocześnie jako stopnie sterujące i zapewniają napięcia sterujące lamp wyjściowych o odpowiedniej fazie. Jeśli napięcie na siatce lampy 2b wzrośnie, poziom napięcia siatki lampy 1b również musi wzrosnąć i odwrotnie. Powoduje to odpowiednie przesunięcie poziomu napięcia w punkcie połączenia A, pomiędzy lampami 1b i 2b. Cały obwód działa jak elektroniczny potencjometr podłączony pomiędzy masą a napięciem zasilania. Jego wyjście jest podłączone do kondensatora wyjściowego C2.
Wzmacniacz Operacyjny
Zadaniami wzmacniacza operacyjnego jest kontrola warunków pracy wzmacniaczy podłączonych do prądu stałego oraz kontrola sygnału częstotliwości akustycznej.
Sprzężenie dla prądu stałego (DC) jest konieczne do kontrolowania warunków pracy wszystkich stopni wzmacniacza z jednego miejsca układu. Jak pokazano na rys. 1, dotyczy to lamp 1a, 2a i 1b. Prąd spoczynkowy lampy 2b jest ustalany tylko przez napięcie polaryzacji ujemnej. Określa to opór wewnętrzny lampy 2b. Poziom napięcia w punkcie A dzieli się przez stosunek R1 i R2, a powstałe napięcie wzmacniacza operacyjnego porównuje się z napięciem odniesienia URef. Napięcie wyjściowe wzmacniacza operacyjnego przesunie punkt pracy lamp 1a i 1b, aż napięcia na wejściach odwróconego i nieodwróconego wzmacniacza operacyjnego będą takie same. Napięcie odniesienia URef, przyłożone do wejścia odwracającego wzmacniacza operacyjnego, określa również poziom napięcia w punkcie A. Jeżeli URef zostanie tak dobrane, aby poziom napięcia w punkcie A był równy połowie napięcia zasilania Ua, obie lampy wyjściowe będą miały ten sam opór wewnętrzny i zużywły tę samą moc. Co więcej, zdolność zmiany wyjściowych osiągnie maksimum.
Rysunek 1 pokazuje również wejściowy sygnał audio nałożony na napięcie odniesienia. Prądy spoczynkowe modulują z częstotliwością napięcia wejściowego, tak że sygnał wyjściowy wzmacniacza staje się bezpośrednią kopią sygnału wejściowego. Jest on jednak wzmacniany zgodnie ze stosunkiem rezystorów R1 i R2.
Ten dość skomplikowany obwód sterujący charakteryzuje się pewnymi niezwykłymi właściwościami. Jednym z problemów obwodów lampowych jest szum powodowany przez prąd żarnika. Prąd przemienny przepływający przez żarnik wytwarza pole magnetyczne, które dociera również do katody i prowadzi do modulacji prądu anodowego z częstotliwością 60 Hz. Jeśli taki szum pojawi się w pętli tego obwodu, kontrolowany przez wzmacniacz operacyjny, zostanie całkowicie wyeliminowany, jeśli napięcie odniesienia będzie czyste i wolne od szumów. Warunek ten można łatwo spełnić, stosując regulator stałego napięcia, który dokładnie filtruje i wygładza napięcie odniesienia. Będziesz w stanie osiągnąć stosunek sygnału do szumu na poziomie 130 dB(A).
Kolejną zaletą tej konstrukcji jest całkowita kompensacja nieliniowości charakterystyki lampy. Tolerancje produkcyjne i zmiany wynikające ze starzenia będą również kompensowane automatycznie. Co więcej, obwód sterujący jest objęty silnym ujemnym sprzężeniem zwrotnym prądu przemiennego, co skutkuje wyjątkowo niską impedancją wyjściową.
Zasilacz
Chociaż wzmacniacz ze swoim obwodem hybrydowym potrzebuje wielu napięć zasilania, transformator może pracować tylko z dwoma uzwojeniami wtórnymi. Uzwojenie o napięciu 250 V i prądzie obciążenia 100 mA jest istotne dla wygenerowania napięcia anodowego niezbędnego do zasilania stopnia wyjściowego stereo. Drugie uzwojenie wytwarza napięcie żarnika dla lamp. PCL805 wymaga 18 V przy prądzie żarnika 300 mA. Ponieważ obie lampy zostaną połączone szeregowo, należy wybrać transformator o napięciu 36 V i wydajności prądowej 0,7 A.
Z tego uzwojenia wyprowadzane jest dodatnie i ujemne napięcie zasilania wzmacniacza operacyjnego, jak również ujemne napięcie polaryzacji lampy 2b i dodatnie napięcie odniesienia URef.
Budowa wzmacniacza
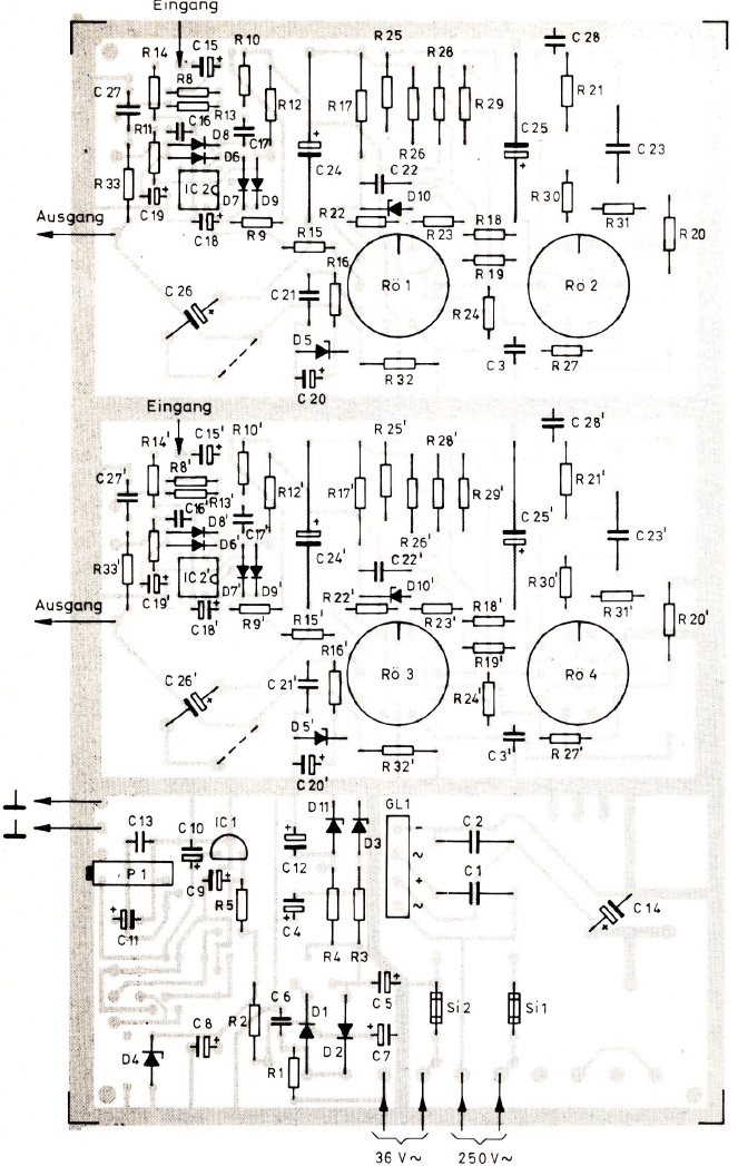
Niestety, konstruując ten układ, nie mogliśmy uniknąć dwustronnej płytki drukowanej. Z tego powodu tylko doświadczeni majsterkowicze powinni próbować wytrawić tę płytkę.
Jeśli chodzi o montaż, zacznij od zasilacza. Należy zainstalować następujące elementy: prostownik G11, diody i diody Z D1-4 i D11, kondensatory C1-14, rezystory R1-5, potencjometr P1, stały regulator napięcia IC1 oraz dwa bezpieczniki Si1 i Si2.
Zanim podłączysz transformator w celu sprawdzenia napięć, mała uwaga dotycząca wysokiego napięcia: napięcie anodowe wzmacniacza przekracza 300V. Ten poziom napięcia jest wystarczająco wysoki, aby wysłać Cię na „tereny szczęśliwych łowów”. Jeżeli jest to absolutnie nieuniknione, prace przy wzmacniaczu należy wykonywać wyłącznie przy wyłączonym zasilaniu i to z zachowaniem najwyższej ostrożności. Nawet po wyłączeniu zasilania napięcia na elektrolitach wysokiego napięcia (C14, 24, 24', 25', 26 i 26') pozostają wysokie przez długi czas. Zanim przystąpisz do pracy przy wyłączonym wzmacniaczu rozładuj w/w kondensatory. Do rozładowywania użyj rezystora 1k/4W. Nigdy nie zwieraj wyprowadzeń, ponieważ elektrolity mogą zostać zniszczone z powodu krótkich szczytów prądu o wartości większej niż 10 A.
Teraz można włączyć wzmacniacz i sprawdzić napięcia względem masy:
C14 ok. +315V
C4 -18V
C8 +22V
C10 +12V
C12 +6 V
Ustaw poziom napięcia na C13 na około 3,5 V za pomocą potencjometru P1. Jeżeli wszystkie poziomy napięć są prawidłowe, można przylutować podstawki lamp i zamontować lampy, ale dopiero po wyłączeniu wzmacniacza i rozładowaniu kondensatorów. Teraz sprawdź, czy żarniki działają, włączając ponownie wzmacniacz i odczekując kilka sekund. Powinieneś zobaczyć blask włókien wewnątrz lamp.
Po wyłączeniu i ponownym rozładowaniu układu można kontynuować montaż. Jeśli wszystkie elementy są przylutowane, włącz wzmacniacz i wyreguluj go, mierząc poziomy napięcia na C26 lub C26'. Napięcie powinno mieścić się w zakresie od 100 do 250 V i musi być ustawione na około 160 V za pomocą P1. Następnie zewrzyj wejście i sprawdź wyjście kanału pierwszego na oscyloskopie. Na wyjściu nie powinno być nic poza sygnałem o bardzo niskim poziomie szumów. Sprawdź kanał drugi pod kątem tego samego.
Aby wyregulować symetrię wzmacniacza, należy podać na wejście sygnał 1 kHz. Musisz obciążyć wyjście rezystorem 390Ω/4W. Do monitorowania sygnału wyjściowego użyj oscyloskopu. Teraz zwiększaj napięcie wejściowe, aż zobaczysz przesterowanie na wyjściu. Dzięki niewielkiej korekcie P1 punkt spoczynkowy będzie się przesuwał, aż obcięcie dodatniej i ujemnej półfali będzie takie samo. Poniżej poziomu przesterowania sygnał wyjściowy musi być wolny od zniekształceń. Jeśli nie masz oscyloskopu, możesz wyregulować napięcie na C26, C26' na połowę napięcia zasilania.

RYSUNEK 3

RYSUNEK 4

RYSUNEK 5: Montaż elementów na płytce.

RYSUNEK 6: Układ regulacji wzmocnienia i balansu.
ZESTAW ELEMENTÓW
Lampy i Półprzewodniki
1,1', 2,2' PCL805
IC1 78L12
IC2, 2' LF351
GL1 250V, 1A mostek (B250C1000)
D1, 2 1N001
D3 ZF18 zener
D4 ZF22 zener
D5, 5' ZF8.2 zener
D6-9, 6'-9' 1N4148
D10, 10' ZF39
D11 ZF6.2 zener
Rezystory
R1, 10, 10', 24, 24', 27, 27' 10Ω
R2, 25, 25', 26, 26', 28, 28', 29, 29' 1kΩ, ½W
R3 47kΩ
R4, 32, 32' 2.7kΩ, ½W
R5 100Ω
R8, 8', 11, 11', 15, 15', 16, 16', 18, 18', 23, 23' 30, 30' 1.2kΩ
R9, 9', 14, 14' 47Ω
R12, 12' 47kΩ, ½W
R13, 13' 100kΩ
R17, 17' 39kΩ, ½W
R19, 19', 22, 22', 31, 31' 1MΩ
R20, 20' 100kΩ, ½W
R21, 21' 22kΩ, ½W
R33, 33' 100Ω, ½W
P1 10kΩ regulowany
Wszystkie rezystory ¼W, ±5% metalizowane jeśli nie zaznaczono inaczej.
Kondensatory
C1, 2 .047µF, 630V
C3, 3' .001µF, 250V
C4, 11, 12 100µF, 24V electrolytic
C5, 7 47µF, 50V electrolytic
C6, 13 .047µF, 50V ceramic
C8 220µF, 25V electrolytic
C9, 10 1µF, 35V tantalum
C14 220µF, 350V electrolytic
C15, 15', 18, 18', 19, 19', 20, 20' 10µF, 25V tantalum
C16, 16' 21, 21' 100pF ceramic
C17, 17' 10pF ceramic
C22, 22' .22µF, 100V
C23, 23' .22µF, 250V
C24, 24', 25, 25' 10µF, 350V electrolytic
C26, 26' 220µF, 250V electrolytic
C27, 27' 330pF ceramic
C28, 28' .001, 350V ceramic
Hardware
Si1 (Bezpiecznik 1) 0.1A slow
Si2 (Bezpiecznik 2) 0.8A slow
Transformator
Pierwotne 118V AC
Wtórne 1 250V/100mA
Wtórne 2 36V/700mA
Cztery podstawki lampowe 9-cio pinowe (nowalowe), 2 to 8-pin dual in-line podstawka pod układ scalony.
Elementy opcjonalne
Wzmocnienie: Potencjometr podwójny logarytmivczny 100kΩ
Balans: Potencjometr podwójny liniowy 50kΩ
(2) 10kΩ ½W fixed resistors
TABELA I
WYNIKI POMIARÓW
Output Power 3.4W into 100Ω
RMS at 1kHz/1% THD 6.6W into 600Ω
THD 1kHz/100mW 0.007% into 100Ω
THD 1kHz/100mW 0.004% into 600Ω
Intermodulation 600/6000Hz, 4:1 0.005% into 600Ω
Power bandwidth - 3dB 2Hz-120kHz into 100Ω
Power bandwidth - 3dB 1Kz-140kHz into 600Ω
Dumping factor >104
Input sensitivity 0.2V for 1W into 100Ω
Input sensitivity 0.5V for 1W into 600Ω
Input impedance 100kΩ (without volume control)
Signal-to-noise ratio 113dB(A), 50mW into 600Ω
Signal-to-noise ratio 138dB(A), 2W into 600Ω
Output voltage 80V RMS
Slew rate (40V into 600Ω) 80V/µSec
Power output 2-3 dynamic phones (impedance approx. 400Ω)
Power supply 220V/50Hz, 40VA