
Radioelektronik Audio HiFi Video, marzec 2003, 3'03
- Z KRAJU I ZE ŚWIATA
- Oscyloskopy Yokogawa serii DL7400 (4)
- Firmy wspomagają edukację (4)
- Mikrokontrolery PIC18FXX20 (4)
- Wielokanałowy analizator amplitudy impulsów Tukan 8k PCI (7)
- GPS do komputerów i telefonów I-Mode (10)
- Moduły DDR 4GB (10)
- Zasilanie ze "słonecznego ubrania" (19)
- Projekt pilotażowy 3G UMTS (19)
- Ogniwa paliwowe do sprzętu przenośnego (25)
- Plastikowe tranzystory (30)
- Płyty w stylu retro (30)
- PODZESPOŁY
- Nowy detektor obrazu (8)
- Wzmacniacze klasy D firmy Philips (9)
- Przegląd wydawnictw (10)
- Józef Kalisz, Podstawy elektroniki cyfrowej
- TELEKOMUNIKACJA
- Cyfrowy system trakingowy TETRA (11)
- Komunikator TREO (14)
- NA RYNKU ELEKTRONIKI
- Multimetr cyfrowy HIOKI 3256-51 (15)
- Nowe scalone przetwornice DC-DC (15)
- Dodatkowa opcja w analizatorach Agilent (15)
- PORADNIK ELEKTRONIKA
- Podzespoły SMD (16)
- Z PRAKTYKI
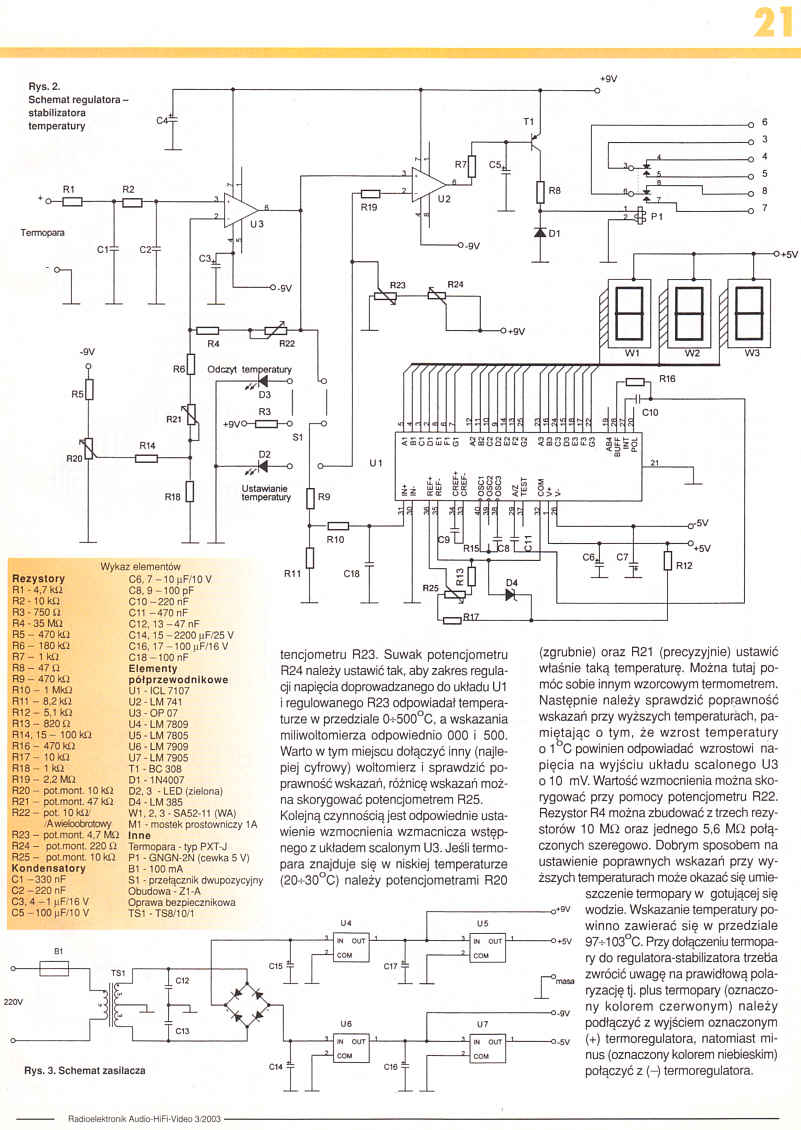
- Regulator i stabilizator temperatury (20)
Ten układ był przeznaczony do regulacji i stabilizacji temperatury w piekarniku elektrycznym, można go również wykorzystać wszędzie tam, gdzie zachodzi potrzeba regulacji i stabilizacji temperatury w zakresie od 0 do 500oC.
Artykuł: [Strona 20][Strona 21][Strona 22] - Tester uniwersalny (23)
Zespół inwerterów CMOS i kilka elementów biernych tworzą prosty i łatwy w użyciu tester uniwersalny.
Artykuł: [Strona 23] - ELEKTRONIKA W RÓŻNYCH ZASTOSOWANIACH
- Domowa centralka alarmowa (24)
- SIĘGAMY DO PODSTAW
- Kineskopy kolorowe (1) (26)
- ELEKTROAKUSTYKA
- Cyfryzacja toru fonicznego w takt TacT Audio (28)
- MIERNICTWO
- Nowoczesna komora bezodbiciowa CLBT w Boruczy (31)
- AKTUALNOŚCI
- Thomson Life 14" telewizory z magnetowidem (32)
- Panasonic NV-MX500 - E.CAM dla profesjonalistów (32)
- Przenośny sprzęt audio Sony na ekstremalne warunki (32)
- Systemy prezentacyjne firmy Creston (32)
- NA RYNKU AV
- Telewizory projekcyjne (34)
- POZNAJEMY SPRZĘT
- Zestaw kompaktowy AV Sony DAV-S550 (37
- Głośniki w kształcie fontanny (40)
- PORADY
- Automatyczne porządkowanie stacji TV (41)
- Program do prezentacji zdjęć na płytach DVD lub CD Ulead DVD Picture Show (42)
- Oglądamy filmy z komputera (43)
- OCENY UŻYTKOWNIKÓW
- Mikrowieża Streamium MC-i200 (44)
- OGŁOSZENIA (46)