
Radioelektronik Audio HiFi Video, rocznik XLIX (222), 11'97
- Z KRAJU I ZE ŚWIATA
- Stateczniki elektroniczne do "opornych świetlówek" (2)
- Panasonic w Czechach (2)
- Ekologiczna nagroda dla świetlówki kompaktowej (2)
- Czujnik światła do "inteligentnego" oświetlenia (2)
- ZATRA ma 40 lat (5)
- Nowe efekty specjalne w filmach Spielberga (5)
- Transformator jak mysz (5)
- Lepszy odbiór TV i UKF w Lubelskiem (5)
- TECHNIKA KOMPUTEROWA
- Moduł wyświetlacza LCD do układów mikroprocesorowych (6)
W artykule opisano jak dołączyć wyświetlacz ciekłokrystaliczny do systemu mikroprocesorowego. - MIERNICTWO
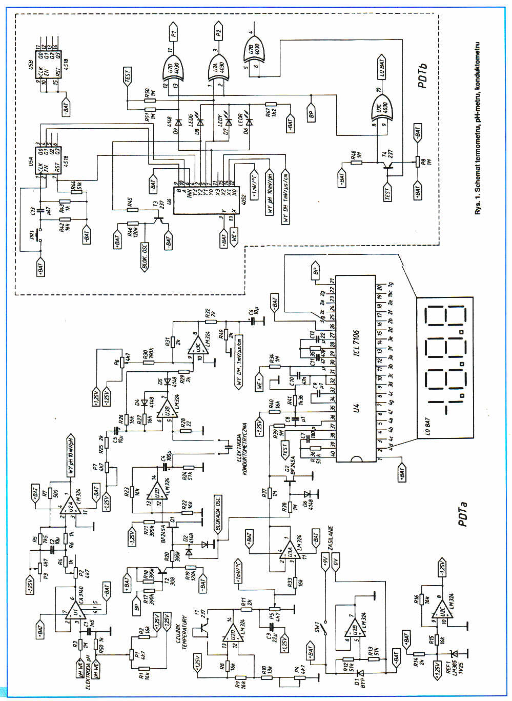
- Przenośny termometr, pH-metr i konduktometr ze wskaźnikiem cyfrowym (11)
Woda, której używamy nie zawsze na to miano w pełni zasługuje. Ale tym przyrządem możemy ją obiektywnie sprawdzić. Opisywane urządzenie powstało w 1994 r. W postaci przedstawionej w artykule zostało wykonane i sprawdzone w kilkunastu egzemplarzach. Jest w całości oryginalnym pomysłem autora. Przyrząd jest mały, lekki i zasilany z baterii. Może być przydatny np. przy dobieraniu wody do akwarium lub ocenie wody zasilającej kotły parowe.
Artykuł: [Strona 11] [Strona 12] [Strona 13] [Strona 14] - Kalibrator - multimetr Escort 2000 (16)
Znana z produkcji urządzeń pomiarowych wysokiej klasy tajwańska firma Escort już w 8 miesięcy po wprowadzeniu na rynek nowego profesjonalnego multimetru Escort 97 rozpoczyna produkcję multimetru-kalibratora Escort 2000. Przyrząd ten nie tylko mierzy sygnały, lecz także jest ich źródłem, zastępując w ten sposób dwa oddzielne urządzenia. - KLUB MŁODEGO ELEKTRONIKA
- GSM - cyfrowa telefonia komórkowa (1) (19)
Dwóch abonentów GSM z Polski, jadących w niewielkiej odległości autostradą w Hiszpanii, łączy się ze sobą przez centralę w Polsce. - Wzmacniacze operacyjne (2) (22)
- UKŁADY DLA KAŻDEGO
- Prosty sygnalizator akustyczny (21)
Bardzo prosty (zawierający tylko 6 elementów) sygnalizator, który może być zastosowany do różnych celów.
Artykuł: [Strona 21] - PORADNIK ELEKTRONIKA
- Jak blokować zasilanie? (23)
Każdy elektronik - układowiec wie, jak to robić. ale mało kto zastanawia się, czy i jak można obliczyć wartości kondensatorów blokujących. - PRZEGLĄD WYDAWNICTW
- K. Baranowski, A. Welo, Symulacja układów elektronicznych.
- INFORMACJA O PODZESPOŁACH
- AD9501 - układ opóźniający programowany cyfrowo.
- IVC102 - dokładny wzmacniacz całkujący.
- TELEKOMUNIKACJA
- Skrzynka antenowa na pasma KF (27)
Mikroprocesorowo sterowana skrzynka antenowa jest bardzo droga. W większości przypadków opisaną skrzynką można też porządnie zestroić antenę. - SCHEMATY I SERWIS
- Wzmacniacze SE-A1000 i SU-C1000 firmy Technics (30)
- ELEKTRONIKA W PRZEMYŚLE
- Standard PC/104 - przegląd modułów funkcyjnych (35)
W poprzednim numerze ReAV przedstawiono koncepcję standardu PC/104 oraz jego zastosowania. Teraz omawiamy wybrane moduły funkcyjne PC/104, z których większość może współpracować z płytami głównymi komputera klasy PC w wersji przemysłowej, wyposażonymi w złącze PC/104, do którego można dołączyć moduł karty sieciowej, modemowej itd. - ELEKTRONIKA W RÓŻNYCH ZASTOSOWANIACH
- Awionika: łączność i nawigacja (38)
Stosunkowo młode pojęcie "awionika" odnosi się do elektronicznego wyposażenia pokładowego statków latających, służącego do prowadzenia łączności, szeroko pojętej radionawigacji, a w przypadku samolotów bojowych także do sterowania uzbrojeniem, w tym środkami tzw. wojny radioelektronicznej. Określeniem tym obejmuje się także wskaźniki pokładowe, ale tylko te, które są związane (zintegrowane) z powyższym wyposażeniem; nie wchodzą tu zatem wskaźniki klasyczne, np. ciśnieniowe. Awionika to także systemy sterowania lotem, kontroli i rejestracji, rozpoznania i wreszcie komputery pokładowe. - Z PRAKTYKI
- Cyfrowy generator sygnału sinusoidalnego (42)
Wytwarzanie przebiegów sinusoidalnych w szerokim zakresie częstotliwości jest na ogół dość skomplikowane, wymaga wielu drogich elementów, a w tym także dostrajanych w procesie uruchamiania. Zastosowanie elementów typowych dla techniki cyfrowej, takich jak rejestr przesuwający i bramki NAND umożliwia zbudowanie generatora wytwarzającego przebiegi o kształtach bliskich sinusoidalnym, o częstotliwościach w zakresie od kilku herców do kilkuset kiloherców.
Artykuł: [Strona 42] [Strona 43] - OD... i DO CZYTELNIKÓW
- Samoczynne włączanie świateł mijania (44)
Zamiast płacić mandaty, zrób prosty układ. - WKŁADKA
- Płyta CD do jednokrotnego (CD-R) i wielokrotnego (CD-RW) zapisu.
- News Letter: Konkurencyjność przez innowacje - przetworniki A/C Maxim.
- AKTUALNOŚCI
- Projektor Media Star TLP511 firmy Toshiba (53)
- Magnetowid w komputerze (53)
- Stalowy telewizor (53)
- POZNAJEMY SPRZĘT
- Międzynarodowa Wystawa Radiowa - Internationale Funkausstellung Berlin 1997 (1) (56)
Pierwsze wrażenia - wideo. - Wzmacniacze SE-A1000 i SU-C1000 (60)
Zestaw wzmacniacz mocy SE-A1000 i wzmacniacz napięciowy SU-C1000 to produkty znanej od lat na naszym rynku japońskiej firmy Technics. zastosowanie tranzystorów MOSFET we wzmacniaczach mocy, przy niewygórowanej cenie, ulokowało produkty tej firmy w wyższej klasie. - DV Master (63)
Niedawno prezentowaliśmy zalety nieliniowego montażu wideo z wykorzystaniem karty AV Master, teraz przedstawiamy zalety montażu czysto cyfrowego z wykorzystaniem karty DV Master. - Sprzęt audio z zakładów Radiotechnika (67)
Zakłady łotewskie VEF (Radiotechnika-RRR). - Cyfrowe aparaty fotograficzne (68)
- NA RYNKU AV
- Taśmy magnetowidowe (70)
- OCENY UŻYTKOWNIKÓW
- Słuchawki bezprzewodowe Koss (72)
- OGŁOSZENIA (74)