
Radioelektronik Audio HiFi Video, styczeń, rocznik XLIX (212), 1' 97
- Z KRAJU I ZE ŚWIATA
- Wykupują łączą się i dzielą (2)
- Ćwierć wieku mikroprocesora (2)
- Nowe generatory Fluke'a (2)
- Mikrosterownik 16-bitowy w cenie 8-bitowego (3)
- Nokia Telecommunications w akcji (3)
- NOWA TECHNIKA
- DVD - cyfrowe dyski optyczne (4)
- MIERNICTWO
- Źródło prądowe i napięciowe (6)
Wprawdzie o źródłach prądowych pisaliśmy już w numerach 11/1995 i 6/1996 ReAV, to jednak znów wracamy do tego tematu. Przedstawiamy bowiem źródło z przepływem prądu w obu kierunkach - rozwiązanie proste, umożliwiające jednak uzyskanie stosunkowo wysokiej dokładności i powtarzalności parametrów.
Artykuł: [Strona 6][Strona 7][Strona 8] - KLUB MŁODEGO ELEKTRONIKA
- Zasilacz regulowany z sygnalizacją przeciążenia (11)
Dźwiękowa sygnalizacja przeciążenia zasilacza umożliwia szybką reakcję na nieprawidłowości w działaniu badanego układu.
Artykuł: [Strona 11][Strona 12] - Wieczny migacz (12)
Błyskająca dioda pobiera tak mało prądu, że układ pracuje nieprzerwanie bez wymiany baterii ponad rok.
Artykuł: [Strona 12][Strona 13] - Optoelektronika - Lasery półprzewodnikowe (14)
- PORADNIK ELEKTRONIKA
- Filtry cyfrowe (16)
Filtry analogowe, choć szeroko jeszcze stosowane, mają już groźnego konkurenta. - TELEKOMUNIKACJA
- GSM (2) - Prace nad systemem (18)
- Sposób przełączania zakresów w transceiverze KF (20)
Wielozakresowe przełączanie przekaźnikami jest lepsze niż diodami, zwłaszcza na małych poziomach w.cz.
Artykuł: [Strona 20] - INFORMACJA O PODZESPOŁACH
- Rezystory drutowe RDL-120, RDL210, RDX-210, RDX-219, RDC-210, RDC-120 i RX (21)
- PODZESPOŁY
- Układy scalone do ściemniaczy (2) (24)
Układ SLB0587 i LS7237 - SCHEMATY I SERWIS
- Telewizyjny generator serwisowy (26)
- ELEKTRONIKA W RÓŻNYCH ZASTOSOWANIACH
- Wyłącznik sterowany podczerwienią (29)
Proste urządzenie do zdalnego wyłączania odbiorników energii elektrycznej za pomocą sterownika wykorzystującego promieniowanie podczerwone.
Artykuł: [Strona 29] - Moduł blokujący działanie urządzeń elektronicznych (30)
Koniec z oglądaniem kryminałów przez dzieci. Blokada nie do ominięcia.
Artykuł: [Strona 30][Strona 31][Strona 32] - Zegar boiskowy (34)
Zegar boiskowy do koszykówki, z układami TTL i dużą dowolnością konstrukcji cyfr.
Artykuł: [Strona 34][Strona 35][Strona 36] - Z PRAKTYKI
- Wskaźnik dostrojenia (37)
Dokładne dostrojenie do częstotliwości środkowej filtru pasmowego jest sygnalizowane diodami świecącymi.
Artykuł: [Strona 37] - Wzmacniacz mostkowy dużej mocy (38)
Tani wzmacniacz mostkowy nie wymagający stosowania tranzystorów MOSFET z kanałem P.
Artykuł: [Strona 38] - ELEKTROAKUSTYKA
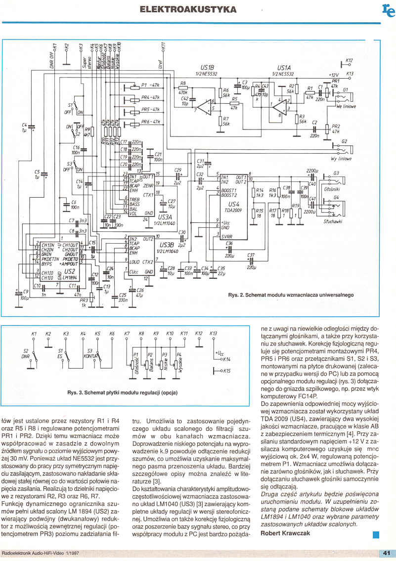
- Uniwersalny wzmacniacz akustyczny (1) (40)
Układ można włączyć w tor akustyczny bez użycia lutownicy i jakichkolwiek przeróbek karty muzycznej. Jednak jego zastosowanie nie ogranicza się tylko do komputera. Można go stosować także do odtwarzania muzyki z dowolnego źródła dźwięku. Autor testował układ we współpracy z kartą muzyczną komputera IBM PC, ale również przy kopiowaniu i montażu kaset wideo z dźwiękiem stereofonicznym, wykorzystując moduł jako korektor dźwięku z monitorowaniem.
Artykuł: [Strona 40][Strona 41] - RÓŻNE
- Dlaczego bateria alkaliczna Rayovac? (42)
- Co się bardziej opłaca? (43)
Kupować, wypożyczać, czy brać w leasing elektroniczną aparaturę pomiarową. - AUDIO HiFi VIDEO
- Projekcyjne telewizory LCD firmy Sony (45)
- Dla kierowców melomanów (45)
- Coś dla pań (45)
- POZNAJEMY SPRZĘT
- Telewizor Toshiba 2988 UXE (46)
- Odświeżanie nagrań magnetofonowych (48)
Pakiet programowy DART. - NA RYNKU AV
- Przegląd wzmacniaczy (51)
- OCENY UŻYTKOWNIKÓW
- Na japońską nutę (55)
Pioneer A-405R, Sony TA-FE 700R, Yamaha AX-490. - Antena satelitarna Galaxis IMT z tunerem SAT 600 DS (58)
- TECHNIKA SATELITARNA
- Perspektywy wykorzystania fal świetlnych w łączności satelitarnej (60)
- OGŁOSZENIA (62)