
Radioelektronik, maj 1989, rocznik XL (120), 5'89
Okładka: Nawet przy projektowaniu obuwia korzysta się z pomocy komputera (Foto Siemens)
Z KRAJU I ZE ŚWIATA (2 strona okładki)
- Projektowanie obuwia przy użyciu komputera
"SchuCAM" tak nazywa się program komputerowy, opracowany przez firmę Siemens dla przemysłu obuwniczego. Zastosowany przez największego europejskiego producenta obuwia damskiego - firmę Gabor w RFN - umożliwia szybkie reagowanie na zmiany mody oraz zmniejszenie kosztów i skrócenie czasu opracowania. Różnica do systemu konwencjonalnego? 40 lat temu firma wypuszczała cztery nowe modele w sezonie, obecnie - 250 do 350 nowych modeli w ciągu półrocza. - Nowy odtwarzacz płyt kompaktowych firmy ITT-NOKIA
Odtwarzacz typu DP 7980 wyróżnia szczególnie pojemnik na 6 płyt kompaktowych (CD), co umożliwia odtwarzanie muzyki przez około 6 godzin bez przerwy. Jest możliwe zaprogramowanie z góry odtworzenie 32 utworów, powtarzanie wybranych utworów, szybkie poszukiwanie pożądanego utworu. - Rozgałęziacze sygnałów świetlnych
Firma Siemens informuje, że opracowała technologię wytwarzania płytek szklanych, w których są uformowane tory światłowodowe o rozgałęzionej konfiguracji. Płytka ma wymiary 30 x 5 x 5 mm. Tłumienie sygnału wynosi ok. 0,3 dB/cm i dodatkowo 0.3 dB na rozgałęzieniu. - System komputerowy jako tłumacz
Specjaliści z zachodnioniemieckiego koncernu Siemens opracowali komputerowy system o nazwie METAL (ang. Machine Evaluation and Translation of Natural Language) służący "inteligentnemu" tłumaczeniu różnojęzycznych tekstów. Obecnie jest gotowa wersja tłumaczenia z języka niemieckiego na angielski, zaś w przygotowaniu jest wersja "odwrotna" - z angielskiego na niemiecki, a także wersje obejmujące kolejne języki: francuski, hiszpański i niderlandzki.
OGŁOSZENIA (1)
ELEKTROAKYSTYKA - MIKROFONY (3) (2)
- Mikrofony specjalne
Spośród wielu mikrofonów o szczególnych cechach wymienimy tylko kilka.
Mikrofony bezprzewodowe: Kabel mikrofonowy łączący mikrofon ze wzmacniaczem jest szczególnie niedogodny podczas występów artystów poruszających się na estradzie, przechodzących z miejsca na miejsce itp. Dość dawno powstał pomysł umieszczenia w mikrofonie lub w małej odległości od niego nadajnika radiowego zasilanego z baterii, a poza estradą lub sceną - ustawienie odpowiedniego odbiornika, którego wyjście jest normalnie połączone z mieszaczem i wzmacniaczami.
Mikrofony płaszczyzny ograniczającej: Płaszczyzną ograniczającą (akustycznie) jest np. ściana lub podłoga studia czy sali koncertowej. Fale akustyczne odbijają się od takiej płaszczyzny. Jeżeli w takiej płaszczyźnie umieści się mikrofon o bardzo małej średnicy membrany, to wykaże on szczególne właściwości, głównie dzięki temu, że nie zakłóca on w niczym pola akustycznego. Fale o różnej długości napływają z różnych kierunków, odbijają się i podążają dalej. Oczywiście charakterystyka kierunkowości takiego mikrofonu ma kształt półkuli. Na rys. jest przedstawiony mikrofon tego rodzaju. Mikrofony te wykonuje się z reguły jako pojemnościowe. Odznaczają się one bardzo naturalnym odbiorem dźwięku i dobrym odtwarzaniem atmosfery akustycznej. Stosowane są w studiach do odbioru instrumentu solowego (np. fortepianu) lub małych zespołów orkiestrowych.

Studyjny mikrofon pojemnościowy tzw. "mikrofon płaszczyzny ograniczającej" - AKG typ C562BL
- Wybrane zalecenia dotyczące stosowania mikrofonów
Mikrofon odbiera zmiany ciśnienia akustycznego powodujące drgania membrany. Człowiek słyszy dwoma uszami i natychmiast poddaje odebrane przebiegi nadzwyczaj złożonej obróbce w mózgu. Można rzec, że mikrofon "słyszy" obiektywnie, a człowiek słyszy subiektywnie i to są zupełnie różne sposoby słyszenia. O tym trzeba pamiętać, posługując się mikrofonami.
W studio fonograficznym i radiofonicznym reżyser akustyk ma do dyspozycji bogate środki, dość czasu na próby i możliwość zastosowania techniki zapisu wielośladowego, czyli przygotowywania materiału dźwiękowego, z którego wytworzony jest ostateczny produkt muzyczny. Powstała obszerna wiedza o mikrofonowej technice studyjnej, stale wzbogacana w miarę nagromadzania doświadczeń i wprowadzania nowych środków technicznych. Ta działalność jest domeną dość wąskiego kręgu specjalistów. - Zasilanie
Mikrofony pojemnościowe wymagają zasilania ze źródła energii elektrycznej. Stosowanych jest kilka rozwiązań.
Pojemnościowe mikrofony studyjne są zasilane w sposób znormalizowany, przez tor przewodowy pochodny (fantomowy), utworzony z dwóch przewodów "sygnałowych" i ekranu połączonego z masą mikrofonu.

Schematy zasilania mikrofonów pojemnościowych przez pochodny tor przewodowy.
- Kable oraz wtyki i gniazda połączeniowe
Kabel mikrofonowy zawiera dwa izolowane, wielożyłowe przewody (o przekroju od 0.2 do 0.6mm2, zależnie od typu kabla), oplot ekranujący (często podwójny) i zewnętrzną warstwę ochronną. Kable mikrofonowe są tak wykonane, że nie splatają się i nie pętlą. Zewnętrzna średnica kabla wynosi 4÷7 mm.

Schematy przyłączenia mikrofonów do różnych wtyków
- a - wtyk mikrofonowy DIN (WM-345) połączenie symetryczne
- b - wtyk mikrofonowy DIN (WM-345) połączenie asymetryczne
- c - wtyk palcowy 6.3 mm, połączenie asymetryczne
- d - wtyk specjalny (DIN 41624), połączenie symetryczne
- e - wtyk XLR systemu Cannon, połączenie symetryczne
NIETYPOWE URZĄDZENIA ILUMINOFONICZNE (5)
Cechami charakterystycznymi opisanego w artykule urządzenia iluminofonicznego są: wykorzystanie w urządzeniu układów scalonych typu UAA180 Siemensa (odpowiednik krajowy UL1980N),
stosowanych do zaświecania diod elektroluminescencyjnych we wskaźnikach wysterowania, zastosowanie optoelektronicznego sprzężenia między członami sterującymi i wyjściowym członem świecącym urządzenia oraz ukształtowanie źródeł światła jako trzech świecących słupków o zmieniającej się wysokości. Moc urządzenia może być różna, zależnie od zastosowanych żarówek i układu ich zasilania.

Schemat urządzenia iluminofonicznego
KASETY MAGNETOFONOWE W LECIE (6)
Zbliża się okres letni, a z nim wyjazdy na wycieczki i wczasy z magnetofonami kasetowymi różnych typów. Warto więc zwrócić uwagę na kilka zasad, które uchronią nas przed uszkodzeniem kaset lub pogorszeniem ich działania.
TECHNIKA MIKROPROCESOROWA - MIKROPROCESOROWY STEROWNIK TUNERA (2) (6)
- Sprzęt
Opis zasady pracy syntezatora częstotliwości - Moduł analogowy
- Zdalne sterowanie
TECHNIKA RTV - TELEWIZJA SATELITARNA (2) (9)
- Urządzenia odbiorcze
Sygnały telewizyjne retransmitowane przez satelity mogą być odbierane przez wiele naziemnych urządzeń odbiorczych współpracujących bezpośrednio lub pośrednio z domowymi odbiornikami telewizyjnymi.
MIERNICTWO - KOŁOWY WYKRES SMITHA (2) (12)
Podobnie jak w Gaussowskim układzie współrzędnych, również w układzie Smitha każdy punkt płaszczyzny oznacza zespolony rezystor, wg jego wartości rzeczywistej i urojonej. Wartości rzeczywiste nanosimy na osi poziomej (średnicy układu), dodatnie wartości urojone na górnej połowie obwodu układu, ujemne wartości urojone na dolnej połowie obwodu kołowego układu Smitha, impedancje znajdujemy na przecięciu krzywych rzeczywistych i urojonych.
SCHEMATY - ODBIORNIKI TELEWIZYJNA NEPTUN 471, 471A, 671 (15)
Odbiorniki telewizyjne Neptun 471, 471A, 671, produkowane od 1984 r. w Gdańskich Zakładach Elektronicznych Unitra - Unimor, są przeznaczone do odbioru programów telewizji czarno-białej, emitowanych w pasmach od I do V według standardu DK.
OTV Neptun 471, 471A, 671 są odbiornikami telewizyjnymi stacjonarnymi, klasy II z kineskopami bezpiecznymi, zasilanymi z sieci energetycznej napięciem przemiennym 220 V +5%/-10%, 50 Hz, przeznaczonymi do eksploatacji w warunkach klimatu umiarkowanego.
- Dane techniczne
- Opis układów

Schemat głowicy MOS FET TJ01M-050145

Schemat głowicy bipolarnej VTJ 01M-564554 (N1 i N104 - dławiki ferrytowe)
- Moduł UMP-1006
- Tor fonii
- Tor wizji
- Układ synchronizacji poziomej
- Układ odchylania poziomego
- Układ odchylania pionowego
- Układ zasilania
KLUB MŁODYCH ELEKTRONIKÓW - PORADNIK ELEKTRONIKA. TRANZYSTORY (2) (22)
W powiązaniu z głównymi parametrami przyjęto klasyfikację tranzystorów na poszczególne rodzaje. Najwygodniej posłużyć się katalogiem, w którym tranzystory są klasyfikowane przede wszystkim według głównych parametrów i w pewnej mierze według dziedzin zastosowań.
W katalogu Naukowo-Produkcyjnego Centrum Półprzewodników CEMI, zgodnie z przyjętym międzynarodowym systemem, druga litera oznaczania określa rodzaj tranzystora według następującego kodu:
- C - tranzystory małej i średniej mocy, małej częstotliwości
- D - tranzystory mocy małej częstotliwości
- F - tranzystory małej mocy, wielkiej częstotliwości
- L - tranzystory mocy. wielkiej częstotliwości
- S - tranzystory impulsowe (przełączające), małej mocy
- U - tranzystory impulsowe mocy

Szkice częściej spotykanych typów obudów tranzystorów
RADIOKOMUNIKACJA - URZĄDZENIE DO ZDALNEGO STEROWANIA MODELI (23)
W artykule opisano parametry, budowę oraz zasadę działania urządzenia do zdalnego sterowania modeli o nazwie MFFS 27 MHz, produkowanego przez VEN PIKO Sonnenberg (NRD). Jest ono następcą wcześniej produkowanego i sprzedawanego także w Polsce urządzenia Signal FM-7 (opisanego w "Re" nr 1/1986). W najbliższym czasie zestaw MFFS 27 MHz ma być sprzedawany przez Centralną Składnicę Harcerską.

Schemat układu elektrycznego serwomechanizmu
MFFS 27 MHz został zaprojektowany do zdalnego sterowania modeli latających, pływających oraz pojazdów samochodowych. Przeciętny zasięg urządzenia nie przekracza 1 km na lądzie, na wodzie lub przy sterowaniu modelem latającym. Przy sterowaniu modeli na lądzie zasięg jest najmniejszy, gdyż zależy od rodzaju oraz ukształtowania terenu.
KRÓTKOFALOWIEC POLSKI (27)
- Z życia Związku
- Ciekawostka ze świata krótkofalarskiego
- Nowa forma członkostwa PZK
- Dyplom "Worked Copernicus Towns Award"
PODZESPOŁY ELEKTRONICZNE - UKŁAD SCALONY LA3210 (29)
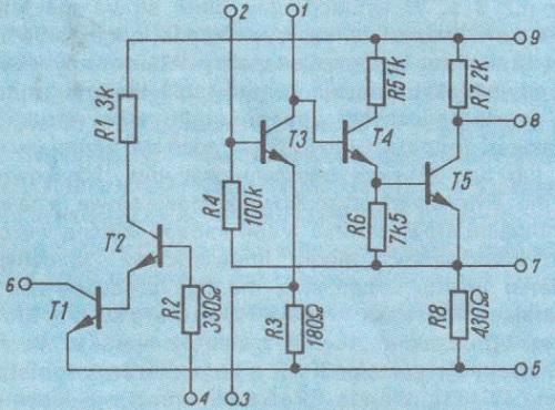
Spełniając prośby Czytelników, którzy w sklepach Bomisu kupili układy scalone LA3210 firmy Sanyo, przedstawiamy informację o tym układzie. Układ scalony LA3210 spełnia funkcję wzmacniacza korekcyjnego do magnetofonu kasetowego z automatyczną regulacją poziomu zapisu (ALC).

Schemat elektryczny układu scalonego LA3210

Schemat elektryczny wzmacniacza korekcyjnego do magnetofonu
POMYSŁ I REALIZACJA - PRZETWORNICA (29)
Na ogół istnieje problem zasilania urządzeń wymagających zasilania napięciem stałym z sieci prądu przemiennego, ale zdarzają się też sytuacje odwrotne. Oto jeden ze sposobów takiego zasilania.

Schemat przetwornicy małej mocy napięcia stałego na zmienne
RÓŻNE - MIĘDZYNARODOWE TARGI TECHNICZNE PŁOWDIW'88 (30)
OGŁOSZENIA (32)
Z KRAJU I ZE ŚWIATA (33)
- 100 lat magnetycznego nośnika zapisu informacji
- Samoistne uszkodzenia płyt kompaktowych
- Nowy brytyjski satelita
- Karta z układem scalonym zamiast biletu
- Aktywny czujnik sygnalizujący uszkodzenie szyby wystawowej
- Zdalne otwieranie drzwi samochodu
Kończy się szukanie kluczyków w kieszeniach czy torebkach i mocowanie się z zamarzniętym zamkiem w drzwiach samochodu.