
Cómo un transformador de salida causa distorsión
En dos partes - Parte 1
Audio, February, 1957, Vol. 41, No. 2 (Successor to RADIO, Est. 1917).
(Audio, febrero de 1957, vol. 41, N ° 2 (Sucesor de RADIO, Est. 1917).)
Norman H. Crowhurst
El funcionamiento de los transformadores de audio ha estado rodeado durante mucho tiempo de un aura de misterio. Este artículo distingue las diferentes formas de distorsión que puede producir un transformador de salida y proporciona algunos métodos de medición sencillos.
El uso de transformadores de audio se ha depreciado durante mucho tiempo debido a que causan distorsión. De hecho, el transformador de salida parece ser casi el único superviviente de la especie y se han hecho muchos intentos para prescindir incluso de esto. Se han diseñado algunos amplificadores para prescindir del transformador de salida, aparentemente con la creencia de que el transformador de salida es la principal causa restante de distorsión.
Un análisis cuidadoso generalmente mostrará que los tubos introducen más distorsión de la que tendría el transformador de salida y que un amplificador bien diseñado que usa el transformador de salida convencional puede lograr un orden de distorsión mucho menor de lo que es posible sin uno.
Parece que se pasan por alto algunos hechos simples sobre los transformadores: cuando la curvatura del tubo causa distorsión, distorsiona todas las frecuencias; pero la distorsión que causa un transformador debido a la no linealidad de su corriente de magnetización se concentra en el extremo de baja frecuencia. El peor transformador fabricado no distorsionará las frecuencias medias y la forma en que se distorsiona tanto en las frecuencias más bajas como en las más altas es una de las cosas que aclararemos en este artículo.
Pero, seguramente, alguien dirá, ¿un transformador puede causar distorsión en frecuencias medias? "Recuerdo haber reemplazado un transformador, y el reemplazo no da tanta potencia sin distorsión como lo hizo el original". ¿No prueba esto que el transformador se distorsiona en la frecuencia media? Para comprender la causa de esta experiencia, consideremos el efecto de la eficiencia del transformador en el rendimiento del amplificador.
La importancia de la eficiencia
Los amplificadores están clasificados para dar una salida máxima determinada, determinada por el rendimiento de los tubos de salida. Sin embargo, la potencia de salida siempre se mide en el lado secundario del transformador de salida, como se muestra en la Fig.1.

Fig. 1. El método habitual para medir la potencia de salida consiste en calcular los vatios disipados en una resistencia de carga conectada al secundario del transformador de salida. Si bien esta es la potencia de salida disponible, los tubos de salida en realidad entregan un poco más que esto.
Un buen transformador de salida tiene probablemente un 95% de eficiencia. Esto significa que, si el amplificador da una salida de 50 vatios, medidos en el lado secundario del transformador, debe haber una salida de casi 53 vatios entregada al lado primario desde los tubos de salida. Los tubos de salida tienen que dar una salida de casi 53 vatios para que podamos medir unos buenos 50 vatios.
Esto es un poco difícil de verificar mediante mediciones reales. El paso más simple hacia es quitar la carga de resistencia secundaria y aplicar una carga de placa a placa en el primario, como en la Fig. 2. Si la carga secundaria fue de 16 ohmios y el transformador refiere que esto es, digamos, 6000 ohmios resistencia placa a placa, luego se debe conectar una resistencia de 6000 ohmios, de al menos 50 vatios de disipación, a través del primario. Los tubos de salida ahora suministran energía directamente a la carga, sin pasar por el transformador de salida, y ahora se puede medir en la resistencia de 6000 ohmios.

Fig. 2. Conectar una resistencia de carga adecuada en el primario del transformador de salida para medir la potencia evita parte de la pérdida en el transformador de salida, pero los tubos aún tienen que suministrar la pérdida del núcleo.
Pero todas las pérdidas en el transformador de salida no se han eliminado transfiriendo la carga del secundario al primario. La pérdida del núcleo del transformador todavía está presente. Si, de los 3 vatios perdidos en el transformador, 1 vatio se debe a pérdidas del núcleo y 2 vatios a pérdidas en las resistencias de los devanados, solo mediremos 52 vatios en la carga conectada al primario, porque el 1 vatio impar seguirá siendo perdido en el núcleo.
Esta discusión se basa en un transformador que tiene una eficiencia del 95 por ciento. Un transformador de salida de 50 vatios con una eficiencia del 95 por ciento y una respuesta de frecuencia realmente buena de 20 a 20 000 cps será bastante grande y costoso. Una pérdida de potencia del 5 por ciento es solo de 0,2 db, por lo que algunos argumentarán que podemos aceptar un transformador con una eficiencia del 90 por ciento, que aún representa una pérdida de menos de 0,5 db, para lograr una mejor calidad en términos de respuesta de frecuencia. a un tamaño y costo más razonables. Para algunos aspectos, el segundo transformador podría considerarse un trabajo de mejor calidad que el primero, pero. . .
Supongamos que hemos sustituido un transformador de eficiencia del 90 por ciento por un amplificador que originalmente usaba un transformador del 95 por ciento: los tubos aún serán capaces de dar la misma salida, algo menos de 53 vatios, que, con un 95 por ciento transformador eficiente entregará 50 vatios en el secundario; pero con un transformador con una eficiencia del 90 por ciento, los mismos tubos solo entregarán un poco más de 47 vatios en el secundario.
A primera vista, esto puede no parecer una pérdida muy grave. Si realiza la medición a 47 vatios en el secundario, puede evaluar correctamente su valor real. Pero desafortunadamente, los tubos de salida para dar 50 vatios rápidamente se distorsionan cuando se empujan a un nivel más alto. La característica de distorsión es similar a la que se muestra en la Fig. 3: la distorsión a los 53 vatios requeridos para dar 50 vatios de un transformador con una eficiencia del 95 por ciento puede ser sólo del 0,5 por ciento; pero para obtener los casi 56 vatios necesarios para un transformador con una eficiencia del 90 por ciento, la distorsión puede aumentar al 2,5 por ciento, o incluso más. Entonces, si la medición se realiza solo al nivel de 50 vatios medido en el secundario, se puede obtener fácilmente la impresión de que el segundo transformador de salida aumenta considerablemente la distorsión, en comparación con el primero.

Fig. 3. Característica de distorsión típica del amplificador, representada en términos de la potencia proporcionada por los tubos, para ilustrar cómo el uso de transformadores de diferente eficiencia puede cambiar la distorsión a la salida máxima nominal de manera bastante drástica, porque los tubos también tienen que alimentar al transformador. pérdidas
Desafortunadamente también, muchas personas ponen un estrés considerable en obtener el valor total de la potencia indicada, dentro del límite de distorsión nominal. Si se establece que la salida es de 50 vatios con una distorsión del 0,5 por ciento, entonces se considera que un amplificador carece seriamente si solo entrega 48 vatios con una distorsión del 0,5 por ciento y funciona con una distorsión de hasta el 2 o el 3 por ciento cuando la salida es empujado a 50 vatios. Este punto de vista puede ser seriamente perjudicial para una evaluación de la calidad del transformador, cuando la única deficiencia en el transformador es que es un poco menos eficiente: introduce una pérdida de 0,5 db, o incluso menos, en lugar de los 0,2 db originales.
Distorsión de baja frecuencia
En el extremo de baja frecuencia de la respuesta, un transformador de salida provoca una distorsión debido a la saturación del núcleo, lo que provoca una corriente de magnetización no lineal. Esto en un momento siempre fue cierto. Pero en los últimos años, con materiales magnéticos modernos y con algunos métodos de funcionamiento de los tubos, el enunciado debe modificarse, como veremos. Primero veamos cómo medimos la forma de onda de baja frecuencia del propio transformador y qué tipo de resultados obtenemos.
Formas de onda del transformador
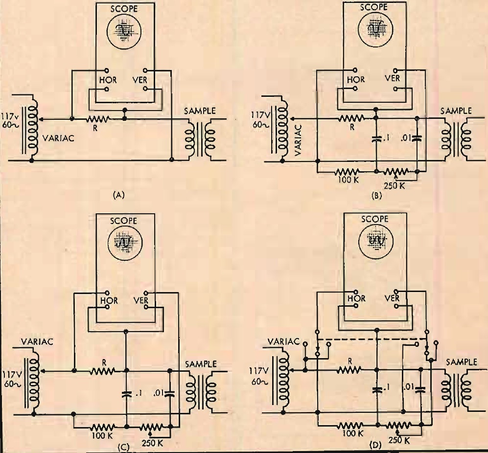
En la Fig. 4, (A) muestra la disposición para medir la corriente de magnetización en un transformador simple por medio de un patrón de osciloscopio. La resistencia R debe elegirse de modo que su caída de voltaje sea una pequeña fracción de la que atraviesa el devanado del transformador, por lo que el voltaje del devanado también es cercano a la sinusoidal. Como el voltaje de línea completo probablemente no será suficiente para producir saturación en el promary de un transformador de salida, el devanado secundario debe usarse para la prueba, dejando el primario en funcionamiento y teniendo cuidado de no acercarse demasiado a los extremos abiertos, lo que producirá un aire acondicionado prohibitivamente grande Voltaje.
Es importante tener cuidado en qué sentido está conectado el Variac a la línea y también para ver que el lado de tierra del alcance no regrese a la línea de tierra, porque, en estas medidas, la tierra del alcance se devuelve a un punto flotante. entre la resistencia R y un lado del devanado del transformador. Por lo tanto, tenga cuidado de no tener más de un punto de tierra y también evite el contacto de metal con metal entre la carcasa del osciloscopio y otro chasis conectado a tierra.

Fig. 4. Disposiciones del circuito para producir las trazas del osciloscopio: (A) la disposición para la traza de (A) en la Fig. 5; (B) conexiones para configurar 90 grados. desplazamiento de fase, ajustando para obtener el círculo de (B) en la Fig. 5; (C) conexiones para usar con 90 grados. desplazamiento de fase para dar un bucle de histéresis en (C) en la Fig. 5; (D) circuito con conmutación para que cada pantalla se pueda presentar en secuencia rápida.
El tipo de trazo que da la disposición de (A) Fig. 4 cuando el núcleo comienza a saturarse se muestra en (A) en la Fig. 5. El voltaje aplicado a las placas verticales es aproximadamente sinusoidal mientras que el voltaje horizontal sigue el forma de onda de corriente de magnetización, que se muestra por separado frente a una base de tiempo convencional en (D) en la Fig.5.

Fig. 5. Trazos asociados con el análisis del núcleo: (A) magnetización de corriente horizontal con voltaje vertical, utilizando una forma de onda de voltaje casi sinusoidal; (B) patrón circular para verificar 90 grados. cambio de fase en la pantalla de voltaje; (C) bucle de histéresis obtenido por 90 grados. cambio en placas verticales; (D) formas de onda mostradas por base de tiempo normal, correspondientes a los patrones de (A) y (C). El flujo magnético se muestra con puntos, porque no se puede mostrar directamente.
Con un poco de adaptación, se puede hacer que el circuito muestre el conocido bucle de histéresis del núcleo del transformador. Los cambios necesarios se ilustran en (B) y (C) en la Fig. 4. Cuando se usa un voltaje sinusoidal, el flujo magnético en el núcleo también es sinusoidal, pero se desplaza 90 grados. del voltaje que induce. Entonces, al introducir un 90 grados. cambio de fase en la deflexión vertical, podemos producir un bucle de histéresis.
Primero tenemos que configurar los 90 grados. cambio de fase. Para hacer esto, se agregan los componentes mostrados en (B) en la Fig. 4 y la resistencia variable de 0.25 megaohmios y los controles de ganancia del osciloscopio se ajustan para obtener la traza circular de la Fig. 5. Luego, sin alterar la configuración de 0.25- meg. resistor, cambie el circuito a la disposición de C en la Fig. 4, cuando se muestre el bucle de histéresis que se muestra en (C) en la Fig. 5.
Esta configuración dará el bucle de histéresis a 60 cps, y su comportamiento a diferentes niveles se puede observar girando el Variac hacia arriba y hacia abajo. Sin embargo, para organizar la configuración de modo que este procedimiento se pueda repetir en diferentes frecuencias, se puede incluir la disposición de conmutación de (D) en la Fig.1, que prevé la realización de las conexiones que se muestran en (A), (B) y (C ) de la Fig.4 en rápida sucesión. Luego, el Variac debe alimentarse desde un amplificador de alta potencia que entregue el voltaje necesario sin distorsión de la forma de onda en las frecuencias requeridas.
Si vuelve a cambiar el osciloscopio a la base de tiempo normal, lo que significa que la entrada horizontal se desconecta y la vertical se muestra contra el tiempo, se pueden obtener las formas de onda que se muestran en (D) en la Fig.5 (excepto la forma de onda de flujo magnético, porque hay no es un medio de medir esto). Aunque estas formas de onda se pueden mostrar, no existe un medio sencillo de identificar la fase relativa. Ésta es la ventaja de utilizar el tipo de pantalla en bucle que se muestra en la Fig. 5 en (A), (B) y (C).
Transformadores en circuitos de tubos de electrones
Todas estas pantallas usan al menos una forma de onda de voltaje aproximadamente sinusoidal. La distorsión ocurre porque el voltege se aparta de la onda sinusoidal verdadera. Esto sucede porque la forma de onda de la corriente distorsionada se extrae de la resistencia de la fuente que produce una caída de voltaje. En la disposición de la Fig. 4 usamos el Variac y el valor bajo de la resistencia R para mantener un voltaje sinusoidal aproximado evitando esta caída de voltaje. Pero en circuitos amplificadores prácticos, la resistencia de placa de los tubos de salida no permite esta condición.
Circuitos de salida con pentodos
Un pentodo es virtualmente una fuente de "corriente", por lo que al pasar al otro extremo por un momento, podríamos suponer que la corriente es sinusoidal, como se representa en (A) en la Fig. 6. En este caso, el flujo magnético se determinará a partir de el bucle de histéresis y el voltaje, a su vez, son producidos por la tasa a la que varía el flujo en cualquier instante. Las formas de onda producidas se muestran en (A) en la Fig. 7. La corriente y el voltaje pueden, por supuesto, mostrarse en el osciloscopio, pero el flujo magnético sólo podemos deducirlo.

Fig. 6. Mostrando las cantidades mostradas en la Fig. 7: (A) alimentada desde un pentodo, o fuente de alta resistencia, la corriente es sinusoidal; (B) con una resistencia de fuente más baja, ni el voltaje ni la corriente son sinusoidales.

Fig. 7. Formas de onda en diferentes circuitos prácticos: (A) con un pentodo o fuente de alta resistencia, la corriente es sinusoidal; (B) con una resistencia de fuente más baja, estas formas de onda son típicas.
Estas formas de onda se aplican aproximadamente a una etapa de salida de pentodo sin realimentación. Cuando se usa retroalimentación, la forma de onda de voltaje se retroalimenta sobre todo el amplificador para "corregir" la forma de onda de corriente, que luego ya no es sinusoidal.
Circuitos de salida con triodos
(B) en la Fig. 6 muestra cómo podemos simular las condiciones para amplificadores de triodo. El voltaje de entrada, que es sinusoidal, se puede considerar como el voltaje de circuito abierto en la placa. Este voltaje de entrada es el que se aplica a la rejilla multiplicado por el factor de amplificación del tubo. La resistencia de la fuente se corresponde con la resistencia de la placa del tubo y debido a la caída en esta resistencia de la fuente, debido a la corriente consumida por el devanado del transformador, el voltaje del terminal diferirá del voltaje de salida, como se muestra en (B) en la Fig.7.
Observe que el voltaje del terminal se acerca mucho más a estar en fase con el voltaje de entrada que la relación de fase entre el voltaje y la corriente en (A) en la Fig.7.
De esta breve discusión se hace evidente que la corriente de magnetización y el voltaje terminal de un transformador no pueden ser sinusoidales. En la práctica, ambos parten de una verdadera forma de onda sinusoidal y se produce una cierta cantidad de distorsión.
Otro tipo de distorsión de baja frecuencia
Sin embargo, si la corriente de magnetización es una proporción relativamente pequeña de la corriente total en los devanados del transformador, la distorsión puede ser un porcentaje muy pequeño. Estas curvas se muestran con el transformador descargado de modo que la corriente de magnetización es la única corriente en los devanados. Si el transformador hubiera sido terminado por la resistencia de carga normal, las formas de onda probablemente habrían sido indistinguibles de las ondas sinusoidales puras y la distorsión solo podría detectarse por medio de un analizador.
La corriente de magnetización está invariablemente relacionada con la inductancia primaria efectiva y la forma en que un transformador se distorsiona a baja frecuencia depende de la relación precisa entre la inductancia primaria y la corriente de magnetización. Dos casos numéricos ilustrarán esta distinción.
Primero, suponga que la corriente de magnetización es el 10 por ciento de la corriente de carga. Esto significa que la reactancia debida a la inductancia primaria sería diez veces la resistencia de carga primaria. Esto provocaría una atenuación de menos de 0,05 db. Pero si esta corriente de magnetización se estaba saturando, la forma de onda de la corriente de magnetización es como se muestra en (B) en la Fig.7, que contiene un 20 por ciento de armónico, esta corriente de magnetización, siendo 1/10 de la corriente de carga total, podría producir 1 / 10º esta cantidad de distorsión en la forma de onda de salida, o 2 por ciento.
El segundo tipo de distorsión que puede ocurrir a bajas frecuencias no se debe directamente a la forma de onda de la corriente magnetizante. El transformador puede funcionar bien dentro del límite de saturación, pero la inductancia solo representa una reactancia de, digamos, el doble de la resistencia de carga. Esto dará como resultado una pérdida de aproximadamente 1 db a esta frecuencia y también hará que la línea de carga en las características del tubo se abra en una elipse. En este caso, la distorsión presente se debe a la línea de carga elíptica más que a la no linealidad de la corriente de magnetización del transformador.
Otra variación de esta condición ocurre en amplificadores con grandes cantidades de retroalimentación. Esto produce una baja resistencia de fuente efectiva, por lo que el componente de distorsión de la corriente de magnetización no distorsiona apreciablemente el voltaje. Con un factor de amortiguación de 30, una corriente de magnetización del 25 por ciento de la corriente de carga, y que contiene el 30 por ciento de armónico, solo causará una distorsión del 0,25 por ciento en la salida. Pero el 25% de la corriente de magnetización reactiva puede hacer que los tubos se corten, produciendo una distorsión mucho mayor que esta.
(Para finalizar)
(Parte 2)
El contenido del artículo para entusiastas del tubo de electrones fue proporcionado por Grzegorz 'gsmok' Makarewicz