
How to Make a Two-Step Amplifier
Radio for May, 1922
By D. B. McCown, Assistant Radio Inspector
When the receiver which was described by the writer in March RADIO has been completed, tested, and found to work satisfactorily, the owner thereof will find that it will not be sufficient to get all the radio telephone concerts and broadcast matter as loud as he would like to have them. The need for an amplifier becomes apparent at once, and is the only solution to the problem.
The exact design of the amplifier, as well as the detailed circuit used, is given herewith, and is shown in the accompanying cuts. It is not possible to construct as much of the amplifier as it was with the tuner, so the work becomes largely a job of standard parts. Some of these parts, such as sockets, rheostats and binding posts, could be easily made if one had a complete machine shop, but usually such tools as are required are not available, and furthermore, the time expended on the actual manufacture would be so great that it would be a better plan to buy the parts anyway, if the builder's time is worth anything at all.
For most purposes a "two-step" amplifier will be found to be satisfactory and capable of giving loud enough signals to render the music audible to all. For this instrument, we will need the following:
1 panel of convenient size and thickness.
2 amplifying transformers (audio frequency).
2 tube sockets.
2 vacuum tubes (amplifier tubes).
2 rheostats.
8 binding posts.
Wire for connections.
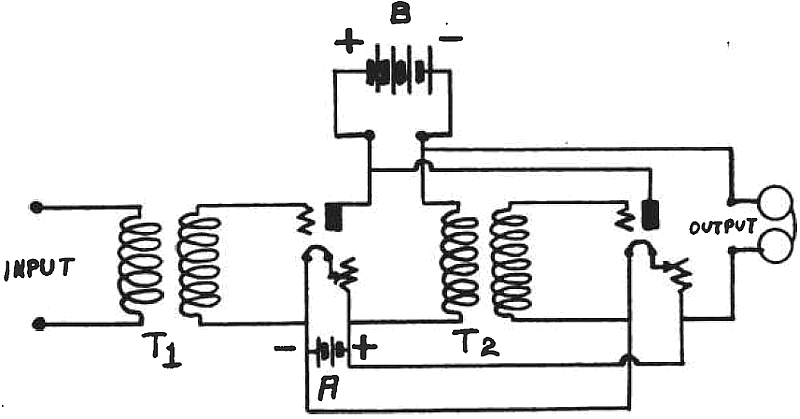
Amplifier Circuit Diagram
The circuit diagram for an amplifier of this type is shown herewith. The posts marked "input" are connected to the primary of the amplifying transformer on one side, and the current from the pair of binding posts marked "teleephones" on the detector panel forms the external circuit, in this case. The two binding posts at the upper left are the ones used for this purpose. There is then a current induced in the secondary of the transformer, T1f whenever a signal passes thru the primary. This in turn affects the grid of the first aníplifier tube, whose output goes to the primary of the second amplifying transformer, T2, and from the secondary of the secondary of this, to the grid of the second tube. The telephones are then connected to the output circuit of this tube, as shown. Binding posts for use for this dass of work are mounted on the upper right side of the panel, opposite the posts marked "input," but the telephones connect to the "output" posts.
Front View of Completed Amplifier Panel

Rear View of Completed Amplifier Panel
Two lower sets of binding posts are also shown, one pair on each side. One pair is used for the A battery, and the other for the B battery. The same batteries may be used for the amplifier as are used for the detector tube, but they should be taken care of, and not allowed to run down, which they will do very easily if abused as the amplifier takes considerable more current than the single detector tube. When making the connections, it will be found that there is one post of the filament circuit which need not be connected with the A battery. This, if everything is connected right, is the negative lead, and this post may be left open. This circuit is already made within the detector set itself, and if connected thru the amplifier as well, simply means extra work for nothing. This only holds true when a common battery is used for the filaments and plates, of course.
The common method of using "jack" and "plugs" to switch into the detector, and various different steps on the amplifier have been abandoned in this particular type of amplifier. In most cases persons listening in to concerts will never use less than two steps, and the extra expense and trouble of installing jacks is scarcely worth while.
Instead of the output of the last stage of the amplifier being connected to a pair of telephones, a "loud speaker" may be substituted, which, with a horn, will allow the music or telephone or other received conversation to be heard without difficulty. If this is too weak, it may be necessary to add a third "step" to the amplifier. This may be done by adding another transformer and tube and rheostat, etc. The input of this transformer will then go to the point where the telephones are now connected, and these, or the loudspeaker, may be connected in the output of the third tube. It is not advisable to carry the amplification farther than this, in most cases, as the extraneous noises usually introduced are magnified by each succeeding amplifier until more "noise" is heard than signal.
The loudspeaker used may be some one of the more elaborate instruments on the market, or a Baldwin receiver attached to a phonograph horn may also be used. Some types of ordinary metallic diaphragm telephones may -be used in place of the Baldwin, and almost as good results obtained. The horn may be attached to the receiver in any convenient way. A horn may be procured and taken to a machine shop and carefully and permanently fitted to the receiver, or simpler means may be used. The writer has seen one such loudspeaker made up by taking a telephone and binding the horn onto the telephone with ordinary tape. Not a very fancy looking job resulted, but one that was "workable" was certainly obtained.